main content of page
Parts Diagrams
OWNER CENTER |

Welcome, Kawasaki owners. Access the information and tools you need to get the most out of your vehicle.
OWNER CENTER |
Welcome, Kawasaki owners. Access the information and tools you need to get the most out of your vehicle.
Parts Diagrams |
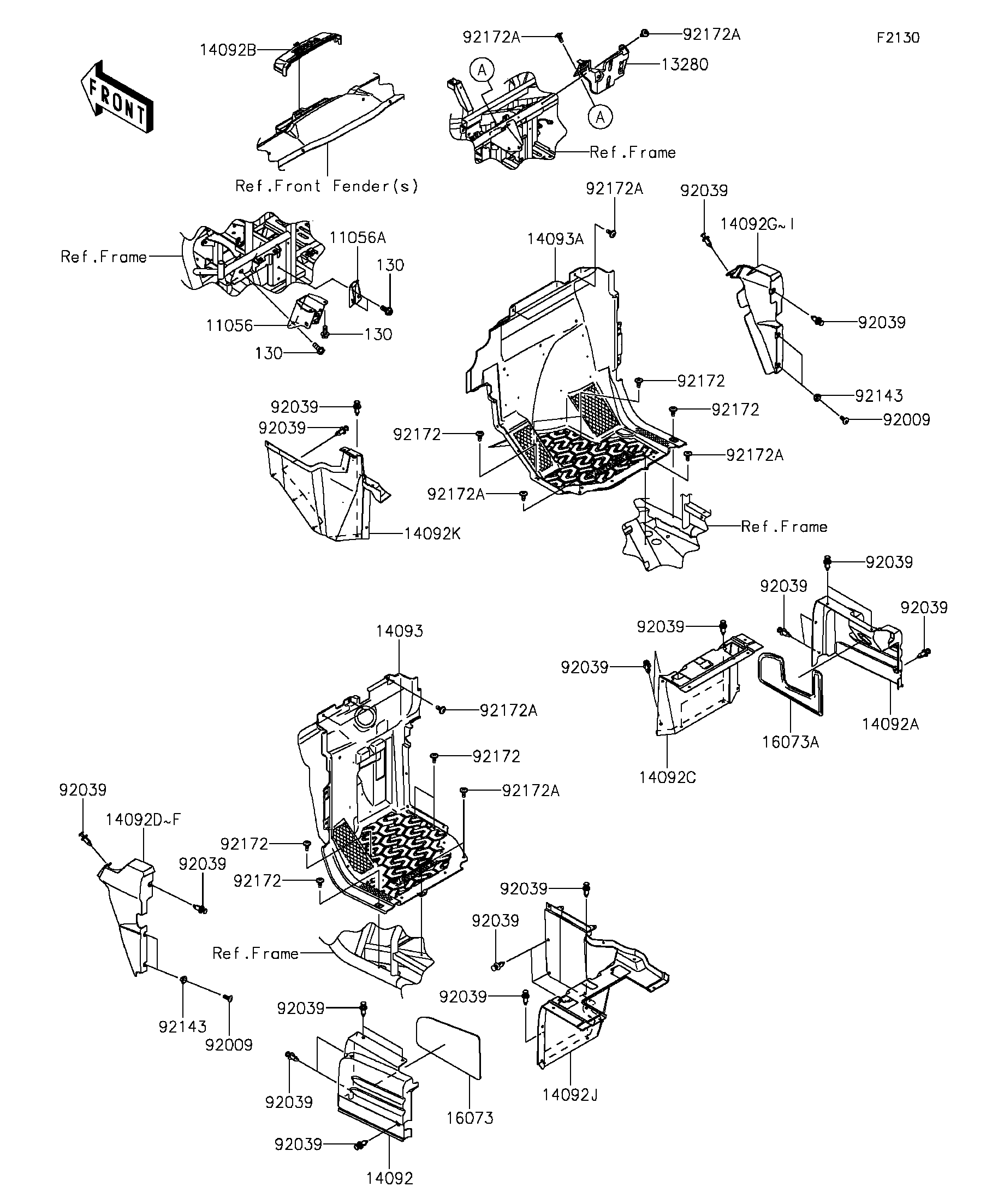
2015 TERYX4™ LE - Frame Fittings(Front)
11056
11056A
13280
14092
14092A
14092B
14092C
14092D
14092E
14092F
14092G
14092H
14092I
14092J
14092K
14093
14093A
16073
16073A
92009
92009
92039
92039
92039
92039
92039
92039
92039
92039
92039
92039
92039
92039
92039
92039
92039
92039
92039
92143
92143
92172
92172
92172
92172
92172
92172
92172A
92172A
92172A
92172A
92172A
92172A
92172A
130
130
130
ITEM NAME | REF # | PART NUMBER | QUANTITY | DESTINATION | REMARKS |
---|---|---|---|---|---|
BRACKET,BRAKE PEDAL | 11056 | 11056-1431 | 1 | ||
BRACKET,THROTTLE PEDAL | 11056A | 11056-4408 | 1 | ||
HOLDER | 13280 | 13280-0782 | 1 | ||
COVER,SEAT SIDE,LH | 14092 | 14092-0720 | 1 | ||
COVER,SEAT SIDE,RH | 14092A | 14092-0721 | 1 | ||
COVER,FUSE BOX | 14092B | 14092-0724 | 1 | ||
COVER,FR SEAT,RH | 14092C | 14092-0757 | 1 | ||
COVER,SIDE GUARD,LH,M.S.WHITE | 14092D | 14092-0804-31Y | 1 | ||
COVER,SIDE GUARD,LH,C.L.GREEN | 14092E | 14092-0804-367 | 1 | ||
COVER,SIDE GUARD,LH,C.B.ORANGE | 14092F | 14092-0804-42L | 1 | ||
COVER,SIDE GUARD,RH,M.S.WHITE | 14092G | 14092-0805-31Y | 1 | ||
COVER,SIDE GUARD,RH,C.L.GREEN | 14092H | 14092-0805-367 | 1 | ||
COVER,SIDE GUARD,RH,C.B.ORANGE | 14092I | 14092-0805-42L | 1 | ||
COVER,FR SEAT,LH | 14092J | 14092-1082 | 1 | ||
COVER,FR SEAT,RH,CNT | 14092K | 14092-1083 | 1 | ||
COVER,FR FLOOR,LH | 14093 | 14093-5137 | 1 | ||
COVER,FR FLOOR,RH | 14093A | 14093-5138 | 1 | ||
INSULATOR,SEAT SIDE,LH | 16073 | 16073-0810 | 1 | ||
INSULATOR,SEAT SIDE,RH | 16073A | 16073-0811 | 1 | ||
SCREW,TAPPING,6X16 | 92009 | 92009-1166 | 4 | ||
RIVET | 92039 | 92039-1229 | 28 | ||
COLLAR | 92143 | 92143-1057 | 4 | ||
SCREW,6X16 | 92172 | 92172-0711 | 8 | ||
SCREW,6X16 | 92172A | 92172-0826 | 11 | ||
BOLT-FLANGED,8X18 | 130 | 130BA0818 | 5 |
BRACKET,BRAKE PEDAL | |
REF # | 11056 |
---|---|
PART NUMBER | |
QUANTITY | 1 |
DESTINATION | |
REMARKS |
BRACKET,THROTTLE PEDAL | |
REF # | 11056A |
---|---|
PART NUMBER | |
QUANTITY | 1 |
DESTINATION | |
REMARKS |
HOLDER | |
REF # | 13280 |
---|---|
PART NUMBER | |
QUANTITY | 1 |
DESTINATION | |
REMARKS |
COVER,SEAT SIDE,LH | |
REF # | 14092 |
---|---|
PART NUMBER | |
QUANTITY | 1 |
DESTINATION | |
REMARKS |
COVER,SEAT SIDE,RH | |
REF # | 14092A |
---|---|
PART NUMBER | |
QUANTITY | 1 |
DESTINATION | |
REMARKS |
COVER,FUSE BOX | |
REF # | 14092B |
---|---|
PART NUMBER | |
QUANTITY | 1 |
DESTINATION | |
REMARKS |
COVER,FR SEAT,RH | |
REF # | 14092C |
---|---|
PART NUMBER | |
QUANTITY | 1 |
DESTINATION | |
REMARKS |
COVER,SIDE GUARD,LH,M.S.WHITE | |
REF # | 14092D |
---|---|
PART NUMBER | |
QUANTITY | 1 |
DESTINATION | |
REMARKS |
COVER,SIDE GUARD,LH,C.L.GREEN | |
REF # | 14092E |
---|---|
PART NUMBER | |
QUANTITY | 1 |
DESTINATION | |
REMARKS |
COVER,SIDE GUARD,LH,C.B.ORANGE | |
REF # | 14092F |
---|---|
PART NUMBER | |
QUANTITY | 1 |
DESTINATION | |
REMARKS |
COVER,SIDE GUARD,RH,M.S.WHITE | |
REF # | 14092G |
---|---|
PART NUMBER | |
QUANTITY | 1 |
DESTINATION | |
REMARKS |
COVER,SIDE GUARD,RH,C.L.GREEN | |
REF # | 14092H |
---|---|
PART NUMBER | |
QUANTITY | 1 |
DESTINATION | |
REMARKS |
COVER,SIDE GUARD,RH,C.B.ORANGE | |
REF # | 14092I |
---|---|
PART NUMBER | |
QUANTITY | 1 |
DESTINATION | |
REMARKS |
COVER,FR SEAT,LH | |
REF # | 14092J |
---|---|
PART NUMBER | |
QUANTITY | 1 |
DESTINATION | |
REMARKS |
COVER,FR SEAT,RH,CNT | |
REF # | 14092K |
---|---|
PART NUMBER | |
QUANTITY | 1 |
DESTINATION | |
REMARKS |
COVER,FR FLOOR,LH | |
REF # | 14093 |
---|---|
PART NUMBER | |
QUANTITY | 1 |
DESTINATION | |
REMARKS |
COVER,FR FLOOR,RH | |
REF # | 14093A |
---|---|
PART NUMBER | |
QUANTITY | 1 |
DESTINATION | |
REMARKS |
INSULATOR,SEAT SIDE,LH | |
REF # | 16073 |
---|---|
PART NUMBER | |
QUANTITY | 1 |
DESTINATION | |
REMARKS |
INSULATOR,SEAT SIDE,RH | |
REF # | 16073A |
---|---|
PART NUMBER | |
QUANTITY | 1 |
DESTINATION | |
REMARKS |
SCREW,TAPPING,6X16 | |
REF # | 92009 |
---|---|
PART NUMBER | |
QUANTITY | 4 |
DESTINATION | |
REMARKS |
RIVET | |
REF # | 92039 |
---|---|
PART NUMBER | |
QUANTITY | 28 |
DESTINATION | |
REMARKS |
COLLAR | |
REF # | 92143 |
---|---|
PART NUMBER | |
QUANTITY | 4 |
DESTINATION | |
REMARKS |
SCREW,6X16 | |
REF # | 92172 |
---|---|
PART NUMBER | |
QUANTITY | 8 |
DESTINATION | |
REMARKS |
SCREW,6X16 | |
REF # | 92172A |
---|---|
PART NUMBER | |
QUANTITY | 11 |
DESTINATION | |
REMARKS |
BOLT-FLANGED,8X18 | |
REF # | 130 |
---|---|
PART NUMBER | |
QUANTITY | 5 |
DESTINATION | |
REMARKS |