main content of page
Parts Diagrams
                        OWNER CENTER | 
                    
        Welcome, Kawasaki owners. Access the information and tools you need to get the most out of your vehicle.
                            OWNER CENTER | 
                        
Welcome, Kawasaki owners. Access the information and tools you need to get the most out of your vehicle.
                            Parts Diagrams | 
                        
                                            11056
                                        
                                    
                                            11056A
                                        
                                    
                                            13280
                                        
                                    
                                            14092
                                        
                                    
                                            14092A
                                        
                                    
                                            14092B
                                        
                                    
                                            14092C
                                        
                                    
                                            14092D
                                        
                                    
                                            14092E
                                        
                                    
                                            14092F
                                        
                                    
                                            14092G
                                        
                                    
                                            14093
                                        
                                    
                                            14093A
                                        
                                    
                                            16073
                                        
                                    
                                            16073A
                                        
                                    
                                            92009
                                        
                                    
                                            92009
                                        
                                    
                                            92039
                                        
                                    
                                            92039
                                        
                                    
                                            92039
                                        
                                    
                                            92039
                                        
                                    
                                            92039
                                        
                                    
                                            92039
                                        
                                    
                                            92039
                                        
                                    
                                            92039
                                        
                                    
                                            92039
                                        
                                    
                                            92039
                                        
                                    
                                            92039
                                        
                                    
                                            92039
                                        
                                    
                                            92039
                                        
                                    
                                            92039
                                        
                                    
                                            92039
                                        
                                    
                                            92143
                                        
                                    
                                            92143
                                        
                                    
                                            92172
                                        
                                    
                                            92172
                                        
                                    
                                            92172
                                        
                                    
                                            92172
                                        
                                    
                                            92172
                                        
                                    
                                            92172
                                        
                                    
                                            92172
                                        
                                    
                                            92172
                                        
                                    
                                            92172A
                                        
                                    
                                            92172A
                                        
                                    
                                            92172A
                                        
                                    
                                            92172A
                                        
                                    
                                            92172A
                                        
                                    
                                            92172A
                                        
                                    
                                            92172A
                                        
                                    
                                            130
                                        
                                    
                                            130
                                        
                                    
                                            130
                                        
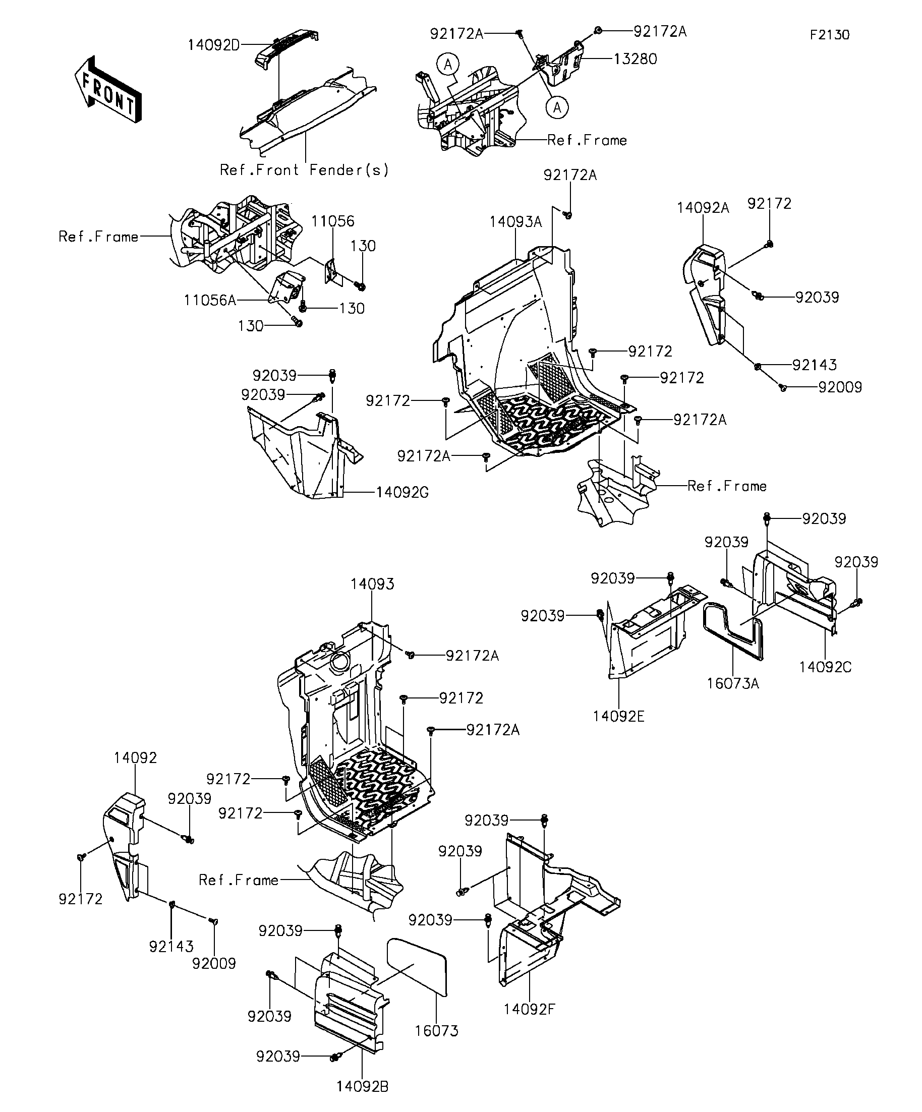
                                    | ITEM NAME | REF # | PART NUMBER | QUANTITY | DESTINATION | REMARKS | 
|---|---|---|---|---|---|
| BRACKET,THROTTLE PEDAL | 11056 | 11056-0734 | 1 | ||
| BRACKET,BRAKE PEDAL | 11056A | 11056-1431 | 1 | ||
| HOLDER | 13280 | 13280-0782 | 1 | ||
| COVER,SIDE GUARD,LH | 14092 | 14092-0716 | 1 | ||
| COVER,SIDE GUARD,RH | 14092A | 14092-0717 | 1 | ||
| COVER,SEAT SIDE,LH | 14092B | 14092-0720 | 1 | ||
| COVER,SEAT SIDE,RH | 14092C | 14092-0721 | 1 | ||
| COVER,FUSE BOX | 14092D | 14092-0724 | 1 | ||
| COVER,FR SEAT,RH | 14092E | 14092-0757 | 1 | ||
| COVER,FR SEAT,LH | 14092F | 14092-1082 | 1 | ||
| COVER,FR SEAT,RH,CNT | 14092G | 14092-1083 | 1 | ||
| COVER,FR FLOOR,LH | 14093 | 14093-5137 | 1 | ||
| COVER,FR FLOOR,RH | 14093A | 14093-5138 | 1 | ||
| INSULATOR,SEAT SIDE,LH | 16073 | 16073-0810 | 1 | ||
| INSULATOR,SEAT SIDE,RH | 16073A | 16073-0811 | 1 | ||
| SCREW,TAPPING,6X16 | 92009 | 92009-1166 | 4 | ||
| RIVET | 92039 | 92039-1229 | 26 | ||
| COLLAR | 92143 | 92143-1057 | 4 | ||
| SCREW,6X16 | 92172 | 92172-0711 | 10 | ||
| SCREW,6X16 | 92172A | 92172-0826 | 11 | ||
| BOLT-FLANGED,8X18 | 130 | 130BA0818 | 5 | 
| BRACKET,THROTTLE PEDAL | |
| REF # | 11056 | 
|---|---|
| PART NUMBER | |
| QUANTITY | 1 | 
| DESTINATION | |
| REMARKS | |
| BRACKET,BRAKE PEDAL | |
| REF # | 11056A | 
|---|---|
| PART NUMBER | |
| QUANTITY | 1 | 
| DESTINATION | |
| REMARKS | |
| HOLDER | |
| REF # | 13280 | 
|---|---|
| PART NUMBER | |
| QUANTITY | 1 | 
| DESTINATION | |
| REMARKS | |
| COVER,SIDE GUARD,LH | |
| REF # | 14092 | 
|---|---|
| PART NUMBER | |
| QUANTITY | 1 | 
| DESTINATION | |
| REMARKS | |
| COVER,SIDE GUARD,RH | |
| REF # | 14092A | 
|---|---|
| PART NUMBER | |
| QUANTITY | 1 | 
| DESTINATION | |
| REMARKS | |
| COVER,SEAT SIDE,LH | |
| REF # | 14092B | 
|---|---|
| PART NUMBER | |
| QUANTITY | 1 | 
| DESTINATION | |
| REMARKS | |
| COVER,SEAT SIDE,RH | |
| REF # | 14092C | 
|---|---|
| PART NUMBER | |
| QUANTITY | 1 | 
| DESTINATION | |
| REMARKS | |
| COVER,FUSE BOX | |
| REF # | 14092D | 
|---|---|
| PART NUMBER | |
| QUANTITY | 1 | 
| DESTINATION | |
| REMARKS | |
| COVER,FR SEAT,RH | |
| REF # | 14092E | 
|---|---|
| PART NUMBER | |
| QUANTITY | 1 | 
| DESTINATION | |
| REMARKS | |
| COVER,FR SEAT,LH | |
| REF # | 14092F | 
|---|---|
| PART NUMBER | |
| QUANTITY | 1 | 
| DESTINATION | |
| REMARKS | |
| COVER,FR SEAT,RH,CNT | |
| REF # | 14092G | 
|---|---|
| PART NUMBER | |
| QUANTITY | 1 | 
| DESTINATION | |
| REMARKS | |
| COVER,FR FLOOR,LH | |
| REF # | 14093 | 
|---|---|
| PART NUMBER | |
| QUANTITY | 1 | 
| DESTINATION | |
| REMARKS | |
| COVER,FR FLOOR,RH | |
| REF # | 14093A | 
|---|---|
| PART NUMBER | |
| QUANTITY | 1 | 
| DESTINATION | |
| REMARKS | |
| INSULATOR,SEAT SIDE,LH | |
| REF # | 16073 | 
|---|---|
| PART NUMBER | |
| QUANTITY | 1 | 
| DESTINATION | |
| REMARKS | |
| INSULATOR,SEAT SIDE,RH | |
| REF # | 16073A | 
|---|---|
| PART NUMBER | |
| QUANTITY | 1 | 
| DESTINATION | |
| REMARKS | |
| SCREW,TAPPING,6X16 | |
| REF # | 92009 | 
|---|---|
| PART NUMBER | |
| QUANTITY | 4 | 
| DESTINATION | |
| REMARKS | |
| RIVET | |
| REF # | 92039 | 
|---|---|
| PART NUMBER | |
| QUANTITY | 26 | 
| DESTINATION | |
| REMARKS | |
| COLLAR | |
| REF # | 92143 | 
|---|---|
| PART NUMBER | |
| QUANTITY | 4 | 
| DESTINATION | |
| REMARKS | |
| SCREW,6X16 | |
| REF # | 92172 | 
|---|---|
| PART NUMBER | |
| QUANTITY | 10 | 
| DESTINATION | |
| REMARKS | |
| SCREW,6X16 | |
| REF # | 92172A | 
|---|---|
| PART NUMBER | |
| QUANTITY | 11 | 
| DESTINATION | |
| REMARKS | |
| BOLT-FLANGED,8X18 | |
| REF # | 130 | 
|---|---|
| PART NUMBER | |
| QUANTITY | 5 | 
| DESTINATION | |
| REMARKS | |