main content of page
Parts Diagrams
OWNER CENTER |
Welcome, Kawasaki owners. Access the information and tools you need to get the most out of your vehicle.
OWNER CENTER |
Welcome, Kawasaki owners. Access the information and tools you need to get the most out of your vehicle.
Parts Diagrams |
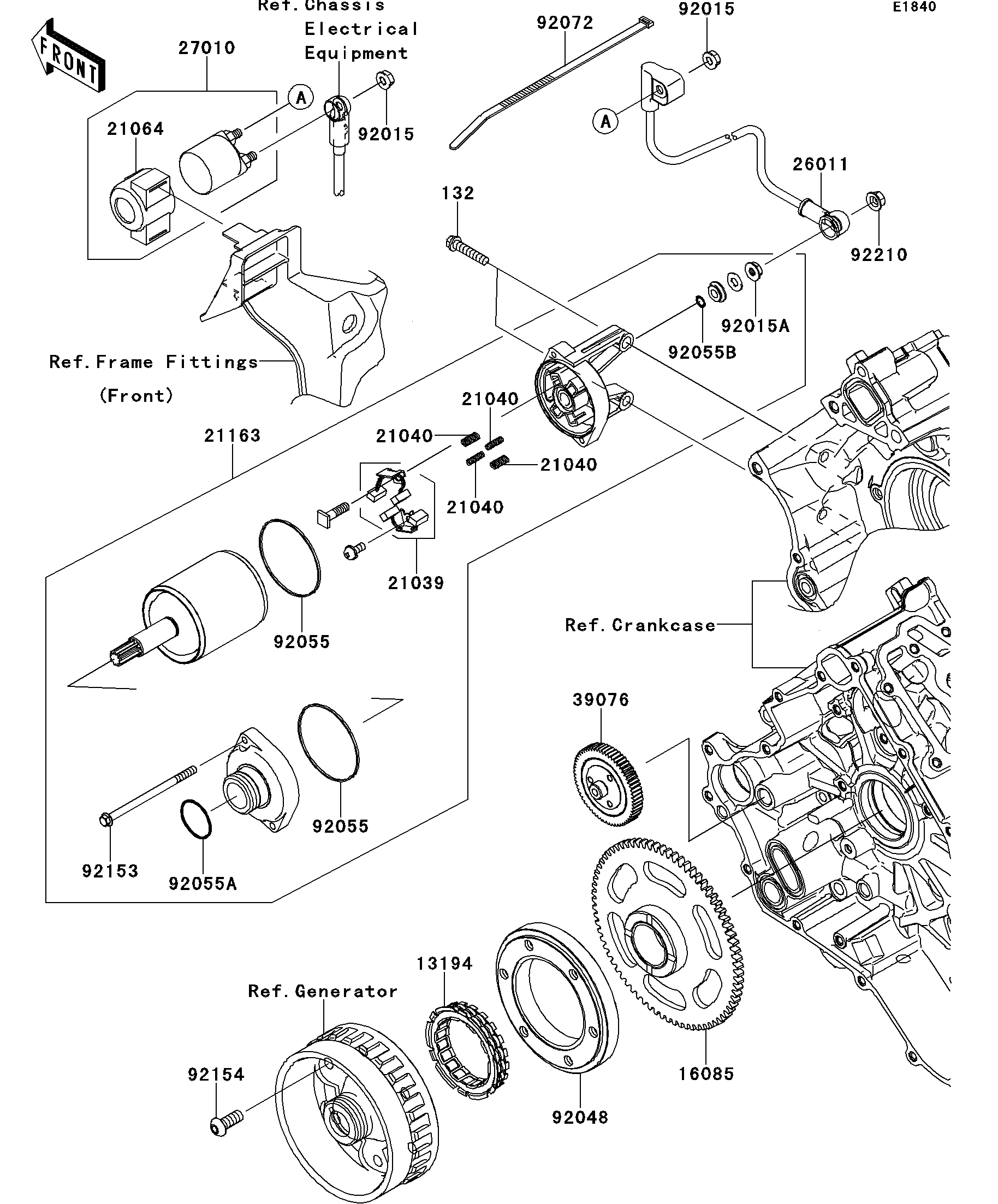
13194
16085
21039
21040
21040
21040
21040
21064
21163
26011
27010
39076
92015
92015
92015A
92048
92055
92055
92055A
92055B
92072
92153
92154
92210
132
| ITEM NAME | REF # | PART NUMBER | QUANTITY | DESTINATION | REMARKS |
|---|---|---|---|---|---|
| CLUTCH-ONEWAY | 13194 | 13194-1094 | 1 | ||
| GEAR,STARTER | 16085 | 16085-0591 | 1 | ||
| BRUSH,CARBON | 21039 | 21039-0004 | 1 | ||
| SPRING-BRUSH | 21040 | 21040-0003 | 4 | ||
| DAMPER,MAGNETIC SWITCH | 21064 | 21064-002 | 1 | ||
| STARTER-ELECTRIC | 21163 | 21163-0037 | 1 | ||
| WIRE-LEAD,STARTER | 26011 | 26011-0800 | 1 | ||
| SWITCH,MAGNETIC | 27010 | 27010-1098 | 1 | ||
| LIMITER,STARTER | 39076 | 39076-0555 | 1 | ||
| NUT,FLANGED,6MM | 92015 | 92015-1367 | 2 | ||
| NUT,STARTER MOTOR | 92015A | 92015-1476 | 1 | ||
| RACE,ONEWAY CLUTCH | 92048 | 92048-0553 | 1 | ||
| RING-O | 92055 | 92055-0136 | 2 | ||
| RING-O | 92055A | 92055-1276 | 1 | ||
| RING-O,4.5X2.0 | 92055B | 92055-1370 | 1 | ||
| BAND,L=292.1 | 92072 | 92072-3509 | 1 | ||
| BOLT | 92153 | 92153-1850 | 2 | ||
| BOLT,TORX,8X20 | 92154 | 92154-0421 | 6 | ||
| NUT,6MM | 92210 | 92210-0188 | 1 | ||
| BOLT-FLANGED-SMALL,6X30 | 132 | 132BA0630 | 2 |
| CLUTCH-ONEWAY | |
| REF # | 13194 |
|---|---|
| PART NUMBER | |
| QUANTITY | 1 |
| DESTINATION | |
| REMARKS | |
| GEAR,STARTER | |
| REF # | 16085 |
|---|---|
| PART NUMBER | |
| QUANTITY | 1 |
| DESTINATION | |
| REMARKS | |
| BRUSH,CARBON | |
| REF # | 21039 |
|---|---|
| PART NUMBER | |
| QUANTITY | 1 |
| DESTINATION | |
| REMARKS | |
| SPRING-BRUSH | |
| REF # | 21040 |
|---|---|
| PART NUMBER | |
| QUANTITY | 4 |
| DESTINATION | |
| REMARKS | |
| DAMPER,MAGNETIC SWITCH | |
| REF # | 21064 |
|---|---|
| PART NUMBER | |
| QUANTITY | 1 |
| DESTINATION | |
| REMARKS | |
| STARTER-ELECTRIC | |
| REF # | 21163 |
|---|---|
| PART NUMBER | |
| QUANTITY | 1 |
| DESTINATION | |
| REMARKS | |
| WIRE-LEAD,STARTER | |
| REF # | 26011 |
|---|---|
| PART NUMBER | |
| QUANTITY | 1 |
| DESTINATION | |
| REMARKS | |
| SWITCH,MAGNETIC | |
| REF # | 27010 |
|---|---|
| PART NUMBER | |
| QUANTITY | 1 |
| DESTINATION | |
| REMARKS | |
| LIMITER,STARTER | |
| REF # | 39076 |
|---|---|
| PART NUMBER | |
| QUANTITY | 1 |
| DESTINATION | |
| REMARKS | |
| NUT,FLANGED,6MM | |
| REF # | 92015 |
|---|---|
| PART NUMBER | |
| QUANTITY | 2 |
| DESTINATION | |
| REMARKS | |
| NUT,STARTER MOTOR | |
| REF # | 92015A |
|---|---|
| PART NUMBER | |
| QUANTITY | 1 |
| DESTINATION | |
| REMARKS | |
| RACE,ONEWAY CLUTCH | |
| REF # | 92048 |
|---|---|
| PART NUMBER | |
| QUANTITY | 1 |
| DESTINATION | |
| REMARKS | |
| RING-O | |
| REF # | 92055 |
|---|---|
| PART NUMBER | |
| QUANTITY | 2 |
| DESTINATION | |
| REMARKS | |
| RING-O | |
| REF # | 92055A |
|---|---|
| PART NUMBER | |
| QUANTITY | 1 |
| DESTINATION | |
| REMARKS | |
| RING-O,4.5X2.0 | |
| REF # | 92055B |
|---|---|
| PART NUMBER | |
| QUANTITY | 1 |
| DESTINATION | |
| REMARKS | |
| BAND,L=292.1 | |
| REF # | 92072 |
|---|---|
| PART NUMBER | |
| QUANTITY | 1 |
| DESTINATION | |
| REMARKS | |
| BOLT | |
| REF # | 92153 |
|---|---|
| PART NUMBER | |
| QUANTITY | 2 |
| DESTINATION | |
| REMARKS | |
| BOLT,TORX,8X20 | |
| REF # | 92154 |
|---|---|
| PART NUMBER | |
| QUANTITY | 6 |
| DESTINATION | |
| REMARKS | |
| NUT,6MM | |
| REF # | 92210 |
|---|---|
| PART NUMBER | |
| QUANTITY | 1 |
| DESTINATION | |
| REMARKS | |
| BOLT-FLANGED-SMALL,6X30 | |
| REF # | 132 |
|---|---|
| PART NUMBER | |
| QUANTITY | 2 |
| DESTINATION | |
| REMARKS | |