Skip to main content

Parts Diagrams

customer service agent speaking with a customer

Welcome, Kawasaki owners. Access the information and tools you need to get the most out of your vehicle.

Welcome, Kawasaki owners. Access the information and tools you need to get the most out of your vehicle.

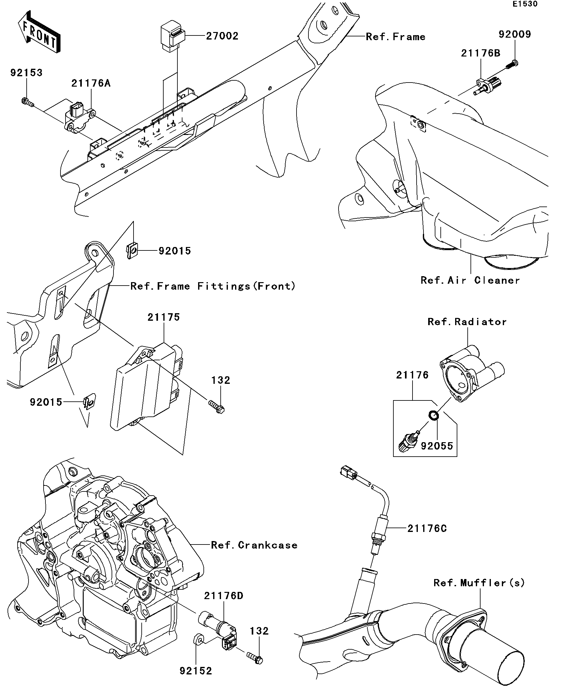
21175
21176
21176A
21176B
21176C
21176D
27002
92009
92015
92015
92055
92152
92153
132
132
Part Item Information
ITEM NAME REF # PART NUMBER QUANTITY DESTINATION REMARKS
CONTROL UNIT-ELECTRONIC 21175 21175-0834 1
SENSOR,WATER TEMP 21176 21176-0009 1
SENSOR,VEHICLE-DOWN 21176A 21176-0026 1
SENSOR,AIR TEMPERATURE 21176B 21176-0048 1
SENSOR,OXYGEN 21176C 21176-0114 1
SENSOR,SPEED 21176D 21176-0712 1
RELAY-ASSY 27002 27002-1062 2
SCREW,TAPPING,5X16 92009 92009-1984 1
NUT,6MM 92015 92015-1602 2
RING-O,9.5X1.9 92055 92055-0016 1
COLLAR,6.5X16X4.8 92152 92152-1729 1
BOLT,SOCKET,5X14 92153 92153-1286 2
BOLT-FLANGED-SMALL,6X20 132 132BA0620 3