Skip to main content

Parts Diagrams

customer service agent speaking with a customer

Welcome, Kawasaki owners. Access the information and tools you need to get the most out of your vehicle.

Welcome, Kawasaki owners. Access the information and tools you need to get the most out of your vehicle.

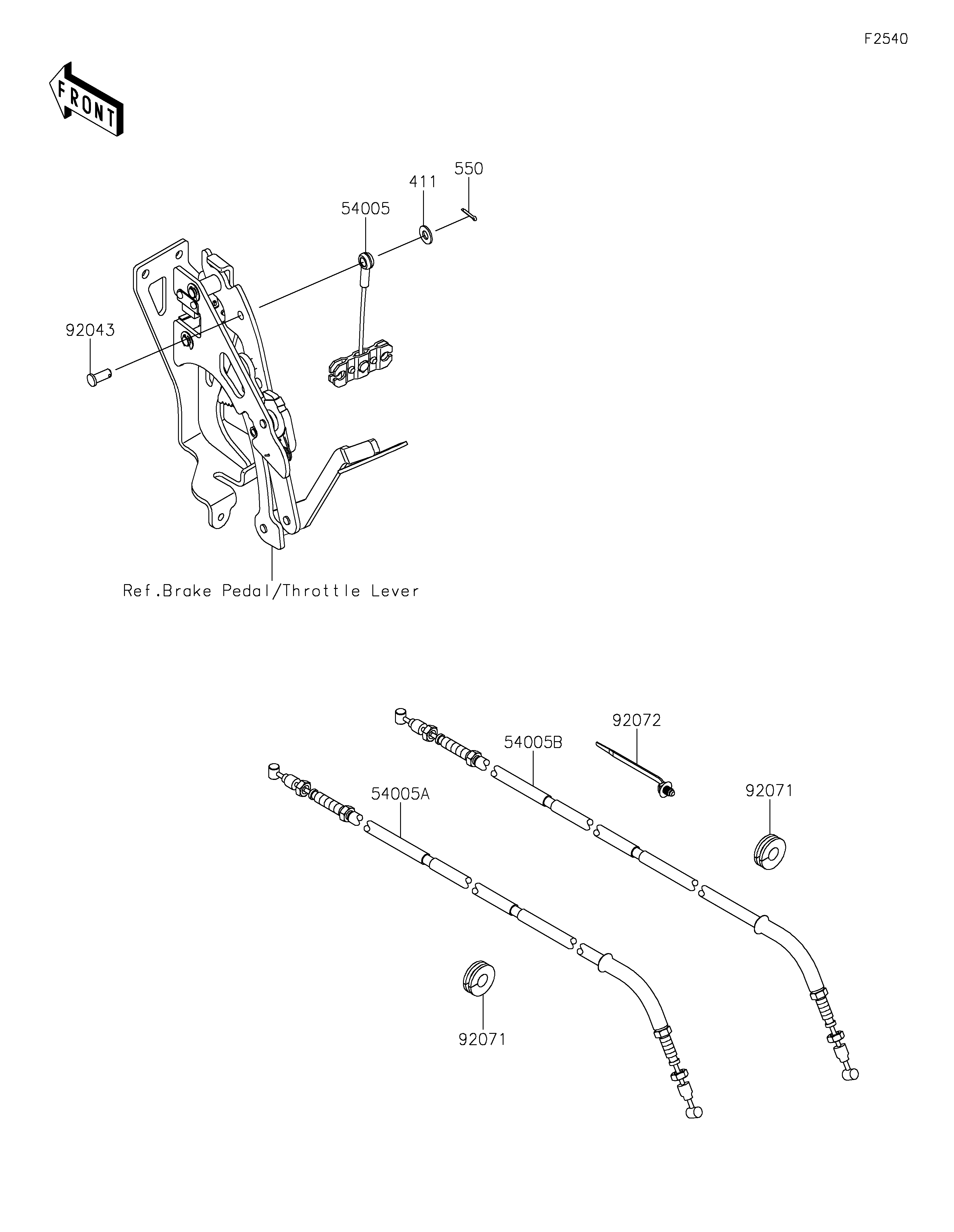
54005
54005A
54005B
92043
92071
92071
92072
411
550
Part Item Information
ITEM NAME REF # PART NUMBER QUANTITY DESTINATION REMARKS
CABLE-BRAKE,PARKING,FR 54005 54005-0035 1
CABLE-BRAKE,PARKING,LH 54005A 54005-0328 1
CABLE-BRAKE,PARKING,RH 54005B 54005-0329 1
PIN 92043 92043-1039 1
GROMMET 92071 92071-0029 5
BAND,OS170-FT7(BLACK) 92072 92072-1414 6
WASHER-PLAIN,8MM 411 411AA0800 1
PIN-COTTER,2.5X18 550 550AA2518 1