Skip to main content

Parts Diagrams

customer service agent speaking with a customer

Welcome, Kawasaki owners. Access the information and tools you need to get the most out of your vehicle.

Welcome, Kawasaki owners. Access the information and tools you need to get the most out of your vehicle.

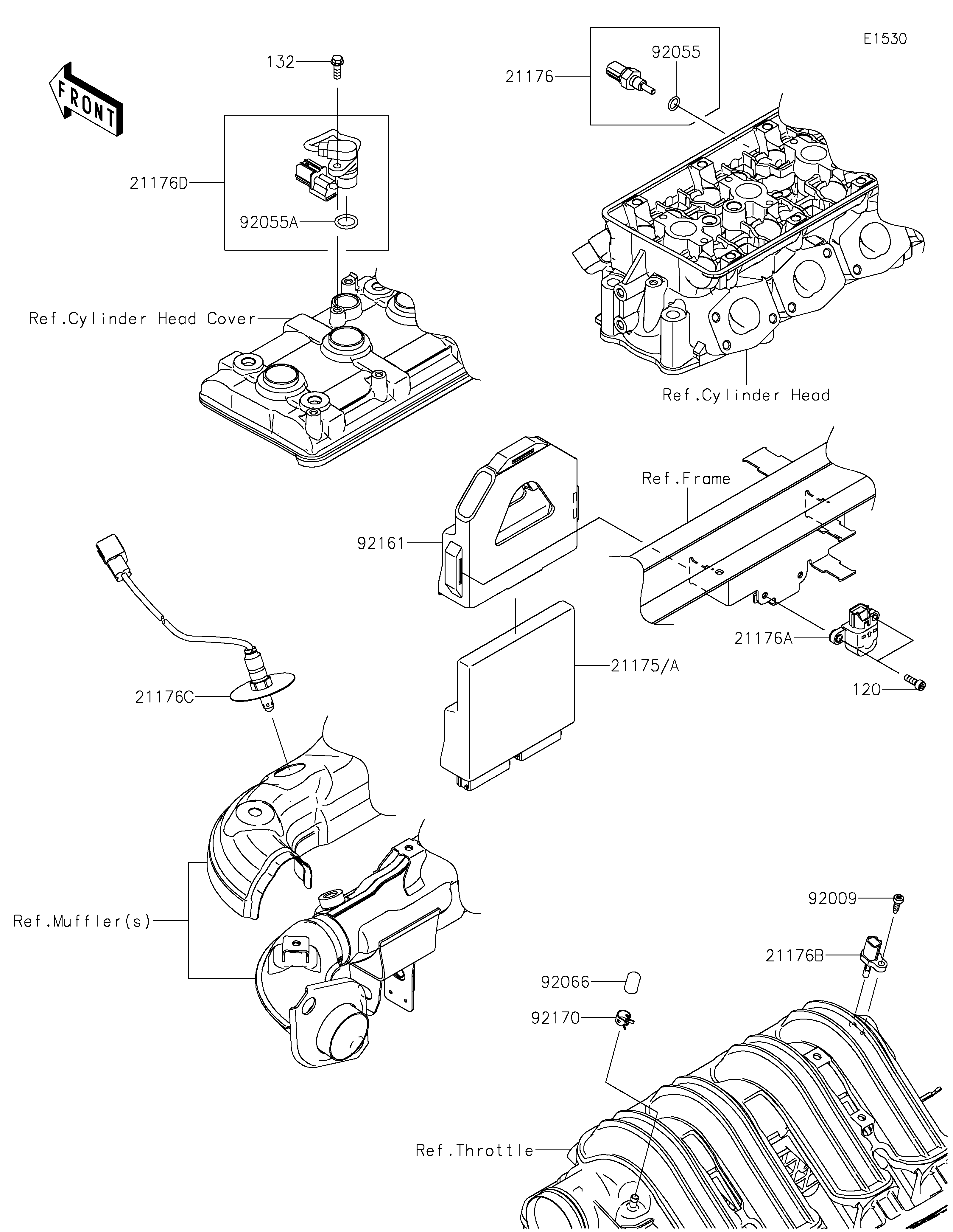
21175A
21176
21176A
21176B
21176C
21176D
92009
92055
92055A
92161
120
132
Part Item Information
ITEM NAME REF # PART NUMBER QUANTITY DESTINATION REMARKS
CONTROL UNIT-ELECTRONIC 21175A 21175-1893 1 CA
SENSOR,WATER TEMP 21176 21176-0009 1
SENSOR,VEHICLE-DOWN 21176A 21176-0026 1
SENSOR,AIR TEMPERATURE 21176B 21176-0048 1
SENSOR,OXYGEN 21176C 21176-0935 1
SENSOR,CAM ANGLE 21176D 21176-1077 1
SCREW,TAPPING,5X16 92009 92009-1984 1
RING-O,9.5X1.9 92055 92055-0016 1
RING-O 92055A 92055-1639 1
DAMPER,ECU 92161 92161-2495 1
BOLT-SOCKET,5X16 120 120CA0516 2
BOLT-FLANGED-SMALL,6X16 132 132BA0616 1
CONTROL UNIT-ELECTRONIC 21175 21175-1892 1 US
PLUG 92066 92066-0862 1 US
CLAMP 92170 92170-2043 1 US