main content of page
Parts Diagrams
OWNER CENTER |

Welcome, Kawasaki owners. Access the information and tools you need to get the most out of your vehicle.
OWNER CENTER |
Welcome, Kawasaki owners. Access the information and tools you need to get the most out of your vehicle.
Parts Diagrams |
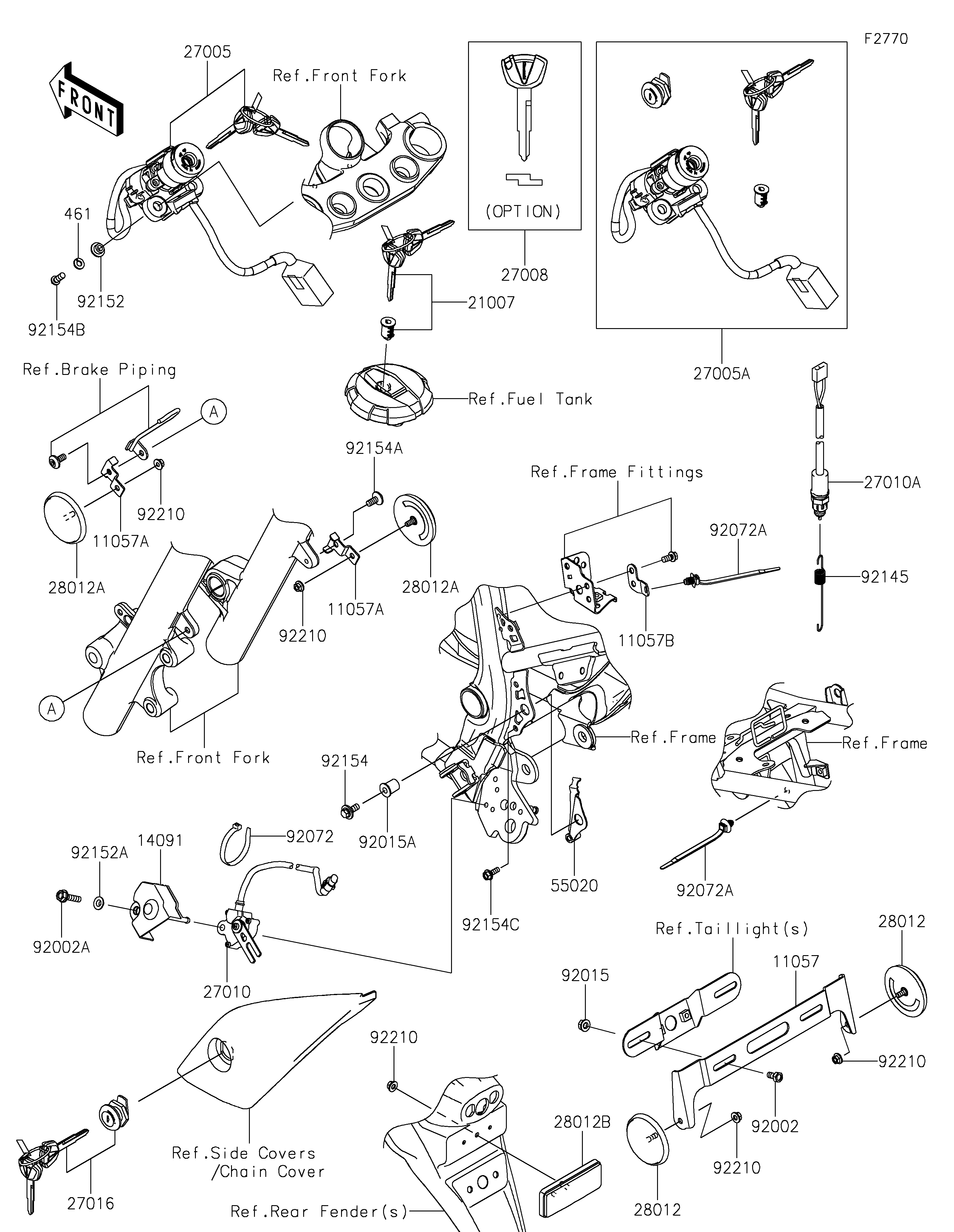
11057
11057A
11057A
11057B
14091
21007
27005
27005A
27008
27010
27010A
27016
28012
28012
28012A
28012A
28012B
55020
92002
92002A
92015
92015A
92072
92072A
92072A
92145
92152
92152A
92154
92154A
92154B
92154C
92210
92210
92210
92210
92210
461
ITEM NAME | REF # | PART NUMBER | QUANTITY | DESTINATION | REMARKS |
---|---|---|---|---|---|
BRACKET,REFLECTOR | 11057 | 11057-0641 | 1 | ||
BRACKET,FR | 11057A | 11057-2421 | 2 | ||
BRACKET | 11057B | 11057-4032 | 1 | ||
COVER,SIDE STAND SWITCH | 14091 | 14091-1553 | 1 | ||
ROTOR,LOCK,TANK CAP | 21007 | 21007-5077 | 1 | ||
SWITCH-ASSY-IGNITION | 27005 | 27005-0721 | 1 | ||
SWITCH-ASSY-IGNITION | 27005A | 27005-5194 | 1 | ||
KEY-LOCK,BLANK | 27008 | 27008-0596 | 1 | (OPTION) | |
SWITCH,SIDE STAND | 27010 | 27010-0097 | 1 | ||
SWITCH,REAR BRAKE | 27010A | 27010-0106 | 1 | ||
LOCK-ASSY | 27016 | 27016-5387 | 1 | ||
REFLECTOR-REFLEX | 28012 | 28012-0002 | 2 | ||
REFLECTOR-REFLEX | 28012A | 28012-0008 | 2 | ||
REFLECTOR-REFLEX | 28012B | 28012-1077 | 1 | ||
GUARD | 55020 | 55020-2307 | 1 | ||
BOLT,6X12 | 92002 | 92002-1132 | 2 | ||
BOLT,FLANGED,6X25 | 92002A | 92002-1582 | 1 | ||
NUT,FLANGED,6MM | 92015 | 92015-1367 | 2 | ||
NUT | 92015A | 92015-1700 | 1 | ||
BAND,L=200 | 92072 | 92072-0946 | 1 | ||
BAND,OS170-FT7(BLACK) | 92072A | 92072-0947 | 2 | ||
SPRING | 92145 | 92145-2417 | 1 | ||
COLLAR,6.15X10.15X6 | 92152 | 92152-1535 | 2 | ||
COLLAR,6.4X8X4.3 | 92152A | 92152-2212 | 1 | ||
BOLT,FLANGED-SMALL,6X16 | 92154 | 92154-1183 | 1 | ||
BOLT,SOCKET,6X14 | 92154A | 92154-3763 | 1 | ||
BOLT,TORX,6X16 | 92154B | 92154-7275 | 2 | ||
BOLT,FLANGED,5X14 | 92154C | 92154-7277 | 1 | ||
NUT,FLANGED,5MM | 92210 | 92210-0007 | 5 | ||
WASHER-SPRING,6MM | 461 | 461DA0600 | 2 |
BRACKET,REFLECTOR | |
REF # | 11057 |
---|---|
PART NUMBER | |
QUANTITY | 1 |
DESTINATION | |
REMARKS |
BRACKET,FR | |
REF # | 11057A |
---|---|
PART NUMBER | |
QUANTITY | 2 |
DESTINATION | |
REMARKS |
BRACKET | |
REF # | 11057B |
---|---|
PART NUMBER | |
QUANTITY | 1 |
DESTINATION | |
REMARKS |
COVER,SIDE STAND SWITCH | |
REF # | 14091 |
---|---|
PART NUMBER | |
QUANTITY | 1 |
DESTINATION | |
REMARKS |
ROTOR,LOCK,TANK CAP | |
REF # | 21007 |
---|---|
PART NUMBER | |
QUANTITY | 1 |
DESTINATION | |
REMARKS |
SWITCH-ASSY-IGNITION | |
REF # | 27005 |
---|---|
PART NUMBER | |
QUANTITY | 1 |
DESTINATION | |
REMARKS |
SWITCH-ASSY-IGNITION | |
REF # | 27005A |
---|---|
PART NUMBER | |
QUANTITY | 1 |
DESTINATION | |
REMARKS |
KEY-LOCK,BLANK | |
REF # | 27008 |
---|---|
PART NUMBER | |
QUANTITY | 1 |
DESTINATION | |
REMARKS | (OPTION) |
SWITCH,SIDE STAND | |
REF # | 27010 |
---|---|
PART NUMBER | |
QUANTITY | 1 |
DESTINATION | |
REMARKS |
SWITCH,REAR BRAKE | |
REF # | 27010A |
---|---|
PART NUMBER | |
QUANTITY | 1 |
DESTINATION | |
REMARKS |
LOCK-ASSY | |
REF # | 27016 |
---|---|
PART NUMBER | |
QUANTITY | 1 |
DESTINATION | |
REMARKS |
REFLECTOR-REFLEX | |
REF # | 28012 |
---|---|
PART NUMBER | |
QUANTITY | 2 |
DESTINATION | |
REMARKS |
REFLECTOR-REFLEX | |
REF # | 28012A |
---|---|
PART NUMBER | |
QUANTITY | 2 |
DESTINATION | |
REMARKS |
REFLECTOR-REFLEX | |
REF # | 28012B |
---|---|
PART NUMBER | |
QUANTITY | 1 |
DESTINATION | |
REMARKS |
GUARD | |
REF # | 55020 |
---|---|
PART NUMBER | |
QUANTITY | 1 |
DESTINATION | |
REMARKS |
BOLT,6X12 | |
REF # | 92002 |
---|---|
PART NUMBER | |
QUANTITY | 2 |
DESTINATION | |
REMARKS |
BOLT,FLANGED,6X25 | |
REF # | 92002A |
---|---|
PART NUMBER | |
QUANTITY | 1 |
DESTINATION | |
REMARKS |
NUT,FLANGED,6MM | |
REF # | 92015 |
---|---|
PART NUMBER | |
QUANTITY | 2 |
DESTINATION | |
REMARKS |
NUT | |
REF # | 92015A |
---|---|
PART NUMBER | |
QUANTITY | 1 |
DESTINATION | |
REMARKS |
BAND,L=200 | |
REF # | 92072 |
---|---|
PART NUMBER | |
QUANTITY | 1 |
DESTINATION | |
REMARKS |
BAND,OS170-FT7(BLACK) | |
REF # | 92072A |
---|---|
PART NUMBER | |
QUANTITY | 2 |
DESTINATION | |
REMARKS |
SPRING | |
REF # | 92145 |
---|---|
PART NUMBER | |
QUANTITY | 1 |
DESTINATION | |
REMARKS |
COLLAR,6.15X10.15X6 | |
REF # | 92152 |
---|---|
PART NUMBER | |
QUANTITY | 2 |
DESTINATION | |
REMARKS |
COLLAR,6.4X8X4.3 | |
REF # | 92152A |
---|---|
PART NUMBER | |
QUANTITY | 1 |
DESTINATION | |
REMARKS |
BOLT,FLANGED-SMALL,6X16 | |
REF # | 92154 |
---|---|
PART NUMBER | |
QUANTITY | 1 |
DESTINATION | |
REMARKS |
BOLT,SOCKET,6X14 | |
REF # | 92154A |
---|---|
PART NUMBER | |
QUANTITY | 1 |
DESTINATION | |
REMARKS |
BOLT,TORX,6X16 | |
REF # | 92154B |
---|---|
PART NUMBER | |
QUANTITY | 2 |
DESTINATION | |
REMARKS |
BOLT,FLANGED,5X14 | |
REF # | 92154C |
---|---|
PART NUMBER | |
QUANTITY | 1 |
DESTINATION | |
REMARKS |
NUT,FLANGED,5MM | |
REF # | 92210 |
---|---|
PART NUMBER | |
QUANTITY | 5 |
DESTINATION | |
REMARKS |
WASHER-SPRING,6MM | |
REF # | 461 |
---|---|
PART NUMBER | |
QUANTITY | 2 |
DESTINATION | |
REMARKS |