main content of page
Parts Diagrams
OWNER CENTER |
Welcome, Kawasaki owners. Access the information and tools you need to get the most out of your vehicle.
OWNER CENTER |
Welcome, Kawasaki owners. Access the information and tools you need to get the most out of your vehicle.
Parts Diagrams |
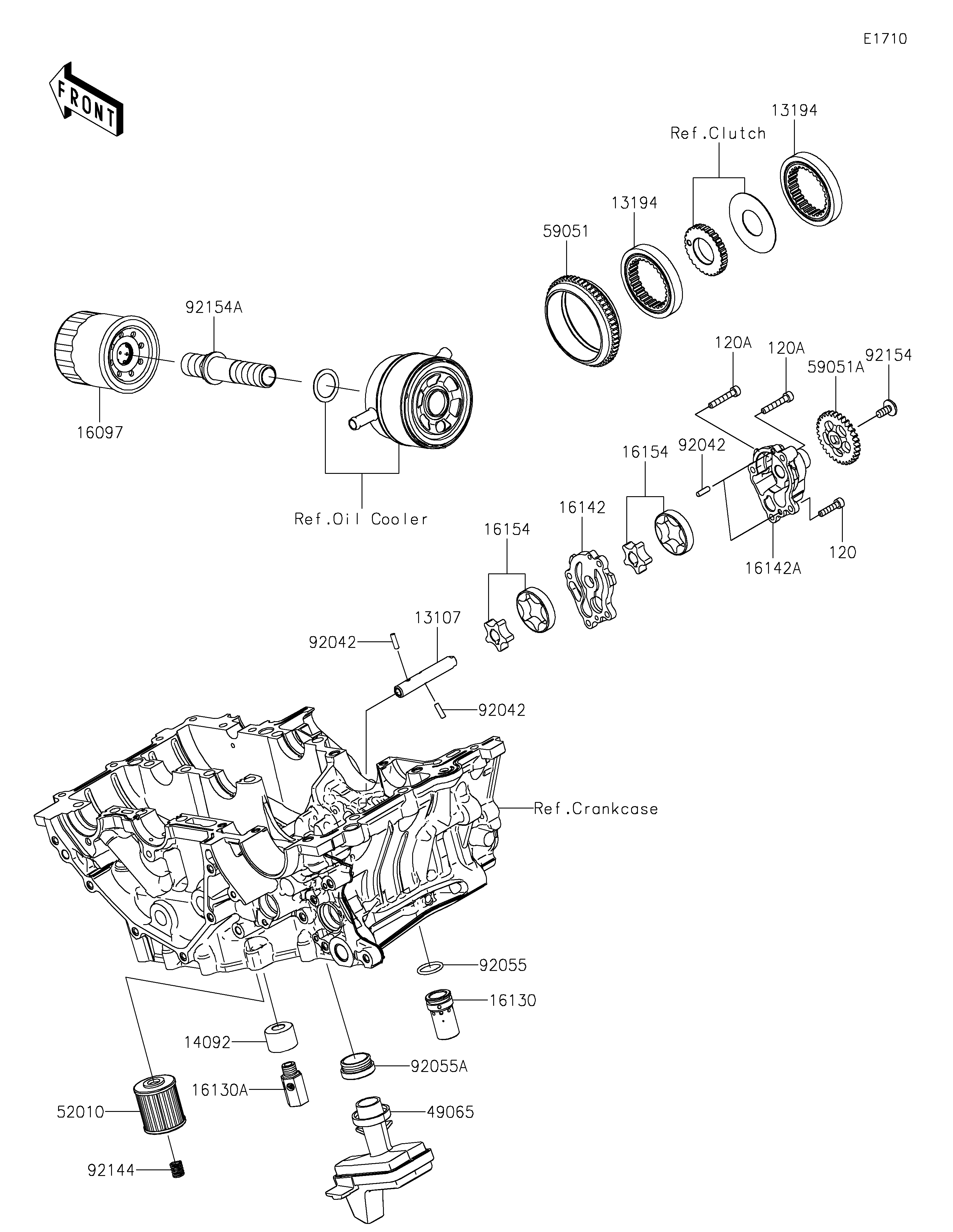
2024 Ninja® 7 Hybrid - Oil Pump/Oil Filter
13107
13194
13194
14092
16097
16130
16130A
16142
16142A
16154
16154
49065
52010
59051
59051A
92042
92042
92042
92055
92055A
92144
92154
92154A
120
120A
120A
| ITEM NAME | REF # | PART NUMBER | QUANTITY | DESTINATION | REMARKS |
|---|---|---|---|---|---|
| SHAFT | 13107 | 13107-0958 | 1 | ||
| CLUTCH-ONEWAY | 13194 | 13194-0026 | 2 | ||
| COVER,RELIEF VALVE | 14092 | 14092-1002 | 1 | ||
| FILTER-ASSY-OIL | 16097 | 16097-0552 | 1 | ||
| VALVE-ASSY-RELIEF | 16130 | 16130-0015 | 1 | ||
| VALVE-ASSY-RELIEF | 16130A | 16130-1058 | 1 | ||
| COVER-PUMP,ENG-CLUTCH | 16142 | 16142-0767 | 1 | ||
| COVER-PUMP,ENG | 16142A | 16142-0768 | 1 | ||
| ROTOR-PUMP | 16154 | 16154-0774 | 2 | ||
| FILTER-OIL | 49065 | 49065-0728 | 1 | ||
| ELEMENT-OIL FILTER | 52010 | 52010-0001 | 1 | ||
| GEAR-SPUR,DRIVE | 59051 | 59051-0866 | 1 | ||
| GEAR-SPUR,DRIVEN | 59051A | 59051-0867 | 1 | ||
| PIN,DOWEL,4X13.8 | 92042 | 92042-030 | 4 | ||
| RING-O,18.8X2.4 | 92055 | 92055-0023 | 1 | ||
| RING-O,OIL FILTER | 92055A | 92055-1354 | 1 | ||
| SPRING | 92144 | 92144-1761 | 1 | ||
| BOLT,SOCKET,6X14 | 92154 | 92154-2731 | 1 | ||
| BOLT,FILTER | 92154A | 92154-4480 | 1 | ||
| BOLT-SOCKET,5X22 | 120 | 120CA0522 | 2 | ||
| BOLT-SOCKET,5X30 | 120A | 120CA0530 | 2 |
| SHAFT | |
| REF # | 13107 |
|---|---|
| PART NUMBER | |
| QUANTITY | 1 |
| DESTINATION | |
| REMARKS | |
| CLUTCH-ONEWAY | |
| REF # | 13194 |
|---|---|
| PART NUMBER | |
| QUANTITY | 2 |
| DESTINATION | |
| REMARKS | |
| COVER,RELIEF VALVE | |
| REF # | 14092 |
|---|---|
| PART NUMBER | |
| QUANTITY | 1 |
| DESTINATION | |
| REMARKS | |
| FILTER-ASSY-OIL | |
| REF # | 16097 |
|---|---|
| PART NUMBER | |
| QUANTITY | 1 |
| DESTINATION | |
| REMARKS | |
| VALVE-ASSY-RELIEF | |
| REF # | 16130 |
|---|---|
| PART NUMBER | |
| QUANTITY | 1 |
| DESTINATION | |
| REMARKS | |
| VALVE-ASSY-RELIEF | |
| REF # | 16130A |
|---|---|
| PART NUMBER | |
| QUANTITY | 1 |
| DESTINATION | |
| REMARKS | |
| COVER-PUMP,ENG-CLUTCH | |
| REF # | 16142 |
|---|---|
| PART NUMBER | |
| QUANTITY | 1 |
| DESTINATION | |
| REMARKS | |
| COVER-PUMP,ENG | |
| REF # | 16142A |
|---|---|
| PART NUMBER | |
| QUANTITY | 1 |
| DESTINATION | |
| REMARKS | |
| ROTOR-PUMP | |
| REF # | 16154 |
|---|---|
| PART NUMBER | |
| QUANTITY | 2 |
| DESTINATION | |
| REMARKS | |
| FILTER-OIL | |
| REF # | 49065 |
|---|---|
| PART NUMBER | |
| QUANTITY | 1 |
| DESTINATION | |
| REMARKS | |
| ELEMENT-OIL FILTER | |
| REF # | 52010 |
|---|---|
| PART NUMBER | |
| QUANTITY | 1 |
| DESTINATION | |
| REMARKS | |
| GEAR-SPUR,DRIVE | |
| REF # | 59051 |
|---|---|
| PART NUMBER | |
| QUANTITY | 1 |
| DESTINATION | |
| REMARKS | |
| GEAR-SPUR,DRIVEN | |
| REF # | 59051A |
|---|---|
| PART NUMBER | |
| QUANTITY | 1 |
| DESTINATION | |
| REMARKS | |
| PIN,DOWEL,4X13.8 | |
| REF # | 92042 |
|---|---|
| PART NUMBER | |
| QUANTITY | 4 |
| DESTINATION | |
| REMARKS | |
| RING-O,18.8X2.4 | |
| REF # | 92055 |
|---|---|
| PART NUMBER | |
| QUANTITY | 1 |
| DESTINATION | |
| REMARKS | |
| RING-O,OIL FILTER | |
| REF # | 92055A |
|---|---|
| PART NUMBER | |
| QUANTITY | 1 |
| DESTINATION | |
| REMARKS | |
| SPRING | |
| REF # | 92144 |
|---|---|
| PART NUMBER | |
| QUANTITY | 1 |
| DESTINATION | |
| REMARKS | |
| BOLT,SOCKET,6X14 | |
| REF # | 92154 |
|---|---|
| PART NUMBER | |
| QUANTITY | 1 |
| DESTINATION | |
| REMARKS | |
| BOLT,FILTER | |
| REF # | 92154A |
|---|---|
| PART NUMBER | |
| QUANTITY | 1 |
| DESTINATION | |
| REMARKS | |
| BOLT-SOCKET,5X22 | |
| REF # | 120 |
|---|---|
| PART NUMBER | |
| QUANTITY | 2 |
| DESTINATION | |
| REMARKS | |
| BOLT-SOCKET,5X30 | |
| REF # | 120A |
|---|---|
| PART NUMBER | |
| QUANTITY | 2 |
| DESTINATION | |
| REMARKS | |