Skip to main content

Parts Diagrams

customer service agent speaking with a customer

Welcome, Kawasaki owners. Access the information and tools you need to get the most out of your vehicle.

Welcome, Kawasaki owners. Access the information and tools you need to get the most out of your vehicle.

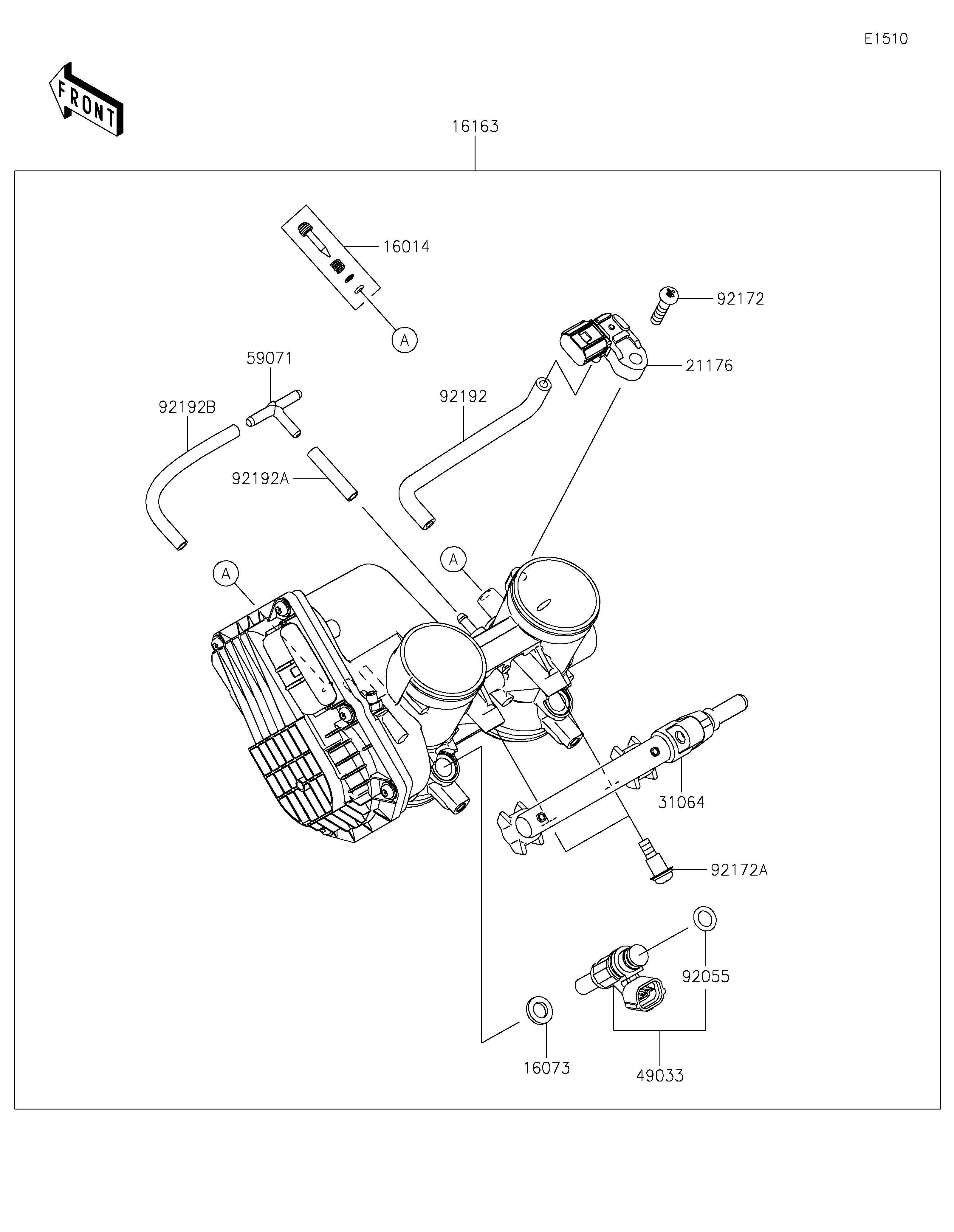
16014
16073
16163
21176
31064
49033
59071
92055
92172
92172A
92192
92192A
92192B
Part Item Information
ITEM NAME REF # PART NUMBER QUANTITY DESTINATION REMARKS
SCREW-PILOT AIR 16014 16014-0023 2
INSULATOR 16073 16073-0884 2
THROTTLE-ASSY 16163 16163-1299 1
SENSOR,PRESSURE 21176 21176-0906 1
PIPE-COMP 31064 31064-0772 1
NOZZLE-INJECTION 49033 49033-0563 2
JOINT 59071 59071-0749 1
RING-O,INJECTION NOZZLE 92055 92055-0124 2
SCREW 92172 92172-1383 1
SCREW 92172A 92172-1384 2
TUBE 92192 92192-2368 1
TUBE,3X6X30 92192A 92192-2745 1
TUBE,3X6X95 92192B 92192-2746 1