Skip to main content

Parts Diagrams

customer service agent speaking with a customer

Welcome, Kawasaki owners. Access the information and tools you need to get the most out of your vehicle.

Welcome, Kawasaki owners. Access the information and tools you need to get the most out of your vehicle.

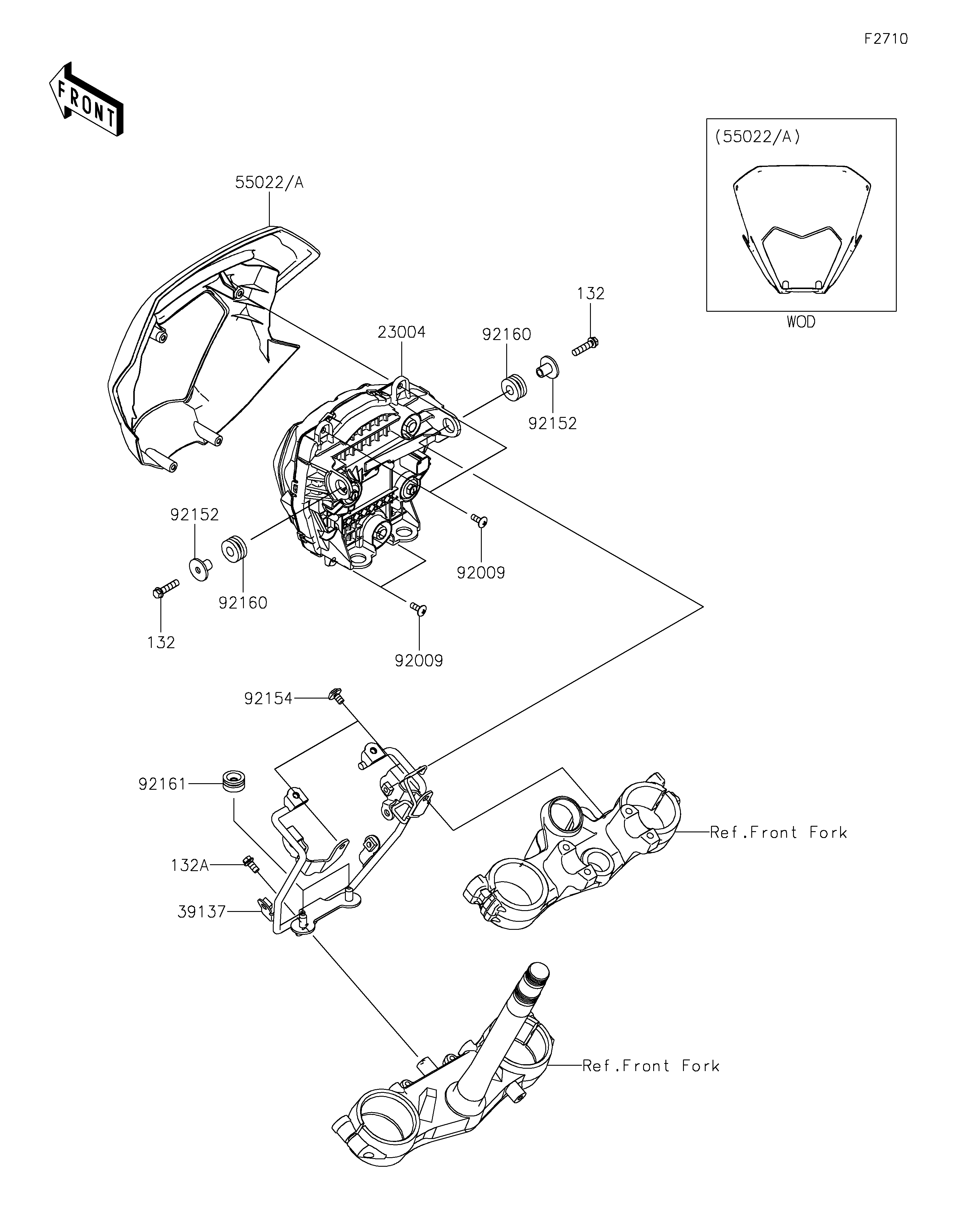
23004
39137
55022
55022A
92009
92009
92152
92152
92154
92160
92160
92161
132
132
132A
Part Item Information
ITEM NAME REF # PART NUMBER QUANTITY DESTINATION REMARKS
LAMP-HEAD,LED 23004 23004-0431 1
STAY-COMP,HEAD LAMP 39137 39137-0740 1
COVER-HEAD LAMP,B.GRAY 55022 55022-0331-67A 1
COVER-HEAD LAMP,N.GREEN 55022A 55022-0331-67F 1
SCREW,TAPPING,5X14 92009 92009-1197 4
COLLAR,6.8X10X15.3 92152 92152-1574 2
BOLT,SOCKET,6X10 92154 92154-4298 2
DAMPER 92160 92160-1162 2
DAMPER 92161 92161-0537 2
BOLT-FLANGED-SMALL,6X25 132 132BA0625 2
BOLT-FLANGED-SMALL,6X12 132A 132BB0612 1