main content of page
Parts Diagrams
OWNER CENTER |
Welcome, Kawasaki owners. Access the information and tools you need to get the most out of your vehicle.
OWNER CENTER |
Welcome, Kawasaki owners. Access the information and tools you need to get the most out of your vehicle.
Parts Diagrams |
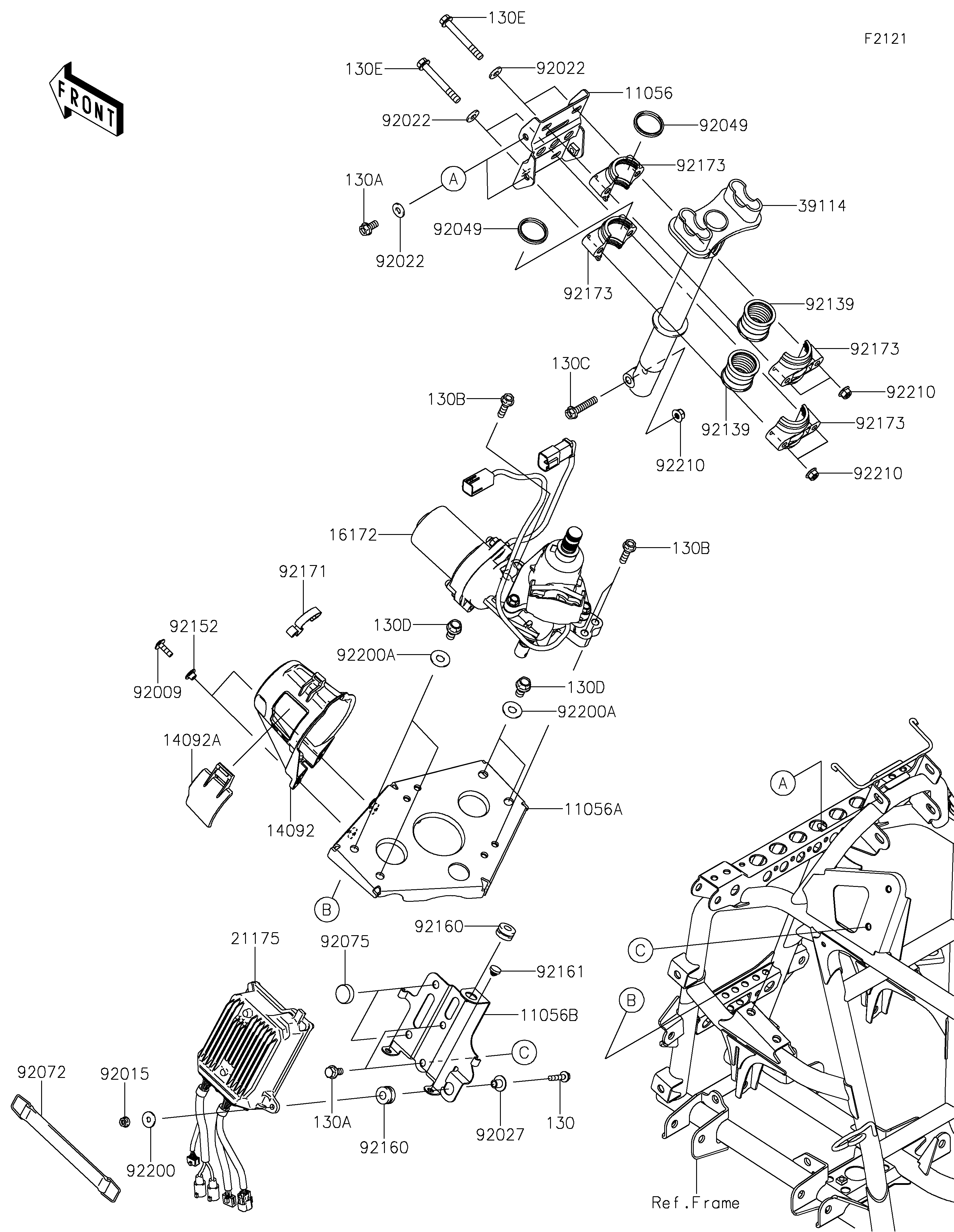
2024 BRUTE FORCE® 750 LE EPS - Steering Shaft
11056
11056A
11056B
14092
14092A
16172
21175
39114
92009
92015
92022
92022
92022
92027
92049
92049
92072
92075
92139
92139
92152
92160
92160
92161
92171
92173
92173
92173
92173
92200
92200A
92200A
92210
92210
92210
130
130A
130A
130B
130B
130C
130D
130D
130E
130E
| ITEM NAME | REF # | PART NUMBER | QUANTITY | DESTINATION | REMARKS |
|---|---|---|---|---|---|
| BRACKET,STRG,UPP | 11056 | 11056-0284 | 1 | ||
| BRACKET,EPS BODY FIT | 11056A | 11056-0285 | 1 | ||
| BRACKET,EPS ECU | 11056B | 11056-0290 | 1 | ||
| COVER,EPS | 14092 | 14092-0260 | 1 | ||
| COVER,EPS,CAP | 14092A | 14092-0261 | 1 | ||
| ACTUATOR,EPS | 16172 | 16172-0049 | 1 | ||
| CONTROL UNIT-ELECTRONIC,EPS | 21175 | 21175-1927 | 1 | ||
| SHAFT-COMP-STRG | 39114 | 39114-0309 | 1 | ||
| SCREW,6X20 | 92009 | 92009-1289 | 2 | ||
| NUT,FLANGED,6MM | 92015 | 92015-1367 | 1 | ||
| WASHER,8.2X19X2 | 92022 | 92022-1533 | 8 | ||
| COLLAR,L=12 | 92027 | 92027-1062 | 1 | ||
| SEAL-OIL,SR31.8X37.5X3.8LR | 92049 | 92049-7501 | 2 | ||
| BAND,BATTERY | 92072 | 92072-3879 | 1 | ||
| DAMPER,9X24X14 | 92075 | 92075-281 | 2 | ||
| BUSHING,STRG SHAFT | 92139 | 92139-0763 | 2 | ||
| COLLAR,6.3X8.3X7.2 | 92152 | 92152-1865 | 2 | ||
| DAMPER | 92160 | 92160-1895 | 2 | ||
| DAMPER | 92161 | 92161-0586 | 2 | ||
| CLAMP | 92171 | 92171-0225 | 1 | ||
| CLAMP,STRG SHAFT | 92173 | 92173-0746 | 4 | ||
| WASHER,6.5X20X1.6 | 92200 | 92200-0283 | 1 | ||
| WASHER,10.5X25X1.6 | 92200A | 92200-1595 | 4 | ||
| NUT,FLANGED,LOCK,8MM | 92210 | 92210-0493 | 5 | ||
| BOLT-FLANGED,6X30 | 130 | 130BA0630 | 1 | ||
| BOLT-FLANGED,8X16 | 130A | 130BA0816 | 6 | ||
| BOLT-FLANGED,8X30 | 130B | 130BA0830 | 4 | ||
| BOLT-FLANGED,8X40 | 130C | 130BA0840 | 1 | ||
| BOLT-FLANGED,10X16 | 130D | 130BA1016 | 4 | ||
| BOLT-FLANGED,8X65 | 130E | 130CA0865 | 4 |
| BRACKET,STRG,UPP | |
| REF # | 11056 |
|---|---|
| PART NUMBER | |
| QUANTITY | 1 |
| DESTINATION | |
| REMARKS | |
| BRACKET,EPS BODY FIT | |
| REF # | 11056A |
|---|---|
| PART NUMBER | |
| QUANTITY | 1 |
| DESTINATION | |
| REMARKS | |
| BRACKET,EPS ECU | |
| REF # | 11056B |
|---|---|
| PART NUMBER | |
| QUANTITY | 1 |
| DESTINATION | |
| REMARKS | |
| COVER,EPS | |
| REF # | 14092 |
|---|---|
| PART NUMBER | |
| QUANTITY | 1 |
| DESTINATION | |
| REMARKS | |
| COVER,EPS,CAP | |
| REF # | 14092A |
|---|---|
| PART NUMBER | |
| QUANTITY | 1 |
| DESTINATION | |
| REMARKS | |
| ACTUATOR,EPS | |
| REF # | 16172 |
|---|---|
| PART NUMBER | |
| QUANTITY | 1 |
| DESTINATION | |
| REMARKS | |
| CONTROL UNIT-ELECTRONIC,EPS | |
| REF # | 21175 |
|---|---|
| PART NUMBER | |
| QUANTITY | 1 |
| DESTINATION | |
| REMARKS | |
| SHAFT-COMP-STRG | |
| REF # | 39114 |
|---|---|
| PART NUMBER | |
| QUANTITY | 1 |
| DESTINATION | |
| REMARKS | |
| SCREW,6X20 | |
| REF # | 92009 |
|---|---|
| PART NUMBER | |
| QUANTITY | 2 |
| DESTINATION | |
| REMARKS | |
| NUT,FLANGED,6MM | |
| REF # | 92015 |
|---|---|
| PART NUMBER | |
| QUANTITY | 1 |
| DESTINATION | |
| REMARKS | |
| WASHER,8.2X19X2 | |
| REF # | 92022 |
|---|---|
| PART NUMBER | |
| QUANTITY | 8 |
| DESTINATION | |
| REMARKS | |
| COLLAR,L=12 | |
| REF # | 92027 |
|---|---|
| PART NUMBER | |
| QUANTITY | 1 |
| DESTINATION | |
| REMARKS | |
| SEAL-OIL,SR31.8X37.5X3.8LR | |
| REF # | 92049 |
|---|---|
| PART NUMBER | |
| QUANTITY | 2 |
| DESTINATION | |
| REMARKS | |
| BAND,BATTERY | |
| REF # | 92072 |
|---|---|
| PART NUMBER | |
| QUANTITY | 1 |
| DESTINATION | |
| REMARKS | |
| DAMPER,9X24X14 | |
| REF # | 92075 |
|---|---|
| PART NUMBER | |
| QUANTITY | 2 |
| DESTINATION | |
| REMARKS | |
| BUSHING,STRG SHAFT | |
| REF # | 92139 |
|---|---|
| PART NUMBER | |
| QUANTITY | 2 |
| DESTINATION | |
| REMARKS | |
| COLLAR,6.3X8.3X7.2 | |
| REF # | 92152 |
|---|---|
| PART NUMBER | |
| QUANTITY | 2 |
| DESTINATION | |
| REMARKS | |
| DAMPER | |
| REF # | 92160 |
|---|---|
| PART NUMBER | |
| QUANTITY | 2 |
| DESTINATION | |
| REMARKS | |
| DAMPER | |
| REF # | 92161 |
|---|---|
| PART NUMBER | |
| QUANTITY | 2 |
| DESTINATION | |
| REMARKS | |
| CLAMP | |
| REF # | 92171 |
|---|---|
| PART NUMBER | |
| QUANTITY | 1 |
| DESTINATION | |
| REMARKS | |
| CLAMP,STRG SHAFT | |
| REF # | 92173 |
|---|---|
| PART NUMBER | |
| QUANTITY | 4 |
| DESTINATION | |
| REMARKS | |
| WASHER,6.5X20X1.6 | |
| REF # | 92200 |
|---|---|
| PART NUMBER | |
| QUANTITY | 1 |
| DESTINATION | |
| REMARKS | |
| WASHER,10.5X25X1.6 | |
| REF # | 92200A |
|---|---|
| PART NUMBER | |
| QUANTITY | 4 |
| DESTINATION | |
| REMARKS | |
| NUT,FLANGED,LOCK,8MM | |
| REF # | 92210 |
|---|---|
| PART NUMBER | |
| QUANTITY | 5 |
| DESTINATION | |
| REMARKS | |
| BOLT-FLANGED,6X30 | |
| REF # | 130 |
|---|---|
| PART NUMBER | |
| QUANTITY | 1 |
| DESTINATION | |
| REMARKS | |
| BOLT-FLANGED,8X16 | |
| REF # | 130A |
|---|---|
| PART NUMBER | |
| QUANTITY | 6 |
| DESTINATION | |
| REMARKS | |
| BOLT-FLANGED,8X30 | |
| REF # | 130B |
|---|---|
| PART NUMBER | |
| QUANTITY | 4 |
| DESTINATION | |
| REMARKS | |
| BOLT-FLANGED,8X40 | |
| REF # | 130C |
|---|---|
| PART NUMBER | |
| QUANTITY | 1 |
| DESTINATION | |
| REMARKS | |
| BOLT-FLANGED,10X16 | |
| REF # | 130D |
|---|---|
| PART NUMBER | |
| QUANTITY | 4 |
| DESTINATION | |
| REMARKS | |
| BOLT-FLANGED,8X65 | |
| REF # | 130E |
|---|---|
| PART NUMBER | |
| QUANTITY | 4 |
| DESTINATION | |
| REMARKS | |