main content of page
Parts Diagrams
OWNER CENTER |
Welcome, Kawasaki owners. Access the information and tools you need to get the most out of your vehicle.
OWNER CENTER |
Welcome, Kawasaki owners. Access the information and tools you need to get the most out of your vehicle.
Parts Diagrams |
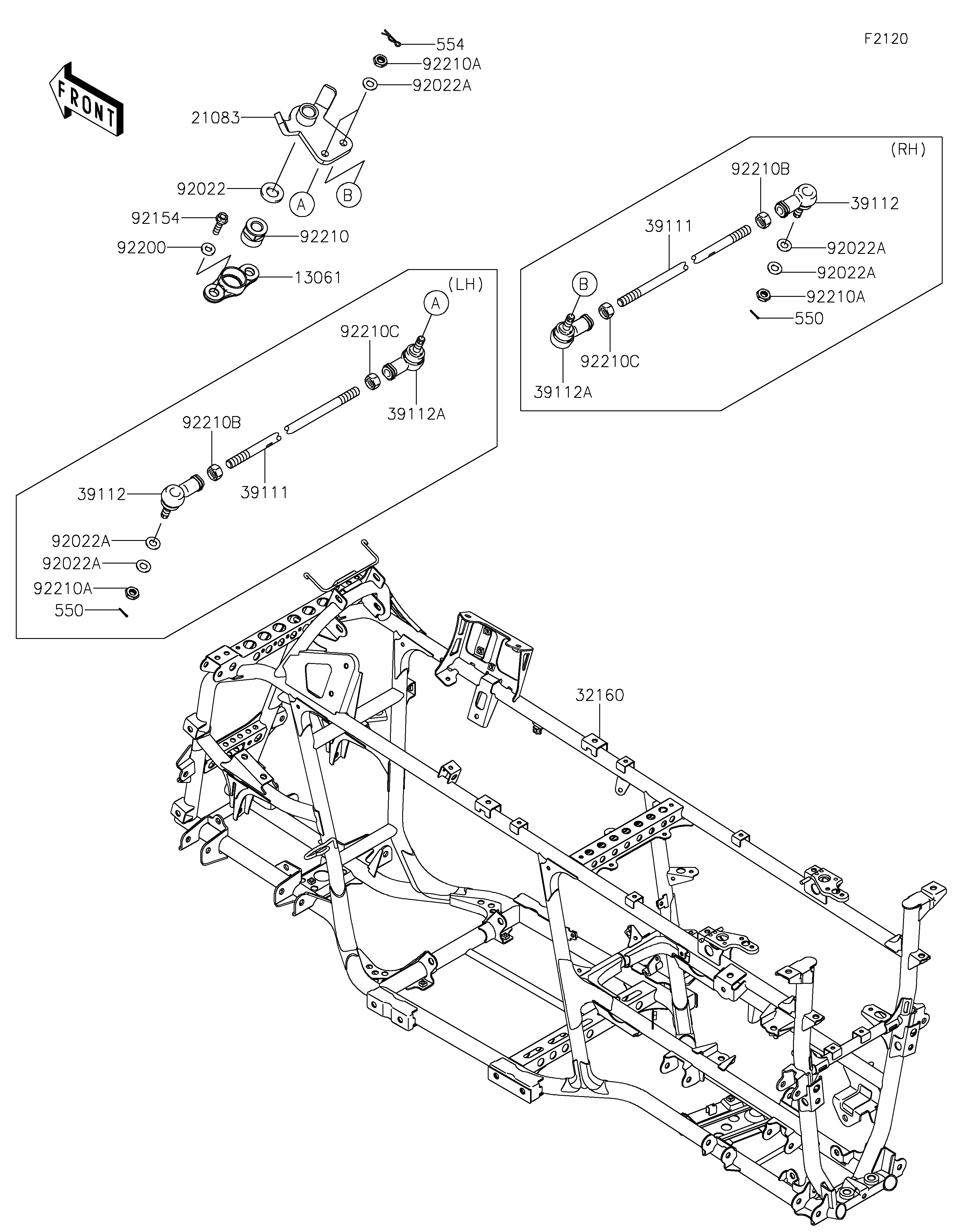
13061
21083
32160
39111
39111
39112
39112
39112A
39112A
92022
92022A
92022A
92022A
92022A
92022A
92154
92200
92210
92210A
92210A
92210A
92210B
92210B
92210C
92210C
550
550
554
| ITEM NAME | REF # | PART NUMBER | QUANTITY | DESTINATION | REMARKS |
|---|---|---|---|---|---|
| BOSS,EPS STOPPER | 13061 | 13061-0611 | 1 | ||
| ARM,PITMAN | 21083 | 21083-0053 | 1 | ||
| FRAME-COMP | 32160 | 32160-0712 | 1 | ||
| ROD-TIE | 39111 | 39111-0023 | 2 | ||
| RODEND-TIE,RIGHT HANDED | 39112 | 39112-0009 | 2 | ||
| RODEND-TIE,LEFT HANDED | 39112A | 39112-0010 | 2 | ||
| WASHER,16X32X3.2 | 92022 | 92022-1701 | 1 | ||
| WASHER,10.2X20X1.5 | 92022A | 92022-3742 | 6 | ||
| BOLT,FLANGED,8X30 | 92154 | 92154-0850 | 2 | ||
| WASHER,8.2X20.0X2.5 | 92200 | 92200-0205 | 2 | ||
| NUT,16MM | 92210 | 92210-0751 | 1 | ||
| NUT,LOCK,10MM | 92210A | 92210-1184 | 4 | ||
| NUT,RIGHT HANDED | 92210B | 92210-1385 | 2 | ||
| NUT,LEFT HANDED | 92210C | 92210-1386 | 2 | ||
| PIN-COTTER,2.0X15 | 550 | 550AA2015 | 2 | ||
| PIN-SNAP,10MM | 554 | 554DA1000 | 2 |
| BOSS,EPS STOPPER | |
| REF # | 13061 |
|---|---|
| PART NUMBER | |
| QUANTITY | 1 |
| DESTINATION | |
| REMARKS | |
| ARM,PITMAN | |
| REF # | 21083 |
|---|---|
| PART NUMBER | |
| QUANTITY | 1 |
| DESTINATION | |
| REMARKS | |
| FRAME-COMP | |
| REF # | 32160 |
|---|---|
| PART NUMBER | |
| QUANTITY | 1 |
| DESTINATION | |
| REMARKS | |
| ROD-TIE | |
| REF # | 39111 |
|---|---|
| PART NUMBER | |
| QUANTITY | 2 |
| DESTINATION | |
| REMARKS | |
| RODEND-TIE,RIGHT HANDED | |
| REF # | 39112 |
|---|---|
| PART NUMBER | |
| QUANTITY | 2 |
| DESTINATION | |
| REMARKS | |
| RODEND-TIE,LEFT HANDED | |
| REF # | 39112A |
|---|---|
| PART NUMBER | |
| QUANTITY | 2 |
| DESTINATION | |
| REMARKS | |
| WASHER,16X32X3.2 | |
| REF # | 92022 |
|---|---|
| PART NUMBER | |
| QUANTITY | 1 |
| DESTINATION | |
| REMARKS | |
| WASHER,10.2X20X1.5 | |
| REF # | 92022A |
|---|---|
| PART NUMBER | |
| QUANTITY | 6 |
| DESTINATION | |
| REMARKS | |
| BOLT,FLANGED,8X30 | |
| REF # | 92154 |
|---|---|
| PART NUMBER | |
| QUANTITY | 2 |
| DESTINATION | |
| REMARKS | |
| WASHER,8.2X20.0X2.5 | |
| REF # | 92200 |
|---|---|
| PART NUMBER | |
| QUANTITY | 2 |
| DESTINATION | |
| REMARKS | |
| NUT,16MM | |
| REF # | 92210 |
|---|---|
| PART NUMBER | |
| QUANTITY | 1 |
| DESTINATION | |
| REMARKS | |
| NUT,LOCK,10MM | |
| REF # | 92210A |
|---|---|
| PART NUMBER | |
| QUANTITY | 4 |
| DESTINATION | |
| REMARKS | |
| NUT,RIGHT HANDED | |
| REF # | 92210B |
|---|---|
| PART NUMBER | |
| QUANTITY | 2 |
| DESTINATION | |
| REMARKS | |
| NUT,LEFT HANDED | |
| REF # | 92210C |
|---|---|
| PART NUMBER | |
| QUANTITY | 2 |
| DESTINATION | |
| REMARKS | |
| PIN-COTTER,2.0X15 | |
| REF # | 550 |
|---|---|
| PART NUMBER | |
| QUANTITY | 2 |
| DESTINATION | |
| REMARKS | |
| PIN-SNAP,10MM | |
| REF # | 554 |
|---|---|
| PART NUMBER | |
| QUANTITY | 2 |
| DESTINATION | |
| REMARKS | |