main content of page
Parts Diagrams
OWNER CENTER |

Welcome, Kawasaki owners. Access the information and tools you need to get the most out of your vehicle.
OWNER CENTER |
Welcome, Kawasaki owners. Access the information and tools you need to get the most out of your vehicle.
Parts Diagrams |
120
120A
120A
461
461
11053
13107
13183
13193
13216
13280
21163
26006
26011
27010
59051
92043
92055
92055
92055A
92055B
92055B
92081
92122
92144
92144
92144
92144
92150
92151
92153
92153
92200
92200A
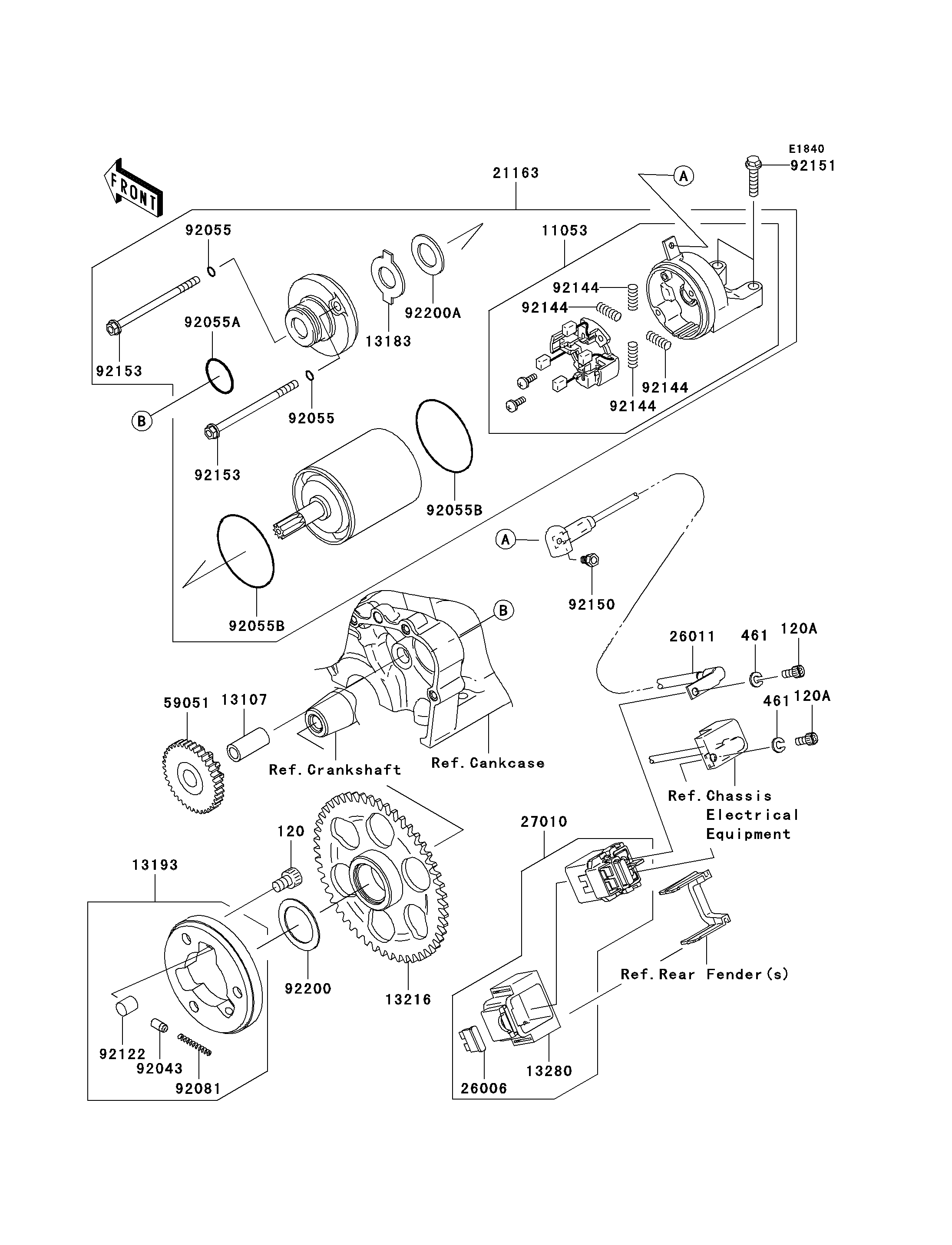
ITEM NAME | REF # | PART NUMBER | QUANTITY | DESTINATION | REMARKS |
---|---|---|---|---|---|
BOLT-SOCKET,8X12 | 120 | 120P0812 | 3 | ||
BOLT-SOCKET,5X10 | 120A | 120S0510 | 2 | ||
WASHER-SPRING,5MM,BLACK | 461 | 461K0500 | 2 | ||
BRACKET,STARTER | 11053 | 11053-0224 | 1 | ||
SHAFT,7.8X12X26.5 | 13107 | 13107-1176 | 1 | ||
PLATE | 13183 | 13183-1460 | 1 | ||
CLUTCH-ASSY-ONEWAY | 13193 | 13193-0001 | 1 | ||
GEAR-COMP,ONEWAY CLUTCH | 13216 | 13216-0011 | 1 | ||
HOLDER,SWITCH | 13280 | 13280-0109 | 1 | ||
STARTER-ELECTRIC | 21163 | 21163-0006 | 1 | ||
FUSE,30A-G | 26006 | 26006-1006 | 1 | ||
WIRE-LEAD | 26011 | 26011-0065 | 1 | ||
SWITCH,MAGNETIC | 27010 | 27010-0030 | 1 | ||
GEAR-SPUR,IDLE | 59051 | 59051-1413 | 1 | ||
PIN | 92043 | 92043-132 | 3 | ||
RING-O,STARTER | 92055 | 92055-0013 | 2 | ||
RING-O,24.4X3.1 | 92055A | 92055-1262 | 1 | ||
RING-O | 92055B | 92055-1455 | 2 | ||
SPRING,COIL | 92081 | 92081-159 | 3 | ||
ROLLER | 92122 | 92122-006 | 3 | ||
SPRING,BRUSH | 92144 | 92144-1423 | 4 | ||
BOLT | 92150 | 92150-1305 | 1 | ||
BOLT,FLANGED-SMALL,6X25 | 92151 | 92151-1930 | 2 | ||
BOLT | 92153 | 92153-0405 | 2 | ||
WASHER,28.5X40.0X1.0 | 92200 | 92200-0168 | 1 | ||
WASHER | 92200A | 92200-1019 | 1 |
BOLT-SOCKET,8X12 | |
REF # | 120 |
---|---|
PART NUMBER | |
QUANTITY | 3 |
DESTINATION | |
REMARKS |
BOLT-SOCKET,5X10 | |
REF # | 120A |
---|---|
PART NUMBER | |
QUANTITY | 2 |
DESTINATION | |
REMARKS |
WASHER-SPRING,5MM,BLACK | |
REF # | 461 |
---|---|
PART NUMBER | |
QUANTITY | 2 |
DESTINATION | |
REMARKS |
BRACKET,STARTER | |
REF # | 11053 |
---|---|
PART NUMBER | |
QUANTITY | 1 |
DESTINATION | |
REMARKS |
SHAFT,7.8X12X26.5 | |
REF # | 13107 |
---|---|
PART NUMBER | |
QUANTITY | 1 |
DESTINATION | |
REMARKS |
PLATE | |
REF # | 13183 |
---|---|
PART NUMBER | |
QUANTITY | 1 |
DESTINATION | |
REMARKS |
CLUTCH-ASSY-ONEWAY | |
REF # | 13193 |
---|---|
PART NUMBER | |
QUANTITY | 1 |
DESTINATION | |
REMARKS |
GEAR-COMP,ONEWAY CLUTCH | |
REF # | 13216 |
---|---|
PART NUMBER | |
QUANTITY | 1 |
DESTINATION | |
REMARKS |
HOLDER,SWITCH | |
REF # | 13280 |
---|---|
PART NUMBER | |
QUANTITY | 1 |
DESTINATION | |
REMARKS |
STARTER-ELECTRIC | |
REF # | 21163 |
---|---|
PART NUMBER | |
QUANTITY | 1 |
DESTINATION | |
REMARKS |
FUSE,30A-G | |
REF # | 26006 |
---|---|
PART NUMBER | |
QUANTITY | 1 |
DESTINATION | |
REMARKS |
WIRE-LEAD | |
REF # | 26011 |
---|---|
PART NUMBER | |
QUANTITY | 1 |
DESTINATION | |
REMARKS |
SWITCH,MAGNETIC | |
REF # | 27010 |
---|---|
PART NUMBER | |
QUANTITY | 1 |
DESTINATION | |
REMARKS |
GEAR-SPUR,IDLE | |
REF # | 59051 |
---|---|
PART NUMBER | |
QUANTITY | 1 |
DESTINATION | |
REMARKS |
PIN | |
REF # | 92043 |
---|---|
PART NUMBER | |
QUANTITY | 3 |
DESTINATION | |
REMARKS |
RING-O,STARTER | |
REF # | 92055 |
---|---|
PART NUMBER | |
QUANTITY | 2 |
DESTINATION | |
REMARKS |
RING-O,24.4X3.1 | |
REF # | 92055A |
---|---|
PART NUMBER | |
QUANTITY | 1 |
DESTINATION | |
REMARKS |
RING-O | |
REF # | 92055B |
---|---|
PART NUMBER | |
QUANTITY | 2 |
DESTINATION | |
REMARKS |
SPRING,COIL | |
REF # | 92081 |
---|---|
PART NUMBER | |
QUANTITY | 3 |
DESTINATION | |
REMARKS |
ROLLER | |
REF # | 92122 |
---|---|
PART NUMBER | |
QUANTITY | 3 |
DESTINATION | |
REMARKS |
SPRING,BRUSH | |
REF # | 92144 |
---|---|
PART NUMBER | |
QUANTITY | 4 |
DESTINATION | |
REMARKS |
BOLT | |
REF # | 92150 |
---|---|
PART NUMBER | |
QUANTITY | 1 |
DESTINATION | |
REMARKS |
BOLT,FLANGED-SMALL,6X25 | |
REF # | 92151 |
---|---|
PART NUMBER | |
QUANTITY | 2 |
DESTINATION | |
REMARKS |
BOLT | |
REF # | 92153 |
---|---|
PART NUMBER | |
QUANTITY | 2 |
DESTINATION | |
REMARKS |
WASHER,28.5X40.0X1.0 | |
REF # | 92200 |
---|---|
PART NUMBER | |
QUANTITY | 1 |
DESTINATION | |
REMARKS |
WASHER | |
REF # | 92200A |
---|---|
PART NUMBER | |
QUANTITY | 1 |
DESTINATION | |
REMARKS |