main content of page
Parts Diagrams
OWNER CENTER |
Welcome, Kawasaki owners. Access the information and tools you need to get the most out of your vehicle.
OWNER CENTER |
Welcome, Kawasaki owners. Access the information and tools you need to get the most out of your vehicle.
Parts Diagrams |
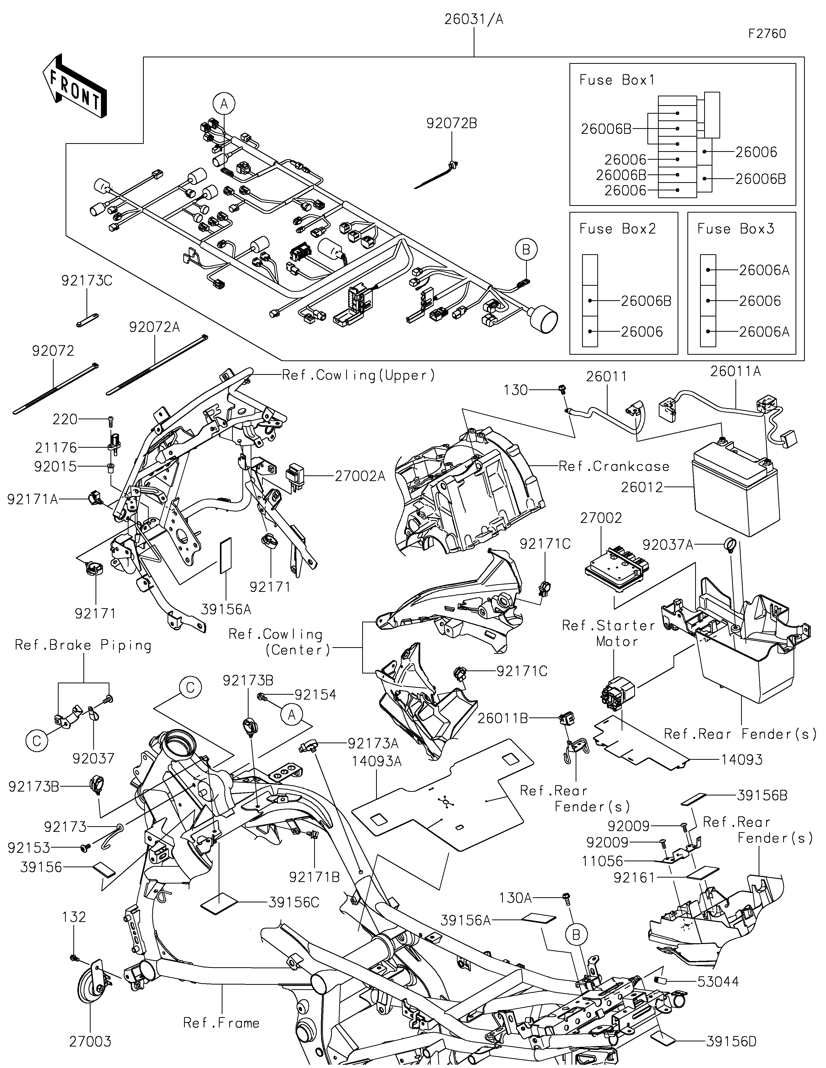
2025 Versys 650 - Chassis Electrical Equipment
11056
11056
14093
14093
14093A
14093A
21176
21176
26006
26006
26006
26006
26006
26006
26006
26006
26006
26006
26006A
26006A
26006A
26006A
26006B
26006B
26006B
26006B
26006B
26006B
26006B
26006B
26011
26011
26011A
26011A
26011B
26011B
26012
26012
26031
26031
26031A
26031A
27002
27002
27002A
27002A
27003
27003
39156
39156
39156A
39156A
39156A
39156A
39156B
39156B
39156C
39156C
39156D
39156D
53044
53044
92009
92009
92009
92009
92015
92015
92037
92037
92037A
92037A
92072
92072
92072A
92072A
92072B
92072B
92153
92153
92154
92154
92161
92161
92171
92171
92171
92171
92171A
92171A
92171B
92171B
92171C
92171C
92171C
92171C
92173
92173
92173A
92173A
92173B
92173B
92173B
92173B
92173C
92173C
130
130
130A
130A
132
132
220
220
| ITEM NAME | REF # | PART NUMBER | QUANTITY | DESTINATION | REMARKS |
|---|---|---|---|---|---|
| BRACKET,HARNESS | 11056 | 11056-4346 | 1 | ||
| COVER,MG. SWITCH | 14093 | 14093-0251 | 1 | ||
| COVER,HEAT SHIELD | 14093A | 14093-0309 | 1 | ||
| SENSOR,AIR TEMPERATURE | 21176 | 21176-0048 | 1 | ||
| FUSE,MINI BLADE,15A,BLUE | 26006 | 26006-0001 | 5 | ||
| FUSE,MINI BLADE,25A,NATURAL | 26006A | 26006-0020 | 2 | ||
| FUSE,MINI BLADE,10A,RED | 26006B | 26006-1078 | 6 | ||
| WIRE-LEAD,BATTERY(-) | 26011 | 26011-0301 | 1 | ||
| WIRE-LEAD,BATTERY(+) | 26011A | 26011-0876 | 1 | ||
| WIRE-LEAD,DIAG CONNECTOR | 26011B | 26011-1901 | 1 | ||
| BATTERY,FTX12-BS,12V 10AH | 26012 | 26012-0606 | 1 | ||
| HARNESS,MAIN | 26031 | 26031-3768 | 1 | CA | |
| HARNESS,MAIN | 26031A | 26031-3772 | 1 | CN | |
| RELAY-ASSY | 27002 | 27002-0050 | 1 | ||
| RELAY-ASSY,SIGNAL LAMP | 27002A | 27002-0068 | 1 | ||
| HORN | 27003 | 27003-0056 | 1 | ||
| PAD,20X40X3 | 39156 | 39156-0831 | 1 | ||
| PAD,70X27X2 | 39156A | 39156-1908 | 2 | ||
| PAD,50X18X2 | 39156B | 39156-1909 | 1 | ||
| PAD,40X60X2 | 39156C | 39156-2177 | 1 | ||
| PAD,25X45X2 | 39156D | 39156-2823 | 2 | ||
| TRIM,L=22 | 53044 | 53044-7503 | 1 | ||
| SCREW,TAPPING,5X14 | 92009 | 92009-1197 | 2 | ||
| NUT,WELL,5MM | 92015 | 92015-1757 | 1 | ||
| CLAMP,L=45 | 92037 | 92037-1539 | 1 | ||
| CLAMP,HOSE | 92037A | 92037-1827 | 1 | ||
| BAND,L=202 | 92072 | 92072-1195 | 1 | ||
| BAND,L=365 | 92072A | 92072-1197 | 2 | ||
| BAND,OS170-FT7(BLACK) | 92072B | 92072-1414 | AR | ||
| BOLT,SOCKET,6X14 | 92153 | 92153-1446 | 1 | ||
| BOLT,FLANGED,6X12 | 92154 | 92154-1050 | 1 | ||
| DAMPER,40X50X2 | 92161 | 92161-1757 | 1 | ||
| CLAMP,CLIP,DIA=20 | 92171 | 92171-0068 | 2 | ||
| CLAMP,BRAKE HOSE | 92171A | 92171-0316 | 2 | ||
| CLAMP | 92171B | 92171-0640 | 1 | ||
| CLAMP,EDGE CLIP | 92171C | 92171-1722 | 2 | ||
| CLAMP,HEAD GUSSET,LH | 92173 | 92173-1329 | 1 | ||
| CLAMP,CABLE STRAP | 92173A | 92173-1336 | 1 | ||
| CLAMP,20MM DIA. | 92173B | 92173-1394 | 2 | ||
| CLAMP | 92173C | 92173-2199 | 2 | ||
| BOLT-FLANGED,6X10 | 130 | 130BA0610 | 1 | ||
| BOLT-FLANGED,6X16 | 130A | 130BA0616 | 1 | ||
| BOLT-FLANGED-SMALL,6X12 | 132 | 132BB0612 | 1 | ||
| SCREW-PAN-CROS,5X18 | 220 | 220AB0518 | 1 |
| BRACKET,HARNESS | |
| REF # | 11056 |
|---|---|
| PART NUMBER | |
| QUANTITY | 1 |
| DESTINATION | |
| REMARKS | |
| COVER,MG. SWITCH | |
| REF # | 14093 |
|---|---|
| PART NUMBER | |
| QUANTITY | 1 |
| DESTINATION | |
| REMARKS | |
| COVER,HEAT SHIELD | |
| REF # | 14093A |
|---|---|
| PART NUMBER | |
| QUANTITY | 1 |
| DESTINATION | |
| REMARKS | |
| SENSOR,AIR TEMPERATURE | |
| REF # | 21176 |
|---|---|
| PART NUMBER | |
| QUANTITY | 1 |
| DESTINATION | |
| REMARKS | |
| FUSE,MINI BLADE,15A,BLUE | |
| REF # | 26006 |
|---|---|
| PART NUMBER | |
| QUANTITY | 5 |
| DESTINATION | |
| REMARKS | |
| FUSE,MINI BLADE,25A,NATURAL | |
| REF # | 26006A |
|---|---|
| PART NUMBER | |
| QUANTITY | 2 |
| DESTINATION | |
| REMARKS | |
| FUSE,MINI BLADE,10A,RED | |
| REF # | 26006B |
|---|---|
| PART NUMBER | |
| QUANTITY | 6 |
| DESTINATION | |
| REMARKS | |
| WIRE-LEAD,BATTERY(-) | |
| REF # | 26011 |
|---|---|
| PART NUMBER | |
| QUANTITY | 1 |
| DESTINATION | |
| REMARKS | |
| WIRE-LEAD,BATTERY(+) | |
| REF # | 26011A |
|---|---|
| PART NUMBER | |
| QUANTITY | 1 |
| DESTINATION | |
| REMARKS | |
| WIRE-LEAD,DIAG CONNECTOR | |
| REF # | 26011B |
|---|---|
| PART NUMBER | |
| QUANTITY | 1 |
| DESTINATION | |
| REMARKS | |
| BATTERY,FTX12-BS,12V 10AH | |
| REF # | 26012 |
|---|---|
| PART NUMBER | |
| QUANTITY | 1 |
| DESTINATION | |
| REMARKS | |
| HARNESS,MAIN | |
| REF # | 26031 |
|---|---|
| PART NUMBER | |
| QUANTITY | 1 |
| DESTINATION | CA |
| REMARKS | |
| HARNESS,MAIN | |
| REF # | 26031A |
|---|---|
| PART NUMBER | |
| QUANTITY | 1 |
| DESTINATION | CN |
| REMARKS | |
| RELAY-ASSY | |
| REF # | 27002 |
|---|---|
| PART NUMBER | |
| QUANTITY | 1 |
| DESTINATION | |
| REMARKS | |
| RELAY-ASSY,SIGNAL LAMP | |
| REF # | 27002A |
|---|---|
| PART NUMBER | |
| QUANTITY | 1 |
| DESTINATION | |
| REMARKS | |
| HORN | |
| REF # | 27003 |
|---|---|
| PART NUMBER | |
| QUANTITY | 1 |
| DESTINATION | |
| REMARKS | |
| PAD,20X40X3 | |
| REF # | 39156 |
|---|---|
| PART NUMBER | |
| QUANTITY | 1 |
| DESTINATION | |
| REMARKS | |
| PAD,70X27X2 | |
| REF # | 39156A |
|---|---|
| PART NUMBER | |
| QUANTITY | 2 |
| DESTINATION | |
| REMARKS | |
| PAD,50X18X2 | |
| REF # | 39156B |
|---|---|
| PART NUMBER | |
| QUANTITY | 1 |
| DESTINATION | |
| REMARKS | |
| PAD,40X60X2 | |
| REF # | 39156C |
|---|---|
| PART NUMBER | |
| QUANTITY | 1 |
| DESTINATION | |
| REMARKS | |
| PAD,25X45X2 | |
| REF # | 39156D |
|---|---|
| PART NUMBER | |
| QUANTITY | 2 |
| DESTINATION | |
| REMARKS | |
| TRIM,L=22 | |
| REF # | 53044 |
|---|---|
| PART NUMBER | |
| QUANTITY | 1 |
| DESTINATION | |
| REMARKS | |
| SCREW,TAPPING,5X14 | |
| REF # | 92009 |
|---|---|
| PART NUMBER | |
| QUANTITY | 2 |
| DESTINATION | |
| REMARKS | |
| NUT,WELL,5MM | |
| REF # | 92015 |
|---|---|
| PART NUMBER | |
| QUANTITY | 1 |
| DESTINATION | |
| REMARKS | |
| CLAMP,L=45 | |
| REF # | 92037 |
|---|---|
| PART NUMBER | |
| QUANTITY | 1 |
| DESTINATION | |
| REMARKS | |
| CLAMP,HOSE | |
| REF # | 92037A |
|---|---|
| PART NUMBER | |
| QUANTITY | 1 |
| DESTINATION | |
| REMARKS | |
| BAND,L=202 | |
| REF # | 92072 |
|---|---|
| PART NUMBER | |
| QUANTITY | 1 |
| DESTINATION | |
| REMARKS | |
| BAND,L=365 | |
| REF # | 92072A |
|---|---|
| PART NUMBER | |
| QUANTITY | 2 |
| DESTINATION | |
| REMARKS | |
| BAND,OS170-FT7(BLACK) | |
| REF # | 92072B |
|---|---|
| PART NUMBER | |
| QUANTITY | AR |
| DESTINATION | |
| REMARKS | |
| BOLT,SOCKET,6X14 | |
| REF # | 92153 |
|---|---|
| PART NUMBER | |
| QUANTITY | 1 |
| DESTINATION | |
| REMARKS | |
| BOLT,FLANGED,6X12 | |
| REF # | 92154 |
|---|---|
| PART NUMBER | |
| QUANTITY | 1 |
| DESTINATION | |
| REMARKS | |
| DAMPER,40X50X2 | |
| REF # | 92161 |
|---|---|
| PART NUMBER | |
| QUANTITY | 1 |
| DESTINATION | |
| REMARKS | |
| CLAMP,CLIP,DIA=20 | |
| REF # | 92171 |
|---|---|
| PART NUMBER | |
| QUANTITY | 2 |
| DESTINATION | |
| REMARKS | |
| CLAMP,BRAKE HOSE | |
| REF # | 92171A |
|---|---|
| PART NUMBER | |
| QUANTITY | 2 |
| DESTINATION | |
| REMARKS | |
| CLAMP | |
| REF # | 92171B |
|---|---|
| PART NUMBER | |
| QUANTITY | 1 |
| DESTINATION | |
| REMARKS | |
| CLAMP,EDGE CLIP | |
| REF # | 92171C |
|---|---|
| PART NUMBER | |
| QUANTITY | 2 |
| DESTINATION | |
| REMARKS | |
| CLAMP,HEAD GUSSET,LH | |
| REF # | 92173 |
|---|---|
| PART NUMBER | |
| QUANTITY | 1 |
| DESTINATION | |
| REMARKS | |
| CLAMP,CABLE STRAP | |
| REF # | 92173A |
|---|---|
| PART NUMBER | |
| QUANTITY | 1 |
| DESTINATION | |
| REMARKS | |
| CLAMP,20MM DIA. | |
| REF # | 92173B |
|---|---|
| PART NUMBER | |
| QUANTITY | 2 |
| DESTINATION | |
| REMARKS | |
| CLAMP | |
| REF # | 92173C |
|---|---|
| PART NUMBER | |
| QUANTITY | 2 |
| DESTINATION | |
| REMARKS | |
| BOLT-FLANGED,6X10 | |
| REF # | 130 |
|---|---|
| PART NUMBER | |
| QUANTITY | 1 |
| DESTINATION | |
| REMARKS | |
| BOLT-FLANGED,6X16 | |
| REF # | 130A |
|---|---|
| PART NUMBER | |
| QUANTITY | 1 |
| DESTINATION | |
| REMARKS | |
| BOLT-FLANGED-SMALL,6X12 | |
| REF # | 132 |
|---|---|
| PART NUMBER | |
| QUANTITY | 1 |
| DESTINATION | |
| REMARKS | |
| SCREW-PAN-CROS,5X18 | |
| REF # | 220 |
|---|---|
| PART NUMBER | |
| QUANTITY | 1 |
| DESTINATION | |
| REMARKS | |