main content of page
Parts Diagrams
OWNER CENTER |
Welcome, Kawasaki owners. Access the information and tools you need to get the most out of your vehicle.
OWNER CENTER |
Welcome, Kawasaki owners. Access the information and tools you need to get the most out of your vehicle.
Parts Diagrams |
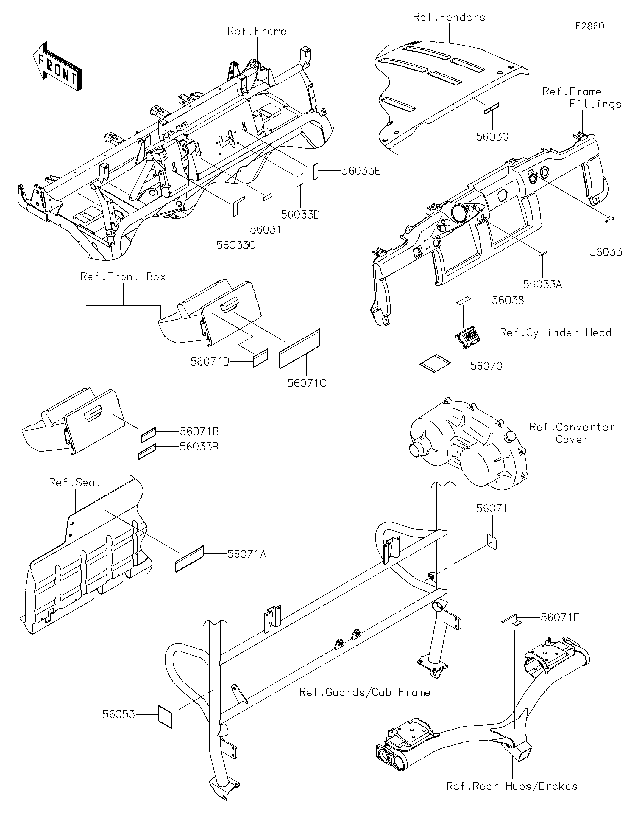
56030
56031
56033
56033A
56033B
56033C
56033D
56033E
56038
56053
56070
56071
56071A
56071B
56071C
56071D
56071E
| ITEM NAME | REF # | PART NUMBER | QUANTITY | DESTINATION | REMARKS |
|---|---|---|---|---|---|
| LABEL,OPERATING HOOD | 56030 | 56030-1563 | 1 | ||
| LABEL-MANUAL,BRAKE FLUID LEVEL | 56031 | 56031-1818 | 1 | ||
| LABEL-MANUAL,IGNITION | 56033 | 56033-0212 | 1 | ||
| LABEL-MANUAL,POWER STEERING | 56033A | 56033-0213 | 1 | ||
| LABEL-MANUAL,SHIFT NOTICE | 56033B | 56033-0822 | 1 | ||
| LABEL-MANUAL,DIFF MODE | 56033C | 56033-1183 | 1 | ||
| LABEL-MANUAL,SHIFT | 56033D | 56033-1186 | 1 | ||
| LABEL-MANUAL,2WD/4WD | 56033E | 56033-1187 | 1 | ||
| LABEL-BRAND | 56038 | 56038-2782 | 1 | ||
| LABEL-SPECIFICATION,TIRE | 56053 | 56053-1916 | 1 | ||
| LABEL-WARNING,HOT SURFACES | 56070 | 56070-0051 | 1 | ||
| LABEL-WARNING,GASOLINE | 56071 | 56071-0588 | 1 | ||
| LABEL-WARNING,CARGO BED,2P | 56071A | 56071-0636 | 1 | ||
| LABEL-WARNING,CARGO BED | 56071B | 56071-0638 | 1 | ||
| LABEL-WARNING,GENERAL | 56071C | 56071-0644 | 1 | ||
| LABEL-WARNING,HOOD CAUTION | 56071D | 56071-0894 | 1 | ||
| LABEL-WARNING,TRAILER HITCH | 56071E | 56071-0895 | 1 |
| LABEL,OPERATING HOOD | |
| REF # | 56030 |
|---|---|
| PART NUMBER | |
| QUANTITY | 1 |
| DESTINATION | |
| REMARKS | |
| LABEL-MANUAL,BRAKE FLUID LEVEL | |
| REF # | 56031 |
|---|---|
| PART NUMBER | |
| QUANTITY | 1 |
| DESTINATION | |
| REMARKS | |
| LABEL-MANUAL,IGNITION | |
| REF # | 56033 |
|---|---|
| PART NUMBER | |
| QUANTITY | 1 |
| DESTINATION | |
| REMARKS | |
| LABEL-MANUAL,POWER STEERING | |
| REF # | 56033A |
|---|---|
| PART NUMBER | |
| QUANTITY | 1 |
| DESTINATION | |
| REMARKS | |
| LABEL-MANUAL,SHIFT NOTICE | |
| REF # | 56033B |
|---|---|
| PART NUMBER | |
| QUANTITY | 1 |
| DESTINATION | |
| REMARKS | |
| LABEL-MANUAL,DIFF MODE | |
| REF # | 56033C |
|---|---|
| PART NUMBER | |
| QUANTITY | 1 |
| DESTINATION | |
| REMARKS | |
| LABEL-MANUAL,SHIFT | |
| REF # | 56033D |
|---|---|
| PART NUMBER | |
| QUANTITY | 1 |
| DESTINATION | |
| REMARKS | |
| LABEL-MANUAL,2WD/4WD | |
| REF # | 56033E |
|---|---|
| PART NUMBER | |
| QUANTITY | 1 |
| DESTINATION | |
| REMARKS | |
| LABEL-BRAND | |
| REF # | 56038 |
|---|---|
| PART NUMBER | |
| QUANTITY | 1 |
| DESTINATION | |
| REMARKS | |
| LABEL-SPECIFICATION,TIRE | |
| REF # | 56053 |
|---|---|
| PART NUMBER | |
| QUANTITY | 1 |
| DESTINATION | |
| REMARKS | |
| LABEL-WARNING,HOT SURFACES | |
| REF # | 56070 |
|---|---|
| PART NUMBER | |
| QUANTITY | 1 |
| DESTINATION | |
| REMARKS | |
| LABEL-WARNING,GASOLINE | |
| REF # | 56071 |
|---|---|
| PART NUMBER | |
| QUANTITY | 1 |
| DESTINATION | |
| REMARKS | |
| LABEL-WARNING,CARGO BED,2P | |
| REF # | 56071A |
|---|---|
| PART NUMBER | |
| QUANTITY | 1 |
| DESTINATION | |
| REMARKS | |
| LABEL-WARNING,CARGO BED | |
| REF # | 56071B |
|---|---|
| PART NUMBER | |
| QUANTITY | 1 |
| DESTINATION | |
| REMARKS | |
| LABEL-WARNING,GENERAL | |
| REF # | 56071C |
|---|---|
| PART NUMBER | |
| QUANTITY | 1 |
| DESTINATION | |
| REMARKS | |
| LABEL-WARNING,HOOD CAUTION | |
| REF # | 56071D |
|---|---|
| PART NUMBER | |
| QUANTITY | 1 |
| DESTINATION | |
| REMARKS | |
| LABEL-WARNING,TRAILER HITCH | |
| REF # | 56071E |
|---|---|
| PART NUMBER | |
| QUANTITY | 1 |
| DESTINATION | |
| REMARKS | |