main content of page
Parts Diagrams
OWNER CENTER |

Welcome, Kawasaki owners. Access the information and tools you need to get the most out of your vehicle.
OWNER CENTER |
Welcome, Kawasaki owners. Access the information and tools you need to get the most out of your vehicle.
Parts Diagrams |
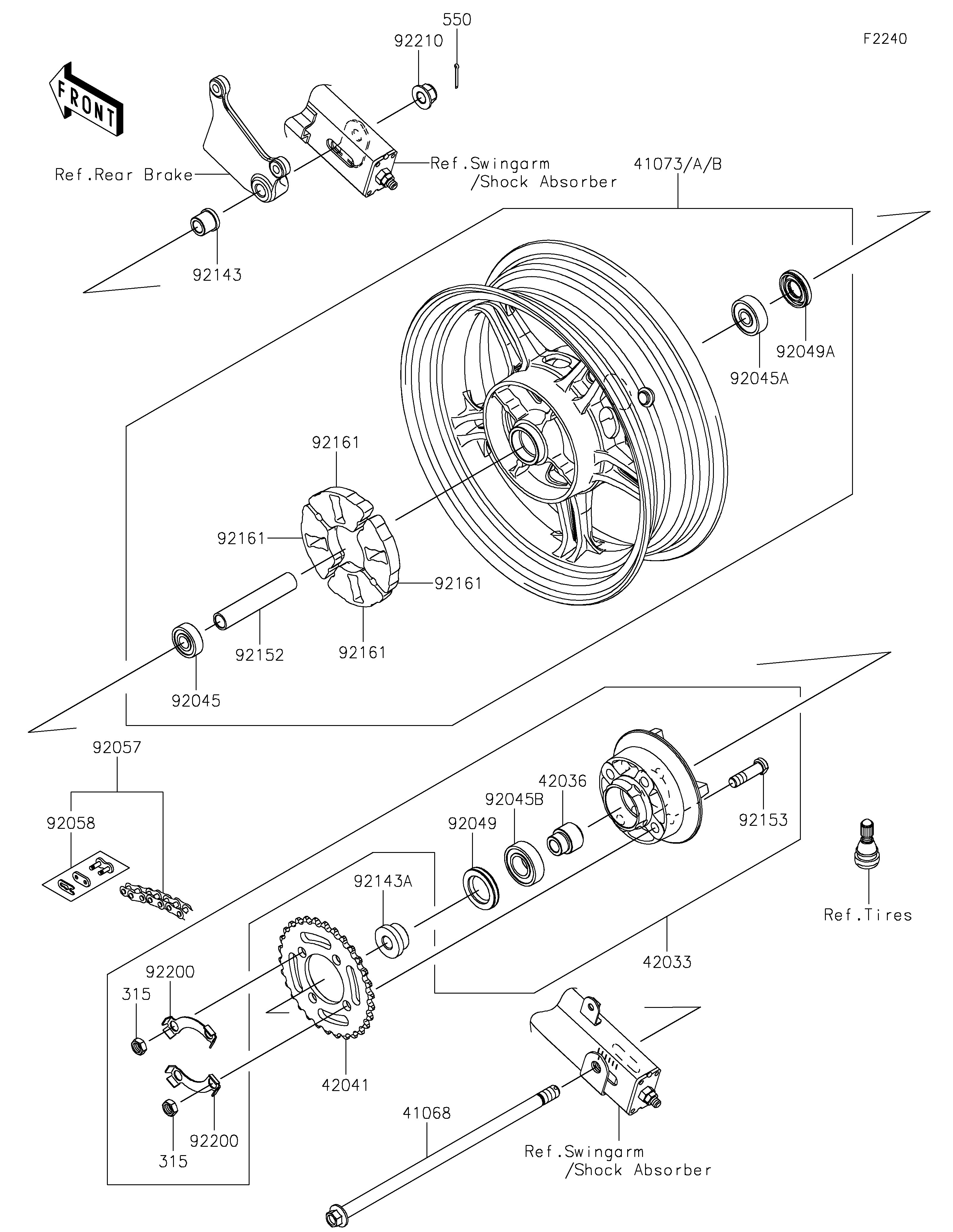
41068
41073A
41073B
42033
42036
42041
92045
92045A
92045B
92049
92049A
92057
92058
92143
92143A
92152
92153
92161
92161
92161
92161
92200
92200
92210
315
315
550
ITEM NAME | REF # | PART NUMBER | QUANTITY | DESTINATION | REMARKS |
---|---|---|---|---|---|
AXLE,12X290 | 41068 | 41068-0610 | 1 | ||
WHEEL-ASSY,RR,GOLD | 41073A | 41073-0673-63J | 1 | ||
WHEEL-ASSY,RR,G.BLACK | 41073B | 41073-0673-QT | 1 | ||
COUPLING-ASSY,RR HUB | 42033 | 42033-0575 | 1 | ||
SLEEVE,RR HUB COUPLING,L=29 | 42036 | 42036-1292 | 1 | ||
SPROCKET-HUB,30T | 42041 | 42041-0154 | 1 | ||
BEARING-BALL,6201-LLHC3P6 | 92045 | 92045-0161 | 1 | ||
BEARING-BALL,6301-LLHC3P6 | 92045A | 92045-0162 | 1 | ||
BEARING-BALL,6004-LUC3P6 | 92045B | 92045-0163 | 1 | ||
SEAL-OIL,SC26X42X8 | 92049 | 92049-1490 | 1 | ||
SEAL-OIL,KCY19X37X7 | 92049A | 92049-1491 | 1 | ||
CHAIN,DRIVE,DID420AD | 92057 | 92057-0738 | 1 | ||
JOINT-CHAIN | 92058 | 92058-0050 | 1 | ||
COLLAR,RR AXLE,L=19 | 92143 | 92143-1420 | 1 | ||
COLLAR,RR AXLE,LH,L=17 | 92143A | 92143-1533 | 1 | ||
COLLAR,12.7X17.3X94.5 | 92152 | 92152-2140 | 1 | ||
BOLT,10X36 | 92153 | 92153-1120 | 4 | ||
DAMPER,RR HUB SHOCK | 92161 | 92161-0084 | 4 | ||
WASHER,LOCK | 92200 | 92200-0903 | 2 | ||
NUT,LOCK,FLANGED,12MM | 92210 | 92210-1513 | 1 | ||
NUT-HEX-FINE,10MM | 315 | 315BA1000 | 4 | ||
PIN-COTTER,2.5X20 | 550 | 550AA2520 | 1 |
AXLE,12X290 | |
REF # | 41068 |
---|---|
PART NUMBER | |
QUANTITY | 1 |
DESTINATION | |
REMARKS |
WHEEL-ASSY,RR,GOLD | |
REF # | 41073A |
---|---|
PART NUMBER | |
QUANTITY | 1 |
DESTINATION | |
REMARKS |
WHEEL-ASSY,RR,G.BLACK | |
REF # | 41073B |
---|---|
PART NUMBER | |
QUANTITY | 1 |
DESTINATION | |
REMARKS |
COUPLING-ASSY,RR HUB | |
REF # | 42033 |
---|---|
PART NUMBER | |
QUANTITY | 1 |
DESTINATION | |
REMARKS |
SLEEVE,RR HUB COUPLING,L=29 | |
REF # | 42036 |
---|---|
PART NUMBER | |
QUANTITY | 1 |
DESTINATION | |
REMARKS |
SPROCKET-HUB,30T | |
REF # | 42041 |
---|---|
PART NUMBER | |
QUANTITY | 1 |
DESTINATION | |
REMARKS |
BEARING-BALL,6201-LLHC3P6 | |
REF # | 92045 |
---|---|
PART NUMBER | |
QUANTITY | 1 |
DESTINATION | |
REMARKS |
BEARING-BALL,6301-LLHC3P6 | |
REF # | 92045A |
---|---|
PART NUMBER | |
QUANTITY | 1 |
DESTINATION | |
REMARKS |
BEARING-BALL,6004-LUC3P6 | |
REF # | 92045B |
---|---|
PART NUMBER | |
QUANTITY | 1 |
DESTINATION | |
REMARKS |
SEAL-OIL,SC26X42X8 | |
REF # | 92049 |
---|---|
PART NUMBER | |
QUANTITY | 1 |
DESTINATION | |
REMARKS |
SEAL-OIL,KCY19X37X7 | |
REF # | 92049A |
---|---|
PART NUMBER | |
QUANTITY | 1 |
DESTINATION | |
REMARKS |
CHAIN,DRIVE,DID420AD | |
REF # | 92057 |
---|---|
PART NUMBER | |
QUANTITY | 1 |
DESTINATION | |
REMARKS |
JOINT-CHAIN | |
REF # | 92058 |
---|---|
PART NUMBER | |
QUANTITY | 1 |
DESTINATION | |
REMARKS |
COLLAR,RR AXLE,L=19 | |
REF # | 92143 |
---|---|
PART NUMBER | |
QUANTITY | 1 |
DESTINATION | |
REMARKS |
COLLAR,RR AXLE,LH,L=17 | |
REF # | 92143A |
---|---|
PART NUMBER | |
QUANTITY | 1 |
DESTINATION | |
REMARKS |
COLLAR,12.7X17.3X94.5 | |
REF # | 92152 |
---|---|
PART NUMBER | |
QUANTITY | 1 |
DESTINATION | |
REMARKS |
BOLT,10X36 | |
REF # | 92153 |
---|---|
PART NUMBER | |
QUANTITY | 4 |
DESTINATION | |
REMARKS |
DAMPER,RR HUB SHOCK | |
REF # | 92161 |
---|---|
PART NUMBER | |
QUANTITY | 4 |
DESTINATION | |
REMARKS |
WASHER,LOCK | |
REF # | 92200 |
---|---|
PART NUMBER | |
QUANTITY | 2 |
DESTINATION | |
REMARKS |
NUT,LOCK,FLANGED,12MM | |
REF # | 92210 |
---|---|
PART NUMBER | |
QUANTITY | 1 |
DESTINATION | |
REMARKS |
NUT-HEX-FINE,10MM | |
REF # | 315 |
---|---|
PART NUMBER | |
QUANTITY | 4 |
DESTINATION | |
REMARKS |
PIN-COTTER,2.5X20 | |
REF # | 550 |
---|---|
PART NUMBER | |
QUANTITY | 1 |
DESTINATION | |
REMARKS |