main content of page
Parts Diagrams
OWNER CENTER |
Welcome, Kawasaki owners. Access the information and tools you need to get the most out of your vehicle.
OWNER CENTER |
Welcome, Kawasaki owners. Access the information and tools you need to get the most out of your vehicle.
Parts Diagrams |
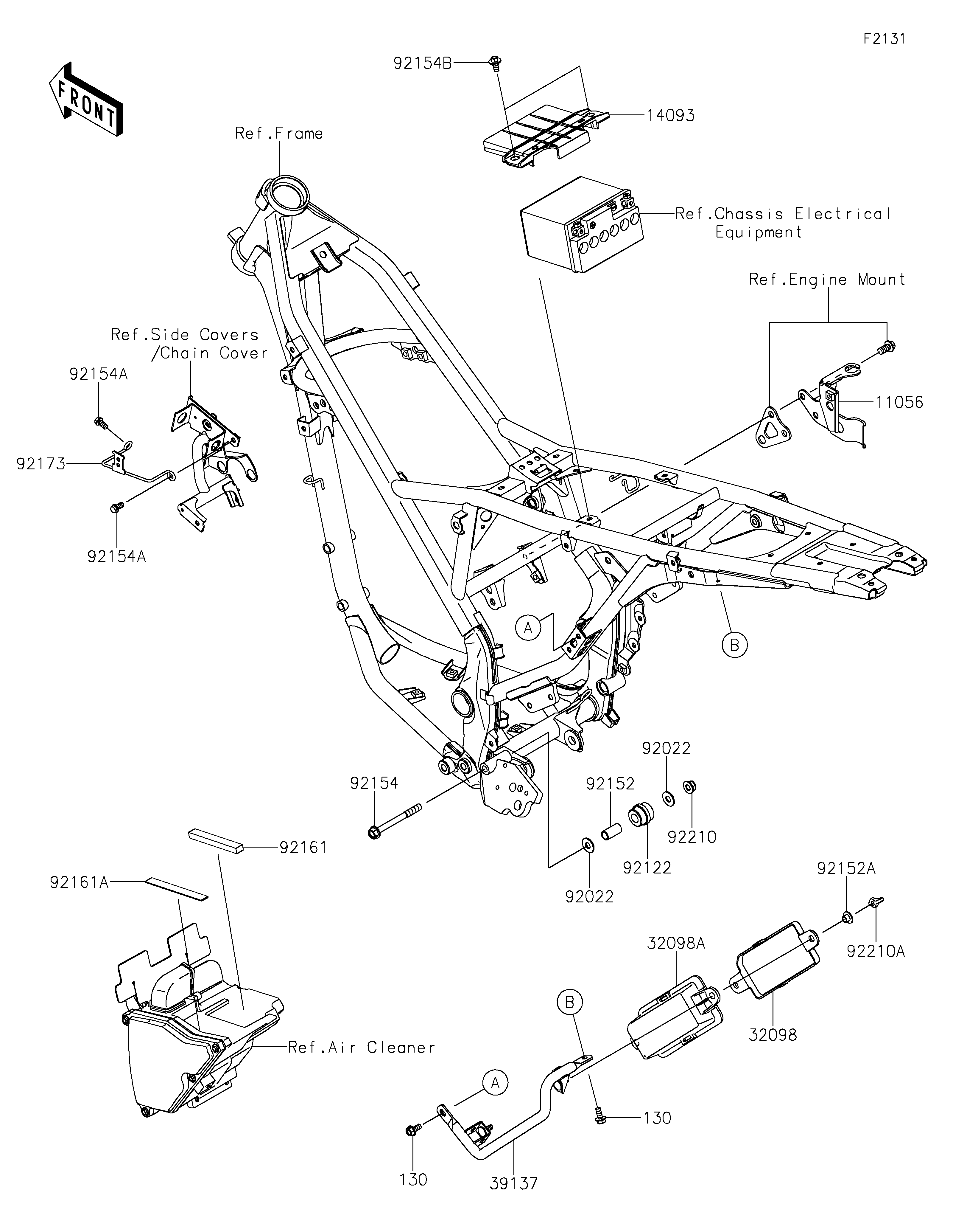
2024 KLX150L (Indonesia Only) - Frame Fittings(KRFNN/KSFNN/KSFAN)
11056
14093
32098
32098A
39137
92022
92022
92122
92152
92152A
92154
92154A
92154A
92154B
92161
92161A
92173
92210
92210A
130
130
| ITEM NAME | REF # | PART NUMBER | QUANTITY | DESTINATION | REMARKS |
|---|---|---|---|---|---|
| BRACKET,RESERVOIR | 11056 | 11056-7776 | 1 | ||
| COVER,BATTERY | 14093 | 14093-1247 | 1 | ||
| CASE-TOOL,UPP | 32098 | 32098-0027 | 1 | ||
| CASE-TOOL,LWR | 32098A | 32098-0028 | 1 | ||
| STAY-COMP | 39137 | 39137-0724 | 1 | ||
| WASHER,8.5X20X1.6 | 92022 | 92022-1561 | 2 | ||
| ROLLER,GUIDE CHAIN | 92122 | 92122-0041 | 1 | ||
| COLLAR,9.5X12.5X25 | 92152 | 92152-1881 | 1 | ||
| COLLAR,6.3X8.3X16 | 92152A | 92152-2463 | 2 | ||
| BOLT,FLANGED,8X80 | 92154 | 92154-1355 | 1 | ||
| BOLT,FLANGED,6X12 | 92154A | 92154-2753 | 2 | ||
| BOLT,FLANGED,6X13 | 92154B | 92154-4411 | 2 | ||
| DAMPER,12X88X8 | 92161 | 92161-2445 | 1 | ||
| DAMPER,12X105X1.5 | 92161A | 92161-2446 | 1 | ||
| CLAMP | 92173 | 92173-2492 | 1 | ||
| NUT,LOCK,FLANGED,8MM | 92210 | 92210-0140 | 1 | ||
| NUT,WING,6MM | 92210A | 92210-1603 | 2 | ||
| BOLT-FLANGED,6X14 | 130 | 130BA0614 | 2 |
| BRACKET,RESERVOIR | |
| REF # | 11056 |
|---|---|
| PART NUMBER | |
| QUANTITY | 1 |
| DESTINATION | |
| REMARKS | |
| COVER,BATTERY | |
| REF # | 14093 |
|---|---|
| PART NUMBER | |
| QUANTITY | 1 |
| DESTINATION | |
| REMARKS | |
| CASE-TOOL,UPP | |
| REF # | 32098 |
|---|---|
| PART NUMBER | |
| QUANTITY | 1 |
| DESTINATION | |
| REMARKS | |
| CASE-TOOL,LWR | |
| REF # | 32098A |
|---|---|
| PART NUMBER | |
| QUANTITY | 1 |
| DESTINATION | |
| REMARKS | |
| STAY-COMP | |
| REF # | 39137 |
|---|---|
| PART NUMBER | |
| QUANTITY | 1 |
| DESTINATION | |
| REMARKS | |
| WASHER,8.5X20X1.6 | |
| REF # | 92022 |
|---|---|
| PART NUMBER | |
| QUANTITY | 2 |
| DESTINATION | |
| REMARKS | |
| ROLLER,GUIDE CHAIN | |
| REF # | 92122 |
|---|---|
| PART NUMBER | |
| QUANTITY | 1 |
| DESTINATION | |
| REMARKS | |
| COLLAR,9.5X12.5X25 | |
| REF # | 92152 |
|---|---|
| PART NUMBER | |
| QUANTITY | 1 |
| DESTINATION | |
| REMARKS | |
| COLLAR,6.3X8.3X16 | |
| REF # | 92152A |
|---|---|
| PART NUMBER | |
| QUANTITY | 2 |
| DESTINATION | |
| REMARKS | |
| BOLT,FLANGED,8X80 | |
| REF # | 92154 |
|---|---|
| PART NUMBER | |
| QUANTITY | 1 |
| DESTINATION | |
| REMARKS | |
| BOLT,FLANGED,6X12 | |
| REF # | 92154A |
|---|---|
| PART NUMBER | |
| QUANTITY | 2 |
| DESTINATION | |
| REMARKS | |
| BOLT,FLANGED,6X13 | |
| REF # | 92154B |
|---|---|
| PART NUMBER | |
| QUANTITY | 2 |
| DESTINATION | |
| REMARKS | |
| DAMPER,12X88X8 | |
| REF # | 92161 |
|---|---|
| PART NUMBER | |
| QUANTITY | 1 |
| DESTINATION | |
| REMARKS | |
| DAMPER,12X105X1.5 | |
| REF # | 92161A |
|---|---|
| PART NUMBER | |
| QUANTITY | 1 |
| DESTINATION | |
| REMARKS | |
| CLAMP | |
| REF # | 92173 |
|---|---|
| PART NUMBER | |
| QUANTITY | 1 |
| DESTINATION | |
| REMARKS | |
| NUT,LOCK,FLANGED,8MM | |
| REF # | 92210 |
|---|---|
| PART NUMBER | |
| QUANTITY | 1 |
| DESTINATION | |
| REMARKS | |
| NUT,WING,6MM | |
| REF # | 92210A |
|---|---|
| PART NUMBER | |
| QUANTITY | 2 |
| DESTINATION | |
| REMARKS | |
| BOLT-FLANGED,6X14 | |
| REF # | 130 |
|---|---|
| PART NUMBER | |
| QUANTITY | 2 |
| DESTINATION | |
| REMARKS | |