main content of page
Parts Diagrams
OWNER CENTER |

Welcome, Kawasaki owners. Access the information and tools you need to get the most out of your vehicle.
OWNER CENTER |
Welcome, Kawasaki owners. Access the information and tools you need to get the most out of your vehicle.
Parts Diagrams |
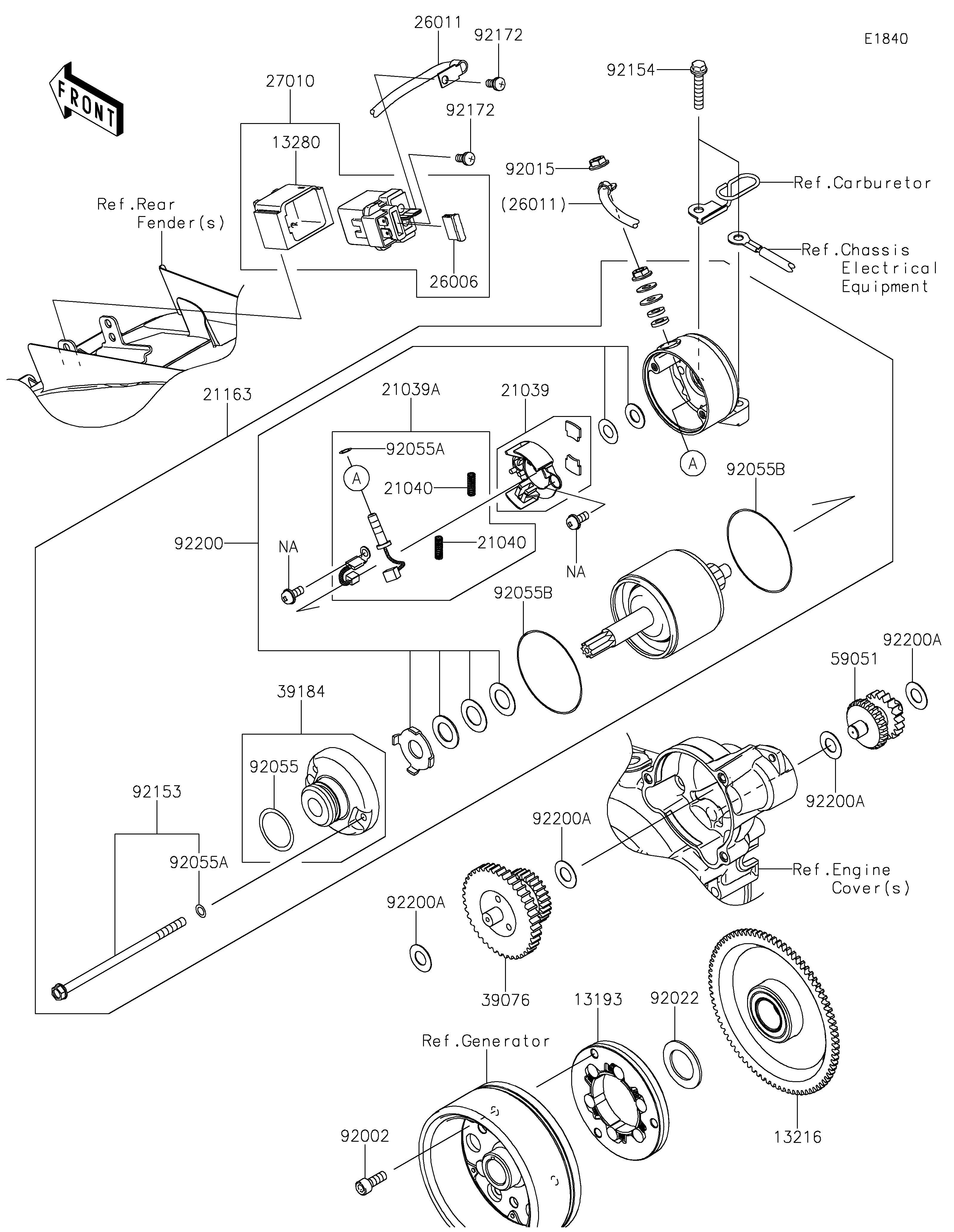
2025 KLX150L (Indonesia Only) - Starter Motor
13193
13216
13280
21039
21039A
21040
21040
21163
26006
26011
27010
39076
39184
59051
92002
92015
92022
92055
92055A
92055A
92055B
92055B
92153
92154
92172
92172
92200
92200A
92200A
92200A
92200A
ITEM NAME | REF # | PART NUMBER | QUANTITY | DESTINATION | REMARKS |
---|---|---|---|---|---|
CLUTCH-ASSY-ONEWAY | 13193 | 13193-0009 | 1 | ||
GEAR-COMP,FREE WHEEL | 13216 | 13216-0915 | 1 | ||
HOLDER | 13280 | 13280-0816 | 1 | ||
BRUSH | 21039 | 21039-0007 | 1 | ||
BRUSH | 21039A | 21039-0008 | 1 | ||
SPRING-BRUSH | 21040 | 21040-0004 | 2 | ||
STARTER-ELECTRIC | 21163 | 21163-0058 | 1 | ||
FUSE,BLADE,20A,YELLOW | 26006 | 26006-1051 | 1 | ||
WIRE-LEAD,STARTER | 26011 | 26011-1990 | 1 | ||
SWITCH | 27010 | 27010-0774 | 1 | ||
LIMITER,STARTER IDLE GEAR | 39076 | 39076-0044 | 1 | ||
BRACKET-ASSY | 39184 | 39184-0015 | 1 | ||
GEAR-SPUR,IDLE | 59051 | 59051-0785 | 1 | ||
BOLT,SOCKET,6X16 | 92002 | 92002-1778 | 3 | ||
NUT,FLANGED,6MM | 92015 | 92015-1367 | 1 | ||
WASHER,22.3X35X1.6 | 92022 | 92022-212 | 1 | ||
RING-O | 92055 | 92055-1276 | 1 | ||
RING-O,4.5X2.0 | 92055A | 92055-1370 | 3 | ||
RING-O | 92055B | 92055-1550 | 2 | ||
BOLT | 92153 | 92153-1914 | 2 | ||
BOLT,FLANGED,6X30 | 92154 | 92154-1159 | 2 | ||
SCREW-PAN-WS-CROS,5X10 | 92172 | 92172-1456 | 2 | ||
WASHER,SET | 92200 | 92200-0407 | 1 | ||
WASHER,10.2X20X0.5 | 92200A | 92200-1976 | 4 |
CLUTCH-ASSY-ONEWAY | |
REF # | 13193 |
---|---|
PART NUMBER | |
QUANTITY | 1 |
DESTINATION | |
REMARKS |
GEAR-COMP,FREE WHEEL | |
REF # | 13216 |
---|---|
PART NUMBER | |
QUANTITY | 1 |
DESTINATION | |
REMARKS |
HOLDER | |
REF # | 13280 |
---|---|
PART NUMBER | |
QUANTITY | 1 |
DESTINATION | |
REMARKS |
BRUSH | |
REF # | 21039 |
---|---|
PART NUMBER | |
QUANTITY | 1 |
DESTINATION | |
REMARKS |
BRUSH | |
REF # | 21039A |
---|---|
PART NUMBER | |
QUANTITY | 1 |
DESTINATION | |
REMARKS |
SPRING-BRUSH | |
REF # | 21040 |
---|---|
PART NUMBER | |
QUANTITY | 2 |
DESTINATION | |
REMARKS |
STARTER-ELECTRIC | |
REF # | 21163 |
---|---|
PART NUMBER | |
QUANTITY | 1 |
DESTINATION | |
REMARKS |
FUSE,BLADE,20A,YELLOW | |
REF # | 26006 |
---|---|
PART NUMBER | |
QUANTITY | 1 |
DESTINATION | |
REMARKS |
WIRE-LEAD,STARTER | |
REF # | 26011 |
---|---|
PART NUMBER | |
QUANTITY | 1 |
DESTINATION | |
REMARKS |
SWITCH | |
REF # | 27010 |
---|---|
PART NUMBER | |
QUANTITY | 1 |
DESTINATION | |
REMARKS |
LIMITER,STARTER IDLE GEAR | |
REF # | 39076 |
---|---|
PART NUMBER | |
QUANTITY | 1 |
DESTINATION | |
REMARKS |
BRACKET-ASSY | |
REF # | 39184 |
---|---|
PART NUMBER | |
QUANTITY | 1 |
DESTINATION | |
REMARKS |
GEAR-SPUR,IDLE | |
REF # | 59051 |
---|---|
PART NUMBER | |
QUANTITY | 1 |
DESTINATION | |
REMARKS |
BOLT,SOCKET,6X16 | |
REF # | 92002 |
---|---|
PART NUMBER | |
QUANTITY | 3 |
DESTINATION | |
REMARKS |
NUT,FLANGED,6MM | |
REF # | 92015 |
---|---|
PART NUMBER | |
QUANTITY | 1 |
DESTINATION | |
REMARKS |
WASHER,22.3X35X1.6 | |
REF # | 92022 |
---|---|
PART NUMBER | |
QUANTITY | 1 |
DESTINATION | |
REMARKS |
RING-O | |
REF # | 92055 |
---|---|
PART NUMBER | |
QUANTITY | 1 |
DESTINATION | |
REMARKS |
RING-O,4.5X2.0 | |
REF # | 92055A |
---|---|
PART NUMBER | |
QUANTITY | 3 |
DESTINATION | |
REMARKS |
RING-O | |
REF # | 92055B |
---|---|
PART NUMBER | |
QUANTITY | 2 |
DESTINATION | |
REMARKS |
BOLT | |
REF # | 92153 |
---|---|
PART NUMBER | |
QUANTITY | 2 |
DESTINATION | |
REMARKS |
BOLT,FLANGED,6X30 | |
REF # | 92154 |
---|---|
PART NUMBER | |
QUANTITY | 2 |
DESTINATION | |
REMARKS |
SCREW-PAN-WS-CROS,5X10 | |
REF # | 92172 |
---|---|
PART NUMBER | |
QUANTITY | 2 |
DESTINATION | |
REMARKS |
WASHER,SET | |
REF # | 92200 |
---|---|
PART NUMBER | |
QUANTITY | 1 |
DESTINATION | |
REMARKS |
WASHER,10.2X20X0.5 | |
REF # | 92200A |
---|---|
PART NUMBER | |
QUANTITY | 4 |
DESTINATION | |
REMARKS |