main content of page
Parts Diagrams
OWNER CENTER |

Welcome, Kawasaki owners. Access the information and tools you need to get the most out of your vehicle.
OWNER CENTER |
Welcome, Kawasaki owners. Access the information and tools you need to get the most out of your vehicle.
Parts Diagrams |
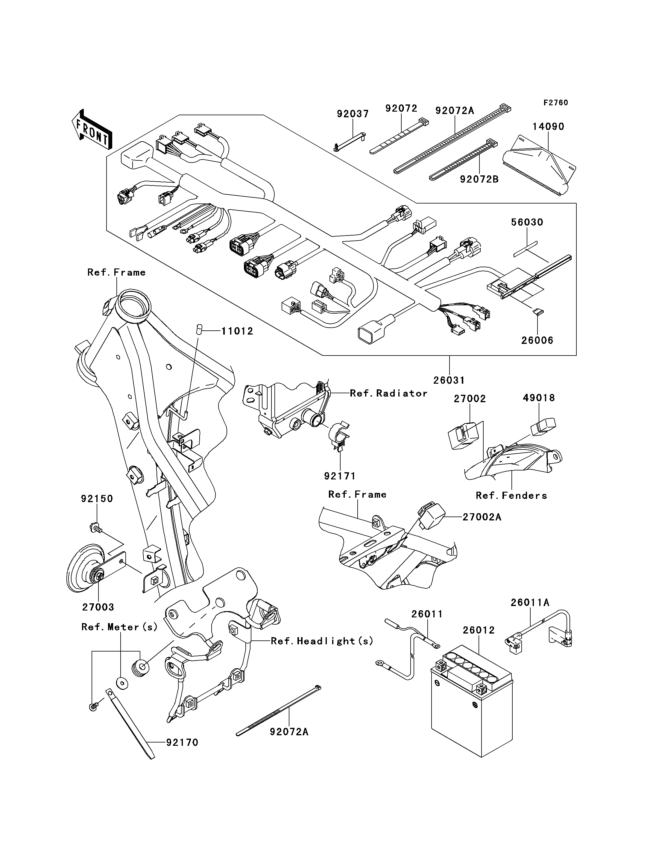
2010 KLX®250SF - Chassis Electrical Equipment
11012
14090
26006
26011
26011A
26012
26031
27002
27002A
27003
49018
56030
92037
92072
92072A
92072A
92072B
92150
92170
92171
ITEM NAME | REF # | PART NUMBER | QUANTITY | DESTINATION | REMARKS |
---|---|---|---|---|---|
CAP,BUNGEE CORD HOOK | 11012 | 11012-1589 | 1 | ||
COVER,COUPLER | 14090 | 14090-1331 | 1 | ||
FUSE,MINI BLADE,10A,RED | 26006 | 26006-0009 | 3 | ||
WIRE-LEAD,BATTERY(-) | 26011 | 26011-0209 | 1 | ||
WIRE-LEAD,BATTERY(+) | 26011A | 26011-1609 | 1 | ||
BATTERY,FTX7L-BS,12V6AH | 26012 | 26012-0068 | 1 | ||
HARNESS,MAIN | 26031 | 26031-0721 | 1 | ||
RELAY-ASSY | 27002 | 27002-1086 | 1 | ||
RELAY-ASSY,SIGNAL LAMP | 27002A | 27002-1097 | 1 | ||
HORN | 27003 | 27003-0029 | 1 | ||
DIODE | 49018 | 49018-1052 | 1 | ||
LABEL,FUSE BOX | 56030 | 56030-0192 | 1 | ||
CLAMP,SPEED,L=58 | 92037 | 92037-1163 | 3 | ||
BAND,L=123 | 92072 | 92072-030 | 1 | ||
BAND,L=250 | 92072A | 92072-1237 | 4 | ||
BAND,L=140 | 92072B | 92072-1293 | 3 | ||
BOLT,FLANGED,6X14 | 92150 | 92150-1689 | 1 | ||
CLAMP,L=150 | 92170 | 92170-1114 | 1 | ||
CLAMP | 92171 | 92171-1437 | 1 |
CAP,BUNGEE CORD HOOK | |
REF # | 11012 |
---|---|
PART NUMBER | |
QUANTITY | 1 |
DESTINATION | |
REMARKS |
COVER,COUPLER | |
REF # | 14090 |
---|---|
PART NUMBER | |
QUANTITY | 1 |
DESTINATION | |
REMARKS |
FUSE,MINI BLADE,10A,RED | |
REF # | 26006 |
---|---|
PART NUMBER | |
QUANTITY | 3 |
DESTINATION | |
REMARKS |
WIRE-LEAD,BATTERY(-) | |
REF # | 26011 |
---|---|
PART NUMBER | |
QUANTITY | 1 |
DESTINATION | |
REMARKS |
WIRE-LEAD,BATTERY(+) | |
REF # | 26011A |
---|---|
PART NUMBER | |
QUANTITY | 1 |
DESTINATION | |
REMARKS |
BATTERY,FTX7L-BS,12V6AH | |
REF # | 26012 |
---|---|
PART NUMBER | |
QUANTITY | 1 |
DESTINATION | |
REMARKS |
HARNESS,MAIN | |
REF # | 26031 |
---|---|
PART NUMBER | |
QUANTITY | 1 |
DESTINATION | |
REMARKS |
RELAY-ASSY | |
REF # | 27002 |
---|---|
PART NUMBER | |
QUANTITY | 1 |
DESTINATION | |
REMARKS |
RELAY-ASSY,SIGNAL LAMP | |
REF # | 27002A |
---|---|
PART NUMBER | |
QUANTITY | 1 |
DESTINATION | |
REMARKS |
HORN | |
REF # | 27003 |
---|---|
PART NUMBER | |
QUANTITY | 1 |
DESTINATION | |
REMARKS |
DIODE | |
REF # | 49018 |
---|---|
PART NUMBER | |
QUANTITY | 1 |
DESTINATION | |
REMARKS |
LABEL,FUSE BOX | |
REF # | 56030 |
---|---|
PART NUMBER | |
QUANTITY | 1 |
DESTINATION | |
REMARKS |
CLAMP,SPEED,L=58 | |
REF # | 92037 |
---|---|
PART NUMBER | |
QUANTITY | 3 |
DESTINATION | |
REMARKS |
BAND,L=123 | |
REF # | 92072 |
---|---|
PART NUMBER | |
QUANTITY | 1 |
DESTINATION | |
REMARKS |
BAND,L=250 | |
REF # | 92072A |
---|---|
PART NUMBER | |
QUANTITY | 4 |
DESTINATION | |
REMARKS |
BAND,L=140 | |
REF # | 92072B |
---|---|
PART NUMBER | |
QUANTITY | 3 |
DESTINATION | |
REMARKS |
BOLT,FLANGED,6X14 | |
REF # | 92150 |
---|---|
PART NUMBER | |
QUANTITY | 1 |
DESTINATION | |
REMARKS |
CLAMP,L=150 | |
REF # | 92170 |
---|---|
PART NUMBER | |
QUANTITY | 1 |
DESTINATION | |
REMARKS |
CLAMP | |
REF # | 92171 |
---|---|
PART NUMBER | |
QUANTITY | 1 |
DESTINATION | |
REMARKS |