main content of page
Parts Diagrams
OWNER CENTER |

Welcome, Kawasaki owners. Access the information and tools you need to get the most out of your vehicle.
OWNER CENTER |
Welcome, Kawasaki owners. Access the information and tools you need to get the most out of your vehicle.
Parts Diagrams |
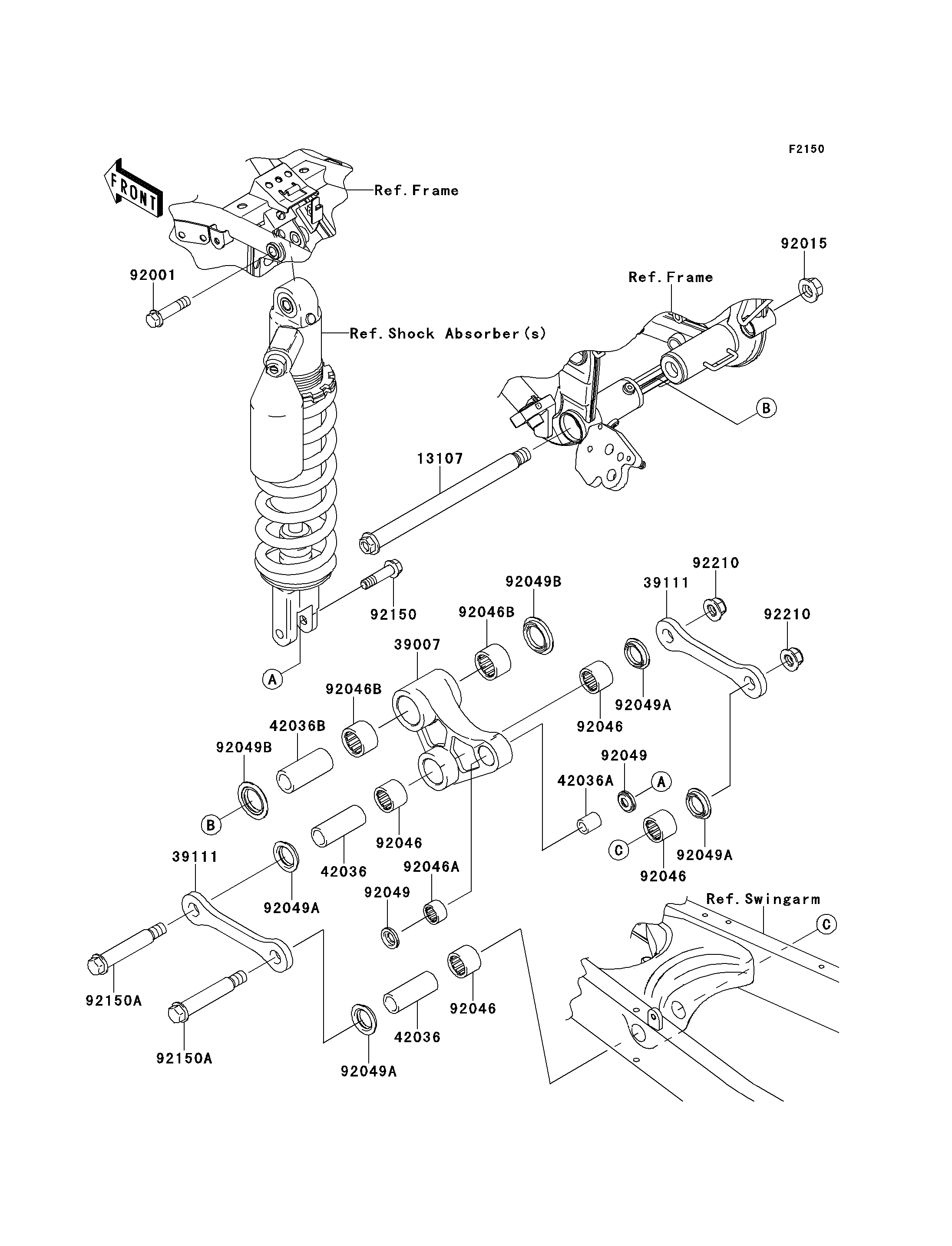
13107
39007
39111
39111
42036
42036
42036A
42036B
92001
92015
92046
92046
92046
92046
92046A
92046B
92046B
92049
92049
92049A
92049A
92049A
92049A
92049B
92049B
92150
92150A
92150A
92210
92210
ITEM NAME | REF # | PART NUMBER | QUANTITY | DESTINATION | REMARKS |
---|---|---|---|---|---|
SHAFT,ARM,14MM | 13107 | 13107-0198 | 1 | ||
ARM-SUSP,UNI TRAK | 39007 | 39007-0100 | 1 | ||
ROD-TIE,SUSPENSION | 39111 | 39111-0053 | 2 | ||
SLEEVE,15X22X57 | 42036 | 42036-1245 | 2 | ||
SLEEVE,10X16X19 | 42036A | 42036-1248 | 1 | ||
SLEEVE,17X25X57 | 42036B | 42036-1318 | 1 | ||
BOLT,FLANGED,10X44 | 92001 | 92001-1499 | 1 | ||
NUT,14MM | 92015 | 92015-1407 | 1 | ||
BEARING-NEEDLE,F-2220 | 92046 | 92046-1162 | 4 | ||
BEARING-NEEDLE,16BM2212 | 92046A | 92046-1192 | 1 | ||
BEARING-NEEDLE,BM2520 | 92046B | 92046-1228 | 2 | ||
SEAL-OIL | 92049 | 92049-0069 | 2 | ||
SEAL-OIL,MHA22 28 5.7F | 92049A | 92049-1254 | 4 | ||
SEAL-OIL,MF025N1 | 92049B | 92049-1426 | 2 | ||
BOLT,FLANGED,10X40 | 92150 | 92150-1711 | 1 | ||
BOLT,ROD,12X90 | 92150A | 92150-1812 | 2 | ||
NUT,LOCK,FLANGED,12MM | 92210 | 92210-0348 | 2 |
SHAFT,ARM,14MM | |
REF # | 13107 |
---|---|
PART NUMBER | |
QUANTITY | 1 |
DESTINATION | |
REMARKS |
ARM-SUSP,UNI TRAK | |
REF # | 39007 |
---|---|
PART NUMBER | |
QUANTITY | 1 |
DESTINATION | |
REMARKS |
ROD-TIE,SUSPENSION | |
REF # | 39111 |
---|---|
PART NUMBER | |
QUANTITY | 2 |
DESTINATION | |
REMARKS |
SLEEVE,15X22X57 | |
REF # | 42036 |
---|---|
PART NUMBER | |
QUANTITY | 2 |
DESTINATION | |
REMARKS |
SLEEVE,10X16X19 | |
REF # | 42036A |
---|---|
PART NUMBER | |
QUANTITY | 1 |
DESTINATION | |
REMARKS |
SLEEVE,17X25X57 | |
REF # | 42036B |
---|---|
PART NUMBER | |
QUANTITY | 1 |
DESTINATION | |
REMARKS |
BOLT,FLANGED,10X44 | |
REF # | 92001 |
---|---|
PART NUMBER | |
QUANTITY | 1 |
DESTINATION | |
REMARKS |
NUT,14MM | |
REF # | 92015 |
---|---|
PART NUMBER | |
QUANTITY | 1 |
DESTINATION | |
REMARKS |
BEARING-NEEDLE,F-2220 | |
REF # | 92046 |
---|---|
PART NUMBER | |
QUANTITY | 4 |
DESTINATION | |
REMARKS |
BEARING-NEEDLE,16BM2212 | |
REF # | 92046A |
---|---|
PART NUMBER | |
QUANTITY | 1 |
DESTINATION | |
REMARKS |
BEARING-NEEDLE,BM2520 | |
REF # | 92046B |
---|---|
PART NUMBER | |
QUANTITY | 2 |
DESTINATION | |
REMARKS |
SEAL-OIL | |
REF # | 92049 |
---|---|
PART NUMBER | |
QUANTITY | 2 |
DESTINATION | |
REMARKS |
SEAL-OIL,MHA22 28 5.7F | |
REF # | 92049A |
---|---|
PART NUMBER | |
QUANTITY | 4 |
DESTINATION | |
REMARKS |
SEAL-OIL,MF025N1 | |
REF # | 92049B |
---|---|
PART NUMBER | |
QUANTITY | 2 |
DESTINATION | |
REMARKS |
BOLT,FLANGED,10X40 | |
REF # | 92150 |
---|---|
PART NUMBER | |
QUANTITY | 1 |
DESTINATION | |
REMARKS |
BOLT,ROD,12X90 | |
REF # | 92150A |
---|---|
PART NUMBER | |
QUANTITY | 2 |
DESTINATION | |
REMARKS |
NUT,LOCK,FLANGED,12MM | |
REF # | 92210 |
---|---|
PART NUMBER | |
QUANTITY | 2 |
DESTINATION | |
REMARKS |