main content of page
Parts Diagrams
OWNER CENTER |

Welcome, Kawasaki owners. Access the information and tools you need to get the most out of your vehicle.
OWNER CENTER |
Welcome, Kawasaki owners. Access the information and tools you need to get the most out of your vehicle.
Parts Diagrams |
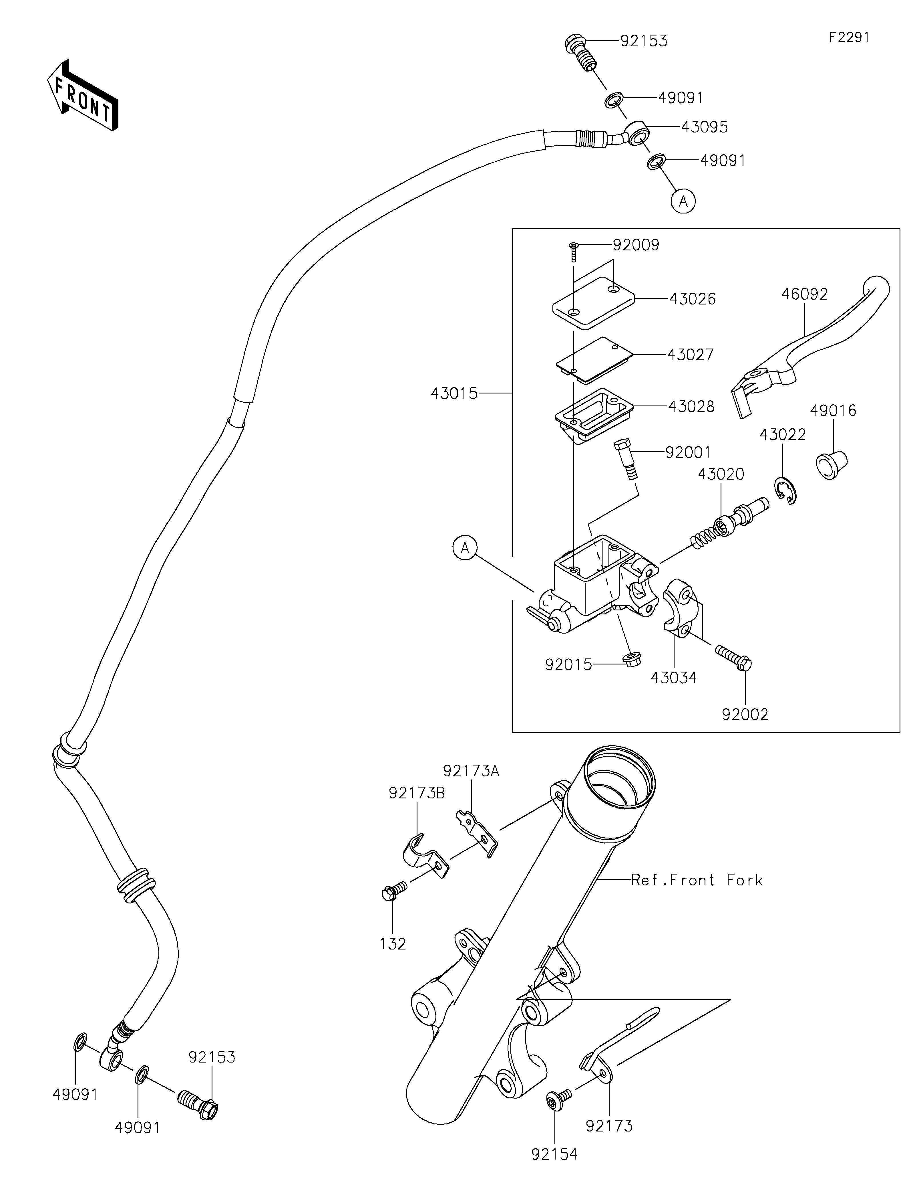
2024 KLX230R S - Front Master Cylinder
43015
43020
43022
43026
43027
43028
43034
43095
46092
49016
49091
49091
49091
49091
92001
92002
92009
92015
92153
92153
92154
92173
92173A
92173B
132
ITEM NAME | REF # | PART NUMBER | QUANTITY | DESTINATION | REMARKS |
---|---|---|---|---|---|
CYLINDER-ASSY-MASTER,FR | 43015 | 43015-0726 | 1 | ||
PISTON-COMP-BRAKE | 43020 | 43020-0036 | 1 | ||
STOPPER-BRAKE,PISTON | 43022 | 43022-0004 | 1 | ||
CAP-BRAKE | 43026 | 43026-1082 | 1 | ||
PLATE-DIAPHRAGM | 43027 | 43027-1057 | 1 | ||
DIAPHRAGM | 43028 | 43028-1061 | 1 | ||
HOLDER-BRAKE,MASTER CYLINDER | 43034 | 43034-1016 | 1 | ||
HOSE-BRAKE,M/CYLINDER-CALIPER | 43095 | 43095-1733 | 1 | ||
LEVER-GRIP,FRONT BRAKE | 46092 | 46092-0044 | 1 | ||
COVER-SEAL,MASTER CYLINDER | 49016 | 49016-1044 | 1 | ||
WASHER-SEAL,10.1X14.5X1.5 | 49091 | 49091-0001 | 4 | ||
BOLT,FRONT BRAKE LEVER | 92001 | 92001-1728 | 1 | ||
BOLT | 92002 | 92002-1894 | 2 | ||
SCREW,4MM | 92009 | 92009-1458 | 2 | ||
NUT,FLANGED,6MM,BLACK | 92015 | 92015-1233 | 1 | ||
BOLT,OIL,L=23 | 92153 | 92153-0029 | 2 | ||
BOLT,SOCKET,6X14 | 92154 | 92154-3763 | 1 | ||
CLAMP,BRAKE HOSE,CALIPER | 92173 | 92173-1972 | 1 | ||
CLAMP,BRAKE HOSE,FORK | 92173A | 92173-1974 | 1 | ||
CLAMP,BRAKE HOSE,FORK | 92173B | 92173-1975 | 1 | ||
BOLT-FLANGED-SMALL,6X14 | 132 | 132BA0614 | 1 |
CYLINDER-ASSY-MASTER,FR | |
REF # | 43015 |
---|---|
PART NUMBER | |
QUANTITY | 1 |
DESTINATION | |
REMARKS |
PISTON-COMP-BRAKE | |
REF # | 43020 |
---|---|
PART NUMBER | |
QUANTITY | 1 |
DESTINATION | |
REMARKS |
STOPPER-BRAKE,PISTON | |
REF # | 43022 |
---|---|
PART NUMBER | |
QUANTITY | 1 |
DESTINATION | |
REMARKS |
CAP-BRAKE | |
REF # | 43026 |
---|---|
PART NUMBER | |
QUANTITY | 1 |
DESTINATION | |
REMARKS |
PLATE-DIAPHRAGM | |
REF # | 43027 |
---|---|
PART NUMBER | |
QUANTITY | 1 |
DESTINATION | |
REMARKS |
DIAPHRAGM | |
REF # | 43028 |
---|---|
PART NUMBER | |
QUANTITY | 1 |
DESTINATION | |
REMARKS |
HOLDER-BRAKE,MASTER CYLINDER | |
REF # | 43034 |
---|---|
PART NUMBER | |
QUANTITY | 1 |
DESTINATION | |
REMARKS |
HOSE-BRAKE,M/CYLINDER-CALIPER | |
REF # | 43095 |
---|---|
PART NUMBER | |
QUANTITY | 1 |
DESTINATION | |
REMARKS |
LEVER-GRIP,FRONT BRAKE | |
REF # | 46092 |
---|---|
PART NUMBER | |
QUANTITY | 1 |
DESTINATION | |
REMARKS |
COVER-SEAL,MASTER CYLINDER | |
REF # | 49016 |
---|---|
PART NUMBER | |
QUANTITY | 1 |
DESTINATION | |
REMARKS |
WASHER-SEAL,10.1X14.5X1.5 | |
REF # | 49091 |
---|---|
PART NUMBER | |
QUANTITY | 4 |
DESTINATION | |
REMARKS |
BOLT,FRONT BRAKE LEVER | |
REF # | 92001 |
---|---|
PART NUMBER | |
QUANTITY | 1 |
DESTINATION | |
REMARKS |
BOLT | |
REF # | 92002 |
---|---|
PART NUMBER | |
QUANTITY | 2 |
DESTINATION | |
REMARKS |
SCREW,4MM | |
REF # | 92009 |
---|---|
PART NUMBER | |
QUANTITY | 2 |
DESTINATION | |
REMARKS |
NUT,FLANGED,6MM,BLACK | |
REF # | 92015 |
---|---|
PART NUMBER | |
QUANTITY | 1 |
DESTINATION | |
REMARKS |
BOLT,OIL,L=23 | |
REF # | 92153 |
---|---|
PART NUMBER | |
QUANTITY | 2 |
DESTINATION | |
REMARKS |
BOLT,SOCKET,6X14 | |
REF # | 92154 |
---|---|
PART NUMBER | |
QUANTITY | 1 |
DESTINATION | |
REMARKS |
CLAMP,BRAKE HOSE,CALIPER | |
REF # | 92173 |
---|---|
PART NUMBER | |
QUANTITY | 1 |
DESTINATION | |
REMARKS |
CLAMP,BRAKE HOSE,FORK | |
REF # | 92173A |
---|---|
PART NUMBER | |
QUANTITY | 1 |
DESTINATION | |
REMARKS |
CLAMP,BRAKE HOSE,FORK | |
REF # | 92173B |
---|---|
PART NUMBER | |
QUANTITY | 1 |
DESTINATION | |
REMARKS |
BOLT-FLANGED-SMALL,6X14 | |
REF # | 132 |
---|---|
PART NUMBER | |
QUANTITY | 1 |
DESTINATION | |
REMARKS |