main content of page
Parts Diagrams
OWNER CENTER |
Welcome, Kawasaki owners. Access the information and tools you need to get the most out of your vehicle.
OWNER CENTER |
Welcome, Kawasaki owners. Access the information and tools you need to get the most out of your vehicle.
Parts Diagrams |
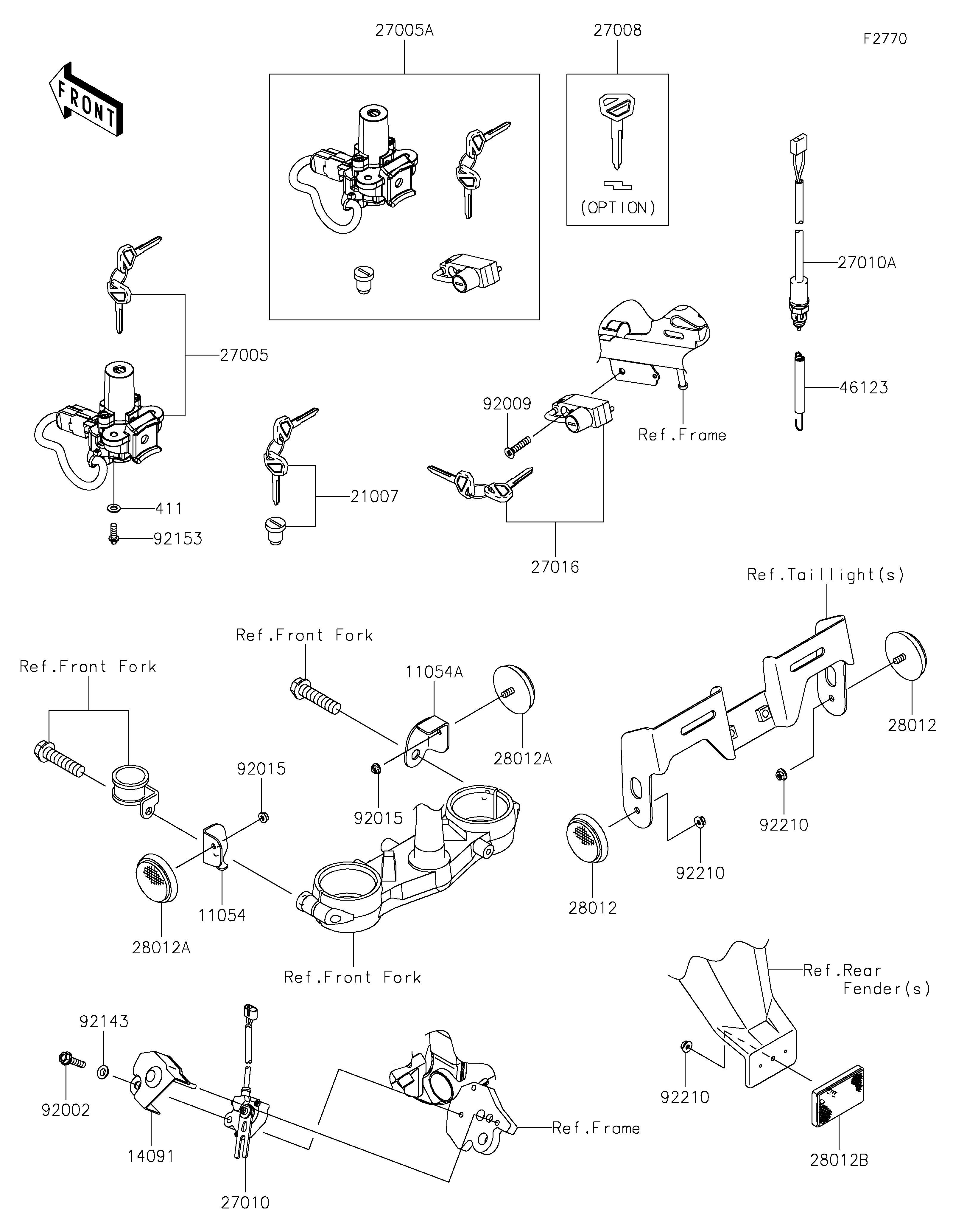
11054
11054A
14091
21007
27005
27005A
27008
27010
27010A
27016
28012
28012
28012A
28012A
28012B
46123
92002
92009
92015
92015
92143
92153
92210
92210
92210
411
| ITEM NAME | REF # | PART NUMBER | QUANTITY | DESTINATION | REMARKS |
|---|---|---|---|---|---|
| BRACKET,REFLECTOR,FR,LH | 11054 | 11054-0367 | 1 | ||
| BRACKET,REFLECTOR,FR,RH | 11054A | 11054-0368 | 1 | ||
| COVER,SIDE STAND SWITCH | 14091 | 14091-1553 | 1 | ||
| ROTOR,LOCK,TANK CAP | 21007 | 21007-5040 | 1 | ||
| SWITCH-ASSY-IGNITION | 27005 | 27005-0697 | 1 | ||
| SWITCH-ASSY-IGNITION | 27005A | 27005-5185 | 1 | ||
| KEY-LOCK,BLANK | 27008 | 27008-1170 | 1 | (OPTION) | |
| SWITCH,SIDE STAND | 27010 | 27010-0097 | 1 | ||
| SWITCH,REAR BRAKE | 27010A | 27010-1489 | 1 | ||
| LOCK-ASSY,HELMET | 27016 | 27016-5207 | 1 | ||
| REFLECTOR-REFLEX | 28012 | 28012-0002 | 2 | ||
| REFLECTOR-REFLEX,FR | 28012A | 28012-016 | 2 | ||
| REFLECTOR-REFLEX | 28012B | 28012-1088 | 1 | ||
| SPRING-COMP,REAR BRAKE SWITCH | 46123 | 46123-0008 | 1 | ||
| BOLT,FLANGED,6X25 | 92002 | 92002-1582 | 1 | ||
| SCREW,6X30 | 92009 | 92009-1753 | 1 | ||
| NUT,FLANGED,5MM | 92015 | 92015-1259 | 2 | ||
| COLLAR | 92143 | 92143-1331 | 1 | ||
| BOLT,TORX,6X16 | 92153 | 92153-1426 | 2 | ||
| NUT,FLANGED,5MM | 92210 | 92210-0007 | 3 | ||
| WASHER-PLAIN,6MM | 411 | 411AA0600 | 2 |
| BRACKET,REFLECTOR,FR,LH | |
| REF # | 11054 |
|---|---|
| PART NUMBER | |
| QUANTITY | 1 |
| DESTINATION | |
| REMARKS | |
| BRACKET,REFLECTOR,FR,RH | |
| REF # | 11054A |
|---|---|
| PART NUMBER | |
| QUANTITY | 1 |
| DESTINATION | |
| REMARKS | |
| COVER,SIDE STAND SWITCH | |
| REF # | 14091 |
|---|---|
| PART NUMBER | |
| QUANTITY | 1 |
| DESTINATION | |
| REMARKS | |
| ROTOR,LOCK,TANK CAP | |
| REF # | 21007 |
|---|---|
| PART NUMBER | |
| QUANTITY | 1 |
| DESTINATION | |
| REMARKS | |
| SWITCH-ASSY-IGNITION | |
| REF # | 27005 |
|---|---|
| PART NUMBER | |
| QUANTITY | 1 |
| DESTINATION | |
| REMARKS | |
| SWITCH-ASSY-IGNITION | |
| REF # | 27005A |
|---|---|
| PART NUMBER | |
| QUANTITY | 1 |
| DESTINATION | |
| REMARKS | |
| KEY-LOCK,BLANK | |
| REF # | 27008 |
|---|---|
| PART NUMBER | |
| QUANTITY | 1 |
| DESTINATION | |
| REMARKS | (OPTION) |
| SWITCH,SIDE STAND | |
| REF # | 27010 |
|---|---|
| PART NUMBER | |
| QUANTITY | 1 |
| DESTINATION | |
| REMARKS | |
| SWITCH,REAR BRAKE | |
| REF # | 27010A |
|---|---|
| PART NUMBER | |
| QUANTITY | 1 |
| DESTINATION | |
| REMARKS | |
| LOCK-ASSY,HELMET | |
| REF # | 27016 |
|---|---|
| PART NUMBER | |
| QUANTITY | 1 |
| DESTINATION | |
| REMARKS | |
| REFLECTOR-REFLEX | |
| REF # | 28012 |
|---|---|
| PART NUMBER | |
| QUANTITY | 2 |
| DESTINATION | |
| REMARKS | |
| REFLECTOR-REFLEX,FR | |
| REF # | 28012A |
|---|---|
| PART NUMBER | |
| QUANTITY | 2 |
| DESTINATION | |
| REMARKS | |
| REFLECTOR-REFLEX | |
| REF # | 28012B |
|---|---|
| PART NUMBER | |
| QUANTITY | 1 |
| DESTINATION | |
| REMARKS | |
| SPRING-COMP,REAR BRAKE SWITCH | |
| REF # | 46123 |
|---|---|
| PART NUMBER | |
| QUANTITY | 1 |
| DESTINATION | |
| REMARKS | |
| BOLT,FLANGED,6X25 | |
| REF # | 92002 |
|---|---|
| PART NUMBER | |
| QUANTITY | 1 |
| DESTINATION | |
| REMARKS | |
| SCREW,6X30 | |
| REF # | 92009 |
|---|---|
| PART NUMBER | |
| QUANTITY | 1 |
| DESTINATION | |
| REMARKS | |
| NUT,FLANGED,5MM | |
| REF # | 92015 |
|---|---|
| PART NUMBER | |
| QUANTITY | 2 |
| DESTINATION | |
| REMARKS | |
| COLLAR | |
| REF # | 92143 |
|---|---|
| PART NUMBER | |
| QUANTITY | 1 |
| DESTINATION | |
| REMARKS | |
| BOLT,TORX,6X16 | |
| REF # | 92153 |
|---|---|
| PART NUMBER | |
| QUANTITY | 2 |
| DESTINATION | |
| REMARKS | |
| NUT,FLANGED,5MM | |
| REF # | 92210 |
|---|---|
| PART NUMBER | |
| QUANTITY | 3 |
| DESTINATION | |
| REMARKS | |
| WASHER-PLAIN,6MM | |
| REF # | 411 |
|---|---|
| PART NUMBER | |
| QUANTITY | 2 |
| DESTINATION | |
| REMARKS | |