main content of page
Parts Diagrams
OWNER CENTER |

Welcome, Kawasaki owners. Access the information and tools you need to get the most out of your vehicle.
OWNER CENTER |
Welcome, Kawasaki owners. Access the information and tools you need to get the most out of your vehicle.
Parts Diagrams |
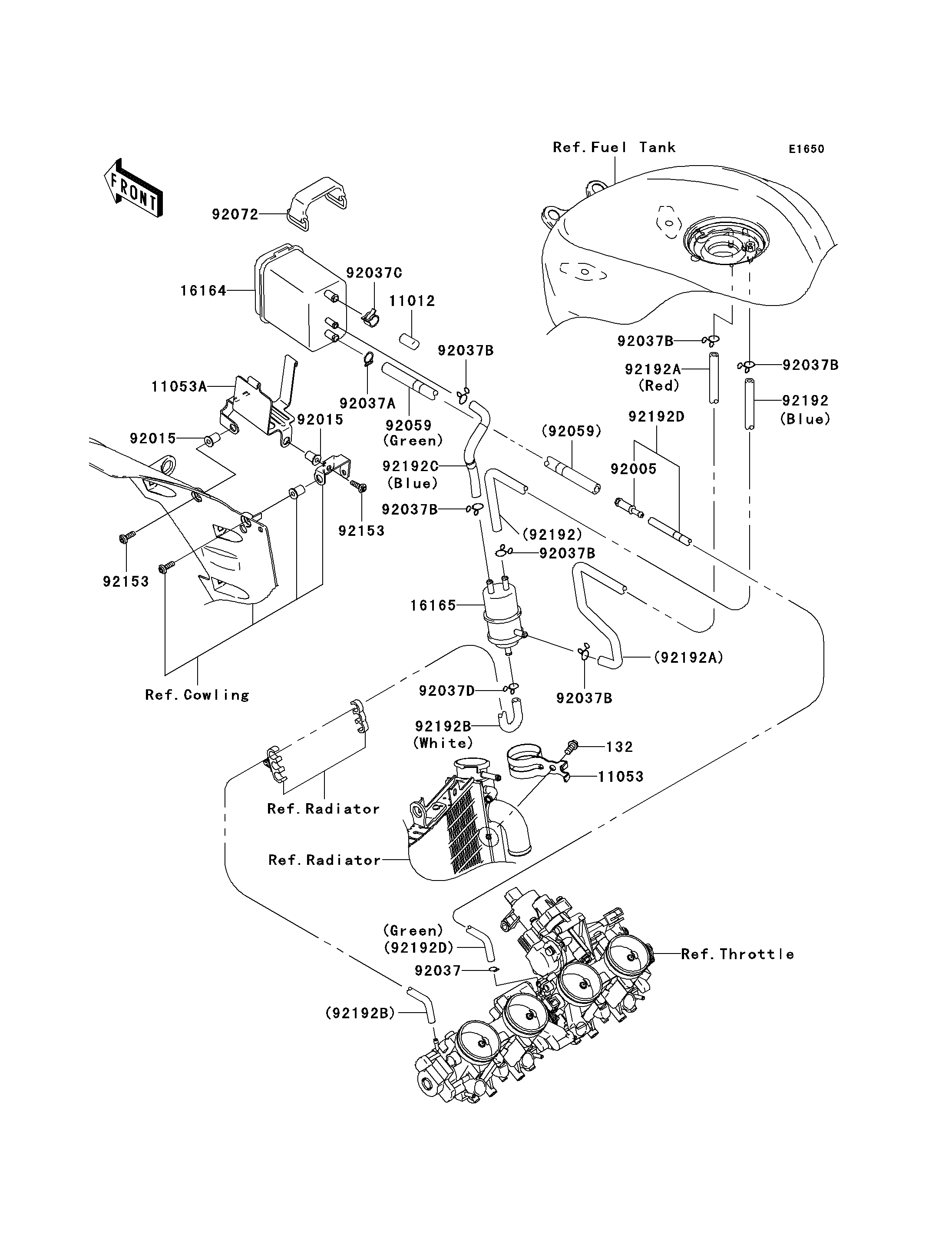
2005 Ninja® ZX™-10R - Fuel Evaporative System
ITEM NAME | REF # | PART NUMBER | QUANTITY | DESTINATION | REMARKS |
---|---|---|---|---|---|
BOLT-FLANGED-SMALL | 132 | 132L0614 | 1 | CA | |
CAP,CANISTER | 11012 | 11012-1388 | 1 | CA | |
BRACKET,SEPARATOR | 11053 | 11053-0453 | 1 | CA | |
BRACKET,CANISTER | 11053A | 11053-0959 | 1 | CA | |
CANISTER | 16164 | 16164-1001 | 1 | CA | |
SEPARATOR | 16165 | 16165-1001 | 1 | CA | |
FITTING | 92005 | 92005-0032 | 1 | CA | |
NUT,WELL,5MM | 92015 | 92015-1757 | 2 | CA | |
CLAMP,TUBE | 92037 | 92037-010 | 1 | CA | |
CLAMP,HOSE | 92037A | 92037-1104 | 1 | CA | |
CLAMP,TUBE | 92037B | 92037-147 | 6 | CA | |
CLAMP,CANISTER | 92037C | 92037-1512 | 1 | CA | |
CLAMP | 92037D | 92037-1712 | 1 | CA | |
TUBE,7X12X200,GREEN | 92059 | 92059-1642 | 1 | CA | |
BAND,L=50 | 92072 | 92072-1419 | 1 | CA | |
BOLT,SOCKET,5X16 | 92153 | 92153-1244 | 2 | CA | |
TUBE,FUEL TANK-SEPARATOR,BLUE | 92192 | 92192-0042 | 1 | CA | |
TUBE,SEPARATOR-FUEL TANK,RED | 92192A | 92192-0043 | 1 | CA | |
TUBE,THROTTLE-SEPARATOR,WHITE | 92192B | 92192-0158 | 1 | CA | |
TUBE,SEPARATOR-CANISTER,BLUE | 92192C | 92192-0162 | 1 | CA | |
TUBE,CANISTER-THROTTLE,GREEN | 92192D | 92192-0193 | 1 | CA |
BOLT-FLANGED-SMALL | |
REF # | 132 |
---|---|
PART NUMBER | |
QUANTITY | 1 |
DESTINATION | CA |
REMARKS |
CAP,CANISTER | |
REF # | 11012 |
---|---|
PART NUMBER | |
QUANTITY | 1 |
DESTINATION | CA |
REMARKS |
BRACKET,SEPARATOR | |
REF # | 11053 |
---|---|
PART NUMBER | |
QUANTITY | 1 |
DESTINATION | CA |
REMARKS |
BRACKET,CANISTER | |
REF # | 11053A |
---|---|
PART NUMBER | |
QUANTITY | 1 |
DESTINATION | CA |
REMARKS |
CANISTER | |
REF # | 16164 |
---|---|
PART NUMBER | |
QUANTITY | 1 |
DESTINATION | CA |
REMARKS |
SEPARATOR | |
REF # | 16165 |
---|---|
PART NUMBER | |
QUANTITY | 1 |
DESTINATION | CA |
REMARKS |
FITTING | |
REF # | 92005 |
---|---|
PART NUMBER | |
QUANTITY | 1 |
DESTINATION | CA |
REMARKS |
NUT,WELL,5MM | |
REF # | 92015 |
---|---|
PART NUMBER | |
QUANTITY | 2 |
DESTINATION | CA |
REMARKS |
CLAMP,TUBE | |
REF # | 92037 |
---|---|
PART NUMBER | |
QUANTITY | 1 |
DESTINATION | CA |
REMARKS |
CLAMP,HOSE | |
REF # | 92037A |
---|---|
PART NUMBER | |
QUANTITY | 1 |
DESTINATION | CA |
REMARKS |
CLAMP,TUBE | |
REF # | 92037B |
---|---|
PART NUMBER | |
QUANTITY | 6 |
DESTINATION | CA |
REMARKS |
CLAMP,CANISTER | |
REF # | 92037C |
---|---|
PART NUMBER | |
QUANTITY | 1 |
DESTINATION | CA |
REMARKS |
CLAMP | |
REF # | 92037D |
---|---|
PART NUMBER | |
QUANTITY | 1 |
DESTINATION | CA |
REMARKS |
TUBE,7X12X200,GREEN | |
REF # | 92059 |
---|---|
PART NUMBER | |
QUANTITY | 1 |
DESTINATION | CA |
REMARKS |
BAND,L=50 | |
REF # | 92072 |
---|---|
PART NUMBER | |
QUANTITY | 1 |
DESTINATION | CA |
REMARKS |
BOLT,SOCKET,5X16 | |
REF # | 92153 |
---|---|
PART NUMBER | |
QUANTITY | 2 |
DESTINATION | CA |
REMARKS |
TUBE,FUEL TANK-SEPARATOR,BLUE | |
REF # | 92192 |
---|---|
PART NUMBER | |
QUANTITY | 1 |
DESTINATION | CA |
REMARKS |
TUBE,SEPARATOR-FUEL TANK,RED | |
REF # | 92192A |
---|---|
PART NUMBER | |
QUANTITY | 1 |
DESTINATION | CA |
REMARKS |
TUBE,THROTTLE-SEPARATOR,WHITE | |
REF # | 92192B |
---|---|
PART NUMBER | |
QUANTITY | 1 |
DESTINATION | CA |
REMARKS |
TUBE,SEPARATOR-CANISTER,BLUE | |
REF # | 92192C |
---|---|
PART NUMBER | |
QUANTITY | 1 |
DESTINATION | CA |
REMARKS |
TUBE,CANISTER-THROTTLE,GREEN | |
REF # | 92192D |
---|---|
PART NUMBER | |
QUANTITY | 1 |
DESTINATION | CA |
REMARKS |