Skip to main content

Parts Diagrams

customer service agent speaking with a customer

Welcome, Kawasaki owners. Access the information and tools you need to get the most out of your vehicle.

Welcome, Kawasaki owners. Access the information and tools you need to get the most out of your vehicle.

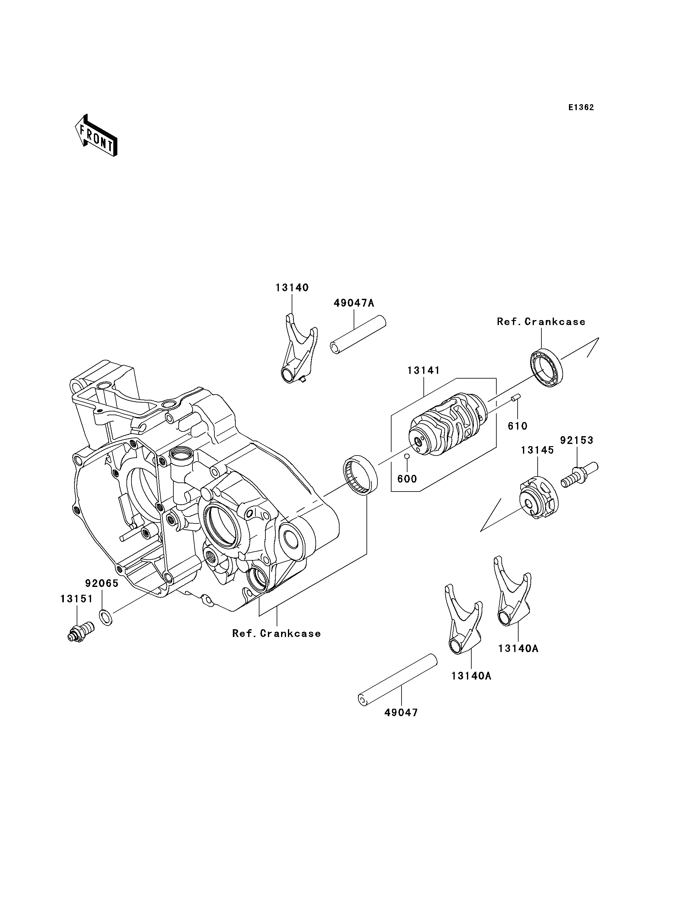
2009 KX250F - Gear Change Drum/Shift Fork(s)

600
610
13140
13140A
13140A
13141
13145
13151
49047
49047A
92065
92153
Part Item Information
ITEM NAME REF # PART NUMBER QUANTITY DESTINATION REMARKS
BALL-STEEL,7/32" 600 600A0700 1
ROLLER,4X8 610 610A0408 1
FORK-SHIFT,IN 13140 13140-0056 1
FORK-SHIFT,OUT 13140A 13140-0057 2
DRUM-CHANGE 13141 13141-0045 1
CAM-CHANGE DRUM 13145 13145-0031 1
SWITCH-COMP,NEUTRAL 13151 13151-0006 1
ROD-SHIFT,OUTPUT,L=94.5 49047 49047-0003 1
ROD-SHIFT,INPUT,L=63 49047A 49047-0004 1
GASKET,10.5X16X1 92065 92065-058 1
BOLT 92153 92153-1735 1