main content of page
Parts Diagrams
OWNER CENTER |

Welcome, Kawasaki owners. Access the information and tools you need to get the most out of your vehicle.
OWNER CENTER |
Welcome, Kawasaki owners. Access the information and tools you need to get the most out of your vehicle.
Parts Diagrams |
56030
56030
56031
56031
56033
56033
56033A
56033A
56033B
56033B
56033C
56033C
56033D
56033D
56038
56038
56053A
56053A
56070
56070
56070A
56070A
56070B
56070B
56070F
56070F
56071
56071
56071B
56071B
56071D
56071D
56071F
56071F
56071J
56071J
56071N
56071N
56071O
56071O
56071P
56071P
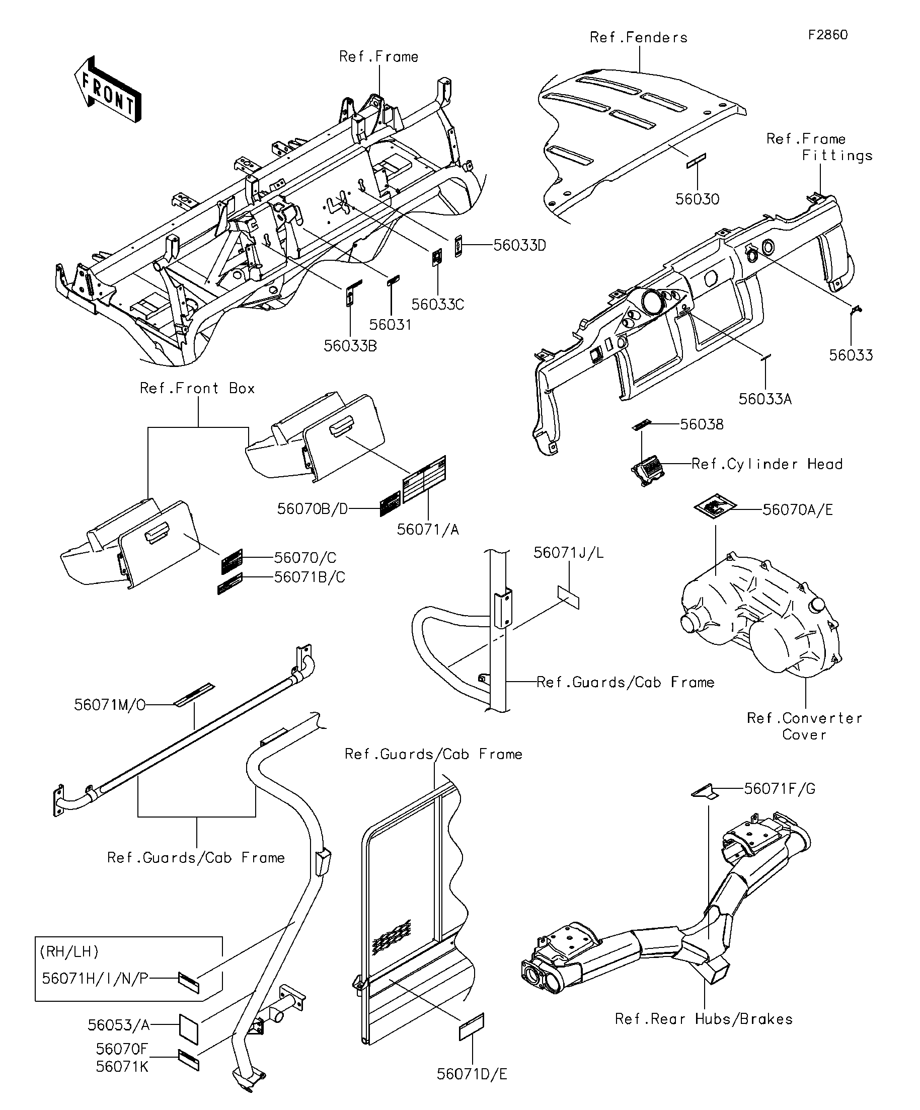
ITEM NAME | REF # | PART NUMBER | QUANTITY | DESTINATION | REMARKS |
---|---|---|---|---|---|
LABEL,OPERATING HOOD | 56030 | 56030-0267 | 1 | ||
LABEL-MANUAL,BRAKE FLUID LEVEL | 56031 | 56031-1818 | 1 | ||
LABEL-MANUAL,IGNITION | 56033 | 56033-0212 | 1 | ||
LABEL-MANUAL,POWER STEERING | 56033A | 56033-0213 | 1 | ||
LABEL-MANUAL,DIFF MODE | 56033B | 56033-1183 | 1 | ||
LABEL-MANUAL,SHIFT | 56033C | 56033-1186 | 1 | ||
LABEL-MANUAL,2WD/4WD | 56033D | 56033-1187 | 1 | ||
LABEL-BRAND | 56038 | 56038-2782 | 1 | ||
LABEL-SPECIFICATION,TIRE | 56053A | 56053-7534 | 1 | ||
LABEL-WARNING,OFF-HIGHWAY | 56070 | 56070-0050 | 1 | ||
LABEL-WARNING,HOT SURFACES | 56070A | 56070-0051 | 1 | ||
LABEL-WARNING,BONNET OPERATION | 56070B | 56070-0053 | 1 | ||
LABEL-WARNING,BED RAISED | 56070F | 56070-7515 | 1 | ||
LABEL-WARNING,GENERAL | 56071 | 56071-0102 | 1 | ||
LABEL-WARNING,SHIFT CAUTION | 56071B | 56071-0128 | 1 | ||
LABEL-WARNING,CARGO BED | 56071D | 56071-0137 | 1 | ||
LABEL-WARNING,TRAILER HITCH | 56071F | 56071-0332 | 1 | ||
LABEL-WARNING,GASOLINE | 56071J | 56071-7501 | 1 | ||
LABEL,FINGERS PINCH | 56071N | 56071-7508 | 2 | CN | |
LABEL-WARNING,REAR SEAT | 56071O | 56071-7513 | 1 | ||
LABEL-WARNING,CAB FRAME | 56071P | 56071-7514 | 2 |
LABEL,OPERATING HOOD | |
REF # | 56030 |
---|---|
PART NUMBER | |
QUANTITY | 1 |
DESTINATION | |
REMARKS |
LABEL-MANUAL,BRAKE FLUID LEVEL | |
REF # | 56031 |
---|---|
PART NUMBER | |
QUANTITY | 1 |
DESTINATION | |
REMARKS |
LABEL-MANUAL,IGNITION | |
REF # | 56033 |
---|---|
PART NUMBER | |
QUANTITY | 1 |
DESTINATION | |
REMARKS |
LABEL-MANUAL,POWER STEERING | |
REF # | 56033A |
---|---|
PART NUMBER | |
QUANTITY | 1 |
DESTINATION | |
REMARKS |
LABEL-MANUAL,DIFF MODE | |
REF # | 56033B |
---|---|
PART NUMBER | |
QUANTITY | 1 |
DESTINATION | |
REMARKS |
LABEL-MANUAL,SHIFT | |
REF # | 56033C |
---|---|
PART NUMBER | |
QUANTITY | 1 |
DESTINATION | |
REMARKS |
LABEL-MANUAL,2WD/4WD | |
REF # | 56033D |
---|---|
PART NUMBER | |
QUANTITY | 1 |
DESTINATION | |
REMARKS |
LABEL-BRAND | |
REF # | 56038 |
---|---|
PART NUMBER | |
QUANTITY | 1 |
DESTINATION | |
REMARKS |
LABEL-SPECIFICATION,TIRE | |
REF # | 56053A |
---|---|
PART NUMBER | |
QUANTITY | 1 |
DESTINATION | |
REMARKS |
LABEL-WARNING,OFF-HIGHWAY | |
REF # | 56070 |
---|---|
PART NUMBER | |
QUANTITY | 1 |
DESTINATION | |
REMARKS |
LABEL-WARNING,HOT SURFACES | |
REF # | 56070A |
---|---|
PART NUMBER | |
QUANTITY | 1 |
DESTINATION | |
REMARKS |
LABEL-WARNING,BONNET OPERATION | |
REF # | 56070B |
---|---|
PART NUMBER | |
QUANTITY | 1 |
DESTINATION | |
REMARKS |
LABEL-WARNING,BED RAISED | |
REF # | 56070F |
---|---|
PART NUMBER | |
QUANTITY | 1 |
DESTINATION | |
REMARKS |
LABEL-WARNING,GENERAL | |
REF # | 56071 |
---|---|
PART NUMBER | |
QUANTITY | 1 |
DESTINATION | |
REMARKS |
LABEL-WARNING,SHIFT CAUTION | |
REF # | 56071B |
---|---|
PART NUMBER | |
QUANTITY | 1 |
DESTINATION | |
REMARKS |
LABEL-WARNING,CARGO BED | |
REF # | 56071D |
---|---|
PART NUMBER | |
QUANTITY | 1 |
DESTINATION | |
REMARKS |
LABEL-WARNING,TRAILER HITCH | |
REF # | 56071F |
---|---|
PART NUMBER | |
QUANTITY | 1 |
DESTINATION | |
REMARKS |
LABEL-WARNING,GASOLINE | |
REF # | 56071J |
---|---|
PART NUMBER | |
QUANTITY | 1 |
DESTINATION | |
REMARKS |
LABEL,FINGERS PINCH | |
REF # | 56071N |
---|---|
PART NUMBER | |
QUANTITY | 2 |
DESTINATION | CN |
REMARKS |
LABEL-WARNING,REAR SEAT | |
REF # | 56071O |
---|---|
PART NUMBER | |
QUANTITY | 1 |
DESTINATION | |
REMARKS |
LABEL-WARNING,CAB FRAME | |
REF # | 56071P |
---|---|
PART NUMBER | |
QUANTITY | 2 |
DESTINATION | |
REMARKS |