Skip to main content

Parts Diagrams

customer service agent speaking with a customer

Welcome, Kawasaki owners. Access the information and tools you need to get the most out of your vehicle.

Welcome, Kawasaki owners. Access the information and tools you need to get the most out of your vehicle.

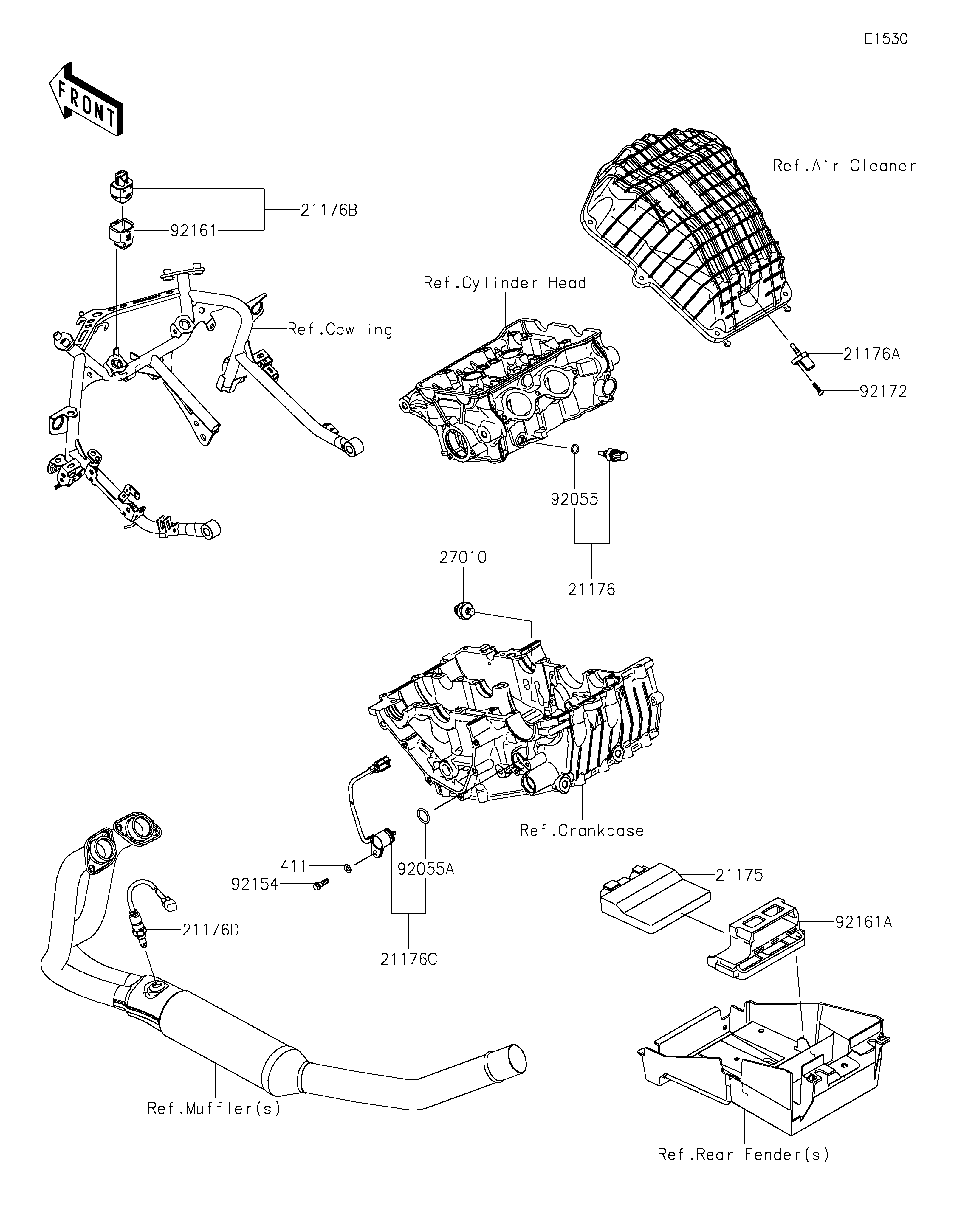
21175
21176
21176A
21176B
21176C
21176D
27010
92055
92055A
92154
92161
92161A
92172
411
Part Item Information
ITEM NAME REF # PART NUMBER QUANTITY DESTINATION REMARKS
CONTROL UNIT-ELECTRONIC 21175 21175-1769 1
SENSOR,WATER TEMP 21176 21176-0009 1
SENSOR,AIR TEMPERATURE 21176A 21176-0048 1
SENSOR,VEHICLE-DOWN 21176B 21176-0704 1
SENSOR,GEAR POSITION 21176C 21176-0852 1
SENSOR,OXYGEN 21176D 21176-1158 1
SWITCH,OIL PRESSURE 27010 27010-1313 1
RING-O,9.5X1.9 92055 92055-0016 1
RING-O 92055A 92055-0917 1
BOLT 92154 92154-3764 1
DAMPER 92161 92161-0951 1
DAMPER 92161A 92161-2437 1
SCREW,TAPPING,5X16 92172 92172-0790 1
WASHER-PLAIN,6MM 411 411AA0600 1