main content of page
Parts Diagrams
OWNER CENTER |

Welcome, Kawasaki owners. Access the information and tools you need to get the most out of your vehicle.
OWNER CENTER |
Welcome, Kawasaki owners. Access the information and tools you need to get the most out of your vehicle.
Parts Diagrams |
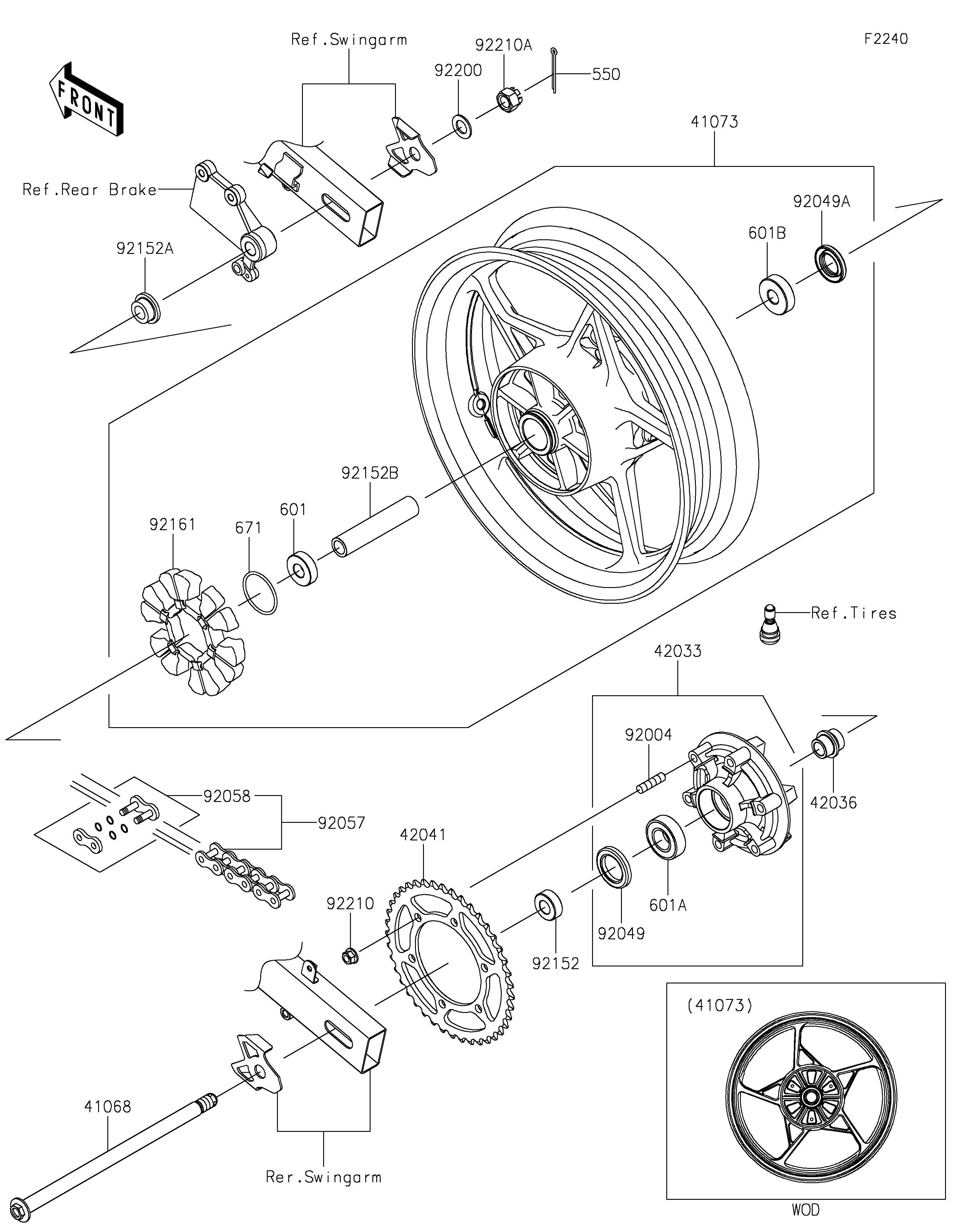
41068
41073
42033
42036
42041
92004
92049
92049A
92057
92058
92152
92152A
92152B
92161
92200
92210
92210A
550
601
601A
601B
671
ITEM NAME | REF # | PART NUMBER | QUANTITY | DESTINATION | REMARKS |
---|---|---|---|---|---|
AXLE,RR,17X322,M16 | 41068 | 41068-0628 | 1 | ||
WHEEL-ASSY,RR,G.BLACK | 41073 | 41073-0753-QT | 1 | ||
COUPLING-ASSY,RR HUB | 42033 | 42033-0574 | 1 | ||
SLEEVE,RR HUB,L=30 | 42036 | 42036-1055 | 1 | ||
SPROCKET-HUB,41T | 42041 | 42041-0162 | 1 | ||
STUD,10X19 | 92004 | 92004-0048 | 6 | ||
SEAL-OIL,35X52X7 | 92049 | 92049-0730 | 1 | ||
SEAL-OIL,27X47X7 | 92049A | 92049-0802 | 1 | ||
CHAIN,DRIVE,EK520SR-O2X106L | 92057 | 92057-0019 | 1 | ||
JOINT-CHAIN,DRIVE | 92058 | 92058-1102 | 1 | ||
COLLAR,17X35X13 | 92152 | 92152-0843 | 1 | ||
COLLAR,17X28(38)X15 | 92152A | 92152-0844 | 1 | ||
COLLAR,17.2X25X121 | 92152B | 92152-2387 | 1 | ||
DAMPER,RR HUB SHOCK | 92161 | 92161-0700 | 1 | ||
WASHER,17.3X30X2 | 92200 | 92200-1916 | 1 | ||
NUT,LOCK,FLANGED,10MM | 92210 | 92210-1139 | 6 | ||
NUT,16MM | 92210A | 92210-1651 | 1 | ||
PIN-COTTER,4.0X35 | 550 | 550AA4035 | 1 | ||
BEARING-BALL,#6203UUC3 | 601 | 601B6203UU | 1 | ||
BEARING-BALL,#6205G | 601A | 601B6205G | 1 | ||
BEARING-BALL,6303LLUC3/2ASU68 | 601B | 601B6303UU | 1 | ||
O RING,50MM | 671 | 671B2550 | 1 |
AXLE,RR,17X322,M16 | |
REF # | 41068 |
---|---|
PART NUMBER | |
QUANTITY | 1 |
DESTINATION | |
REMARKS |
WHEEL-ASSY,RR,G.BLACK | |
REF # | 41073 |
---|---|
PART NUMBER | |
QUANTITY | 1 |
DESTINATION | |
REMARKS |
COUPLING-ASSY,RR HUB | |
REF # | 42033 |
---|---|
PART NUMBER | |
QUANTITY | 1 |
DESTINATION | |
REMARKS |
SLEEVE,RR HUB,L=30 | |
REF # | 42036 |
---|---|
PART NUMBER | |
QUANTITY | 1 |
DESTINATION | |
REMARKS |
SPROCKET-HUB,41T | |
REF # | 42041 |
---|---|
PART NUMBER | |
QUANTITY | 1 |
DESTINATION | |
REMARKS |
STUD,10X19 | |
REF # | 92004 |
---|---|
PART NUMBER | |
QUANTITY | 6 |
DESTINATION | |
REMARKS |
SEAL-OIL,35X52X7 | |
REF # | 92049 |
---|---|
PART NUMBER | |
QUANTITY | 1 |
DESTINATION | |
REMARKS |
SEAL-OIL,27X47X7 | |
REF # | 92049A |
---|---|
PART NUMBER | |
QUANTITY | 1 |
DESTINATION | |
REMARKS |
CHAIN,DRIVE,EK520SR-O2X106L | |
REF # | 92057 |
---|---|
PART NUMBER | |
QUANTITY | 1 |
DESTINATION | |
REMARKS |
JOINT-CHAIN,DRIVE | |
REF # | 92058 |
---|---|
PART NUMBER | |
QUANTITY | 1 |
DESTINATION | |
REMARKS |
COLLAR,17X35X13 | |
REF # | 92152 |
---|---|
PART NUMBER | |
QUANTITY | 1 |
DESTINATION | |
REMARKS |
COLLAR,17X28(38)X15 | |
REF # | 92152A |
---|---|
PART NUMBER | |
QUANTITY | 1 |
DESTINATION | |
REMARKS |
COLLAR,17.2X25X121 | |
REF # | 92152B |
---|---|
PART NUMBER | |
QUANTITY | 1 |
DESTINATION | |
REMARKS |
DAMPER,RR HUB SHOCK | |
REF # | 92161 |
---|---|
PART NUMBER | |
QUANTITY | 1 |
DESTINATION | |
REMARKS |
WASHER,17.3X30X2 | |
REF # | 92200 |
---|---|
PART NUMBER | |
QUANTITY | 1 |
DESTINATION | |
REMARKS |
NUT,LOCK,FLANGED,10MM | |
REF # | 92210 |
---|---|
PART NUMBER | |
QUANTITY | 6 |
DESTINATION | |
REMARKS |
NUT,16MM | |
REF # | 92210A |
---|---|
PART NUMBER | |
QUANTITY | 1 |
DESTINATION | |
REMARKS |
PIN-COTTER,4.0X35 | |
REF # | 550 |
---|---|
PART NUMBER | |
QUANTITY | 1 |
DESTINATION | |
REMARKS |
BEARING-BALL,#6203UUC3 | |
REF # | 601 |
---|---|
PART NUMBER | |
QUANTITY | 1 |
DESTINATION | |
REMARKS |
BEARING-BALL,#6205G | |
REF # | 601A |
---|---|
PART NUMBER | |
QUANTITY | 1 |
DESTINATION | |
REMARKS |
BEARING-BALL,6303LLUC3/2ASU68 | |
REF # | 601B |
---|---|
PART NUMBER | |
QUANTITY | 1 |
DESTINATION | |
REMARKS |
O RING,50MM | |
REF # | 671 |
---|---|
PART NUMBER | |
QUANTITY | 1 |
DESTINATION | |
REMARKS |