main content of page
Parts Diagrams
OWNER CENTER |

Welcome, Kawasaki owners. Access the information and tools you need to get the most out of your vehicle.
OWNER CENTER |
Welcome, Kawasaki owners. Access the information and tools you need to get the most out of your vehicle.
Parts Diagrams |
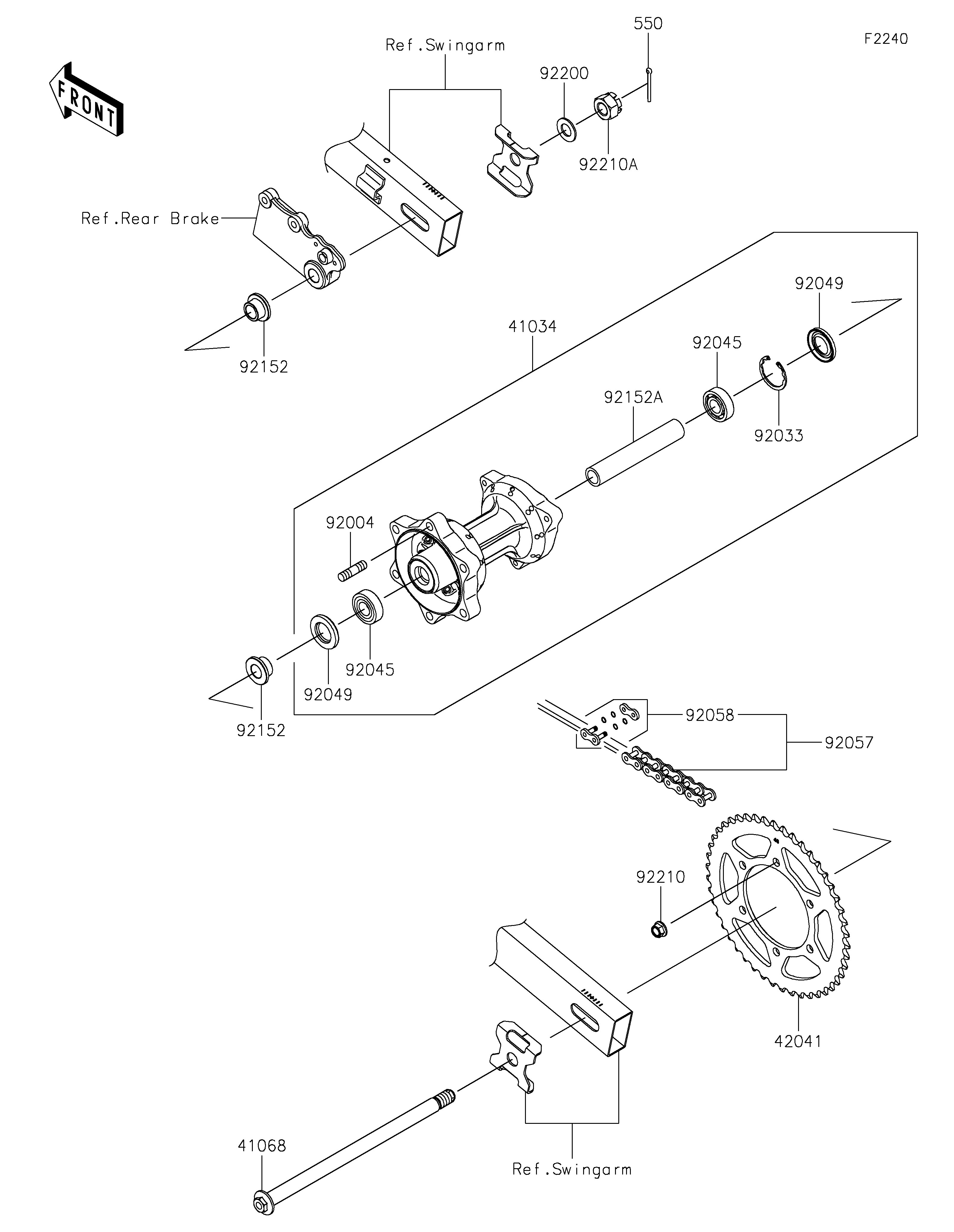
41034
41068
42041
92004
92033
92045
92045
92049
92049
92057
92058
92152
92152
92152A
92200
92210
92210A
550
ITEM NAME | REF # | PART NUMBER | QUANTITY | DESTINATION | REMARKS |
---|---|---|---|---|---|
DRUM-ASSY,RR BRAKE,P.SILVER | 41034 | 41034-0588-458 | 1 | ||
AXLE,RR,17X312 | 41068 | 41068-0624 | 1 | ||
SPROCKET-HUB,46T | 42041 | 42041-0120 | 1 | ||
STUD,10X19 | 92004 | 92004-0048 | 6 | ||
RING-SNAP,40MM | 92033 | 92033-1040 | 1 | ||
BEARING-BALL,17X40X12 | 92045 | 92045-0732 | 2 | ||
SEAL-OIL | 92049 | 92049-0794 | 2 | ||
CHAIN,DRIVE,EK520RM/3DX112L | 92057 | 92057-0647 | 1 | ||
JOINT-CHAIN | 92058 | 92058-0037 | 1 | ||
COLLAR,17X24X16 | 92152 | 92152-2292 | 2 | ||
COLLAR,17.1X24X141 | 92152A | 92152-2317 | 1 | ||
WASHER,16.2X30X2.0 | 92200 | 92200-1842 | 1 | ||
NUT,LOCK,FLANGED,10MM | 92210 | 92210-0276 | 6 | ||
NUT,CASTLE,16MM | 92210A | 92210-1171 | 1 | ||
PIN-COTTER,4.0X35 | 550 | 550AA4035 | 1 |
DRUM-ASSY,RR BRAKE,P.SILVER | |
REF # | 41034 |
---|---|
PART NUMBER | |
QUANTITY | 1 |
DESTINATION | |
REMARKS |
AXLE,RR,17X312 | |
REF # | 41068 |
---|---|
PART NUMBER | |
QUANTITY | 1 |
DESTINATION | |
REMARKS |
SPROCKET-HUB,46T | |
REF # | 42041 |
---|---|
PART NUMBER | |
QUANTITY | 1 |
DESTINATION | |
REMARKS |
STUD,10X19 | |
REF # | 92004 |
---|---|
PART NUMBER | |
QUANTITY | 6 |
DESTINATION | |
REMARKS |
RING-SNAP,40MM | |
REF # | 92033 |
---|---|
PART NUMBER | |
QUANTITY | 1 |
DESTINATION | |
REMARKS |
BEARING-BALL,17X40X12 | |
REF # | 92045 |
---|---|
PART NUMBER | |
QUANTITY | 2 |
DESTINATION | |
REMARKS |
SEAL-OIL | |
REF # | 92049 |
---|---|
PART NUMBER | |
QUANTITY | 2 |
DESTINATION | |
REMARKS |
CHAIN,DRIVE,EK520RM/3DX112L | |
REF # | 92057 |
---|---|
PART NUMBER | |
QUANTITY | 1 |
DESTINATION | |
REMARKS |
JOINT-CHAIN | |
REF # | 92058 |
---|---|
PART NUMBER | |
QUANTITY | 1 |
DESTINATION | |
REMARKS |
COLLAR,17X24X16 | |
REF # | 92152 |
---|---|
PART NUMBER | |
QUANTITY | 2 |
DESTINATION | |
REMARKS |
COLLAR,17.1X24X141 | |
REF # | 92152A |
---|---|
PART NUMBER | |
QUANTITY | 1 |
DESTINATION | |
REMARKS |
WASHER,16.2X30X2.0 | |
REF # | 92200 |
---|---|
PART NUMBER | |
QUANTITY | 1 |
DESTINATION | |
REMARKS |
NUT,LOCK,FLANGED,10MM | |
REF # | 92210 |
---|---|
PART NUMBER | |
QUANTITY | 6 |
DESTINATION | |
REMARKS |
NUT,CASTLE,16MM | |
REF # | 92210A |
---|---|
PART NUMBER | |
QUANTITY | 1 |
DESTINATION | |
REMARKS |
PIN-COTTER,4.0X35 | |
REF # | 550 |
---|---|
PART NUMBER | |
QUANTITY | 1 |
DESTINATION | |
REMARKS |