Skip to main content

Parts Diagrams

customer service agent speaking with a customer

Welcome, Kawasaki owners. Access the information and tools you need to get the most out of your vehicle.

Welcome, Kawasaki owners. Access the information and tools you need to get the most out of your vehicle.

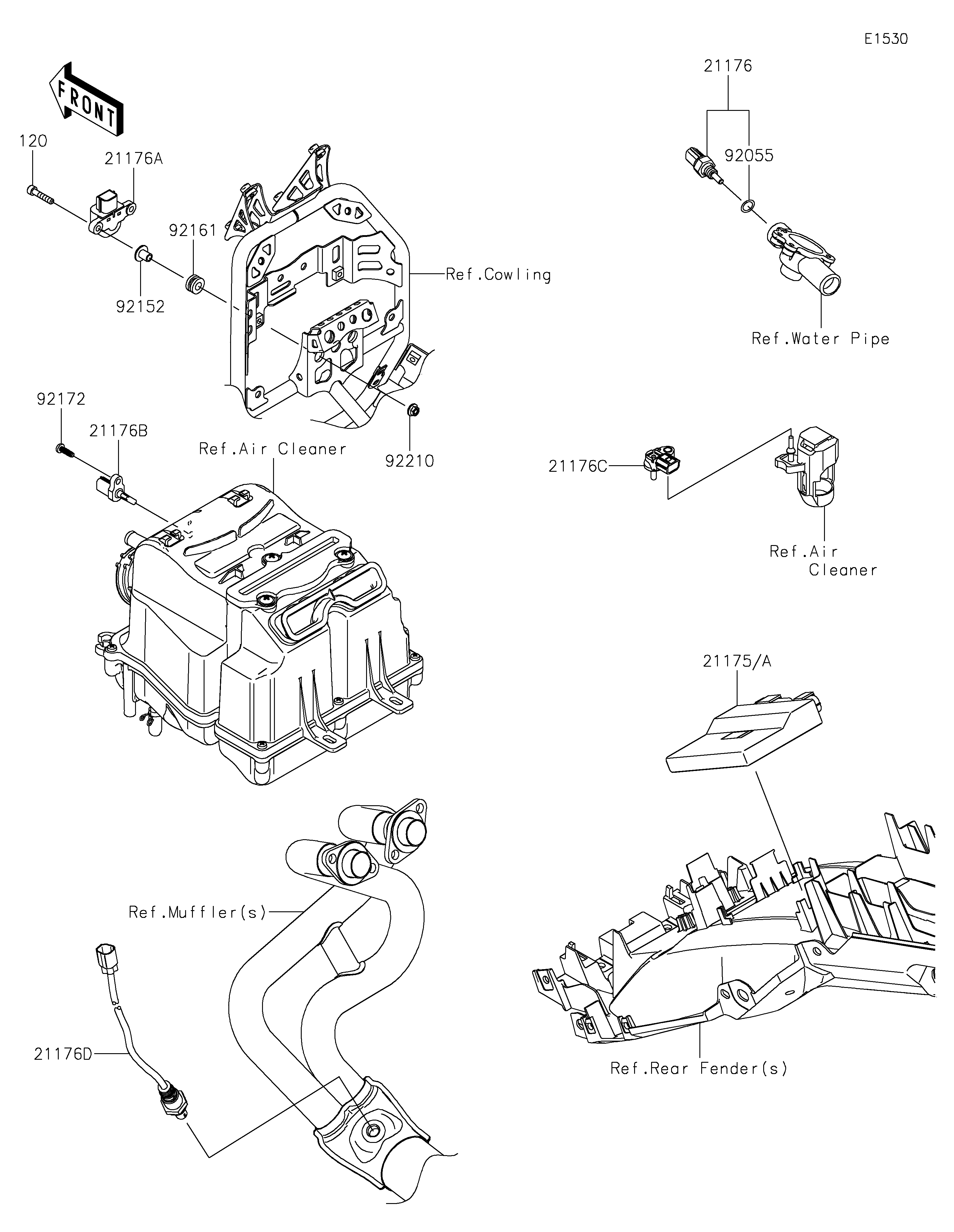
21175A
21176
21176A
21176B
21176C
21176D
92055
92152
92161
92172
92210
120
Part Item Information
ITEM NAME REF # PART NUMBER QUANTITY DESTINATION REMARKS
CONTROL UNIT-ELECTRONIC 21175A 21175-1263 1 CA
SENSOR,WATER TEMP 21176 21176-0009 1
SENSOR,VEHICLE-DOWN 21176A 21176-0026 1
SENSOR,AIR TEMPERATURE 21176B 21176-0048 1
SENSOR,PRESSURE 21176C 21176-0111 1
SENSOR,OXYGEN 21176D 21176-0839 1
RING-O,9.5X1.9 92055 92055-0016 1
COLLAR,5.6X8X11.2 92152 92152-1562 2
DAMPER,8X16X8.6 92161 92161-0685 2
SCREW,TAPPING,5X16 92172 92172-0790 1
NUT,FLANGED,5MM 92210 92210-0007 2
BOLT-SOCKET,5X25 120 120CA0525 2