main content of page
Parts Diagrams
OWNER CENTER |

Welcome, Kawasaki owners. Access the information and tools you need to get the most out of your vehicle.
OWNER CENTER |
Welcome, Kawasaki owners. Access the information and tools you need to get the most out of your vehicle.
Parts Diagrams |
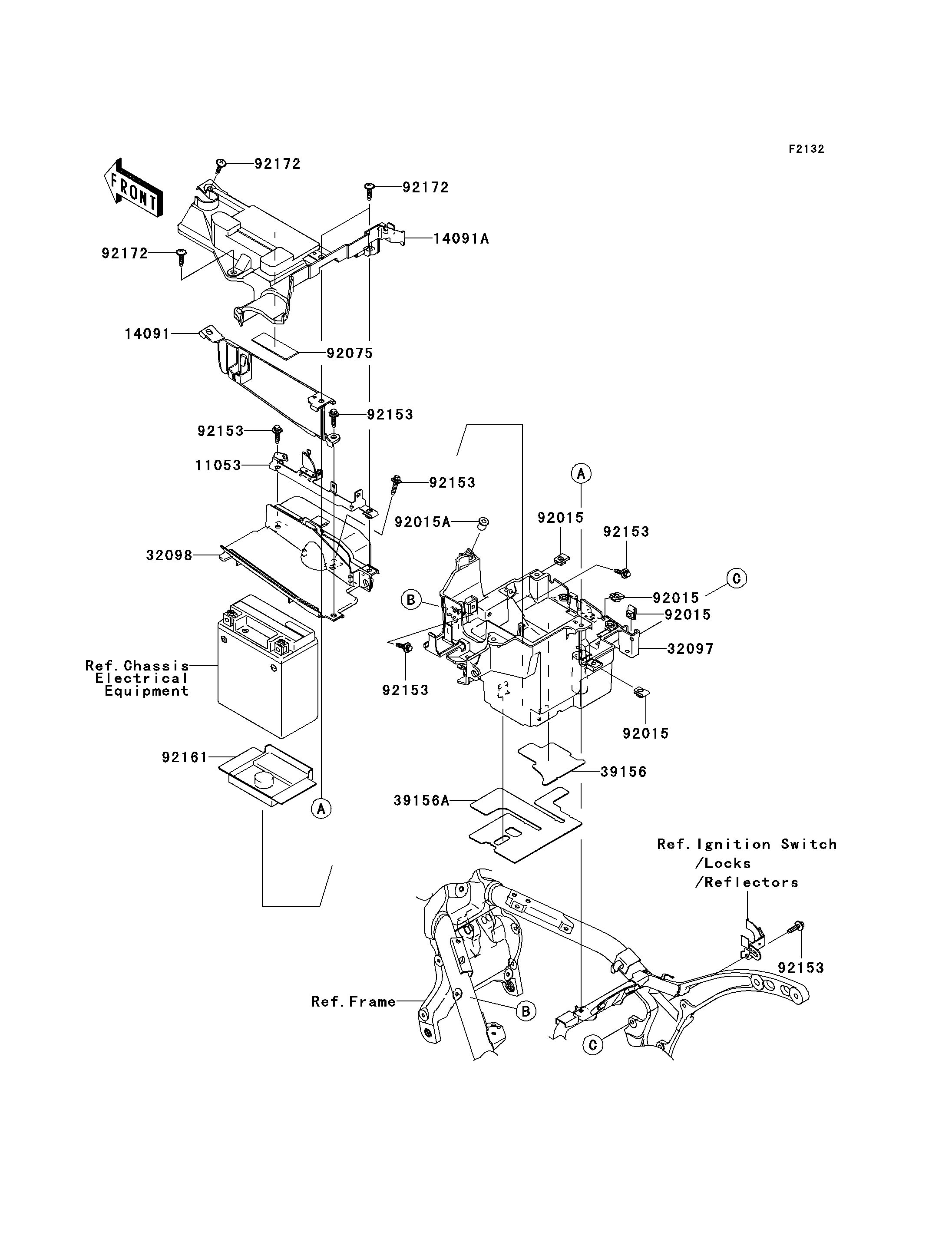
2005 Vulcan 2000 Limited - Battery Case
11053
14091
14091A
32097
32098
39156
39156A
92015
92015
92015
92015
92015A
92075
92153
92153
92153
92153
92153
92153
92161
92172
92172
92172
ITEM NAME | REF # | PART NUMBER | QUANTITY | DESTINATION | REMARKS |
---|---|---|---|---|---|
BRACKET,COUPLER | 11053 | 11053-0905 | 1 | ||
COVER,TOOL CASE | 14091 | 14091-0172 | 1 | ||
COVER,BATTERY | 14091A | 14091-0290 | 1 | ||
CASE-BATTERY | 32097 | 32097-0005 | 1 | ||
CASE-TOOL | 32098 | 32098-0007 | 1 | ||
PAD,BATTERY CASE | 39156 | 39156-0047 | 1 | ||
PAD,BATTERY CASE | 39156A | 39156-0055 | 1 | ||
NUT,6MM | 92015 | 92015-1602 | 4 | ||
NUT | 92015A | 92015-1700 | 1 | ||
DAMPER,BATTERY BAND | 92075 | 92075-1903 | 1 | ||
BOLT,FLANGED,6X26.5 | 92153 | 92153-0654 | 6 | ||
DAMPER,BATTERY | 92161 | 92161-0114 | 1 | ||
SCREW,6X26 | 92172 | 92172-0137 | 4 |
BRACKET,COUPLER | |
REF # | 11053 |
---|---|
PART NUMBER | |
QUANTITY | 1 |
DESTINATION | |
REMARKS |
COVER,TOOL CASE | |
REF # | 14091 |
---|---|
PART NUMBER | |
QUANTITY | 1 |
DESTINATION | |
REMARKS |
COVER,BATTERY | |
REF # | 14091A |
---|---|
PART NUMBER | |
QUANTITY | 1 |
DESTINATION | |
REMARKS |
CASE-BATTERY | |
REF # | 32097 |
---|---|
PART NUMBER | |
QUANTITY | 1 |
DESTINATION | |
REMARKS |
CASE-TOOL | |
REF # | 32098 |
---|---|
PART NUMBER | |
QUANTITY | 1 |
DESTINATION | |
REMARKS |
PAD,BATTERY CASE | |
REF # | 39156 |
---|---|
PART NUMBER | |
QUANTITY | 1 |
DESTINATION | |
REMARKS |
PAD,BATTERY CASE | |
REF # | 39156A |
---|---|
PART NUMBER | |
QUANTITY | 1 |
DESTINATION | |
REMARKS |
NUT,6MM | |
REF # | 92015 |
---|---|
PART NUMBER | |
QUANTITY | 4 |
DESTINATION | |
REMARKS |
NUT | |
REF # | 92015A |
---|---|
PART NUMBER | |
QUANTITY | 1 |
DESTINATION | |
REMARKS |
DAMPER,BATTERY BAND | |
REF # | 92075 |
---|---|
PART NUMBER | |
QUANTITY | 1 |
DESTINATION | |
REMARKS |
BOLT,FLANGED,6X26.5 | |
REF # | 92153 |
---|---|
PART NUMBER | |
QUANTITY | 6 |
DESTINATION | |
REMARKS |
DAMPER,BATTERY | |
REF # | 92161 |
---|---|
PART NUMBER | |
QUANTITY | 1 |
DESTINATION | |
REMARKS |
SCREW,6X26 | |
REF # | 92172 |
---|---|
PART NUMBER | |
QUANTITY | 4 |
DESTINATION | |
REMARKS |