main content of page
Parts Diagrams
OWNER CENTER |

Welcome, Kawasaki owners. Access the information and tools you need to get the most out of your vehicle.
OWNER CENTER |
Welcome, Kawasaki owners. Access the information and tools you need to get the most out of your vehicle.
Parts Diagrams |
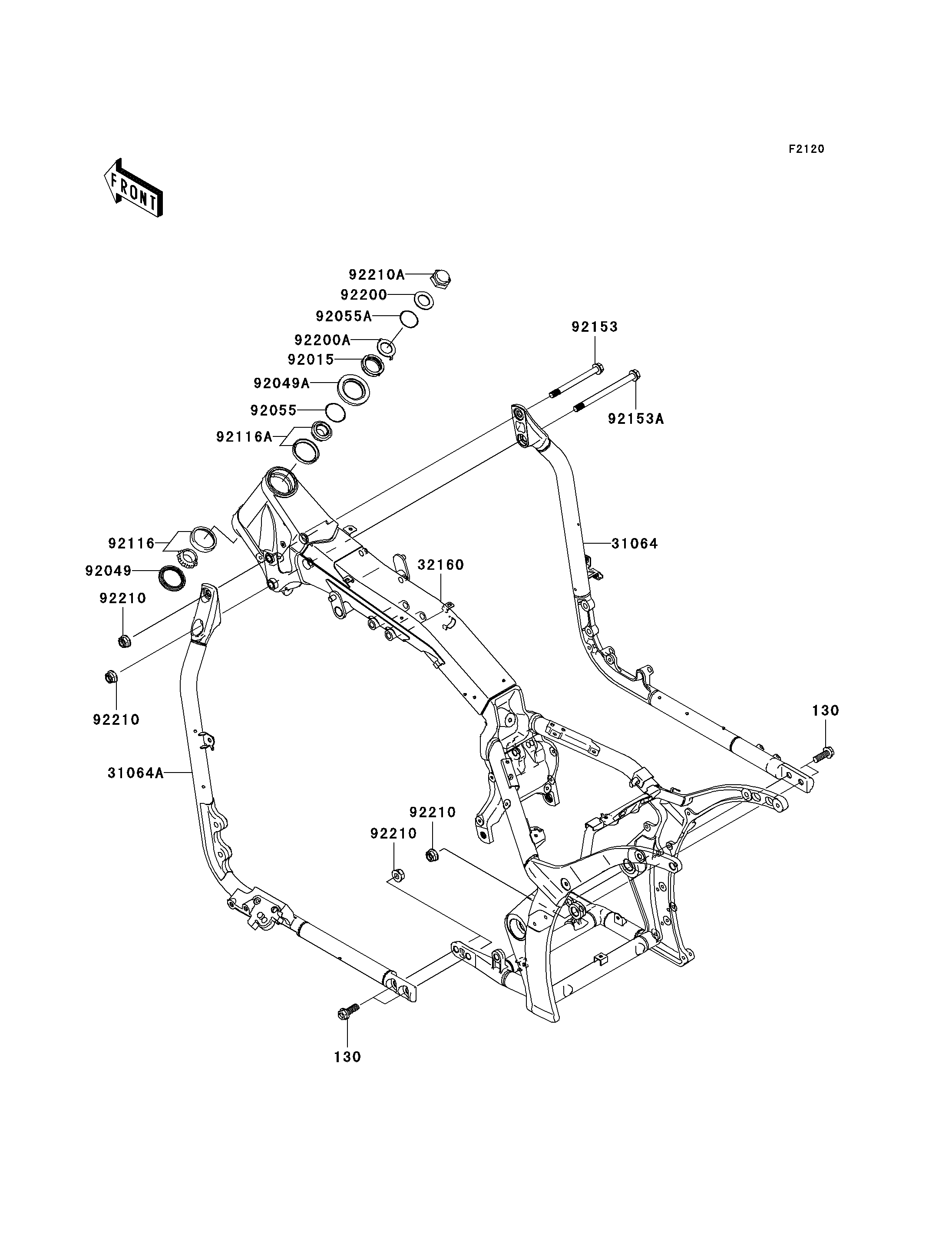
130
130
31064
31064A
32160
92015
92049
92049A
92055
92055A
92116
92116A
92153
92153A
92200
92200A
92210
92210
92210
92210
92210A
ITEM NAME | REF # | PART NUMBER | QUANTITY | DESTINATION | REMARKS |
---|---|---|---|---|---|
BOLT-FLANGED | 130 | 130W1235 | 4 | ||
PIPE-COMP,DOWNTUBE,RH | 31064 | 31064-0026 | 1 | ||
PIPE-COMP,DOWNTUBE,LH | 31064A | 31064-0032 | 1 | ||
FRAME-COMP | 32160 | 32160-0090 | 1 | ||
NUT,STEERING STEM,35MM | 92015 | 92015-1848 | 1 | ||
SEAL-OIL,XMHE 43 55 4J | 92049 | 92049-1383 | 1 | ||
SEAL-OIL,MX043N2 | 92049A | 92049-1483 | 1 | ||
RING-O,34.5X2.0 | 92055 | 92055-1452 | 1 | ||
RING-O,ID=24.5 | 92055A | 92055-1459 | 1 | ||
BEARING-ROLLER,32907JR-2 | 92116 | 92116-1072 | 1 | ||
BEARING-ROLLER,32907JR-3 | 92116A | 92116-1074 | 1 | ||
BOLT,FLANGED,12X132 | 92153 | 92153-0598 | 1 | ||
BOLT,FLANGED,12X168 | 92153A | 92153-0599 | 1 | ||
WASHER,25.5X42X2.3 | 92200 | 92200-0105 | 1 | ||
WASHER,CLAW,25.5X40X2.3 | 92200A | 92200-0137 | 1 | ||
NUT,LOCK,FLANGED,12MM | 92210 | 92210-0110 | 6 | ||
NUT,CAP,25MM | 92210A | 92210-1166 | 1 |
BOLT-FLANGED | |
REF # | 130 |
---|---|
PART NUMBER | |
QUANTITY | 4 |
DESTINATION | |
REMARKS |
PIPE-COMP,DOWNTUBE,RH | |
REF # | 31064 |
---|---|
PART NUMBER | |
QUANTITY | 1 |
DESTINATION | |
REMARKS |
PIPE-COMP,DOWNTUBE,LH | |
REF # | 31064A |
---|---|
PART NUMBER | |
QUANTITY | 1 |
DESTINATION | |
REMARKS |
FRAME-COMP | |
REF # | 32160 |
---|---|
PART NUMBER | |
QUANTITY | 1 |
DESTINATION | |
REMARKS |
NUT,STEERING STEM,35MM | |
REF # | 92015 |
---|---|
PART NUMBER | |
QUANTITY | 1 |
DESTINATION | |
REMARKS |
SEAL-OIL,XMHE 43 55 4J | |
REF # | 92049 |
---|---|
PART NUMBER | |
QUANTITY | 1 |
DESTINATION | |
REMARKS |
SEAL-OIL,MX043N2 | |
REF # | 92049A |
---|---|
PART NUMBER | |
QUANTITY | 1 |
DESTINATION | |
REMARKS |
RING-O,34.5X2.0 | |
REF # | 92055 |
---|---|
PART NUMBER | |
QUANTITY | 1 |
DESTINATION | |
REMARKS |
RING-O,ID=24.5 | |
REF # | 92055A |
---|---|
PART NUMBER | |
QUANTITY | 1 |
DESTINATION | |
REMARKS |
BEARING-ROLLER,32907JR-2 | |
REF # | 92116 |
---|---|
PART NUMBER | |
QUANTITY | 1 |
DESTINATION | |
REMARKS |
BEARING-ROLLER,32907JR-3 | |
REF # | 92116A |
---|---|
PART NUMBER | |
QUANTITY | 1 |
DESTINATION | |
REMARKS |
BOLT,FLANGED,12X132 | |
REF # | 92153 |
---|---|
PART NUMBER | |
QUANTITY | 1 |
DESTINATION | |
REMARKS |
BOLT,FLANGED,12X168 | |
REF # | 92153A |
---|---|
PART NUMBER | |
QUANTITY | 1 |
DESTINATION | |
REMARKS |
WASHER,25.5X42X2.3 | |
REF # | 92200 |
---|---|
PART NUMBER | |
QUANTITY | 1 |
DESTINATION | |
REMARKS |
WASHER,CLAW,25.5X40X2.3 | |
REF # | 92200A |
---|---|
PART NUMBER | |
QUANTITY | 1 |
DESTINATION | |
REMARKS |
NUT,LOCK,FLANGED,12MM | |
REF # | 92210 |
---|---|
PART NUMBER | |
QUANTITY | 6 |
DESTINATION | |
REMARKS |
NUT,CAP,25MM | |
REF # | 92210A |
---|---|
PART NUMBER | |
QUANTITY | 1 |
DESTINATION | |
REMARKS |