Skip to main content

Parts Diagrams

customer service agent speaking with a customer

Welcome, Kawasaki owners. Access the information and tools you need to get the most out of your vehicle.

Welcome, Kawasaki owners. Access the information and tools you need to get the most out of your vehicle.

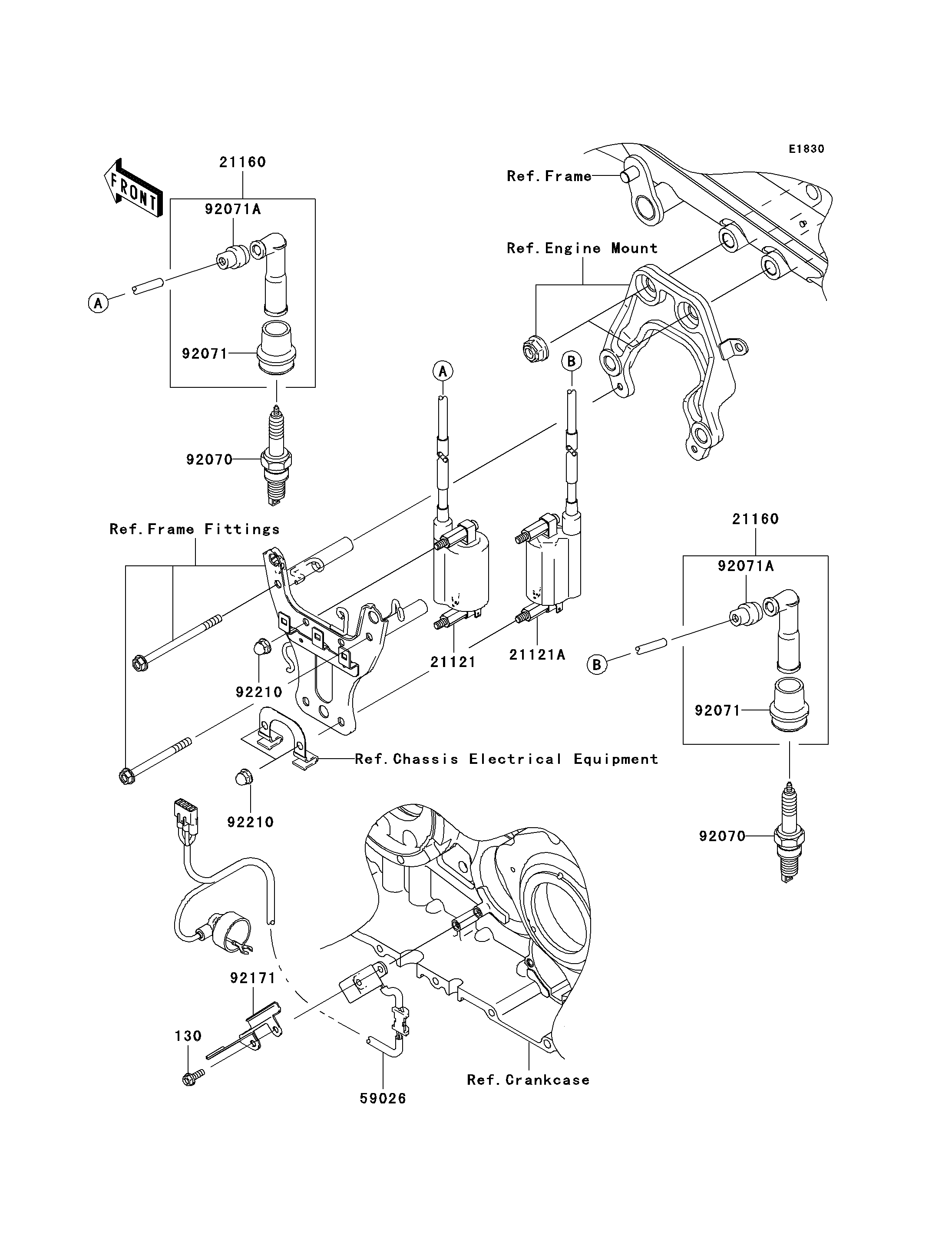
130
21121
21121A
21160
21160
59026
92070
92070
92071
92071
92071A
92071A
92171
92210
92210
Part Item Information
ITEM NAME REF # PART NUMBER QUANTITY DESTINATION REMARKS
BOLT-FLANGED 130 130G0514 2
COIL-IGNITION,FR ENGINE 21121 21121-0013 1
COIL-IGNITION,RR ENGINE 21121A 21121-0014 1
CAP-ASSY-PLUG 21160 21160-0005 2
COIL-PULSING 59026 59026-0002 1
PLUG-SPARK,IZFR6F11(NGK) 92070 92070-0007 2
GROMMET,PLUG CAP 92071 92071-0006 2
GROMMET,HIGH TENSION 92071A 92071-0010 2
CLAMP,COIL WIRE 92171 92171-0035 1
NUT,CAP,6MM 92210 92210-0003 4