main content of page
Parts Diagrams
OWNER CENTER |

Welcome, Kawasaki owners. Access the information and tools you need to get the most out of your vehicle.
OWNER CENTER |
Welcome, Kawasaki owners. Access the information and tools you need to get the most out of your vehicle.
Parts Diagrams |
120
551
551
551
13280
13280
16021
16073
16073
16163
26031
35063
35063A
49033
49033
49056
59071
59076
92055
92055
92055A
92055A
92068
92093
92093
92151
92151
92151
92151
92151
92151
92171
92191
92192
92192
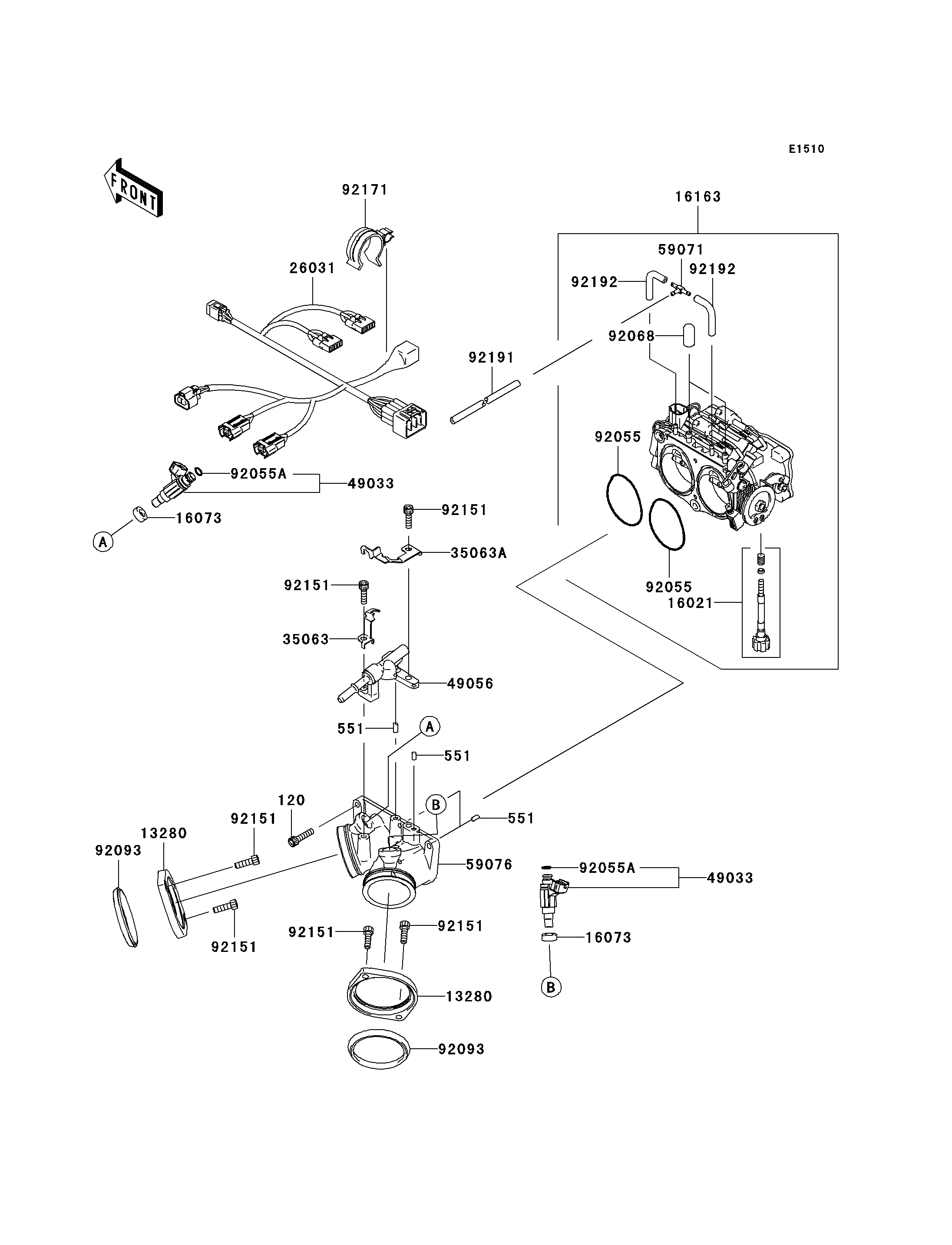
ITEM NAME | REF # | PART NUMBER | QUANTITY | DESTINATION | REMARKS |
---|---|---|---|---|---|
BOLT-SOCKET | 120 | 120W0625 | 3 | ||
PIN-DOWEL | 551 | 551R0408 | 4 | ||
HOLDER,INTAKE MANIFOLD | 13280 | 13280-0007 | 2 | ||
SCREW-THROTTLE STOP | 16021 | 16021-0006 | 1 | ||
INSULATOR | 16073 | 16073-3707 | 2 | ||
THROTTLE-ASSY | 16163 | 16163-0001 | 1 | ||
HARNESS | 26031 | 26031-0179 | 1 | ||
STAY | 35063 | 35063-0075 | 1 | ||
STAY | 35063A | 35063-0076 | 1 | ||
NOZZLE-INJECTION | 49033 | 49033-0003 | 2 | ||
PIPE-INJECTION | 49056 | 49056-0004 | 1 | ||
JOINT,3WAY,T | 59071 | 59071-3752 | 1 | ||
MANIFOLD-INTAKE | 59076 | 59076-0001 | 1 | ||
RING-O | 92055 | 92055-0056 | 2 | ||
RING-O,INJECTION NOZZLE | 92055A | 92055-1622 | 2 | ||
PLUG,12X25 | 92068 | 92068-006 | 2 | ||
SEAL | 92093 | 92093-0006 | 2 | ||
BOLT,SOCKET,6X20 | 92151 | 92151-3774 | 6 | ||
CLAMP | 92171 | 92171-0130 | 1 | ||
TUBE,3X7X300 | 92191 | 92191-0032 | 1 | ||
TUBE | 92192 | 92192-0106 | 2 |
BOLT-SOCKET | |
REF # | 120 |
---|---|
PART NUMBER | |
QUANTITY | 3 |
DESTINATION | |
REMARKS |
PIN-DOWEL | |
REF # | 551 |
---|---|
PART NUMBER | |
QUANTITY | 4 |
DESTINATION | |
REMARKS |
HOLDER,INTAKE MANIFOLD | |
REF # | 13280 |
---|---|
PART NUMBER | |
QUANTITY | 2 |
DESTINATION | |
REMARKS |
SCREW-THROTTLE STOP | |
REF # | 16021 |
---|---|
PART NUMBER | |
QUANTITY | 1 |
DESTINATION | |
REMARKS |
INSULATOR | |
REF # | 16073 |
---|---|
PART NUMBER | |
QUANTITY | 2 |
DESTINATION | |
REMARKS |
THROTTLE-ASSY | |
REF # | 16163 |
---|---|
PART NUMBER | |
QUANTITY | 1 |
DESTINATION | |
REMARKS |
HARNESS | |
REF # | 26031 |
---|---|
PART NUMBER | |
QUANTITY | 1 |
DESTINATION | |
REMARKS |
STAY | |
REF # | 35063 |
---|---|
PART NUMBER | |
QUANTITY | 1 |
DESTINATION | |
REMARKS |
STAY | |
REF # | 35063A |
---|---|
PART NUMBER | |
QUANTITY | 1 |
DESTINATION | |
REMARKS |
NOZZLE-INJECTION | |
REF # | 49033 |
---|---|
PART NUMBER | |
QUANTITY | 2 |
DESTINATION | |
REMARKS |
PIPE-INJECTION | |
REF # | 49056 |
---|---|
PART NUMBER | |
QUANTITY | 1 |
DESTINATION | |
REMARKS |
JOINT,3WAY,T | |
REF # | 59071 |
---|---|
PART NUMBER | |
QUANTITY | 1 |
DESTINATION | |
REMARKS |
MANIFOLD-INTAKE | |
REF # | 59076 |
---|---|
PART NUMBER | |
QUANTITY | 1 |
DESTINATION | |
REMARKS |
RING-O | |
REF # | 92055 |
---|---|
PART NUMBER | |
QUANTITY | 2 |
DESTINATION | |
REMARKS |
RING-O,INJECTION NOZZLE | |
REF # | 92055A |
---|---|
PART NUMBER | |
QUANTITY | 2 |
DESTINATION | |
REMARKS |
PLUG,12X25 | |
REF # | 92068 |
---|---|
PART NUMBER | |
QUANTITY | 2 |
DESTINATION | |
REMARKS |
SEAL | |
REF # | 92093 |
---|---|
PART NUMBER | |
QUANTITY | 2 |
DESTINATION | |
REMARKS |
BOLT,SOCKET,6X20 | |
REF # | 92151 |
---|---|
PART NUMBER | |
QUANTITY | 6 |
DESTINATION | |
REMARKS |
CLAMP | |
REF # | 92171 |
---|---|
PART NUMBER | |
QUANTITY | 1 |
DESTINATION | |
REMARKS |
TUBE,3X7X300 | |
REF # | 92191 |
---|---|
PART NUMBER | |
QUANTITY | 1 |
DESTINATION | |
REMARKS |
TUBE | |
REF # | 92192 |
---|---|
PART NUMBER | |
QUANTITY | 2 |
DESTINATION | |
REMARKS |