main content of page
Parts Diagrams
OWNER CENTER |

Welcome, Kawasaki owners. Access the information and tools you need to get the most out of your vehicle.
OWNER CENTER |
Welcome, Kawasaki owners. Access the information and tools you need to get the most out of your vehicle.
Parts Diagrams |
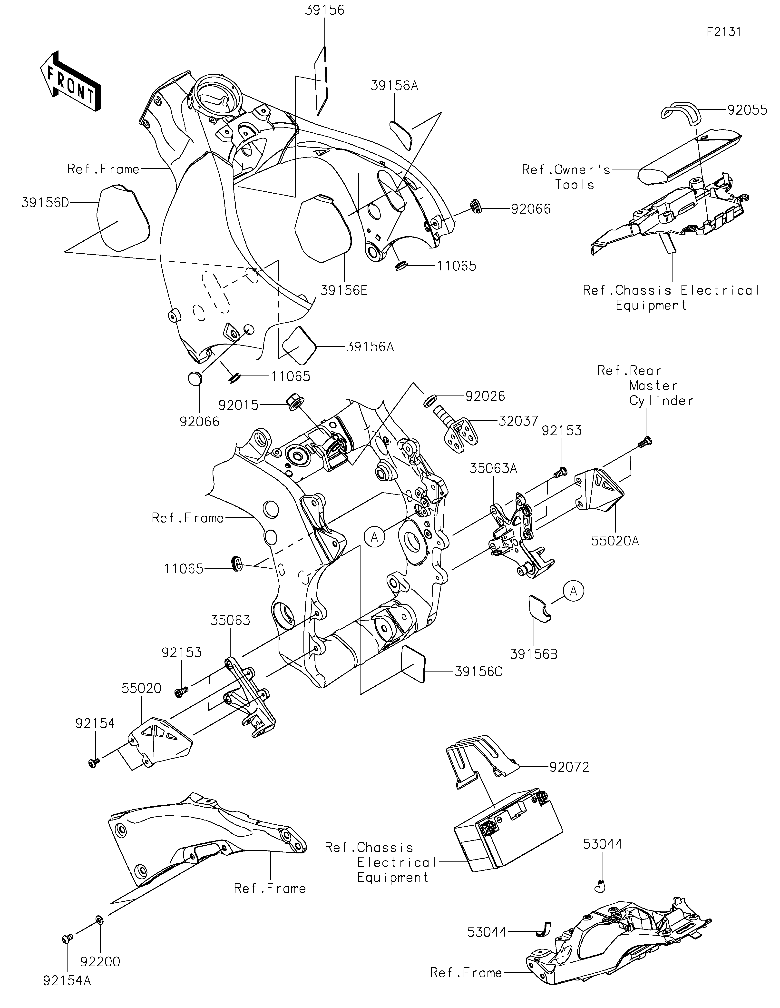
11065
11065
11065
32037
35063
35063A
39156
39156A
39156A
39156B
39156C
39156D
39156E
53044
53044
55020
55020A
92015
92026
92055
92066
92066
92072
92153
92153
92154
92154A
92200
ITEM NAME | REF # | PART NUMBER | QUANTITY | DESTINATION | REMARKS |
---|---|---|---|---|---|
CAP | 11065 | 11065-0095 | 4 | ||
BRACKET-SHOCKABSORBER | 32037 | 32037-0149 | 1 | ||
STAY,FR STEP,LH,F.S.BLACK | 35063 | 35063-1521-18R | 1 | ||
STAY,FR STEP,RH,F.S.BLACK | 35063A | 35063-1522-18R | 1 | ||
PAD,50X115X2 | 39156 | 39156-0923 | 1 | ||
PAD,55X55X2 | 39156A | 39156-1961 | 2 | ||
PAD,45X50.5X2 | 39156B | 39156-1964 | 1 | ||
PAD,55.5X55.5X0.5 | 39156C | 39156-2116 | 1 | ||
PAD,LH | 39156D | 39156-2213 | 1 | ||
PAD,RH | 39156E | 39156-2214 | 1 | ||
TRIM,L=40 | 53044 | 53044-0012 | 2 | ||
GUARD,FR STEP,LH | 55020 | 55020-0569 | 1 | ||
GUARD,FR STEP,RH | 55020A | 55020-1944 | 1 | ||
NUT,FLANGED,16MM | 92015 | 92015-1316 | 1 | ||
SPACER,16.5X26X4.6 | 92026 | 92026-0913 | 1 | ||
RING-O,54.6X5.7 | 92055 | 92055-0881 | 1 | ||
PLUG,17MM | 92066 | 92066-1320 | 2 | ||
BAND,L=168 | 92072 | 92072-1306 | 1 | ||
BOLT,SOCKET,8X20 | 92153 | 92153-1621 | 4 | ||
BOLT,SOCKET,6X14 | 92154 | 92154-1735 | 2 | ||
BOLT,SOCKET,8X14 | 92154A | 92154-2651 | 2 | ||
WASHER,8.4X16X1.6 | 92200 | 92200-0807 | 2 |
CAP | |
REF # | 11065 |
---|---|
PART NUMBER | |
QUANTITY | 4 |
DESTINATION | |
REMARKS |
BRACKET-SHOCKABSORBER | |
REF # | 32037 |
---|---|
PART NUMBER | |
QUANTITY | 1 |
DESTINATION | |
REMARKS |
STAY,FR STEP,LH,F.S.BLACK | |
REF # | 35063 |
---|---|
PART NUMBER | |
QUANTITY | 1 |
DESTINATION | |
REMARKS |
STAY,FR STEP,RH,F.S.BLACK | |
REF # | 35063A |
---|---|
PART NUMBER | |
QUANTITY | 1 |
DESTINATION | |
REMARKS |
PAD,50X115X2 | |
REF # | 39156 |
---|---|
PART NUMBER | |
QUANTITY | 1 |
DESTINATION | |
REMARKS |
PAD,55X55X2 | |
REF # | 39156A |
---|---|
PART NUMBER | |
QUANTITY | 2 |
DESTINATION | |
REMARKS |
PAD,45X50.5X2 | |
REF # | 39156B |
---|---|
PART NUMBER | |
QUANTITY | 1 |
DESTINATION | |
REMARKS |
PAD,55.5X55.5X0.5 | |
REF # | 39156C |
---|---|
PART NUMBER | |
QUANTITY | 1 |
DESTINATION | |
REMARKS |
PAD,LH | |
REF # | 39156D |
---|---|
PART NUMBER | |
QUANTITY | 1 |
DESTINATION | |
REMARKS |
PAD,RH | |
REF # | 39156E |
---|---|
PART NUMBER | |
QUANTITY | 1 |
DESTINATION | |
REMARKS |
TRIM,L=40 | |
REF # | 53044 |
---|---|
PART NUMBER | |
QUANTITY | 2 |
DESTINATION | |
REMARKS |
GUARD,FR STEP,LH | |
REF # | 55020 |
---|---|
PART NUMBER | |
QUANTITY | 1 |
DESTINATION | |
REMARKS |
GUARD,FR STEP,RH | |
REF # | 55020A |
---|---|
PART NUMBER | |
QUANTITY | 1 |
DESTINATION | |
REMARKS |
NUT,FLANGED,16MM | |
REF # | 92015 |
---|---|
PART NUMBER | |
QUANTITY | 1 |
DESTINATION | |
REMARKS |
SPACER,16.5X26X4.6 | |
REF # | 92026 |
---|---|
PART NUMBER | |
QUANTITY | 1 |
DESTINATION | |
REMARKS |
RING-O,54.6X5.7 | |
REF # | 92055 |
---|---|
PART NUMBER | |
QUANTITY | 1 |
DESTINATION | |
REMARKS |
PLUG,17MM | |
REF # | 92066 |
---|---|
PART NUMBER | |
QUANTITY | 2 |
DESTINATION | |
REMARKS |
BAND,L=168 | |
REF # | 92072 |
---|---|
PART NUMBER | |
QUANTITY | 1 |
DESTINATION | |
REMARKS |
BOLT,SOCKET,8X20 | |
REF # | 92153 |
---|---|
PART NUMBER | |
QUANTITY | 4 |
DESTINATION | |
REMARKS |
BOLT,SOCKET,6X14 | |
REF # | 92154 |
---|---|
PART NUMBER | |
QUANTITY | 2 |
DESTINATION | |
REMARKS |
BOLT,SOCKET,8X14 | |
REF # | 92154A |
---|---|
PART NUMBER | |
QUANTITY | 2 |
DESTINATION | |
REMARKS |
WASHER,8.4X16X1.6 | |
REF # | 92200 |
---|---|
PART NUMBER | |
QUANTITY | 2 |
DESTINATION | |
REMARKS |