Skip to main content

Parts Diagrams

customer service agent speaking with a customer

Welcome, Kawasaki owners. Access the information and tools you need to get the most out of your vehicle.

Welcome, Kawasaki owners. Access the information and tools you need to get the most out of your vehicle.

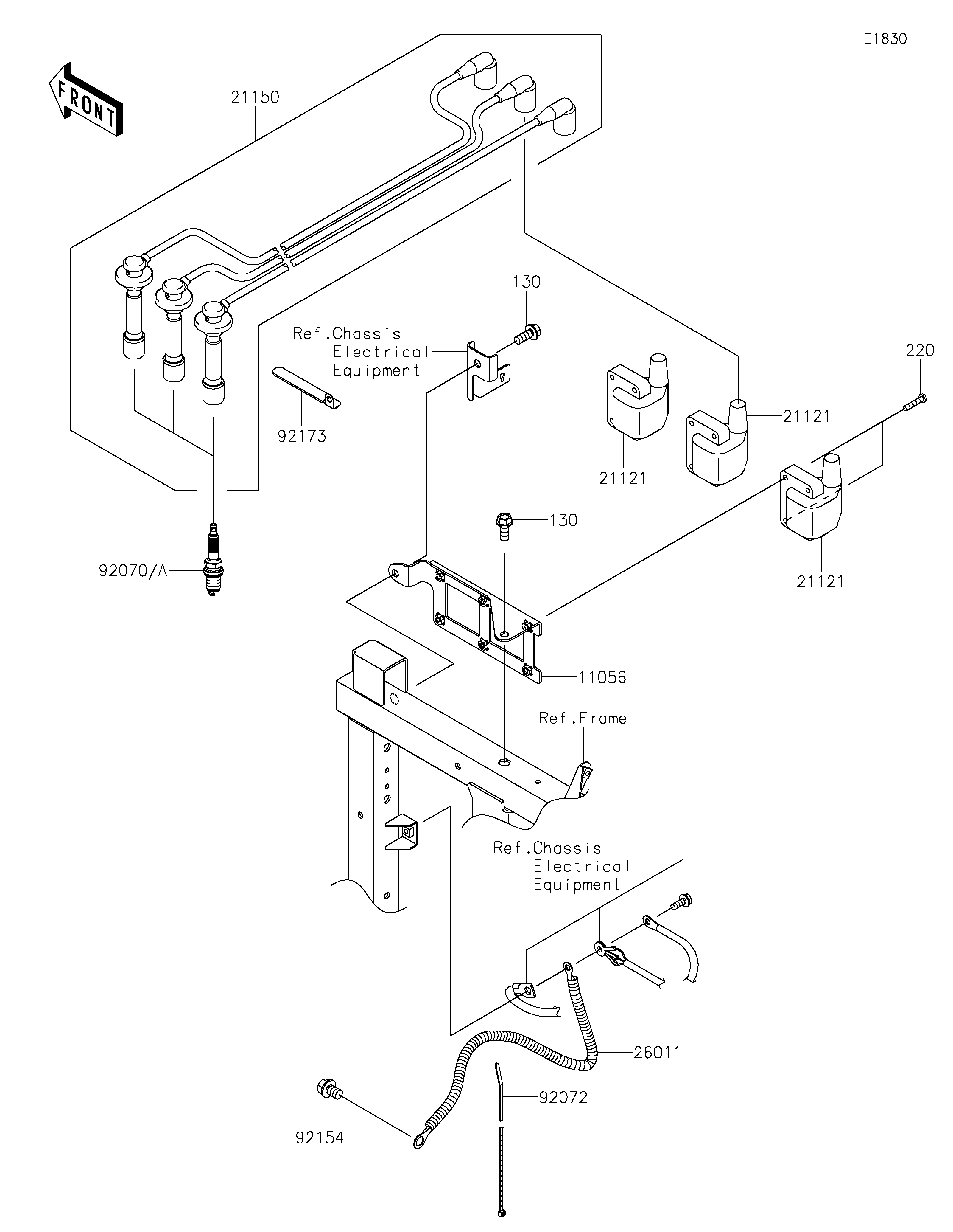
11056
21121
21121
21121
21150
26011
92070
92070A
92072
92154
92173
130
130
220
Part Item Information
ITEM NAME REF # PART NUMBER QUANTITY DESTINATION REMARKS
BRACKET 11056 11056-2930 1
COIL-IGNITION 21121 21121-0724 3
CORD-ASSY,HIGH TENSION 21150 21150-0013 1
WIRE-LEAD 26011 26011-0846 1
PLUG-SPARK,7026(TORCH) 92070 92070-0048 3
PLUG-SPARK,IFR6B11(NGK) 92070A 3 (LOCAL PROCUREMENT ITEM)
BAND,L=292.1 92072 92072-3509 1
BOLT,FLANGED,10X14 92154 92154-1383 1
CLAMP 92173 92173-1056 1
BOLT-FLANGED,8X20 130 130BA0820 2
SCREW-PAN-CROS,5X25 220 220AA0525 6