main content of page
Parts Diagrams
OWNER CENTER |

Welcome, Kawasaki owners. Access the information and tools you need to get the most out of your vehicle.
OWNER CENTER |
Welcome, Kawasaki owners. Access the information and tools you need to get the most out of your vehicle.
Parts Diagrams |
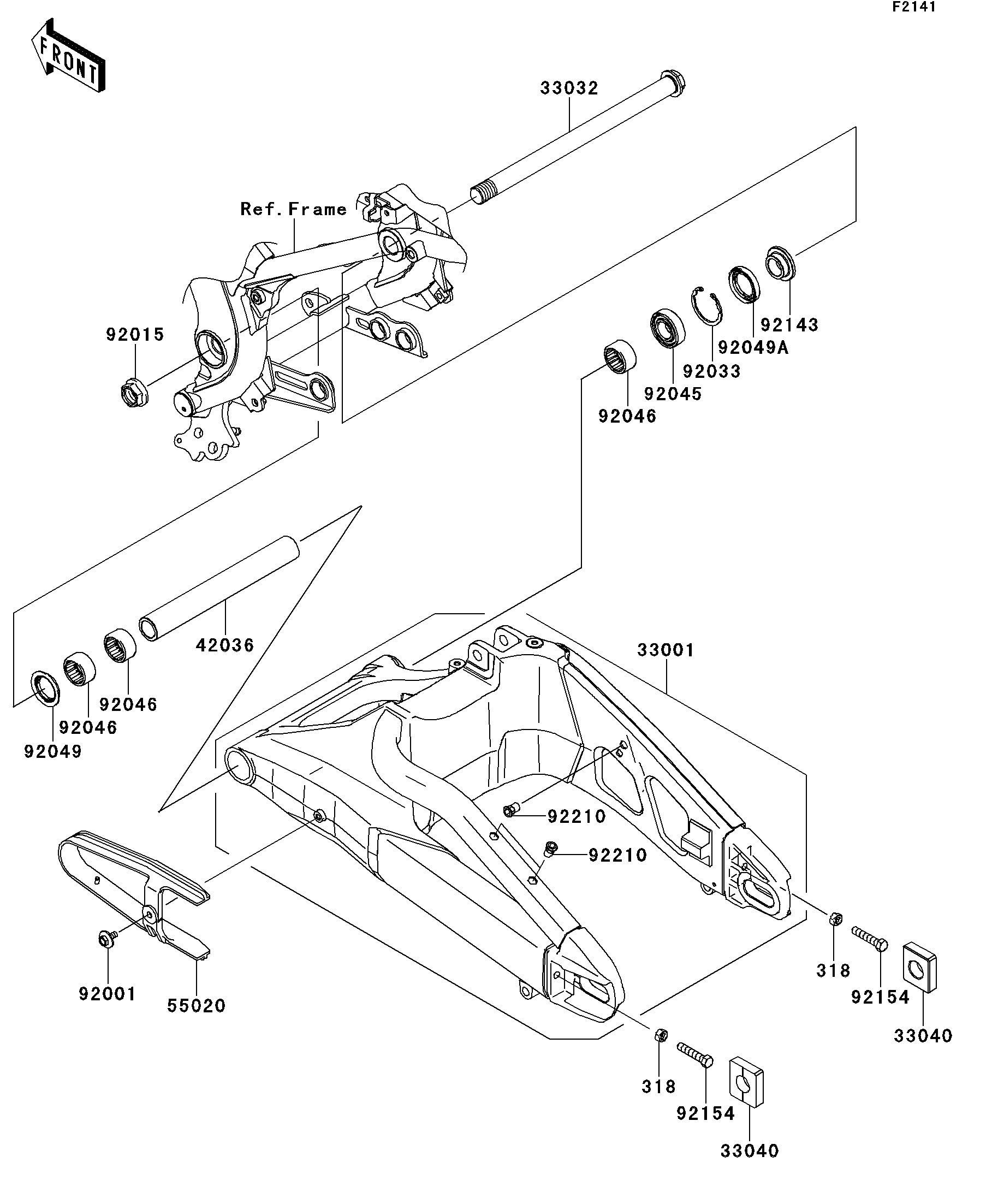
33001
33032
33040
33040
42036
55020
92001
92015
92033
92045
92046
92046
92046
92049
92049A
92143
92154
92154
92210
92210
318
318
ITEM NAME | REF # | PART NUMBER | QUANTITY | DESTINATION | REMARKS |
---|---|---|---|---|---|
ARM-COMP-SWING,F.M.GRAY | 33001 | 33001-0244-26M | 1 | ||
SHAFT-SWING ARM | 33032 | 33032-1142 | 1 | ||
ADJUSTER-CHAIN | 33040 | 33040-1109 | 2 | ||
SLEEVE,SWING ARM,L=219.5 | 42036 | 42036-0066 | 1 | ||
GUARD,CHAIN | 55020 | 55020-0234 | 1 | ||
BOLT,6X16 | 92001 | 92001-1950 | 1 | ||
NUT,FLANGED,20MM | 92015 | 92015-1724 | 1 | ||
RING-SNAP,42MM | 92033 | 92033-1041 | 1 | ||
BEARING-BALL,6004UL11 | 92045 | 92045-0017 | 1 | ||
BEARING-NEEDLE,7E-HVS 28X34X17 | 92046 | 92046-0008 | 3 | ||
SEAL-OIL | 92049 | 92049-0132 | 1 | ||
SEAL-OIL | 92049A | 92049-0138 | 1 | ||
COLLAR,SWING ARM,RH,L=12.5 | 92143 | 92143-1727 | 1 | ||
BOLT,8X40 | 92154 | 92154-0288 | 2 | ||
NUT,POP,6MM,L=15 | 92210 | 92210-1397 | 3 | ||
NUT-HEX-SMALL,8MM | 318 | 318BA0800 | 2 |
ARM-COMP-SWING,F.M.GRAY | |
REF # | 33001 |
---|---|
PART NUMBER | |
QUANTITY | 1 |
DESTINATION | |
REMARKS |
SHAFT-SWING ARM | |
REF # | 33032 |
---|---|
PART NUMBER | |
QUANTITY | 1 |
DESTINATION | |
REMARKS |
ADJUSTER-CHAIN | |
REF # | 33040 |
---|---|
PART NUMBER | |
QUANTITY | 2 |
DESTINATION | |
REMARKS |
SLEEVE,SWING ARM,L=219.5 | |
REF # | 42036 |
---|---|
PART NUMBER | |
QUANTITY | 1 |
DESTINATION | |
REMARKS |
GUARD,CHAIN | |
REF # | 55020 |
---|---|
PART NUMBER | |
QUANTITY | 1 |
DESTINATION | |
REMARKS |
BOLT,6X16 | |
REF # | 92001 |
---|---|
PART NUMBER | |
QUANTITY | 1 |
DESTINATION | |
REMARKS |
NUT,FLANGED,20MM | |
REF # | 92015 |
---|---|
PART NUMBER | |
QUANTITY | 1 |
DESTINATION | |
REMARKS |
RING-SNAP,42MM | |
REF # | 92033 |
---|---|
PART NUMBER | |
QUANTITY | 1 |
DESTINATION | |
REMARKS |
BEARING-BALL,6004UL11 | |
REF # | 92045 |
---|---|
PART NUMBER | |
QUANTITY | 1 |
DESTINATION | |
REMARKS |
BEARING-NEEDLE,7E-HVS 28X34X17 | |
REF # | 92046 |
---|---|
PART NUMBER | |
QUANTITY | 3 |
DESTINATION | |
REMARKS |
SEAL-OIL | |
REF # | 92049 |
---|---|
PART NUMBER | |
QUANTITY | 1 |
DESTINATION | |
REMARKS |
SEAL-OIL | |
REF # | 92049A |
---|---|
PART NUMBER | |
QUANTITY | 1 |
DESTINATION | |
REMARKS |
COLLAR,SWING ARM,RH,L=12.5 | |
REF # | 92143 |
---|---|
PART NUMBER | |
QUANTITY | 1 |
DESTINATION | |
REMARKS |
BOLT,8X40 | |
REF # | 92154 |
---|---|
PART NUMBER | |
QUANTITY | 2 |
DESTINATION | |
REMARKS |
NUT,POP,6MM,L=15 | |
REF # | 92210 |
---|---|
PART NUMBER | |
QUANTITY | 3 |
DESTINATION | |
REMARKS |
NUT-HEX-SMALL,8MM | |
REF # | 318 |
---|---|
PART NUMBER | |
QUANTITY | 2 |
DESTINATION | |
REMARKS |