main content of page
Parts Diagrams
OWNER CENTER |

Welcome, Kawasaki owners. Access the information and tools you need to get the most out of your vehicle.
OWNER CENTER |
Welcome, Kawasaki owners. Access the information and tools you need to get the most out of your vehicle.
Parts Diagrams |
11009
11012
16160
39062
39062A
39062B
39062C
43078
49054
92002
92002
92055
92154
92171
92171
92171A
92171A
92171B
92171B
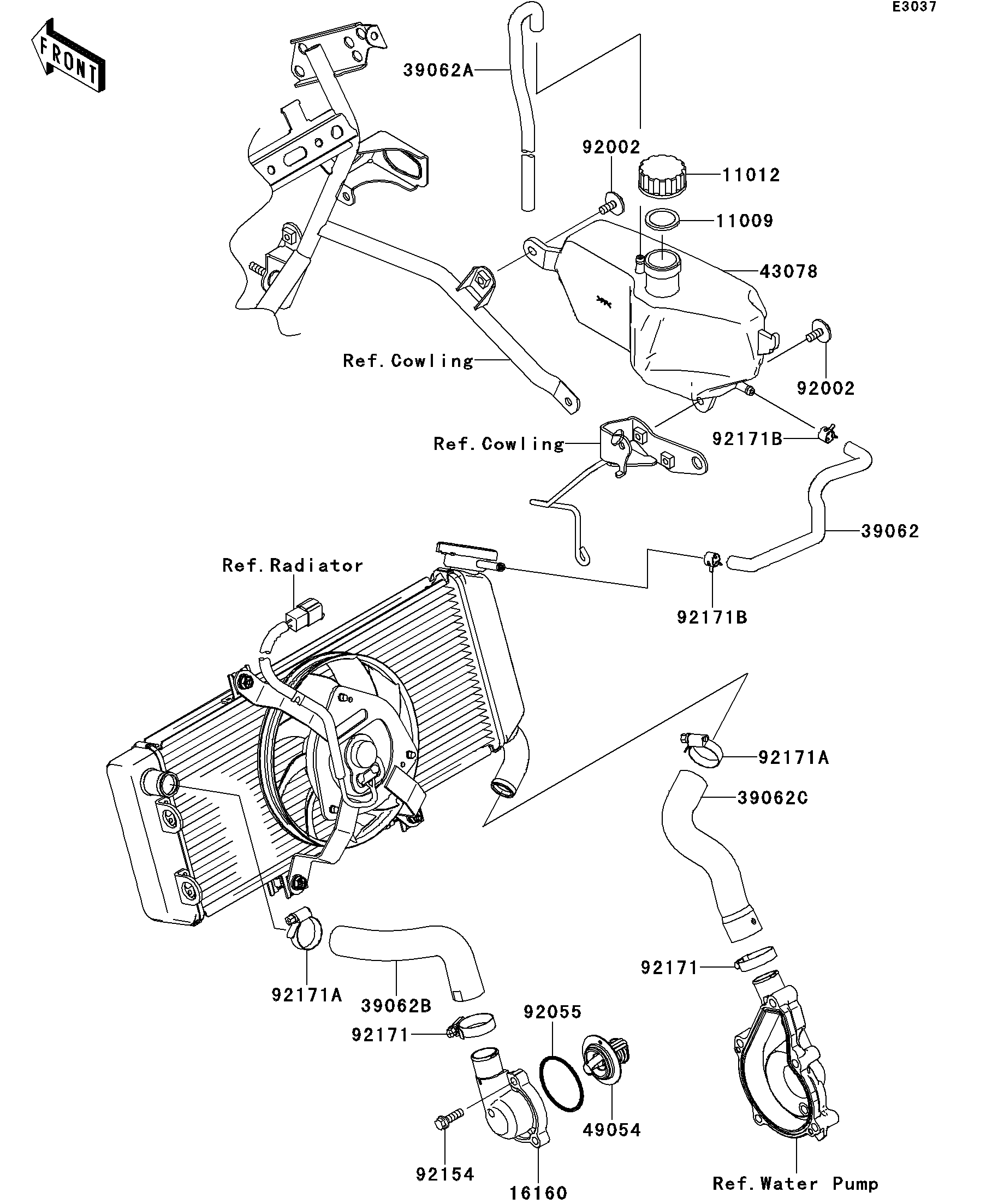
ITEM NAME | REF # | PART NUMBER | QUANTITY | DESTINATION | REMARKS |
---|---|---|---|---|---|
GASKET,RESERVOIR TANK CAP | 11009 | 11009-1145 | 1 | ||
CAP | 11012 | 11012-1084 | 1 | ||
BODY,THERMO | 16160 | 16160-0181 | 1 | ||
HOSE-COOLING,RAD-RESERVOIR | 39062 | 39062-0163 | 1 | ||
HOSE-COOLING,BREATHER | 39062A | 39062-0164 | 1 | ||
HOSE-COOLING,HEAD-RAD. | 39062B | 39062-0254 | 1 | ||
HOSE-COOLING,W.PUMP-RAD | 39062C | 39062-0265 | 1 | ||
RESERVOIR | 43078 | 43078-0065 | 1 | ||
THERMOSTAT | 49054 | 49054-0001 | 1 | ||
BOLT,6X16 | 92002 | 92002-1188 | 2 | ||
RING-O,44.7X2.4 | 92055 | 92055-0160 | 1 | ||
BOLT,FLANGED,6X20 | 92154 | 92154-0814 | 3 | ||
CLAMP | 92171 | 92171-0261 | 2 | ||
CLAMP | 92171A | 92171-0337 | 2 | ||
CLAMP,10.5X8X0.7 | 92171B | 92171-1992 | 2 |
GASKET,RESERVOIR TANK CAP | |
REF # | 11009 |
---|---|
PART NUMBER | |
QUANTITY | 1 |
DESTINATION | |
REMARKS |
CAP | |
REF # | 11012 |
---|---|
PART NUMBER | |
QUANTITY | 1 |
DESTINATION | |
REMARKS |
BODY,THERMO | |
REF # | 16160 |
---|---|
PART NUMBER | |
QUANTITY | 1 |
DESTINATION | |
REMARKS |
HOSE-COOLING,RAD-RESERVOIR | |
REF # | 39062 |
---|---|
PART NUMBER | |
QUANTITY | 1 |
DESTINATION | |
REMARKS |
HOSE-COOLING,BREATHER | |
REF # | 39062A |
---|---|
PART NUMBER | |
QUANTITY | 1 |
DESTINATION | |
REMARKS |
HOSE-COOLING,HEAD-RAD. | |
REF # | 39062B |
---|---|
PART NUMBER | |
QUANTITY | 1 |
DESTINATION | |
REMARKS |
HOSE-COOLING,W.PUMP-RAD | |
REF # | 39062C |
---|---|
PART NUMBER | |
QUANTITY | 1 |
DESTINATION | |
REMARKS |
RESERVOIR | |
REF # | 43078 |
---|---|
PART NUMBER | |
QUANTITY | 1 |
DESTINATION | |
REMARKS |
THERMOSTAT | |
REF # | 49054 |
---|---|
PART NUMBER | |
QUANTITY | 1 |
DESTINATION | |
REMARKS |
BOLT,6X16 | |
REF # | 92002 |
---|---|
PART NUMBER | |
QUANTITY | 2 |
DESTINATION | |
REMARKS |
RING-O,44.7X2.4 | |
REF # | 92055 |
---|---|
PART NUMBER | |
QUANTITY | 1 |
DESTINATION | |
REMARKS |
BOLT,FLANGED,6X20 | |
REF # | 92154 |
---|---|
PART NUMBER | |
QUANTITY | 3 |
DESTINATION | |
REMARKS |
CLAMP | |
REF # | 92171 |
---|---|
PART NUMBER | |
QUANTITY | 2 |
DESTINATION | |
REMARKS |
CLAMP | |
REF # | 92171A |
---|---|
PART NUMBER | |
QUANTITY | 2 |
DESTINATION | |
REMARKS |
CLAMP,10.5X8X0.7 | |
REF # | 92171B |
---|---|
PART NUMBER | |
QUANTITY | 2 |
DESTINATION | |
REMARKS |