main content of page
Parts Diagrams
OWNER CENTER |
Welcome, Kawasaki owners. Access the information and tools you need to get the most out of your vehicle.
OWNER CENTER |
Welcome, Kawasaki owners. Access the information and tools you need to get the most out of your vehicle.
Parts Diagrams |
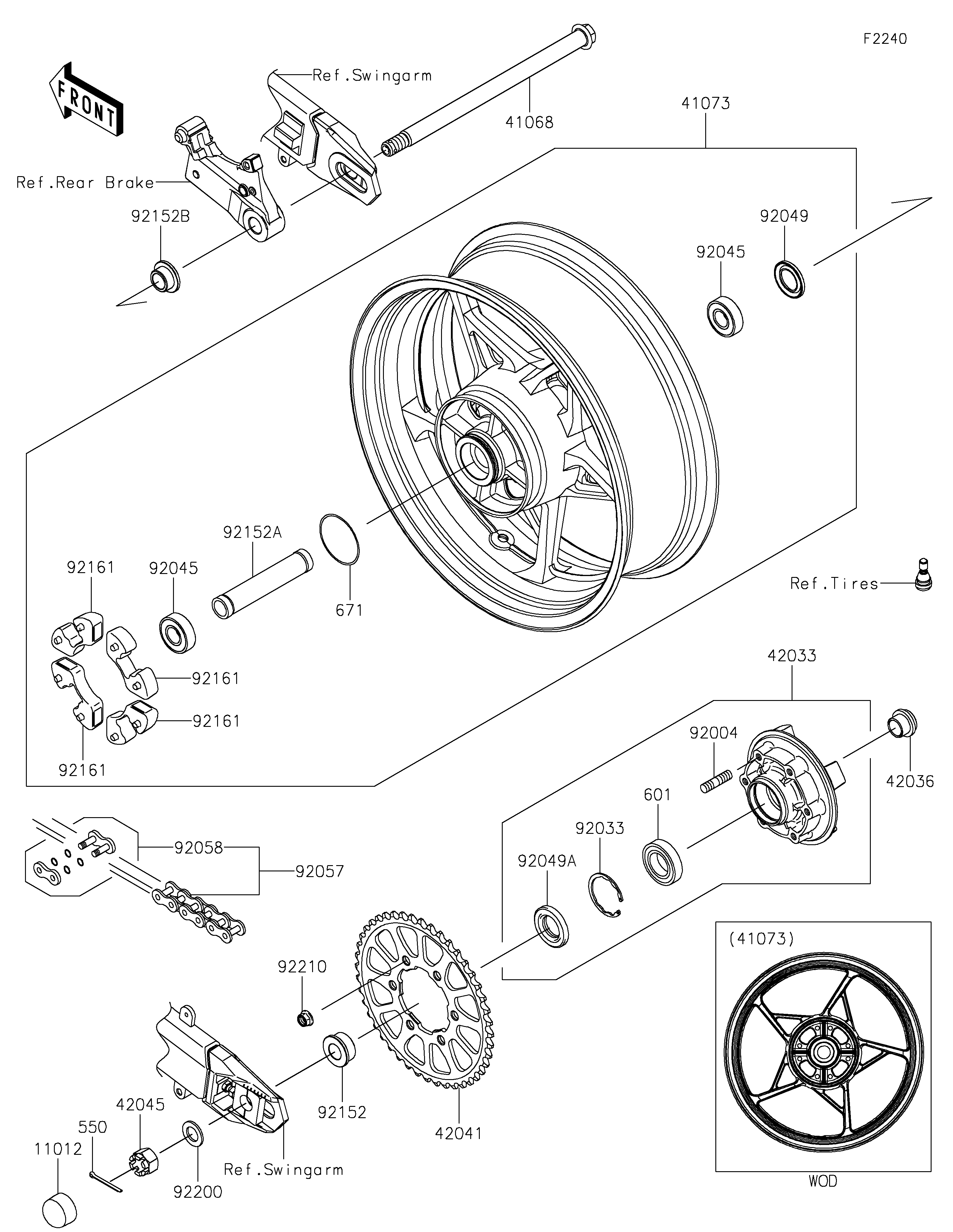
11012
41068
41073
42033
42036
42041
42045
92004
92033
92045
92045
92049
92049A
92057
92058
92152
92152A
92152B
92161
92161
92161
92161
92200
92210
550
601
671
| ITEM NAME | REF # | PART NUMBER | QUANTITY | DESTINATION | REMARKS |
|---|---|---|---|---|---|
| CAP,AXLE NUT | 11012 | 11012-1590 | 1 | ||
| AXLE,RR,18X327.2 | 41068 | 41068-0619 | 1 | ||
| WHEEL-ASSY,RR,G.BLACK | 41073 | 41073-0706-QT | 1 | ||
| COUPLING-ASSY,RR HUB | 42033 | 42033-0570 | 1 | ||
| SLEEVE,RR HUB,L=23 | 42036 | 42036-1251 | 1 | ||
| SPROCKET-HUB,44T | 42041 | 42041-0158 | 1 | ||
| NUT,CASTLE,18MM | 42045 | 42045-018 | 1 | ||
| STUD,10X19 | 92004 | 92004-0048 | 6 | ||
| RING-SNAP,52MM | 92033 | 92033-1043 | 1 | ||
| BEARING-BALL,20X47X14 | 92045 | 92045-0821 | 2 | ||
| SEAL-OIL,28 47 5 | 92049 | 92049-0140 | 1 | ||
| SEAL-OIL | 92049A | 92049-1287 | 1 | ||
| CHAIN,DRIVE,EK525RMX3/3D,114L | 92057 | 92057-0672 | 1 | ||
| JOINT-CHAIN | 92058 | 92058-0041 | 1 | ||
| COLLAR,20X35X18 | 92152 | 92152-1585 | 1 | ||
| COLLAR,20.2X27.2X141.9 | 92152A | 92152-2250 | 1 | ||
| COLLAR,RR AXLE,RH,L=16.4 | 92152B | 92152-2698 | 1 | ||
| DAMPER,SHOCK,RR HUB | 92161 | 92161-0342 | 4 | ||
| WASHER,19X32X2.6 | 92200 | 92200-1489 | 1 | ||
| NUT,LOCK,FLANGED,10MM | 92210 | 92210-0276 | 6 | ||
| PIN-COTTER,4.0X40 | 550 | 550AA4040 | 1 | ||
| BEARING-BALL | 601 | 601B6205UU | 1 | ||
| O RING,60MM | 671 | 671B2560 | 1 |
| CAP,AXLE NUT | |
| REF # | 11012 |
|---|---|
| PART NUMBER | |
| QUANTITY | 1 |
| DESTINATION | |
| REMARKS | |
| AXLE,RR,18X327.2 | |
| REF # | 41068 |
|---|---|
| PART NUMBER | |
| QUANTITY | 1 |
| DESTINATION | |
| REMARKS | |
| WHEEL-ASSY,RR,G.BLACK | |
| REF # | 41073 |
|---|---|
| PART NUMBER | |
| QUANTITY | 1 |
| DESTINATION | |
| REMARKS | |
| COUPLING-ASSY,RR HUB | |
| REF # | 42033 |
|---|---|
| PART NUMBER | |
| QUANTITY | 1 |
| DESTINATION | |
| REMARKS | |
| SLEEVE,RR HUB,L=23 | |
| REF # | 42036 |
|---|---|
| PART NUMBER | |
| QUANTITY | 1 |
| DESTINATION | |
| REMARKS | |
| SPROCKET-HUB,44T | |
| REF # | 42041 |
|---|---|
| PART NUMBER | |
| QUANTITY | 1 |
| DESTINATION | |
| REMARKS | |
| NUT,CASTLE,18MM | |
| REF # | 42045 |
|---|---|
| PART NUMBER | |
| QUANTITY | 1 |
| DESTINATION | |
| REMARKS | |
| STUD,10X19 | |
| REF # | 92004 |
|---|---|
| PART NUMBER | |
| QUANTITY | 6 |
| DESTINATION | |
| REMARKS | |
| RING-SNAP,52MM | |
| REF # | 92033 |
|---|---|
| PART NUMBER | |
| QUANTITY | 1 |
| DESTINATION | |
| REMARKS | |
| BEARING-BALL,20X47X14 | |
| REF # | 92045 |
|---|---|
| PART NUMBER | |
| QUANTITY | 2 |
| DESTINATION | |
| REMARKS | |
| SEAL-OIL,28 47 5 | |
| REF # | 92049 |
|---|---|
| PART NUMBER | |
| QUANTITY | 1 |
| DESTINATION | |
| REMARKS | |
| SEAL-OIL | |
| REF # | 92049A |
|---|---|
| PART NUMBER | |
| QUANTITY | 1 |
| DESTINATION | |
| REMARKS | |
| CHAIN,DRIVE,EK525RMX3/3D,114L | |
| REF # | 92057 |
|---|---|
| PART NUMBER | |
| QUANTITY | 1 |
| DESTINATION | |
| REMARKS | |
| JOINT-CHAIN | |
| REF # | 92058 |
|---|---|
| PART NUMBER | |
| QUANTITY | 1 |
| DESTINATION | |
| REMARKS | |
| COLLAR,20X35X18 | |
| REF # | 92152 |
|---|---|
| PART NUMBER | |
| QUANTITY | 1 |
| DESTINATION | |
| REMARKS | |
| COLLAR,20.2X27.2X141.9 | |
| REF # | 92152A |
|---|---|
| PART NUMBER | |
| QUANTITY | 1 |
| DESTINATION | |
| REMARKS | |
| COLLAR,RR AXLE,RH,L=16.4 | |
| REF # | 92152B |
|---|---|
| PART NUMBER | |
| QUANTITY | 1 |
| DESTINATION | |
| REMARKS | |
| DAMPER,SHOCK,RR HUB | |
| REF # | 92161 |
|---|---|
| PART NUMBER | |
| QUANTITY | 4 |
| DESTINATION | |
| REMARKS | |
| WASHER,19X32X2.6 | |
| REF # | 92200 |
|---|---|
| PART NUMBER | |
| QUANTITY | 1 |
| DESTINATION | |
| REMARKS | |
| NUT,LOCK,FLANGED,10MM | |
| REF # | 92210 |
|---|---|
| PART NUMBER | |
| QUANTITY | 6 |
| DESTINATION | |
| REMARKS | |
| PIN-COTTER,4.0X40 | |
| REF # | 550 |
|---|---|
| PART NUMBER | |
| QUANTITY | 1 |
| DESTINATION | |
| REMARKS | |
| BEARING-BALL | |
| REF # | 601 |
|---|---|
| PART NUMBER | |
| QUANTITY | 1 |
| DESTINATION | |
| REMARKS | |
| O RING,60MM | |
| REF # | 671 |
|---|---|
| PART NUMBER | |
| QUANTITY | 1 |
| DESTINATION | |
| REMARKS | |