Skip to main content

Parts Diagrams

customer service agent speaking with a customer

Welcome, Kawasaki owners. Access the information and tools you need to get the most out of your vehicle.

Welcome, Kawasaki owners. Access the information and tools you need to get the most out of your vehicle.

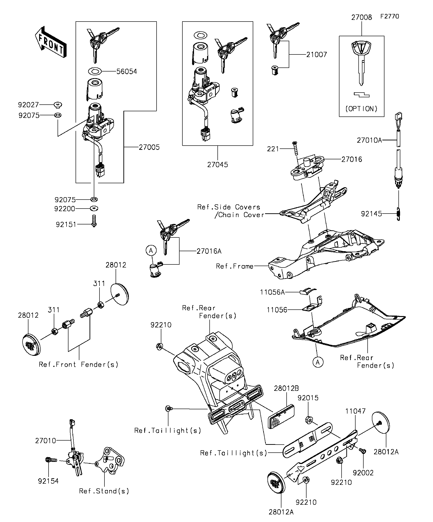
2015 Ninja® ZX-10R 30th Anniversary Edition - Ignition Switch/Locks/Reflectors

Part Item Information
ITEM NAME REF # PART NUMBER QUANTITY DESTINATION REMARKS