main content of page
Parts Diagrams
OWNER CENTER |

Welcome, Kawasaki owners. Access the information and tools you need to get the most out of your vehicle.
OWNER CENTER |
Welcome, Kawasaki owners. Access the information and tools you need to get the most out of your vehicle.
Parts Diagrams |
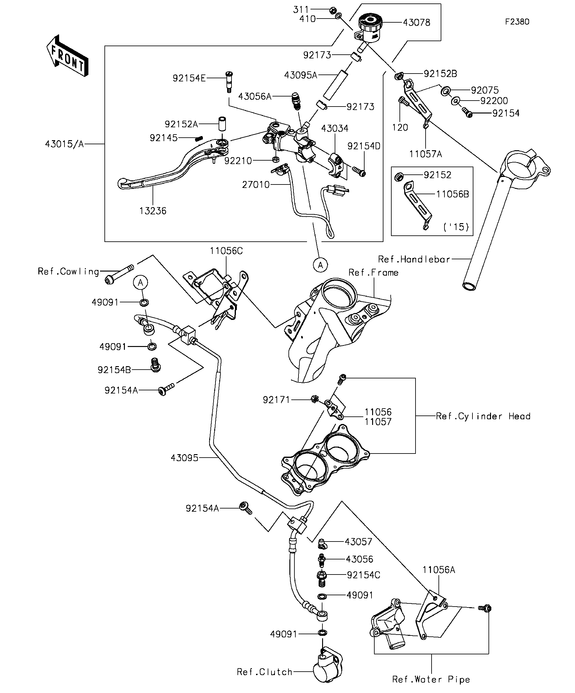
2016 Ninja H2R - Clutch Master Cylinder
11056
11056A
11056B
11056C
11057
11057A
13236
27010
43015
43015A
43034
43056
43056A
43057
43078
43095
43095A
49091
49091
49091
49091
92075
92145
92152
92152A
92152B
92154
92154A
92154A
92154B
92154C
92154D
92154E
92171
92173
92173
92200
92210
120
311
410
ITEM NAME | REF # | PART NUMBER | QUANTITY | DESTINATION | REMARKS |
---|---|---|---|---|---|
BRACKET,THROBO. HOLDER | 11056 | 11056-4491 | 1 | ||
BRACKET,CYLINDER | 11056A | 11056-7079 | 1 | ||
BRACKET,RESERVOIR | 11056B | 11056-7532 | 1 | ||
BRACKET,METER STAY | 11056C | 11056-7533 | 1 | ||
BRACKET,THROBO. HOLDER | 11057 | 11057-0041 | 1 | ||
BRACKET,RESERVOIR | 11057A | 11057-0053 | 1 | ||
LEVER-COMP,CLUTCH | 13236 | 13236-0771 | 1 | ||
SWITCH,STOP | 27010 | 27010-0824 | 1 | ||
CYLINDER-ASSY-MASTER,CLUTCH | 43015 | 43015-0616 | 1 | ||
CYLINDER-ASSY-MASTER,CLUTCH | 43015A | 43015-0652 | 1 | ||
HOLDER-BRAKE | 43034 | 43034-0121 | 1 | ||
BREATHER-BRAKE | 43056 | 43056-0007 | 1 | ||
BREATHER-BRAKE | 43056A | 43056-0012 | 1 | ||
CAP-BREATHER | 43057 | 43057-003 | 1 | ||
RESERVOIR | 43078 | 43078-0578 | 1 | ||
HOSE-BRAKE,CLUTCH | 43095 | 43095-0893 | 1 | ||
HOSE-BRAKE | 43095A | 43095-0909 | 1 | ||
WASHER-SEAL,10.1X14.5X1.5 | 49091 | 49091-0001 | 4 | ||
DAMPER | 92075 | 92075-1564 | 1 | ||
SPRING | 92145 | 92145-1683 | 1 | ||
COLLAR,6.5X10X5.3 | 92152 | 92152-1863 | 1 | ||
COLLAR,LEVER | 92152A | 92152-2151 | 1 | ||
COLLAR,6.5X10X5.3 | 92152B | 92152-2225 | 1 | ||
BOLT,SOCKET,6X18 | 92154 | 92154-1455 | 1 | ||
BOLT,SOCKET,6X25 | 92154A | 92154-1532 | 2 | ||
BOLT,BANJO,10X19 | 92154B | 92154-1554 | 1 | ||
BOLT,BANJO,10X19,C. RELEASE | 92154C | 92154-1622 | 1 | ||
BOLT,SOCKET,6X20 | 92154D | 92154-1644 | 2 | ||
BOLT,LEVER | 92154E | 92154-1809 | 1 | ||
CLAMP | 92171 | 92171-0939 | 1 | ||
CLAMP,HOSE | 92173 | 92173-1498 | 2 | ||
WASHER,6.5X16X1.0 | 92200 | 92200-3712 | 1 | ||
NUT,U | 92210 | 92210-1424 | 1 | ||
BOLT-SOCKET,6X12 | 120 | 120CB0612 | 1 | ||
NUT-HEX | 311 | 311AC0600 | 1 | ||
WASHER-PLAIN-SMALL | 410 | 410AA0600 | 1 |
BRACKET,THROBO. HOLDER | |
REF # | 11056 |
---|---|
PART NUMBER | |
QUANTITY | 1 |
DESTINATION | |
REMARKS |
BRACKET,CYLINDER | |
REF # | 11056A |
---|---|
PART NUMBER | |
QUANTITY | 1 |
DESTINATION | |
REMARKS |
BRACKET,RESERVOIR | |
REF # | 11056B |
---|---|
PART NUMBER | |
QUANTITY | 1 |
DESTINATION | |
REMARKS |
BRACKET,METER STAY | |
REF # | 11056C |
---|---|
PART NUMBER | |
QUANTITY | 1 |
DESTINATION | |
REMARKS |
BRACKET,THROBO. HOLDER | |
REF # | 11057 |
---|---|
PART NUMBER | |
QUANTITY | 1 |
DESTINATION | |
REMARKS |
BRACKET,RESERVOIR | |
REF # | 11057A |
---|---|
PART NUMBER | |
QUANTITY | 1 |
DESTINATION | |
REMARKS |
LEVER-COMP,CLUTCH | |
REF # | 13236 |
---|---|
PART NUMBER | |
QUANTITY | 1 |
DESTINATION | |
REMARKS |
SWITCH,STOP | |
REF # | 27010 |
---|---|
PART NUMBER | |
QUANTITY | 1 |
DESTINATION | |
REMARKS |
CYLINDER-ASSY-MASTER,CLUTCH | |
REF # | 43015 |
---|---|
PART NUMBER | |
QUANTITY | 1 |
DESTINATION | |
REMARKS |
CYLINDER-ASSY-MASTER,CLUTCH | |
REF # | 43015A |
---|---|
PART NUMBER | |
QUANTITY | 1 |
DESTINATION | |
REMARKS |
HOLDER-BRAKE | |
REF # | 43034 |
---|---|
PART NUMBER | |
QUANTITY | 1 |
DESTINATION | |
REMARKS |
BREATHER-BRAKE | |
REF # | 43056 |
---|---|
PART NUMBER | |
QUANTITY | 1 |
DESTINATION | |
REMARKS |
BREATHER-BRAKE | |
REF # | 43056A |
---|---|
PART NUMBER | |
QUANTITY | 1 |
DESTINATION | |
REMARKS |
CAP-BREATHER | |
REF # | 43057 |
---|---|
PART NUMBER | |
QUANTITY | 1 |
DESTINATION | |
REMARKS |
RESERVOIR | |
REF # | 43078 |
---|---|
PART NUMBER | |
QUANTITY | 1 |
DESTINATION | |
REMARKS |
HOSE-BRAKE,CLUTCH | |
REF # | 43095 |
---|---|
PART NUMBER | |
QUANTITY | 1 |
DESTINATION | |
REMARKS |
HOSE-BRAKE | |
REF # | 43095A |
---|---|
PART NUMBER | |
QUANTITY | 1 |
DESTINATION | |
REMARKS |
WASHER-SEAL,10.1X14.5X1.5 | |
REF # | 49091 |
---|---|
PART NUMBER | |
QUANTITY | 4 |
DESTINATION | |
REMARKS |
DAMPER | |
REF # | 92075 |
---|---|
PART NUMBER | |
QUANTITY | 1 |
DESTINATION | |
REMARKS |
SPRING | |
REF # | 92145 |
---|---|
PART NUMBER | |
QUANTITY | 1 |
DESTINATION | |
REMARKS |
COLLAR,6.5X10X5.3 | |
REF # | 92152 |
---|---|
PART NUMBER | |
QUANTITY | 1 |
DESTINATION | |
REMARKS |
COLLAR,LEVER | |
REF # | 92152A |
---|---|
PART NUMBER | |
QUANTITY | 1 |
DESTINATION | |
REMARKS |
COLLAR,6.5X10X5.3 | |
REF # | 92152B |
---|---|
PART NUMBER | |
QUANTITY | 1 |
DESTINATION | |
REMARKS |
BOLT,SOCKET,6X18 | |
REF # | 92154 |
---|---|
PART NUMBER | |
QUANTITY | 1 |
DESTINATION | |
REMARKS |
BOLT,SOCKET,6X25 | |
REF # | 92154A |
---|---|
PART NUMBER | |
QUANTITY | 2 |
DESTINATION | |
REMARKS |
BOLT,BANJO,10X19 | |
REF # | 92154B |
---|---|
PART NUMBER | |
QUANTITY | 1 |
DESTINATION | |
REMARKS |
BOLT,BANJO,10X19,C. RELEASE | |
REF # | 92154C |
---|---|
PART NUMBER | |
QUANTITY | 1 |
DESTINATION | |
REMARKS |
BOLT,SOCKET,6X20 | |
REF # | 92154D |
---|---|
PART NUMBER | |
QUANTITY | 2 |
DESTINATION | |
REMARKS |
BOLT,LEVER | |
REF # | 92154E |
---|---|
PART NUMBER | |
QUANTITY | 1 |
DESTINATION | |
REMARKS |
CLAMP | |
REF # | 92171 |
---|---|
PART NUMBER | |
QUANTITY | 1 |
DESTINATION | |
REMARKS |
CLAMP,HOSE | |
REF # | 92173 |
---|---|
PART NUMBER | |
QUANTITY | 2 |
DESTINATION | |
REMARKS |
WASHER,6.5X16X1.0 | |
REF # | 92200 |
---|---|
PART NUMBER | |
QUANTITY | 1 |
DESTINATION | |
REMARKS |
NUT,U | |
REF # | 92210 |
---|---|
PART NUMBER | |
QUANTITY | 1 |
DESTINATION | |
REMARKS |
BOLT-SOCKET,6X12 | |
REF # | 120 |
---|---|
PART NUMBER | |
QUANTITY | 1 |
DESTINATION | |
REMARKS |
NUT-HEX | |
REF # | 311 |
---|---|
PART NUMBER | |
QUANTITY | 1 |
DESTINATION | |
REMARKS |
WASHER-PLAIN-SMALL | |
REF # | 410 |
---|---|
PART NUMBER | |
QUANTITY | 1 |
DESTINATION | |
REMARKS |