main content of page
Parts Diagrams
OWNER CENTER |

Welcome, Kawasaki owners. Access the information and tools you need to get the most out of your vehicle.
OWNER CENTER |
Welcome, Kawasaki owners. Access the information and tools you need to get the most out of your vehicle.
Parts Diagrams |
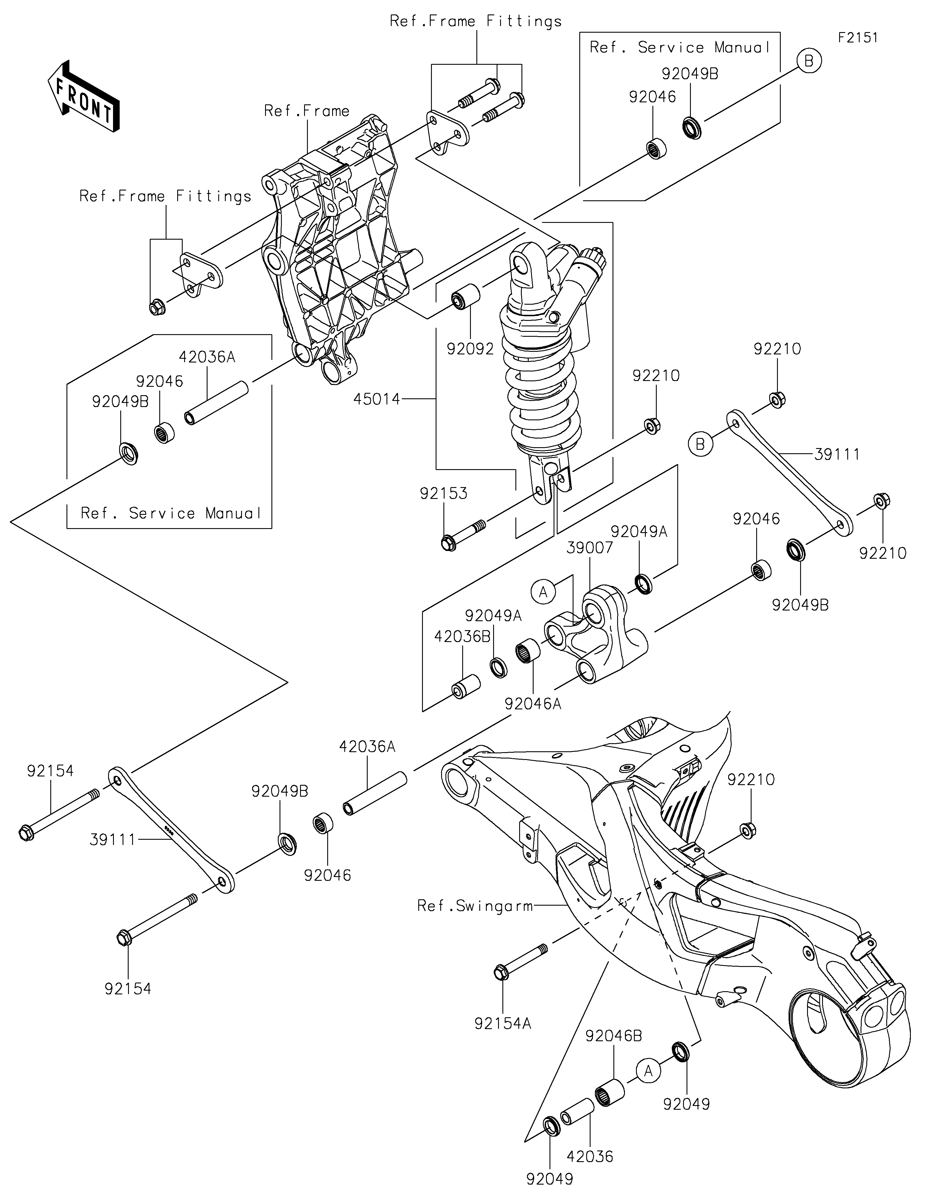
2016 Ninja H2R - Suspension/Shock Absorber
39007
39111
39111
42036
42036A
42036A
42036B
45014
92046
92046
92046
92046
92046A
92046B
92049
92049
92049A
92049A
92049B
92049B
92049B
92049B
92092
92153
92154
92154
92154A
92210
92210
92210
92210
ITEM NAME | REF # | PART NUMBER | QUANTITY | DESTINATION | REMARKS |
---|---|---|---|---|---|
ARM-SUSP | 39007 | 39007-0394 | 1 | ||
ROD-TIE,SUSPENSION | 39111 | 39111-0330 | 2 | ||
SLEEVE,10.1X17X39 | 42036 | 42036-0075 | 1 | ||
SLEEVE,10.1X16X90.5 | 42036A | 42036-0763 | 2 | ||
SLEEVE,10.1X18X30 | 42036B | 42036-1258 | 1 | ||
SHOCKABSORBER,SPG G.B.GREEN | 45014 | 45014-0513-52B | 1 | ||
BEARING-NEEDLE,16BM2212 | 92046 | 92046-1192 | 4 | ||
BEARING-NEEDLE,SFYZM182417 | 92046A | 92046-1272 | 1 | ||
BEARING-NEEDLE,SFYZM172425 | 92046B | 92046-1273 | 1 | ||
SEAL-OIL,SD0 17 24 5 NS | 92049 | 92049-0158 | 2 | ||
SEAL-OIL,MHA18244 | 92049A | 92049-1225 | 2 | ||
SEAL-OIL,SD03 16 22 5.7 | 92049B | 92049-1466 | 4 | ||
BUSHING-RUBBER | 92092 | 92092-0003 | 1 | ||
BOLT,FLANGED,10X55 | 92153 | 92153-1546 | 1 | ||
BOLT,FLANGED,10X114 | 92154 | 92154-1553 | 2 | ||
BOLT,FLANGED,10X70 | 92154A | 92154-1695 | 1 | ||
NUT,LOCK,FLANGED,10MM | 92210 | 92210-1139 | 4 |
ARM-SUSP | |
REF # | 39007 |
---|---|
PART NUMBER | |
QUANTITY | 1 |
DESTINATION | |
REMARKS |
ROD-TIE,SUSPENSION | |
REF # | 39111 |
---|---|
PART NUMBER | |
QUANTITY | 2 |
DESTINATION | |
REMARKS |
SLEEVE,10.1X17X39 | |
REF # | 42036 |
---|---|
PART NUMBER | |
QUANTITY | 1 |
DESTINATION | |
REMARKS |
SLEEVE,10.1X16X90.5 | |
REF # | 42036A |
---|---|
PART NUMBER | |
QUANTITY | 2 |
DESTINATION | |
REMARKS |
SLEEVE,10.1X18X30 | |
REF # | 42036B |
---|---|
PART NUMBER | |
QUANTITY | 1 |
DESTINATION | |
REMARKS |
SHOCKABSORBER,SPG G.B.GREEN | |
REF # | 45014 |
---|---|
PART NUMBER | |
QUANTITY | 1 |
DESTINATION | |
REMARKS |
BEARING-NEEDLE,16BM2212 | |
REF # | 92046 |
---|---|
PART NUMBER | |
QUANTITY | 4 |
DESTINATION | |
REMARKS |
BEARING-NEEDLE,SFYZM182417 | |
REF # | 92046A |
---|---|
PART NUMBER | |
QUANTITY | 1 |
DESTINATION | |
REMARKS |
BEARING-NEEDLE,SFYZM172425 | |
REF # | 92046B |
---|---|
PART NUMBER | |
QUANTITY | 1 |
DESTINATION | |
REMARKS |
SEAL-OIL,SD0 17 24 5 NS | |
REF # | 92049 |
---|---|
PART NUMBER | |
QUANTITY | 2 |
DESTINATION | |
REMARKS |
SEAL-OIL,MHA18244 | |
REF # | 92049A |
---|---|
PART NUMBER | |
QUANTITY | 2 |
DESTINATION | |
REMARKS |
SEAL-OIL,SD03 16 22 5.7 | |
REF # | 92049B |
---|---|
PART NUMBER | |
QUANTITY | 4 |
DESTINATION | |
REMARKS |
BUSHING-RUBBER | |
REF # | 92092 |
---|---|
PART NUMBER | |
QUANTITY | 1 |
DESTINATION | |
REMARKS |
BOLT,FLANGED,10X55 | |
REF # | 92153 |
---|---|
PART NUMBER | |
QUANTITY | 1 |
DESTINATION | |
REMARKS |
BOLT,FLANGED,10X114 | |
REF # | 92154 |
---|---|
PART NUMBER | |
QUANTITY | 2 |
DESTINATION | |
REMARKS |
BOLT,FLANGED,10X70 | |
REF # | 92154A |
---|---|
PART NUMBER | |
QUANTITY | 1 |
DESTINATION | |
REMARKS |
NUT,LOCK,FLANGED,10MM | |
REF # | 92210 |
---|---|
PART NUMBER | |
QUANTITY | 4 |
DESTINATION | |
REMARKS |