main content of page
Parts Diagrams
OWNER CENTER |

Welcome, Kawasaki owners. Access the information and tools you need to get the most out of your vehicle.
OWNER CENTER |
Welcome, Kawasaki owners. Access the information and tools you need to get the most out of your vehicle.
Parts Diagrams |
11061
18088
18088A
18088B
18088C
18088D
18088E
18088F
18088G
18091
18091A
35063
59081
59081A
59081B
59081C
59081D
59081E
92015
92092
92092
92145
92145
92145
92145
92145
92145
92145A
92145A
92145B
92145B
92145B
92145B
92145B
92145B
92145C
92145C
92151
92153
92154
92200
92200
92210
92210A
411
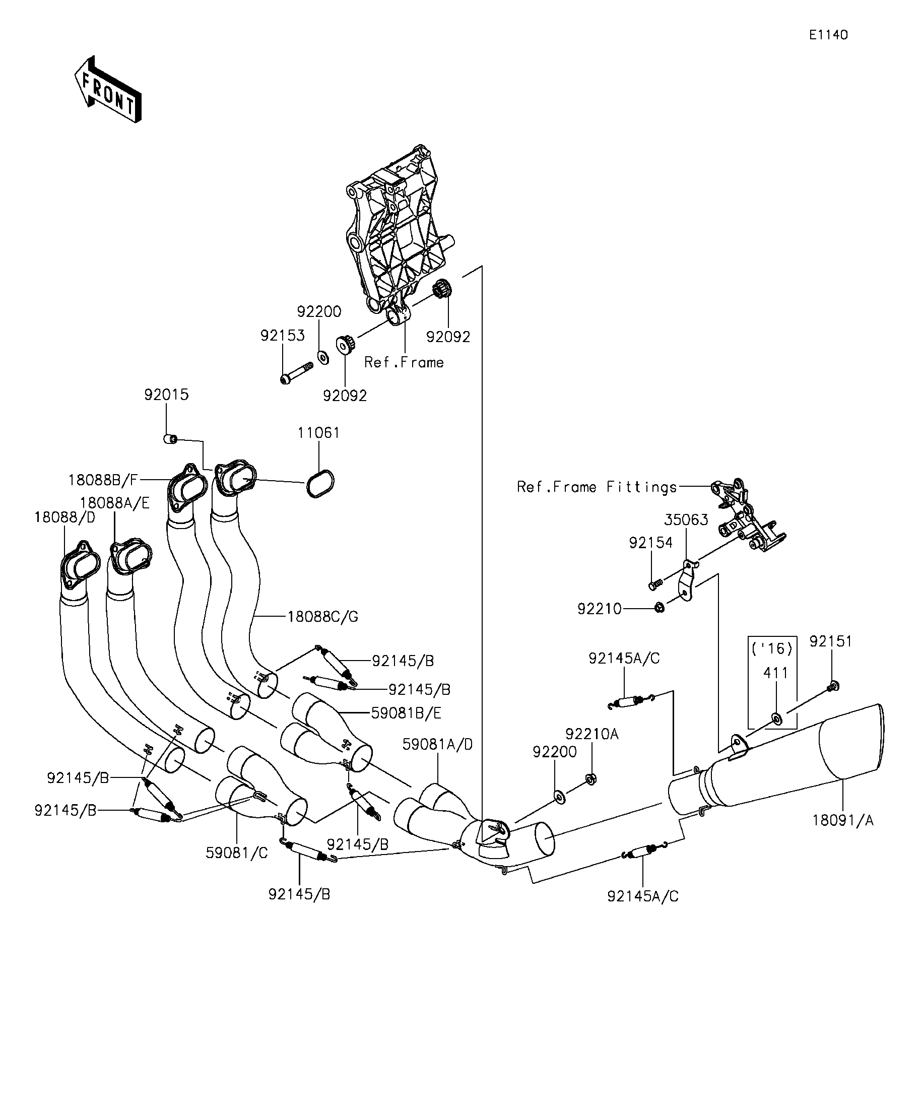
ITEM NAME | REF # | PART NUMBER | QUANTITY | DESTINATION | REMARKS |
---|---|---|---|---|---|
GASKET,EXHAUST PIPE | 11061 | 11061-0951 | 4 | ||
PIPE-EXHAUST,#1 | 18088 | 18088-1000 | 1 | ||
PIPE-EXHAUST,#2 | 18088A | 18088-1249 | 1 | ||
PIPE-EXHAUST,#3 | 18088B | 18088-1250 | 1 | ||
PIPE-EXHAUST,#4 | 18088C | 18088-1251 | 1 | ||
PIPE-EXHAUST,#1 | 18088D | 18088-1284 | 1 | ||
PIPE-EXHAUST,#2 | 18088E | 18088-1285 | 1 | ||
PIPE-EXHAUST,#3 | 18088F | 18088-1286 | 1 | ||
PIPE-EXHAUST,#4 | 18088G | 18088-1287 | 1 | ||
BODY-COMP-MUFFLER | 18091 | 18091-0948 | 1 | ||
BODY-COMP-MUFFLER | 18091A | 18091-0992 | 1 | ||
STAY,MUFFLER BODY | 35063 | 35063-1278 | 1 | ||
MANIFOLD-EXHAUST,4-2 JOINT,LH | 59081 | 59081-0282 | 1 | ||
MANIFOLD-EXHAUST,2-1 JOINT | 59081A | 59081-0283 | 1 | ||
MANIFOLD-EXHAUST,4-2 JOINT,RH | 59081B | 59081-0284 | 1 | ||
MANIFOLD-EXHAUST,4-2 JOINT,LH | 59081C | 59081-0297 | 1 | ||
MANIFOLD-EXHAUST,2-1 JOINT | 59081D | 59081-0298 | 1 | ||
MANIFOLD-EXHAUST,4-2 JOINT,RH | 59081E | 59081-0299 | 1 | ||
NUT | 92015 | 92015-1923 | 8 | ||
BUSHING-RUBBER | 92092 | 92092-1081 | 2 | ||
SPRING | 92145 | 92145-1635 | 6 | ||
SPRING | 92145A | 92145-1636 | 2 | ||
SPRING | 92145B | 92145-1706 | 6 | ||
SPRING | 92145C | 92145-1707 | 2 | ||
BOLT,SOCKET,8X16 | 92151 | 92151-1752 | 1 | ||
BOLT,SOCKET,10X60 | 92153 | 92153-1837 | 1 | ||
BOLT,8X18 | 92154 | 92154-1659 | 1 | ||
WASHER,10.5X25X2.0 | 92200 | 92200-1377 | 2 | ||
NUT,8MM | 92210 | 92210-0121 | 1 | ||
NUT,LOCK,FLANGED,10MM | 92210A | 92210-1139 | 1 | ||
WASHER-PLAIN,8MM | 411 | 411S0800 | 1 |
GASKET,EXHAUST PIPE | |
REF # | 11061 |
---|---|
PART NUMBER | |
QUANTITY | 4 |
DESTINATION | |
REMARKS |
PIPE-EXHAUST,#1 | |
REF # | 18088 |
---|---|
PART NUMBER | |
QUANTITY | 1 |
DESTINATION | |
REMARKS |
PIPE-EXHAUST,#2 | |
REF # | 18088A |
---|---|
PART NUMBER | |
QUANTITY | 1 |
DESTINATION | |
REMARKS |
PIPE-EXHAUST,#3 | |
REF # | 18088B |
---|---|
PART NUMBER | |
QUANTITY | 1 |
DESTINATION | |
REMARKS |
PIPE-EXHAUST,#4 | |
REF # | 18088C |
---|---|
PART NUMBER | |
QUANTITY | 1 |
DESTINATION | |
REMARKS |
PIPE-EXHAUST,#1 | |
REF # | 18088D |
---|---|
PART NUMBER | |
QUANTITY | 1 |
DESTINATION | |
REMARKS |
PIPE-EXHAUST,#2 | |
REF # | 18088E |
---|---|
PART NUMBER | |
QUANTITY | 1 |
DESTINATION | |
REMARKS |
PIPE-EXHAUST,#3 | |
REF # | 18088F |
---|---|
PART NUMBER | |
QUANTITY | 1 |
DESTINATION | |
REMARKS |
PIPE-EXHAUST,#4 | |
REF # | 18088G |
---|---|
PART NUMBER | |
QUANTITY | 1 |
DESTINATION | |
REMARKS |
BODY-COMP-MUFFLER | |
REF # | 18091 |
---|---|
PART NUMBER | |
QUANTITY | 1 |
DESTINATION | |
REMARKS |
BODY-COMP-MUFFLER | |
REF # | 18091A |
---|---|
PART NUMBER | |
QUANTITY | 1 |
DESTINATION | |
REMARKS |
STAY,MUFFLER BODY | |
REF # | 35063 |
---|---|
PART NUMBER | |
QUANTITY | 1 |
DESTINATION | |
REMARKS |
MANIFOLD-EXHAUST,4-2 JOINT,LH | |
REF # | 59081 |
---|---|
PART NUMBER | |
QUANTITY | 1 |
DESTINATION | |
REMARKS |
MANIFOLD-EXHAUST,2-1 JOINT | |
REF # | 59081A |
---|---|
PART NUMBER | |
QUANTITY | 1 |
DESTINATION | |
REMARKS |
MANIFOLD-EXHAUST,4-2 JOINT,RH | |
REF # | 59081B |
---|---|
PART NUMBER | |
QUANTITY | 1 |
DESTINATION | |
REMARKS |
MANIFOLD-EXHAUST,4-2 JOINT,LH | |
REF # | 59081C |
---|---|
PART NUMBER | |
QUANTITY | 1 |
DESTINATION | |
REMARKS |
MANIFOLD-EXHAUST,2-1 JOINT | |
REF # | 59081D |
---|---|
PART NUMBER | |
QUANTITY | 1 |
DESTINATION | |
REMARKS |
MANIFOLD-EXHAUST,4-2 JOINT,RH | |
REF # | 59081E |
---|---|
PART NUMBER | |
QUANTITY | 1 |
DESTINATION | |
REMARKS |
NUT | |
REF # | 92015 |
---|---|
PART NUMBER | |
QUANTITY | 8 |
DESTINATION | |
REMARKS |
BUSHING-RUBBER | |
REF # | 92092 |
---|---|
PART NUMBER | |
QUANTITY | 2 |
DESTINATION | |
REMARKS |
SPRING | |
REF # | 92145 |
---|---|
PART NUMBER | |
QUANTITY | 6 |
DESTINATION | |
REMARKS |
SPRING | |
REF # | 92145A |
---|---|
PART NUMBER | |
QUANTITY | 2 |
DESTINATION | |
REMARKS |
SPRING | |
REF # | 92145B |
---|---|
PART NUMBER | |
QUANTITY | 6 |
DESTINATION | |
REMARKS |
SPRING | |
REF # | 92145C |
---|---|
PART NUMBER | |
QUANTITY | 2 |
DESTINATION | |
REMARKS |
BOLT,SOCKET,8X16 | |
REF # | 92151 |
---|---|
PART NUMBER | |
QUANTITY | 1 |
DESTINATION | |
REMARKS |
BOLT,SOCKET,10X60 | |
REF # | 92153 |
---|---|
PART NUMBER | |
QUANTITY | 1 |
DESTINATION | |
REMARKS |
BOLT,8X18 | |
REF # | 92154 |
---|---|
PART NUMBER | |
QUANTITY | 1 |
DESTINATION | |
REMARKS |
WASHER,10.5X25X2.0 | |
REF # | 92200 |
---|---|
PART NUMBER | |
QUANTITY | 2 |
DESTINATION | |
REMARKS |
NUT,8MM | |
REF # | 92210 |
---|---|
PART NUMBER | |
QUANTITY | 1 |
DESTINATION | |
REMARKS |
NUT,LOCK,FLANGED,10MM | |
REF # | 92210A |
---|---|
PART NUMBER | |
QUANTITY | 1 |
DESTINATION | |
REMARKS |
WASHER-PLAIN,8MM | |
REF # | 411 |
---|---|
PART NUMBER | |
QUANTITY | 1 |
DESTINATION | |
REMARKS |