main content of page
Parts Diagrams
OWNER CENTER |

Welcome, Kawasaki owners. Access the information and tools you need to get the most out of your vehicle.
OWNER CENTER |
Welcome, Kawasaki owners. Access the information and tools you need to get the most out of your vehicle.
Parts Diagrams |
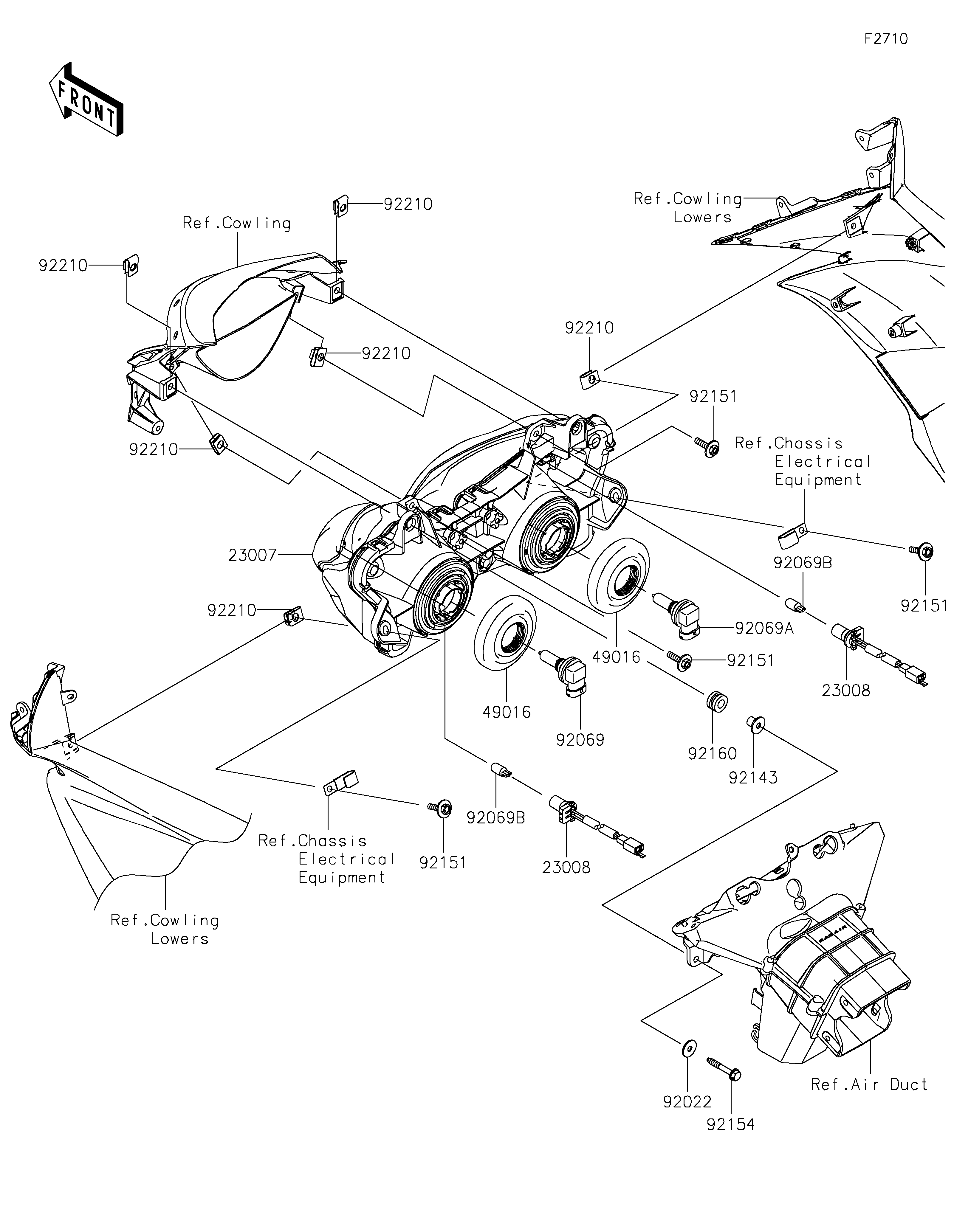
23007
23008
23008
49016
49016
92022
92069
92069A
92069B
92069B
92143
92151
92151
92151
92151
92154
92160
92210
92210
92210
92210
92210
92210
ITEM NAME | REF # | PART NUMBER | QUANTITY | DESTINATION | REMARKS |
---|---|---|---|---|---|
LENS-COMP,HEAD LAMP | 23007 | 23007-0226 | 1 | ||
SOCKET-ASSY,HEAD LAMP | 23008 | 23008-0090 | 2 | ||
COVER-SEAL,HEAD LAMP | 49016 | 49016-0023 | 2 | ||
WASHER,6.5X20X1.6,BLACK | 92022 | 92022-1346 | 2 | ||
BULB,12V 65W,H9 | 92069 | 92069-0055 | 1 | ||
BULB,12V 55W,H11 | 92069A | 92069-0056 | 1 | ||
BULB,12V 5W | 92069B | 92069-1016 | 2 | ||
COLLAR | 92143 | 92143-1353 | 2 | ||
BOLT,6X25 | 92151 | 92151-1241 | 4 | ||
BOLT,6X40 | 92154 | 92154-0251 | 2 | ||
DAMPER,10X20X12 | 92160 | 92160-1167 | 2 | ||
NUT | 92210 | 92210-0130 | 6 |
LENS-COMP,HEAD LAMP | |
REF # | 23007 |
---|---|
PART NUMBER | |
QUANTITY | 1 |
DESTINATION | |
REMARKS |
SOCKET-ASSY,HEAD LAMP | |
REF # | 23008 |
---|---|
PART NUMBER | |
QUANTITY | 2 |
DESTINATION | |
REMARKS |
COVER-SEAL,HEAD LAMP | |
REF # | 49016 |
---|---|
PART NUMBER | |
QUANTITY | 2 |
DESTINATION | |
REMARKS |
WASHER,6.5X20X1.6,BLACK | |
REF # | 92022 |
---|---|
PART NUMBER | |
QUANTITY | 2 |
DESTINATION | |
REMARKS |
BULB,12V 65W,H9 | |
REF # | 92069 |
---|---|
PART NUMBER | |
QUANTITY | 1 |
DESTINATION | |
REMARKS |
BULB,12V 55W,H11 | |
REF # | 92069A |
---|---|
PART NUMBER | |
QUANTITY | 1 |
DESTINATION | |
REMARKS |
BULB,12V 5W | |
REF # | 92069B |
---|---|
PART NUMBER | |
QUANTITY | 2 |
DESTINATION | |
REMARKS |
COLLAR | |
REF # | 92143 |
---|---|
PART NUMBER | |
QUANTITY | 2 |
DESTINATION | |
REMARKS |
BOLT,6X25 | |
REF # | 92151 |
---|---|
PART NUMBER | |
QUANTITY | 4 |
DESTINATION | |
REMARKS |
BOLT,6X40 | |
REF # | 92154 |
---|---|
PART NUMBER | |
QUANTITY | 2 |
DESTINATION | |
REMARKS |
DAMPER,10X20X12 | |
REF # | 92160 |
---|---|
PART NUMBER | |
QUANTITY | 2 |
DESTINATION | |
REMARKS |
NUT | |
REF # | 92210 |
---|---|
PART NUMBER | |
QUANTITY | 6 |
DESTINATION | |
REMARKS |