main content of page
Parts Diagrams
OWNER CENTER |

Welcome, Kawasaki owners. Access the information and tools you need to get the most out of your vehicle.
OWNER CENTER |
Welcome, Kawasaki owners. Access the information and tools you need to get the most out of your vehicle.
Parts Diagrams |
120
13042
13042
13091
13280
220
220
220A
220B
220B
236
27010
32099
46003
46003A
46019
46075
46076
46091
46091A
46092
92145
92150
92150
92151
92152
92153
92153
92154
92154
92154A
92154A
92170
92172
92172A
92210
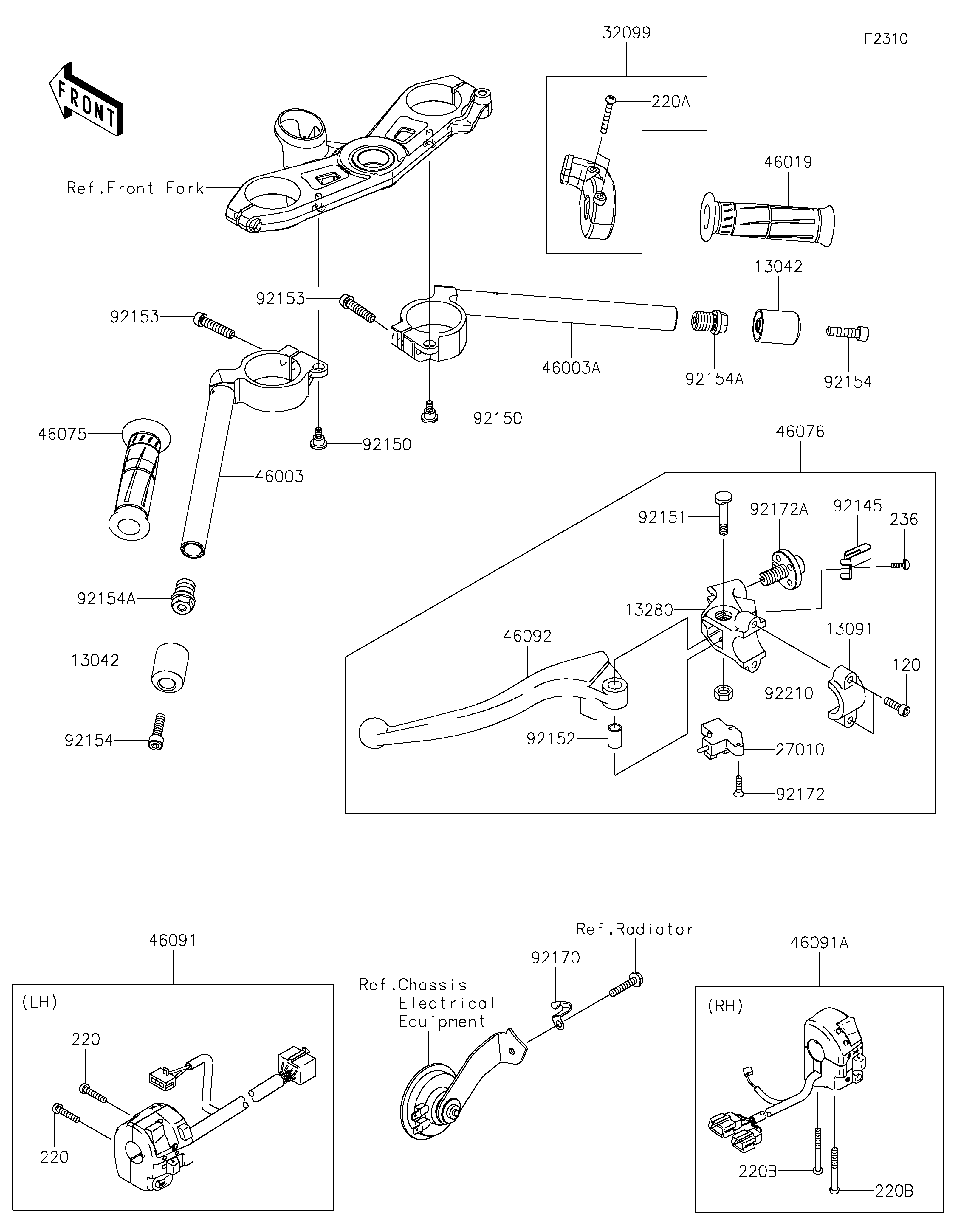
ITEM NAME | REF # | PART NUMBER | QUANTITY | DESTINATION | REMARKS |
---|---|---|---|---|---|
BOLT-SOCKET,6X20 | 120 | 120CA0620 | 2 | ||
WEIGHT,HANDLE | 13042 | 13042-5001 | 2 | ||
HOLDER,CLUTCH LEVER | 13091 | 13091-1624 | 1 | ||
HOLDER,CLUTCH LEVER | 13280 | 13280-1160 | 1 | ||
SCREW-PAN-CROS,5X25 | 220 | 220AB0525 | 2 | ||
SCREW-PAN-CROS,5X35 | 220A | 220AB0535 | 2 | ||
SCREW-PAN-CROS,5X45 | 220B | 220AB0545 | 2 | ||
SCREW-PAN-WSP-CROS,4X10 | 236 | 236AB0410 | 1 | ||
SWITCH,CLUTCH | 27010 | 27010-0855 | 1 | ||
CASE,THROTTLE | 32099 | 32099-0049 | 1 | ||
HANDLE,LH | 46003 | 46003-0162 | 1 | ||
HANDLE,RH | 46003A | 46003-0163 | 1 | ||
GRIP-ASSY,THROTTLE | 46019 | 46019-0020 | 1 | ||
GRIP,LH | 46075 | 46075-0068 | 1 | ||
LEVER-ASSY-GRIP,CLUTCH | 46076 | 46076-0126 | 1 | ||
HOUSING-ASSY-CONTROL,LH | 46091 | 46091-0116 | 1 | ||
HOUSING-ASSY-CONTROL,RH | 46091A | 46091-0171 | 1 | ||
LEVER-GRIP,CLUTCH | 46092 | 46092-0006 | 1 | ||
SPRING | 92145 | 92145-1286 | 1 | ||
BOLT,6MM | 92150 | 92150-1090 | 2 | ||
BOLT | 92151 | 92151-1523 | 1 | ||
COLLAR | 92152 | 92152-0103 | 1 | ||
BOLT,SOCKET,8X35 | 92153 | 92153-0907 | 2 | ||
BOLT,SOCKET,8X30 | 92154 | 92154-0502 | 2 | ||
BOLT,17X18 | 92154A | 92154-1902 | 2 | ||
CLAMP | 92170 | 92170-1577 | 1 | ||
SCREW,3X16 | 92172 | 92172-0183 | 2 | ||
SCREW,ADJUST NUT | 92172A | 92172-1060 | 1 | ||
NUT,LOCK,6MM | 92210 | 92210-0006 | 1 |
BOLT-SOCKET,6X20 | |
REF # | 120 |
---|---|
PART NUMBER | |
QUANTITY | 2 |
DESTINATION | |
REMARKS |
WEIGHT,HANDLE | |
REF # | 13042 |
---|---|
PART NUMBER | |
QUANTITY | 2 |
DESTINATION | |
REMARKS |
HOLDER,CLUTCH LEVER | |
REF # | 13091 |
---|---|
PART NUMBER | |
QUANTITY | 1 |
DESTINATION | |
REMARKS |
HOLDER,CLUTCH LEVER | |
REF # | 13280 |
---|---|
PART NUMBER | |
QUANTITY | 1 |
DESTINATION | |
REMARKS |
SCREW-PAN-CROS,5X25 | |
REF # | 220 |
---|---|
PART NUMBER | |
QUANTITY | 2 |
DESTINATION | |
REMARKS |
SCREW-PAN-CROS,5X35 | |
REF # | 220A |
---|---|
PART NUMBER | |
QUANTITY | 2 |
DESTINATION | |
REMARKS |
SCREW-PAN-CROS,5X45 | |
REF # | 220B |
---|---|
PART NUMBER | |
QUANTITY | 2 |
DESTINATION | |
REMARKS |
SCREW-PAN-WSP-CROS,4X10 | |
REF # | 236 |
---|---|
PART NUMBER | |
QUANTITY | 1 |
DESTINATION | |
REMARKS |
SWITCH,CLUTCH | |
REF # | 27010 |
---|---|
PART NUMBER | |
QUANTITY | 1 |
DESTINATION | |
REMARKS |
CASE,THROTTLE | |
REF # | 32099 |
---|---|
PART NUMBER | |
QUANTITY | 1 |
DESTINATION | |
REMARKS |
HANDLE,LH | |
REF # | 46003 |
---|---|
PART NUMBER | |
QUANTITY | 1 |
DESTINATION | |
REMARKS |
HANDLE,RH | |
REF # | 46003A |
---|---|
PART NUMBER | |
QUANTITY | 1 |
DESTINATION | |
REMARKS |
GRIP-ASSY,THROTTLE | |
REF # | 46019 |
---|---|
PART NUMBER | |
QUANTITY | 1 |
DESTINATION | |
REMARKS |
GRIP,LH | |
REF # | 46075 |
---|---|
PART NUMBER | |
QUANTITY | 1 |
DESTINATION | |
REMARKS |
LEVER-ASSY-GRIP,CLUTCH | |
REF # | 46076 |
---|---|
PART NUMBER | |
QUANTITY | 1 |
DESTINATION | |
REMARKS |
HOUSING-ASSY-CONTROL,LH | |
REF # | 46091 |
---|---|
PART NUMBER | |
QUANTITY | 1 |
DESTINATION | |
REMARKS |
HOUSING-ASSY-CONTROL,RH | |
REF # | 46091A |
---|---|
PART NUMBER | |
QUANTITY | 1 |
DESTINATION | |
REMARKS |
LEVER-GRIP,CLUTCH | |
REF # | 46092 |
---|---|
PART NUMBER | |
QUANTITY | 1 |
DESTINATION | |
REMARKS |
SPRING | |
REF # | 92145 |
---|---|
PART NUMBER | |
QUANTITY | 1 |
DESTINATION | |
REMARKS |
BOLT,6MM | |
REF # | 92150 |
---|---|
PART NUMBER | |
QUANTITY | 2 |
DESTINATION | |
REMARKS |
BOLT | |
REF # | 92151 |
---|---|
PART NUMBER | |
QUANTITY | 1 |
DESTINATION | |
REMARKS |
COLLAR | |
REF # | 92152 |
---|---|
PART NUMBER | |
QUANTITY | 1 |
DESTINATION | |
REMARKS |
BOLT,SOCKET,8X35 | |
REF # | 92153 |
---|---|
PART NUMBER | |
QUANTITY | 2 |
DESTINATION | |
REMARKS |
BOLT,SOCKET,8X30 | |
REF # | 92154 |
---|---|
PART NUMBER | |
QUANTITY | 2 |
DESTINATION | |
REMARKS |
BOLT,17X18 | |
REF # | 92154A |
---|---|
PART NUMBER | |
QUANTITY | 2 |
DESTINATION | |
REMARKS |
CLAMP | |
REF # | 92170 |
---|---|
PART NUMBER | |
QUANTITY | 1 |
DESTINATION | |
REMARKS |
SCREW,3X16 | |
REF # | 92172 |
---|---|
PART NUMBER | |
QUANTITY | 2 |
DESTINATION | |
REMARKS |
SCREW,ADJUST NUT | |
REF # | 92172A |
---|---|
PART NUMBER | |
QUANTITY | 1 |
DESTINATION | |
REMARKS |
NUT,LOCK,6MM | |
REF # | 92210 |
---|---|
PART NUMBER | |
QUANTITY | 1 |
DESTINATION | |
REMARKS |