main content of page
Parts Diagrams
OWNER CENTER |

Welcome, Kawasaki owners. Access the information and tools you need to get the most out of your vehicle.
OWNER CENTER |
Welcome, Kawasaki owners. Access the information and tools you need to get the most out of your vehicle.
Parts Diagrams |
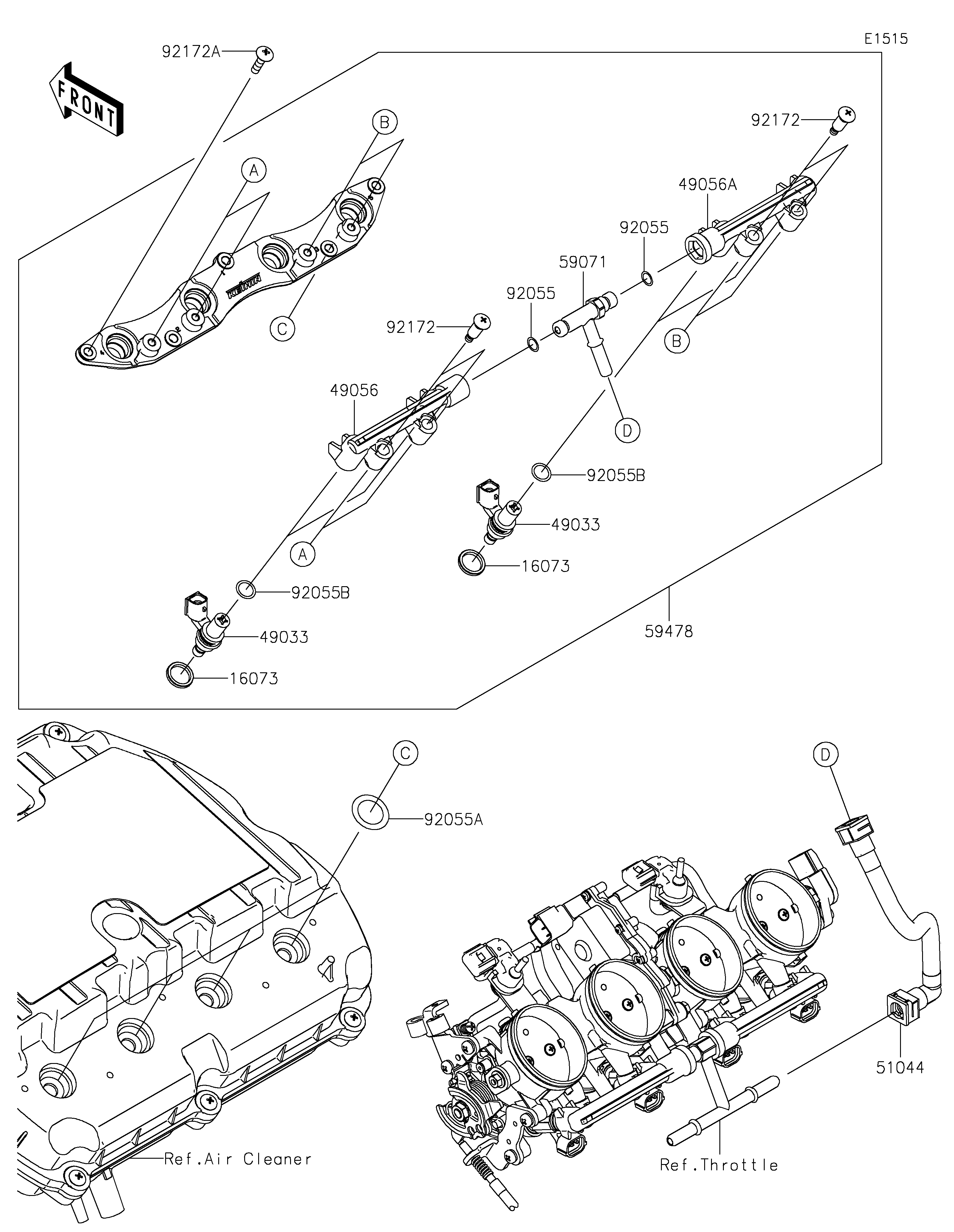
2021 Ninja® ZX™-6R - Top Feed Injecter
16073
16073
49033
49033
49056
49056A
51044
59071
59478
92055
92055
92055A
92055B
92055B
92172
92172
92172A
ITEM NAME | REF # | PART NUMBER | QUANTITY | DESTINATION | REMARKS |
---|---|---|---|---|---|
INSULATOR | 16073 | 16073-0076 | 4 | ||
NOZZLE-INJECTION | 49033 | 49033-0015 | 4 | ||
PIPE-INJECTION,LH | 49056 | 49056-0015 | 1 | ||
PIPE-INJECTION,RH | 49056A | 49056-0027 | 1 | ||
TUBE-ASSY,FUEL | 51044 | 51044-0882 | 1 | ||
JOINT | 59071 | 59071-0062 | 1 | ||
NOZZLE-ASSY,TOP INJECTOR | 59478 | 59478-0009 | 1 | ||
RING-O | 92055 | 92055-0064 | 2 | ||
RING-O,3.95X19.5 | 92055A | 92055-0161 | 4 | ||
RING-O | 92055B | 92055-0170 | 4 | ||
SCREW,PIPE INJECTION | 92172 | 92172-0064 | 4 | ||
SCREW | 92172A | 92172-1072 | 5 |
INSULATOR | |
REF # | 16073 |
---|---|
PART NUMBER | |
QUANTITY | 4 |
DESTINATION | |
REMARKS |
NOZZLE-INJECTION | |
REF # | 49033 |
---|---|
PART NUMBER | |
QUANTITY | 4 |
DESTINATION | |
REMARKS |
PIPE-INJECTION,LH | |
REF # | 49056 |
---|---|
PART NUMBER | |
QUANTITY | 1 |
DESTINATION | |
REMARKS |
PIPE-INJECTION,RH | |
REF # | 49056A |
---|---|
PART NUMBER | |
QUANTITY | 1 |
DESTINATION | |
REMARKS |
TUBE-ASSY,FUEL | |
REF # | 51044 |
---|---|
PART NUMBER | |
QUANTITY | 1 |
DESTINATION | |
REMARKS |
JOINT | |
REF # | 59071 |
---|---|
PART NUMBER | |
QUANTITY | 1 |
DESTINATION | |
REMARKS |
NOZZLE-ASSY,TOP INJECTOR | |
REF # | 59478 |
---|---|
PART NUMBER | |
QUANTITY | 1 |
DESTINATION | |
REMARKS |
RING-O | |
REF # | 92055 |
---|---|
PART NUMBER | |
QUANTITY | 2 |
DESTINATION | |
REMARKS |
RING-O,3.95X19.5 | |
REF # | 92055A |
---|---|
PART NUMBER | |
QUANTITY | 4 |
DESTINATION | |
REMARKS |
RING-O | |
REF # | 92055B |
---|---|
PART NUMBER | |
QUANTITY | 4 |
DESTINATION | |
REMARKS |
SCREW,PIPE INJECTION | |
REF # | 92172 |
---|---|
PART NUMBER | |
QUANTITY | 4 |
DESTINATION | |
REMARKS |
SCREW | |
REF # | 92172A |
---|---|
PART NUMBER | |
QUANTITY | 5 |
DESTINATION | |
REMARKS |