main content of page
Parts Diagrams
OWNER CENTER |

Welcome, Kawasaki owners. Access the information and tools you need to get the most out of your vehicle.
OWNER CENTER |
Welcome, Kawasaki owners. Access the information and tools you need to get the most out of your vehicle.
Parts Diagrams |
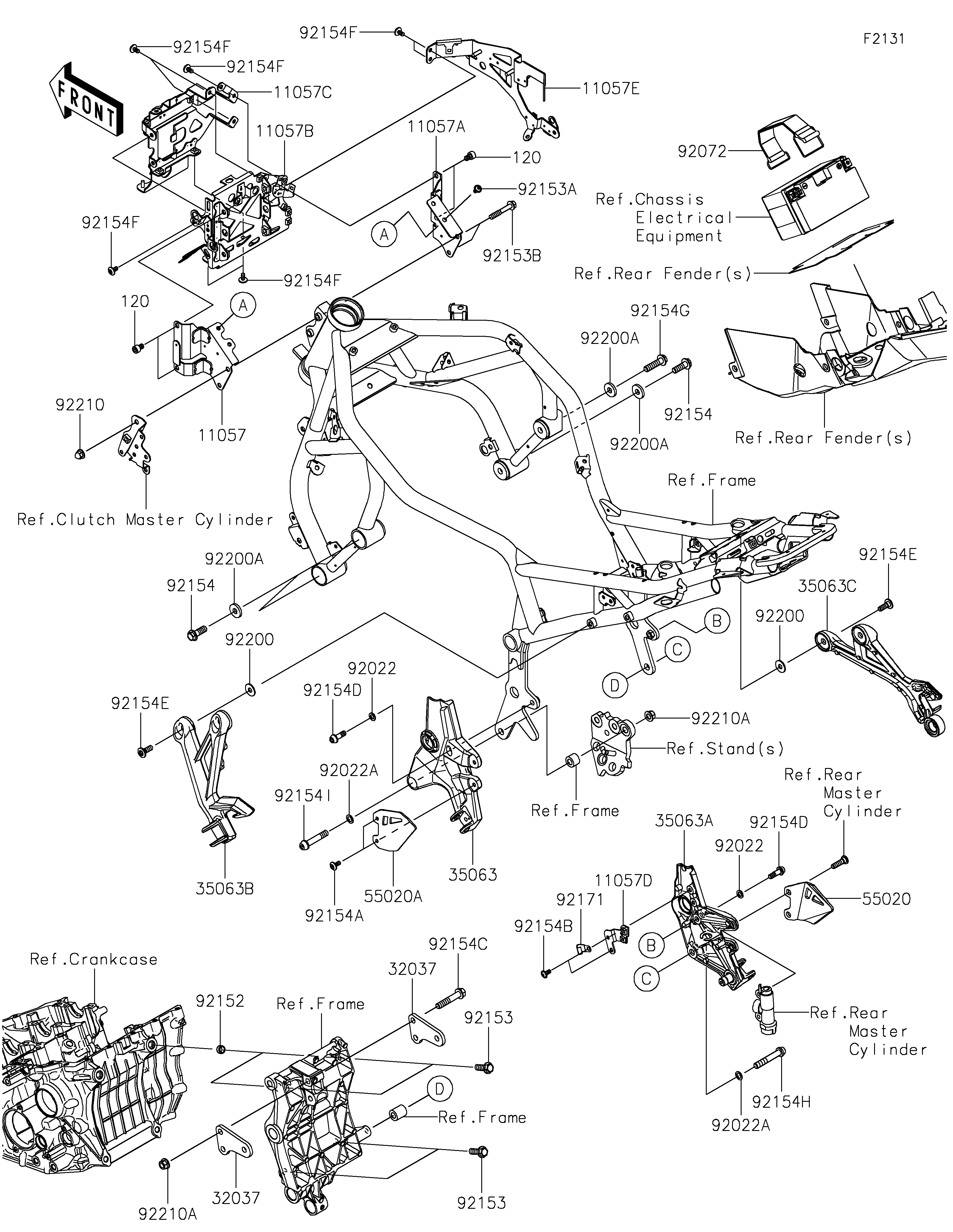
11057
11057A
11057B
11057C
11057D
11057E
32037
32037
35063
35063A
35063B
35063C
55020
55020A
92022
92022
92022A
92022A
92072
92152
92153
92153
92153A
92153B
92154
92154
92154A
92154B
92154C
92154D
92154D
92154E
92154E
92154F
92154F
92154F
92154F
92154F
92154G
92154H
92154I
92171
92200
92200
92200A
92200A
92200A
92210
92210A
92210A
120
120
ITEM NAME | REF # | PART NUMBER | QUANTITY | DESTINATION | REMARKS |
---|---|---|---|---|---|
BRACKET,HEAD LAMP,RR,LH | 11057 | 11057-2920 | 1 | ||
BRACKET,HEAD LAMP,RR,RH | 11057A | 11057-2921 | 1 | ||
BRACKET,HEAD LAMP,MID | 11057B | 11057-2922 | 1 | ||
BRACKET,HEAD LAMP,FR | 11057C | 11057-2923 | 1 | ||
BRACKET,RR RESERVOIR TANK | 11057D | 11057-2925 | 1 | ||
BRACKET,SHROUD,LH | 11057E | 11057-7039 | 1 | ||
BRACKET-SHOCKABSORBER | 32037 | 32037-0429 | 2 | ||
STAY,STEP,FR,LH,F.S.BLACK | 35063 | 35063-1495-18R | 1 | ||
STAY,STEP,FR,RH,F.S.BLACK | 35063A | 35063-1496-18R | 1 | ||
STAY,STEP,RR,LH,F.S.BLACK | 35063B | 35063-1497-18R | 1 | ||
STAY,STEP,RR,RH,F.S.BLACK | 35063C | 35063-1498-18R | 1 | ||
GUARD,FR STEP,RH | 55020 | 55020-1944 | 1 | ||
GUARD,FR STEP,LH | 55020A | 55020-2284 | 1 | ||
WASHER,8.5X14.5X1.6 | 92022 | 92022-1470 | 2 | ||
WASHER,10.2X16X1 | 92022A | 92022-1829 | 2 | ||
BAND,BATTERY | 92072 | 92072-0878 | 1 | ||
COLLAR,DOWEL PIN | 92152 | 92152-0679 | 2 | ||
BOLT,FLANGED,10X30 | 92153 | 92153-0801 | 4 | ||
BOLT,SOCKET,6X12 | 92153A | 92153-1617 | 2 | ||
BOLT,8X50 | 92153B | 92153-7073 | 2 | ||
BOLT,FLANGED,10X30 | 92154 | 92154-0543 | 3 | ||
BOLT,SOCKET,6X14 | 92154A | 92154-0745 | 2 | ||
BOLT,SOCKET,6X14 | 92154B | 92154-0856 | 2 | ||
BOLT,FLANGED,10X54 | 92154C | 92154-0903 | 3 | ||
BOLT,SOCKET,8X25 | 92154D | 92154-1557 | 2 | ||
BOLT,SOCKET,8X23 | 92154E | 92154-1901 | 4 | ||
BOLT,SOCKET,6X12 | 92154F | 92154-2706 | 8 | ||
BOLT,FLANGED,10X40 | 92154G | 92154-2924 | 1 | ||
BOLT,SOCKET,10X60 | 92154H | 92154-4044 | 1 | ||
BOLT,SOCKET,10X52 | 92154I | 92154-4045 | 1 | ||
CLAMP | 92171 | 92171-0813 | 1 | ||
WASHER,8.5X23X1.6 | 92200 | 92200-1936 | 4 | ||
WASHER,10.5X26X4 | 92200A | 92200-3798 | 4 | ||
NUT,CAP,8MM | 92210 | 92210-1132 | 1 | ||
NUT,LOCK,FLANGED,10MM | 92210A | 92210-1139 | 4 | ||
BOLT-SOCKET,8X12 | 120 | 120CA0812 | 4 |
BRACKET,HEAD LAMP,RR,LH | |
REF # | 11057 |
---|---|
PART NUMBER | |
QUANTITY | 1 |
DESTINATION | |
REMARKS |
BRACKET,HEAD LAMP,RR,RH | |
REF # | 11057A |
---|---|
PART NUMBER | |
QUANTITY | 1 |
DESTINATION | |
REMARKS |
BRACKET,HEAD LAMP,MID | |
REF # | 11057B |
---|---|
PART NUMBER | |
QUANTITY | 1 |
DESTINATION | |
REMARKS |
BRACKET,HEAD LAMP,FR | |
REF # | 11057C |
---|---|
PART NUMBER | |
QUANTITY | 1 |
DESTINATION | |
REMARKS |
BRACKET,RR RESERVOIR TANK | |
REF # | 11057D |
---|---|
PART NUMBER | |
QUANTITY | 1 |
DESTINATION | |
REMARKS |
BRACKET,SHROUD,LH | |
REF # | 11057E |
---|---|
PART NUMBER | |
QUANTITY | 1 |
DESTINATION | |
REMARKS |
BRACKET-SHOCKABSORBER | |
REF # | 32037 |
---|---|
PART NUMBER | |
QUANTITY | 2 |
DESTINATION | |
REMARKS |
STAY,STEP,FR,LH,F.S.BLACK | |
REF # | 35063 |
---|---|
PART NUMBER | |
QUANTITY | 1 |
DESTINATION | |
REMARKS |
STAY,STEP,FR,RH,F.S.BLACK | |
REF # | 35063A |
---|---|
PART NUMBER | |
QUANTITY | 1 |
DESTINATION | |
REMARKS |
STAY,STEP,RR,LH,F.S.BLACK | |
REF # | 35063B |
---|---|
PART NUMBER | |
QUANTITY | 1 |
DESTINATION | |
REMARKS |
STAY,STEP,RR,RH,F.S.BLACK | |
REF # | 35063C |
---|---|
PART NUMBER | |
QUANTITY | 1 |
DESTINATION | |
REMARKS |
GUARD,FR STEP,RH | |
REF # | 55020 |
---|---|
PART NUMBER | |
QUANTITY | 1 |
DESTINATION | |
REMARKS |
GUARD,FR STEP,LH | |
REF # | 55020A |
---|---|
PART NUMBER | |
QUANTITY | 1 |
DESTINATION | |
REMARKS |
WASHER,8.5X14.5X1.6 | |
REF # | 92022 |
---|---|
PART NUMBER | |
QUANTITY | 2 |
DESTINATION | |
REMARKS |
WASHER,10.2X16X1 | |
REF # | 92022A |
---|---|
PART NUMBER | |
QUANTITY | 2 |
DESTINATION | |
REMARKS |
BAND,BATTERY | |
REF # | 92072 |
---|---|
PART NUMBER | |
QUANTITY | 1 |
DESTINATION | |
REMARKS |
COLLAR,DOWEL PIN | |
REF # | 92152 |
---|---|
PART NUMBER | |
QUANTITY | 2 |
DESTINATION | |
REMARKS |
BOLT,FLANGED,10X30 | |
REF # | 92153 |
---|---|
PART NUMBER | |
QUANTITY | 4 |
DESTINATION | |
REMARKS |
BOLT,SOCKET,6X12 | |
REF # | 92153A |
---|---|
PART NUMBER | |
QUANTITY | 2 |
DESTINATION | |
REMARKS |
BOLT,8X50 | |
REF # | 92153B |
---|---|
PART NUMBER | |
QUANTITY | 2 |
DESTINATION | |
REMARKS |
BOLT,FLANGED,10X30 | |
REF # | 92154 |
---|---|
PART NUMBER | |
QUANTITY | 3 |
DESTINATION | |
REMARKS |
BOLT,SOCKET,6X14 | |
REF # | 92154A |
---|---|
PART NUMBER | |
QUANTITY | 2 |
DESTINATION | |
REMARKS |
BOLT,SOCKET,6X14 | |
REF # | 92154B |
---|---|
PART NUMBER | |
QUANTITY | 2 |
DESTINATION | |
REMARKS |
BOLT,FLANGED,10X54 | |
REF # | 92154C |
---|---|
PART NUMBER | |
QUANTITY | 3 |
DESTINATION | |
REMARKS |
BOLT,SOCKET,8X25 | |
REF # | 92154D |
---|---|
PART NUMBER | |
QUANTITY | 2 |
DESTINATION | |
REMARKS |
BOLT,SOCKET,8X23 | |
REF # | 92154E |
---|---|
PART NUMBER | |
QUANTITY | 4 |
DESTINATION | |
REMARKS |
BOLT,SOCKET,6X12 | |
REF # | 92154F |
---|---|
PART NUMBER | |
QUANTITY | 8 |
DESTINATION | |
REMARKS |
BOLT,FLANGED,10X40 | |
REF # | 92154G |
---|---|
PART NUMBER | |
QUANTITY | 1 |
DESTINATION | |
REMARKS |
BOLT,SOCKET,10X60 | |
REF # | 92154H |
---|---|
PART NUMBER | |
QUANTITY | 1 |
DESTINATION | |
REMARKS |
BOLT,SOCKET,10X52 | |
REF # | 92154I |
---|---|
PART NUMBER | |
QUANTITY | 1 |
DESTINATION | |
REMARKS |
CLAMP | |
REF # | 92171 |
---|---|
PART NUMBER | |
QUANTITY | 1 |
DESTINATION | |
REMARKS |
WASHER,8.5X23X1.6 | |
REF # | 92200 |
---|---|
PART NUMBER | |
QUANTITY | 4 |
DESTINATION | |
REMARKS |
WASHER,10.5X26X4 | |
REF # | 92200A |
---|---|
PART NUMBER | |
QUANTITY | 4 |
DESTINATION | |
REMARKS |
NUT,CAP,8MM | |
REF # | 92210 |
---|---|
PART NUMBER | |
QUANTITY | 1 |
DESTINATION | |
REMARKS |
NUT,LOCK,FLANGED,10MM | |
REF # | 92210A |
---|---|
PART NUMBER | |
QUANTITY | 4 |
DESTINATION | |
REMARKS |
BOLT-SOCKET,8X12 | |
REF # | 120 |
---|---|
PART NUMBER | |
QUANTITY | 4 |
DESTINATION | |
REMARKS |