Skip to main content

Parts Diagrams

customer service agent speaking with a customer

Welcome, Kawasaki owners. Access the information and tools you need to get the most out of your vehicle.

Welcome, Kawasaki owners. Access the information and tools you need to get the most out of your vehicle.

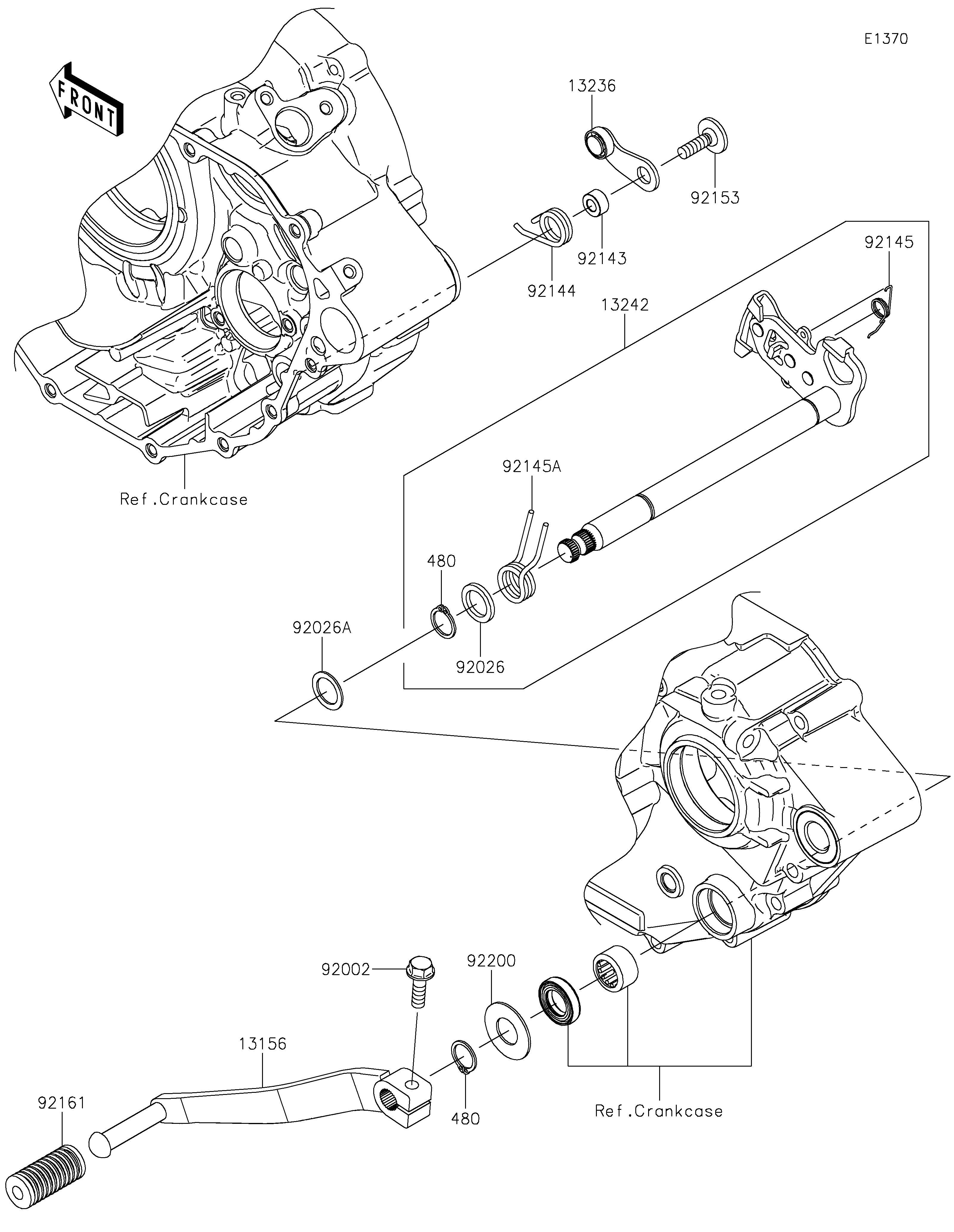
13156
13236
13242
480
480
92002
92026
92026A
92143
92144
92145
92145A
92153
92161
92200
Part Item Information
ITEM NAME REF # PART NUMBER QUANTITY DESTINATION REMARKS
LEVER-CHANGE,PEDAL 13156 13156-0668 1
LEVER-COMP,POSITION 13236 13236-0818 1
LEVER-ASSY-CHANGE 13242 13242-0158 1
CIRCLIP-TYPE-C,14MM 480 480J1400 2
BOLT,6X20 92002 92002-1237 1
SPACER,14X20X2.3 92026 92026-0107 1
SPACER,14X20X1.0 92026A 92026-1534 1
COLLAR 92143 92143-1595 1
SPRING,GEAR POSITION 92144 92144-1523 1
SPRING 92145 92145-0414 1
SPRING,RETURN 92145A 92145-0415 1
BOLT,6X20 92153 92153-1505 1
DAMPER,CHANGE PEDAL 92161 92161-2089 1
WASHER 92200 92200-0265 1