main content of page
Parts Diagrams
OWNER CENTER |

Welcome, Kawasaki owners. Access the information and tools you need to get the most out of your vehicle.
OWNER CENTER |
Welcome, Kawasaki owners. Access the information and tools you need to get the most out of your vehicle.
Parts Diagrams |
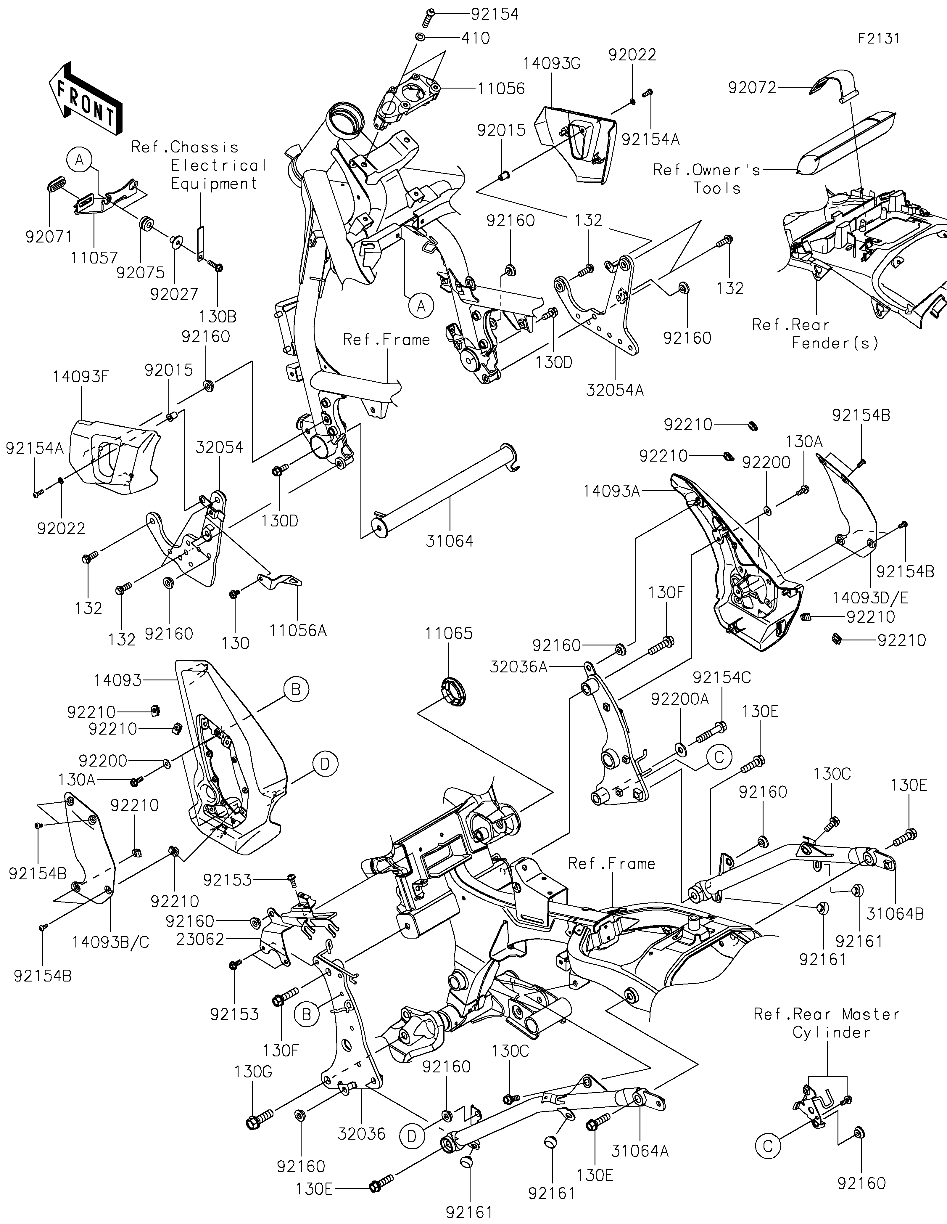
2020 VULCAN® S ABS CAFE - Frame Fittings
11056
11056
11056A
11056A
11057
11057
11065
11065
130
130
130A
130A
130A
130A
130B
130B
130C
130C
130C
130C
14093
14093
14093A
14093A
14093C
14093C
14093E
14093E
14093F
14093F
14093G
14093G
23062
23062
31064
31064
31064A
31064A
31064B
31064B
32036
32036
32036A
32036A
32054
32054
32054A
32054A
92015
92015
92015
92015
92022
92022
92022
92022
92027
92027
92071
92071
92072
92072
92075
92075
92153
92153
92153
92153
92154
92154
92154A
92154A
92154A
92154A
92154B
92154B
92154B
92154B
92154B
92154B
92154B
92154B
92154C
92154C
92160
92160
92160
92160
92160
92160
92160
92160
92160
92160
92160
92160
92160
92160
92160
92160
92160
92160
92160
92160
92161
92161
92161
92161
92161
92161
92161
92161
92200
92200
92200
92200
92200A
92200A
92210
92210
92210
92210
92210
92210
92210
92210
92210
92210
92210
92210
92210
92210
92210
92210
130D
130D
130D
130D
130E
130E
130E
130E
130E
130E
130E
130E
130F
130F
130F
130F
130G
130G
132
132
132
132
132
132
132
132
410
410
ITEM NAME | REF # | PART NUMBER | QUANTITY | DESTINATION | REMARKS |
---|---|---|---|---|---|
BRACKET,IGNITION SW. | 11056 | 11056-0805 | 1 | ||
BRACKET,STEP STAY COVER,LH | 11056A | 11056-4456 | 1 | ||
BRACKET,REGULATOR | 11057 | 11057-0177 | 1 | ||
CAP,SHOCK BKT.,F.S.BLACK | 11065 | 11065-0868-18T | 1 | ||
BOLT-FLANGED,6X10 | 130 | 130BA0610 | 1 | ||
BOLT-FLANGED,6X16 | 130A | 130BA0616 | 4 | ||
BOLT-FLANGED,6X22 | 130B | 130BA0622 | 2 | ||
BOLT-FLANGED,8X20 | 130C | 130BA0820 | 2 | ||
COVER,PIVOT,LH | 14093 | 14093-0115 | 1 | ||
COVER,PIVOT,RH | 14093A | 14093-0116 | 1 | ||
COVER,PIVOT,PLATE,LH,EBONY | 14093C | 14093-0117-H8 | 1 | ||
COVER,PIVOT,PLATE,RH,EBONY | 14093E | 14093-0118-H8 | 1 | ||
COVER,STEP STAY,LH,F.S.BLACK | 14093F | 14093-0348-18T | 1 | ||
COVER,STEP STAY,RH,F.S.BLACK | 14093G | 14093-0349-18T | 1 | ||
BRACKET-COMP,SIDE COVER | 23062 | 23062-0822 | 1 | ||
PIPE-COMP,FR FRAME | 31064 | 31064-0649 | 1 | ||
PIPE-COMP,RR,LH,F.S.BLACK | 31064A | 31064-0652-18R | 1 | ||
PIPE-COMP,RR,RH,F.S.BLACK | 31064B | 31064-0653-18R | 1 | ||
BRACKET-SWINGARM,LH | 32036 | 32036-0349 | 1 | ||
BRACKET-SWINGARM,RH | 32036A | 32036-0350 | 1 | ||
BRACKET-STEP,LH | 32054 | 32054-0075 | 1 | ||
BRACKET-STEP,RH | 32054A | 32054-0076 | 1 | ||
NUT,WELL,5MM | 92015 | 92015-1757 | 2 | ||
WASHER,5.1X10X1.0 | 92022 | 92022-1977 | 2 | ||
COLLAR,L=13.1,BLACK | 92027 | 92027-1450 | 2 | ||
GROMMET | 92071 | 92071-0013 | 1 | ||
BAND,TOOL | 92072 | 92072-0056 | 1 | ||
DAMPER | 92075 | 92075-209 | 2 | ||
BOLT,FLANGED,6X16 | 92153 | 92153-0713 | 3 | ||
BOLT,TORX,8X35 | 92154 | 92154-0730 | 2 | ||
BOLT,SOCKET,5X16 | 92154A | 92154-1470 | 2 | ||
BOLT,SOCKET,5X12 | 92154B | 92154-1471 | 8 | ||
BOLT,FLANGED,10X50 | 92154C | 92154-1620 | 1 | ||
DAMPER | 92160 | 92160-1613 | 10 | ||
DAMPER,10X20X8 | 92161 | 92161-0855 | 4 | ||
WASHER,6.5X16X1.0 | 92200 | 92200-0796 | 4 | ||
WASHER,10.2X25X2.3 | 92200A | 92200-1686 | 1 | ||
NUT,PLATE,5MM | 92210 | 92210-0935 | 8 | ||
BOLT-FLANGED,8X20 | 130D | 130CA0820 | 2 | ||
BOLT-FLANGED,10X35 | 130E | 130CA1035 | 4 | ||
BOLT-FLANGED,10X40 | 130F | 130CA1040 | 2 | ||
BOLT-FLANGED,12X40 | 130G | 130CB1240 | 1 | ||
BOLT-FLANGED-SMALL,8X22 | 132 | 132BB0822 | 6 | ||
WASHER-PLAIN-SMALL,8MM | 410 | 410AA0800 | 2 |
BRACKET,IGNITION SW. | |
REF # | 11056 |
---|---|
PART NUMBER | |
QUANTITY | 1 |
DESTINATION | |
REMARKS |
BRACKET,STEP STAY COVER,LH | |
REF # | 11056A |
---|---|
PART NUMBER | |
QUANTITY | 1 |
DESTINATION | |
REMARKS |
BRACKET,REGULATOR | |
REF # | 11057 |
---|---|
PART NUMBER | |
QUANTITY | 1 |
DESTINATION | |
REMARKS |
CAP,SHOCK BKT.,F.S.BLACK | |
REF # | 11065 |
---|---|
PART NUMBER | |
QUANTITY | 1 |
DESTINATION | |
REMARKS |
BOLT-FLANGED,6X10 | |
REF # | 130 |
---|---|
PART NUMBER | |
QUANTITY | 1 |
DESTINATION | |
REMARKS |
BOLT-FLANGED,6X16 | |
REF # | 130A |
---|---|
PART NUMBER | |
QUANTITY | 4 |
DESTINATION | |
REMARKS |
BOLT-FLANGED,6X22 | |
REF # | 130B |
---|---|
PART NUMBER | |
QUANTITY | 2 |
DESTINATION | |
REMARKS |
BOLT-FLANGED,8X20 | |
REF # | 130C |
---|---|
PART NUMBER | |
QUANTITY | 2 |
DESTINATION | |
REMARKS |
COVER,PIVOT,LH | |
REF # | 14093 |
---|---|
PART NUMBER | |
QUANTITY | 1 |
DESTINATION | |
REMARKS |
COVER,PIVOT,RH | |
REF # | 14093A |
---|---|
PART NUMBER | |
QUANTITY | 1 |
DESTINATION | |
REMARKS |
COVER,PIVOT,PLATE,LH,EBONY | |
REF # | 14093C |
---|---|
PART NUMBER | |
QUANTITY | 1 |
DESTINATION | |
REMARKS |
COVER,PIVOT,PLATE,RH,EBONY | |
REF # | 14093E |
---|---|
PART NUMBER | |
QUANTITY | 1 |
DESTINATION | |
REMARKS |
COVER,STEP STAY,LH,F.S.BLACK | |
REF # | 14093F |
---|---|
PART NUMBER | |
QUANTITY | 1 |
DESTINATION | |
REMARKS |
COVER,STEP STAY,RH,F.S.BLACK | |
REF # | 14093G |
---|---|
PART NUMBER | |
QUANTITY | 1 |
DESTINATION | |
REMARKS |
BRACKET-COMP,SIDE COVER | |
REF # | 23062 |
---|---|
PART NUMBER | |
QUANTITY | 1 |
DESTINATION | |
REMARKS |
PIPE-COMP,FR FRAME | |
REF # | 31064 |
---|---|
PART NUMBER | |
QUANTITY | 1 |
DESTINATION | |
REMARKS |
PIPE-COMP,RR,LH,F.S.BLACK | |
REF # | 31064A |
---|---|
PART NUMBER | |
QUANTITY | 1 |
DESTINATION | |
REMARKS |
PIPE-COMP,RR,RH,F.S.BLACK | |
REF # | 31064B |
---|---|
PART NUMBER | |
QUANTITY | 1 |
DESTINATION | |
REMARKS |
BRACKET-SWINGARM,LH | |
REF # | 32036 |
---|---|
PART NUMBER | |
QUANTITY | 1 |
DESTINATION | |
REMARKS |
BRACKET-SWINGARM,RH | |
REF # | 32036A |
---|---|
PART NUMBER | |
QUANTITY | 1 |
DESTINATION | |
REMARKS |
BRACKET-STEP,LH | |
REF # | 32054 |
---|---|
PART NUMBER | |
QUANTITY | 1 |
DESTINATION | |
REMARKS |
BRACKET-STEP,RH | |
REF # | 32054A |
---|---|
PART NUMBER | |
QUANTITY | 1 |
DESTINATION | |
REMARKS |
NUT,WELL,5MM | |
REF # | 92015 |
---|---|
PART NUMBER | |
QUANTITY | 2 |
DESTINATION | |
REMARKS |
WASHER,5.1X10X1.0 | |
REF # | 92022 |
---|---|
PART NUMBER | |
QUANTITY | 2 |
DESTINATION | |
REMARKS |
COLLAR,L=13.1,BLACK | |
REF # | 92027 |
---|---|
PART NUMBER | |
QUANTITY | 2 |
DESTINATION | |
REMARKS |
GROMMET | |
REF # | 92071 |
---|---|
PART NUMBER | |
QUANTITY | 1 |
DESTINATION | |
REMARKS |
BAND,TOOL | |
REF # | 92072 |
---|---|
PART NUMBER | |
QUANTITY | 1 |
DESTINATION | |
REMARKS |
DAMPER | |
REF # | 92075 |
---|---|
PART NUMBER | |
QUANTITY | 2 |
DESTINATION | |
REMARKS |
BOLT,FLANGED,6X16 | |
REF # | 92153 |
---|---|
PART NUMBER | |
QUANTITY | 3 |
DESTINATION | |
REMARKS |
BOLT,TORX,8X35 | |
REF # | 92154 |
---|---|
PART NUMBER | |
QUANTITY | 2 |
DESTINATION | |
REMARKS |
BOLT,SOCKET,5X16 | |
REF # | 92154A |
---|---|
PART NUMBER | |
QUANTITY | 2 |
DESTINATION | |
REMARKS |
BOLT,SOCKET,5X12 | |
REF # | 92154B |
---|---|
PART NUMBER | |
QUANTITY | 8 |
DESTINATION | |
REMARKS |
BOLT,FLANGED,10X50 | |
REF # | 92154C |
---|---|
PART NUMBER | |
QUANTITY | 1 |
DESTINATION | |
REMARKS |
DAMPER | |
REF # | 92160 |
---|---|
PART NUMBER | |
QUANTITY | 10 |
DESTINATION | |
REMARKS |
DAMPER,10X20X8 | |
REF # | 92161 |
---|---|
PART NUMBER | |
QUANTITY | 4 |
DESTINATION | |
REMARKS |
WASHER,6.5X16X1.0 | |
REF # | 92200 |
---|---|
PART NUMBER | |
QUANTITY | 4 |
DESTINATION | |
REMARKS |
WASHER,10.2X25X2.3 | |
REF # | 92200A |
---|---|
PART NUMBER | |
QUANTITY | 1 |
DESTINATION | |
REMARKS |
NUT,PLATE,5MM | |
REF # | 92210 |
---|---|
PART NUMBER | |
QUANTITY | 8 |
DESTINATION | |
REMARKS |
BOLT-FLANGED,8X20 | |
REF # | 130D |
---|---|
PART NUMBER | |
QUANTITY | 2 |
DESTINATION | |
REMARKS |
BOLT-FLANGED,10X35 | |
REF # | 130E |
---|---|
PART NUMBER | |
QUANTITY | 4 |
DESTINATION | |
REMARKS |
BOLT-FLANGED,10X40 | |
REF # | 130F |
---|---|
PART NUMBER | |
QUANTITY | 2 |
DESTINATION | |
REMARKS |
BOLT-FLANGED,12X40 | |
REF # | 130G |
---|---|
PART NUMBER | |
QUANTITY | 1 |
DESTINATION | |
REMARKS |
BOLT-FLANGED-SMALL,8X22 | |
REF # | 132 |
---|---|
PART NUMBER | |
QUANTITY | 6 |
DESTINATION | |
REMARKS |
WASHER-PLAIN-SMALL,8MM | |
REF # | 410 |
---|---|
PART NUMBER | |
QUANTITY | 2 |
DESTINATION | |
REMARKS |