main content of page
Parts Diagrams
OWNER CENTER |

Welcome, Kawasaki owners. Access the information and tools you need to get the most out of your vehicle.
OWNER CENTER |
Welcome, Kawasaki owners. Access the information and tools you need to get the most out of your vehicle.
Parts Diagrams |
132
221
550
13159
43010
43015
43020
43026
43027
43028
43059
43067
43067
43067
43067
43078
43095
92002
92002
92022
92022A
92033
92037
92037
92043
92055
92150
92150A
92150A
92170
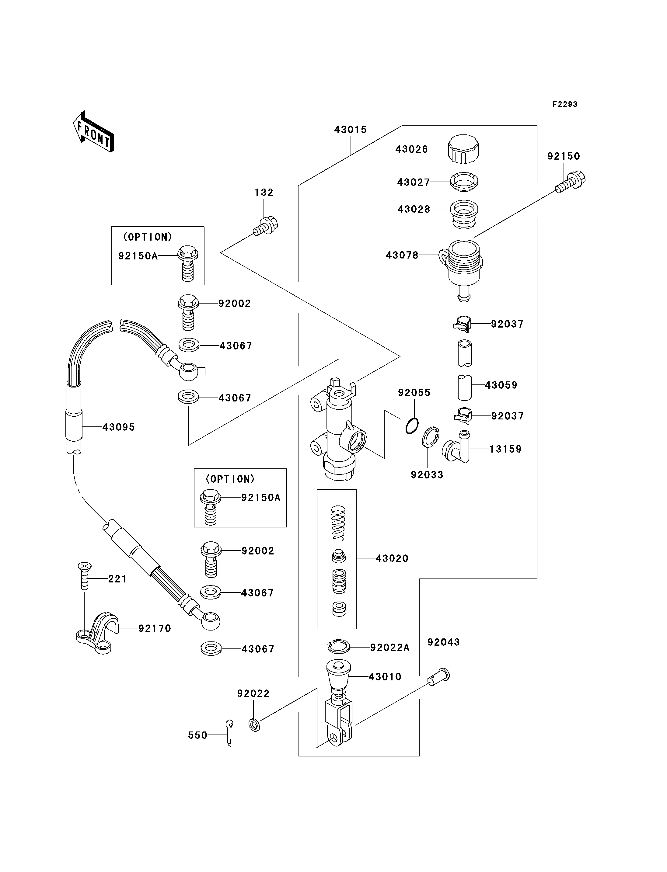
ITEM NAME | REF # | PART NUMBER | QUANTITY | DESTINATION | REMARKS |
---|---|---|---|---|---|
BOLT-FLANGED-SMALL | 132 | 132G0614 | 2 | ||
SCREW-CSK-CROS | 221 | 221B0510 | 4 | ||
PIN-COTTER,2.0X15 | 550 | 550D2015 | 1 | ||
CONNECTOR | 13159 | 13159-1056 | 1 | ||
ROD-ASSY-BRAKE | 43010 | 43010-1087 | 1 | ||
CYLINDER-ASSY-MASTER,RR | 43015 | 43015-1692 | 1 | ||
PISTON-COMP-BRAKE | 43020 | 43020-1094 | 1 | ||
CAP-BRAKE | 43026 | 43026-1058 | 1 | ||
PLATE-DIAPHRAGM | 43027 | 43027-1052 | 1 | ||
DIAPHRAGM | 43028 | 43028-1060 | 1 | ||
HOSE-BRAKE,RR MASTER CYLINDER | 43059 | 43059-1985 | 1 | ||
WASHER,10.5X15X1.5 | 43067 | 43067-001 | 4 | ||
RESERVOIR | 43078 | 43078-1068 | 1 | ||
HOSE-BRAKE,RR | 43095 | 43095-1235 | 1 | ||
BOLT,OIL,L=23 | 92002 | 92002-1888 | 2 | ||
WASHER,8.5X13X1 | 92022 | 92022-1028 | 1 | ||
WASHER,CIRCRIP | 92022A | 92022-1601 | 1 | ||
RING-SNAP,20.5MM | 92033 | 92033-1186 | 1 | ||
CLAMP | 92037 | 92037-1710 | 2 | ||
PIN | 92043 | 92043-1039 | 1 | ||
RING-O,MASTER CYLINDER | 92055 | 92055-1251 | 1 | ||
BOLT,FLANGED,6X25 | 92150 | 92150-1507 | 1 | ||
BOLT,OIL,L=23,FOR SAFETY WIRE | 92150A | 92150-1886 | 2 | (OPTION) | |
CLAMP,HOSE | 92170 | 92170-1684 | 2 |
BOLT-FLANGED-SMALL | |
REF # | 132 |
---|---|
PART NUMBER | |
QUANTITY | 2 |
DESTINATION | |
REMARKS |
SCREW-CSK-CROS | |
REF # | 221 |
---|---|
PART NUMBER | |
QUANTITY | 4 |
DESTINATION | |
REMARKS |
PIN-COTTER,2.0X15 | |
REF # | 550 |
---|---|
PART NUMBER | |
QUANTITY | 1 |
DESTINATION | |
REMARKS |
CONNECTOR | |
REF # | 13159 |
---|---|
PART NUMBER | |
QUANTITY | 1 |
DESTINATION | |
REMARKS |
ROD-ASSY-BRAKE | |
REF # | 43010 |
---|---|
PART NUMBER | |
QUANTITY | 1 |
DESTINATION | |
REMARKS |
CYLINDER-ASSY-MASTER,RR | |
REF # | 43015 |
---|---|
PART NUMBER | |
QUANTITY | 1 |
DESTINATION | |
REMARKS |
PISTON-COMP-BRAKE | |
REF # | 43020 |
---|---|
PART NUMBER | |
QUANTITY | 1 |
DESTINATION | |
REMARKS |
CAP-BRAKE | |
REF # | 43026 |
---|---|
PART NUMBER | |
QUANTITY | 1 |
DESTINATION | |
REMARKS |
PLATE-DIAPHRAGM | |
REF # | 43027 |
---|---|
PART NUMBER | |
QUANTITY | 1 |
DESTINATION | |
REMARKS |
DIAPHRAGM | |
REF # | 43028 |
---|---|
PART NUMBER | |
QUANTITY | 1 |
DESTINATION | |
REMARKS |
HOSE-BRAKE,RR MASTER CYLINDER | |
REF # | 43059 |
---|---|
PART NUMBER | |
QUANTITY | 1 |
DESTINATION | |
REMARKS |
WASHER,10.5X15X1.5 | |
REF # | 43067 |
---|---|
PART NUMBER | |
QUANTITY | 4 |
DESTINATION | |
REMARKS |
RESERVOIR | |
REF # | 43078 |
---|---|
PART NUMBER | |
QUANTITY | 1 |
DESTINATION | |
REMARKS |
HOSE-BRAKE,RR | |
REF # | 43095 |
---|---|
PART NUMBER | |
QUANTITY | 1 |
DESTINATION | |
REMARKS |
BOLT,OIL,L=23 | |
REF # | 92002 |
---|---|
PART NUMBER | |
QUANTITY | 2 |
DESTINATION | |
REMARKS |
WASHER,8.5X13X1 | |
REF # | 92022 |
---|---|
PART NUMBER | |
QUANTITY | 1 |
DESTINATION | |
REMARKS |
WASHER,CIRCRIP | |
REF # | 92022A |
---|---|
PART NUMBER | |
QUANTITY | 1 |
DESTINATION | |
REMARKS |
RING-SNAP,20.5MM | |
REF # | 92033 |
---|---|
PART NUMBER | |
QUANTITY | 1 |
DESTINATION | |
REMARKS |
CLAMP | |
REF # | 92037 |
---|---|
PART NUMBER | |
QUANTITY | 2 |
DESTINATION | |
REMARKS |
PIN | |
REF # | 92043 |
---|---|
PART NUMBER | |
QUANTITY | 1 |
DESTINATION | |
REMARKS |
RING-O,MASTER CYLINDER | |
REF # | 92055 |
---|---|
PART NUMBER | |
QUANTITY | 1 |
DESTINATION | |
REMARKS |
BOLT,FLANGED,6X25 | |
REF # | 92150 |
---|---|
PART NUMBER | |
QUANTITY | 1 |
DESTINATION | |
REMARKS |
BOLT,OIL,L=23,FOR SAFETY WIRE | |
REF # | 92150A |
---|---|
PART NUMBER | |
QUANTITY | 2 |
DESTINATION | |
REMARKS | (OPTION) |
CLAMP,HOSE | |
REF # | 92170 |
---|---|
PART NUMBER | |
QUANTITY | 2 |
DESTINATION | |
REMARKS |