Skip to main content

Parts Diagrams

customer service agent speaking with a customer

Welcome, Kawasaki owners. Access the information and tools you need to get the most out of your vehicle.

Welcome, Kawasaki owners. Access the information and tools you need to get the most out of your vehicle.

550
550
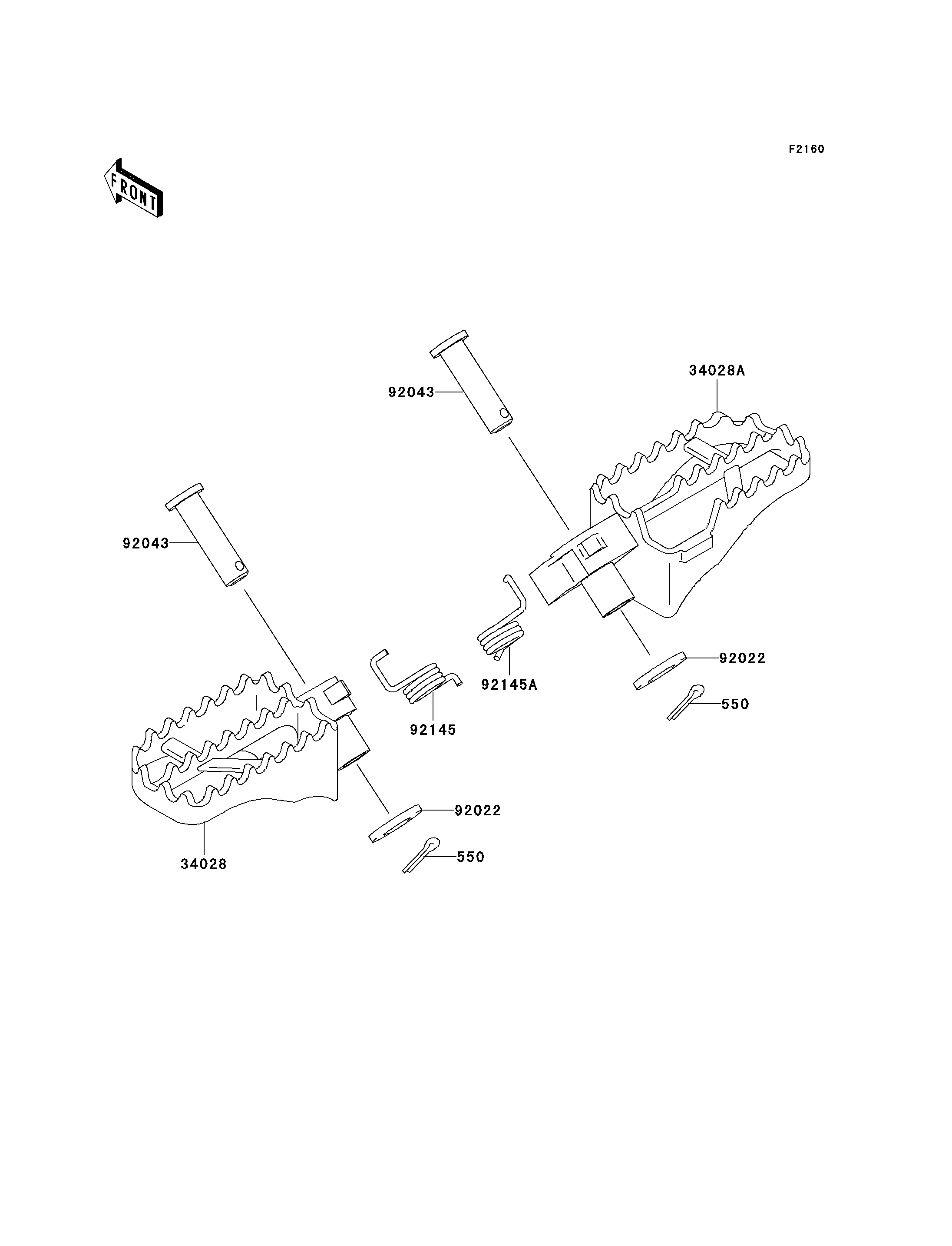
34028
34028A
92022
92022
92043
92043
92145
92145A
Part Item Information
ITEM NAME REF # PART NUMBER QUANTITY DESTINATION REMARKS
PIN-COTTER,3.0X20 550 550S3020 2
STEP,LH,SILVER 34028 34028-1525-CE 1
STEP,RH,SILVER 34028A 34028-1526-CE 1
WASHER,10.2X16X1 92022 92022-1829 2
PIN,10X49.5 92043 92043-1564 2
SPRING,STEP,LH 92145 92145-1466 1
SPRING,STEP,RH 92145A 92145-1467 1